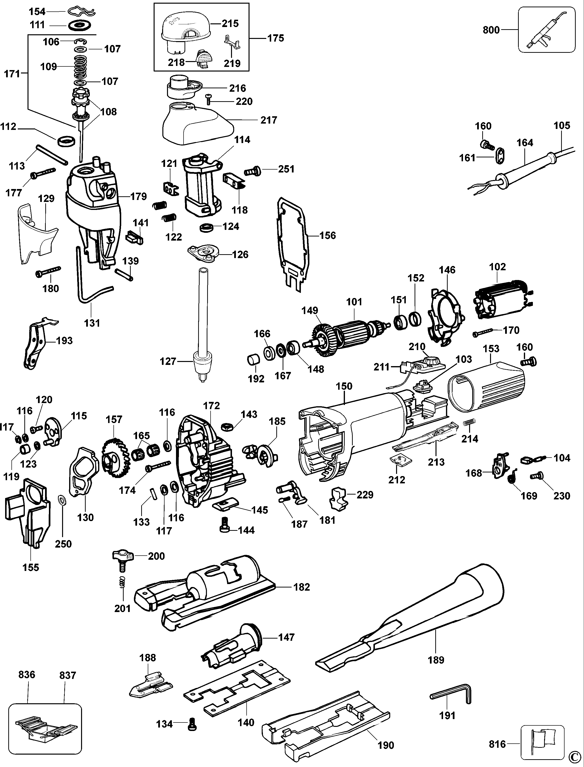
DW323 JIGSAW Type 2 | Drawings
Documents
| Item No. | Product Number | Qty Per | Product Description | General Description | Other Info | Markets | Product Status |
|---|---|---|---|---|---|---|---|
| 101 | 387658-01 | 1 | ARMATURE 230V | QS | CH | ||
| 101 | 387658-01 | 1 | ARMATURE 230V | GB 240V | CH | ||
| 101 | 387658-01 | 1 | ARMATURE 230V | CH | |||
| 102 | 402051-02 | 1 | FIELD 230V | QS | CH | ||
| 102 | 402051-02 | 1 | FIELD 230V | GB 240V | CH | ||
| 102 | 402051-02 | 1 | FIELD 230V | CH | |||
| 103 | 402434-00 | 1 | SWITCH SA | Tyco | CH | ||
| 104 | 939539-01 | 2 | BRUSH CUT OFF | QS | CH | ||
| 104 | 939539-01 | 2 | BRUSH CUT OFF | GB 240V | CH | ||
| 104 | 939539-01 | 2 | BRUSH CUT OFF | CH | |||
| 105 | 330080-57 | 1 | CORDSET (EURO) | QS | CH | ||
| 105 | 949770-46 | 1 | CORDSET | GB 240V | CH | ||
| 105 | 330120-86 | 1 | CORDSET | CH | |||
| 106 | 860322-01 | 1 | CIRCLIP | CH | |||
| 107 | 388957-00 | 2 | WASHER | CH | |||
| 108 | 402960-00 | 1 | CLUTCH SA | CH | |||
| 109 | 402110-00 | 1 | SPRING | CH | |||
| 111 | 949876-21 | 1 | WASHER | CH | |||
| 112 | 402154-00 | 1 | RUBBER | CH | |||
| 113 | 402105-00 | 1 | PIN | CH | |||
| 114 | 402153-00 | 1 | SUPPORT | CH | |||
| 115 | 402161-00SV | 1 | ECCENTRIC SA | CH | |||
| 116 | 932302-00 | 3 | WASHER | CH | |||
| 117 | 949728-04 | 2 | CIRCLIP | CH | |||
| 118 | 402118-00 | 1 | YOKE | CH | |||
| 119 | 402155-00 | 1 | BUSH | CH | |||
| 120 | N056875 | 4 | SCREW TORX | M4x10 | CH | ||
| 121 | 399146-00 | 1 | CLAMP | CH | |||
| 122 | 933524-00 | 2 | SPRING | CH | |||
| 123 | 949876-20 | 1 | WASHER | CH | |||
| 124 | 949400-00 | 1 | FELT | CH | |||
| 126 | 402177-00 | 1 | SEAL SA | CH | |||
| 127 | 948603-00SV | 1 | SPINDLE | CH | |||
| 127 | 948603-00SV | 1 | SPINDLE | CH | |||
| 129 | 389599-00 | 1 | SCREEN | CH | |||
| 130 | 402097-00 | 1 | CAM | CH | |||
| 131 | 402116-00 | 2 | GUARD | CH | |||
| 133 | 330041-08 | 1 | PIN | CH | |||
| 134 | N056875 | 4 | SCREW TORX | M4x10 | CH | ||
| 134 | 945121-00 | 4 | SCREW.TEMP | CH | |||
| 139 | 330041-29 | 1 | PIN | CH | |||
| 140 | 429802-01 | 1 | REPAIR KIT | CH | |||
| 141 | 402151-00 | 1 | RUBBER | CH | |||
| 143 | 860310-00 | 1 | NUT | CH | |||
| 144 | 390908-00 | 1 | SCREW | CH | |||
| 145 | 402652-00 | 1 | PLATE | CH | |||
| 146 | 388968-01 | 1 | BAFFLE | CH | |||
| 146 | 429909-00 | 1 | REPAIR KIT | CH | |||
| 147 | 402176-00 | 1 | ADAPTOR | CH | |||
| 148 | 330003-59 | 1 | BEARING | CH | |||
| 149 | 176838-00 | 1 | FAN | CH | |||
| 150 | 402429-03 | 1 | FIELDCASE | CH | |||
| 151 | 330003-56 | 1 | BEARING | CH | |||
| 152 | 930029-00 | 1 | HOLDER BEARING | CH | |||
| 153 | 402430-03 | 1 | END CAP | CH | |||
| 154 | 402111-00 | 1 | SPRING | CH | |||
| 155 | 402098-00 | 1 | COUNTERWEIGHT | CH | |||
| 156 | 402112-00 | 1 | GASKET | CH | |||
| 157 | 611147-00 | 1 | GEAR SA | 46T | CH | ||
| 160 | 330065-08 | 3 | SCREW | M4x18 T20 | CH | ||
| 161 | 935616-00 | 1 | CORD CLAMP | CH | |||
| 164 | N542553 | 1 | CORD PROTECTOR | CH | |||
| 164 | N542553 | 1 | CORD PROTECTOR | CH | |||
| 165 | 402091-00 | 2 | BEARING | CH | |||
| 166 | 949400-03 | 1 | FELT | CH | |||
| 167 | 402125-00 | 1 | COVER | CH | |||
| 168 | 949880-05 | 2 | BRUSH HOLDER SA | INCL. SPRING | CH | ||
| 169 | 930090-00 | 2 | BRUSH SPRING | CH | |||
| 170 | 330019-02 | 2 | SCREW | CH | |||
| 171 | 402158-04 | 1 | CLUTCH SA | CH | |||
| 172 | 387850-00 | 1 | GEARCASE SA | CH | |||
| 174 | 930079-01 | 2 | SCREW | CH | |||
| 175 | 402962-00 | 2 | KNOB SA | CH | |||
| 177 | 330045-09 | 2 | SCREW | CH | |||
| 179 | 389870-03 | 1 | GEARCASE COVER | CH | |||
| 180 | 930082-01 | 2 | SCREW | CH | |||
| 181 | 329977-00 | 1 | LEVER | CH | |||
| 182 | 429802-01 | 1 | REPAIR KIT | CH | |||
| 185 | 429909-00 | 1 | REPAIR KIT | CH | |||
| 187 | 326467-00 | 2 | DETENT | CH | |||
| 188 | 402140-00 | 1 | ANTI SPLINTER DEVICE | CH | |||
| 189 | 402138-00 | 1 | TUBE | CH | |||
| 190 | 329982-00 | 1 | PLATE | CH | |||
| 191 | 930574-00 | 1 | HEX KEY 5 MM | CH | |||
| 192 | 402191-00 | 1 | BUSH | CH | |||
| 193 | 388577-00 | 1 | SUPPORT SA | CH | |||
| 200 | 025922908 | 1 | KNOB | CH | |||
| 201 | 868082-00 | 1 | SPRING | CH | |||
| 210 | 402447-00 | 1 | WHEEL | CH | |||
| 211 | 402187-04 | 1 | ELECTRONIC & SWITCH | Tyco | QS | CH | |
| 211 | 402187-04 | 1 | ELECTRONIC & SWITCH | Tyco | GB 240V | CH | |
| 211 | 402187-04 | 1 | ELECTRONIC & SWITCH | Tyco | CH | ||
| 212 | 402433-01 | 1 | BUTTON | CH | |||
| 213 | 402432-00 | 1 | LEVER | CH | |||
| 214 | N406641 | 1 | SPRING COMPRESSION | CH | |||
| 215 | 402133-00 | 1 | KNOB | CH | |||
| 216 | 402131-00 | 1 | KNOB | CH | |||
| 217 | 402128-03 | 1 | COVER | CH | |||
| 218 | 402659-00 | 2 | BUTTON | CH | |||
| 219 | 402959-00 | 1 | INSERT | CH | |||
| 220 | 330045-05 | 2 | SCREW | CH | |||
| 229 | 388911-00 | 1 | SUPPORT | CH | |||
| 230 | 330065-06 | 2 | SCREW | CH | |||
| 250 | 609364-00 | 1 | SPACER | CH | |||
| 251 | 603215-00 | 2 | SCREW.SPECIAL | CH | |||
| 800 | 870889-02 | 1 | GREASE | CH | |||
| 816 | 946194-00 | 1 | BRAND LABEL | CH | |||
| 836 | 559635-99 | 1 | S.T.INSERTION TOOL | Insertion tool | CH | ||
| 837 | 559636-99 | 1 | SERVICE TOOL | Spacer Puller | CH |