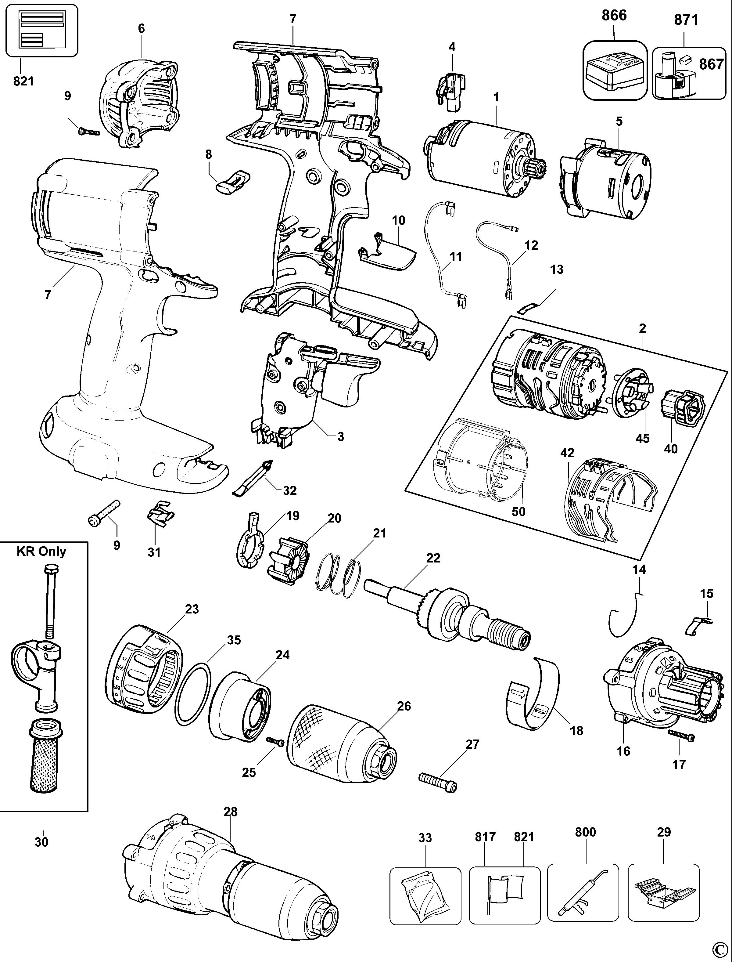
DC984K COMBINATION UNIT Type 11 | Drawings
Documents
| Item No. | Product Number | Qty Per | Product Description | General Description | Other Info | Markets | Product Status |
|---|---|---|---|---|---|---|---|
| 1 | 579724-04 | 1 | MOTOR & PINION | QW | |||
| 2 | 583013-00 | 1 | GEARBOX SA | QW | |||
| 3 | 368832-09 | 1 | SWITCH SA | QW | |||
| 4 | 493511-00 | 1 | BRUSH PAIR | QW | |||
| 5 | 394514-01 | 1 | ADAPTOR | QW | |||
| 6 | 394513-00 | 1 | END CAP | QW | |||
| 7 | 650635-00 | 1 | HOUSING SA | QW | |||
| 8 | 394517-00 | 1 | LEVER | QW | |||
| 9 | 682211-00 | 9 | SCREW | QW | |||
| 10 | 603529-00 | 1 | GUIDE | QW | |||
| 11 | 398978-00 | 1 | LEADWIRE | QW | |||
| 12 | 398979-01 | 1 | LEADWIRE | QW | |||
| 13 | 608060-00 | 1 | DETENT | QW | |||
| 14 | 399059-00 | 1 | SPRING | QW | |||
| 15 | 395460-00 | 1 | SPRING GUIDE | QW | |||
| 16 | 613767-01 | 1 | GEARCASE | QW | |||
| 17 | 330019-49 | 4 | SCREW | QW | |||
| 18 | 394518-01 | 1 | SHROUD | QW | |||
| 19 | 394545-00 | 1 | CAM | QW | |||
| 20 | 394542-00 | 1 | RATCHET FIXED | QW | |||
| 21 | 619421-00 | 1 | SPRING | QW | |||
| 22 | 579726-00 | 1 | SPINDLE SA | QW | |||
| 23 | 604643-00 | 1 | COLLAR | QW | |||
| 24 | 609133-00 | 1 | END CAP | QW | |||
| 26 | N242399 | 1 | CHUCK KEYLESS | QW | |||
| 26 | N591846 | 1 | CHUCK SA | SDS PLUS | QW | ||
| 27 | 605256-02 | 1 | SCREW | QW | |||
| 28 | 579728-00 | 1 | REPAIR KIT | QW | |||
| 29 | 559661-99 | 1 | S.T.CHUCK REMOVAL JIG | QW | |||
| 29 | 559697-99 | 1 | S.T.INSERT | QW | |||
| 31 | 148354-03 | 1 | HOLDER | QW | |||
| 32 | 297757-02 | 1 | BIT PHILLIPS | QW | |||
| 33 | 479938-00 | 1 | REPAIR KIT | QW | |||
| 35 | N092649 | 1 | WASHER SHIM | QW | |||
| 40 | 394532-00 | 1 | ANVIL | QW | |||
| 42 | 607282-00 | 1 | SLIDER | QW | |||
| 45 | 397302-00 | 1 | CARRIER SA | QW | |||
| 50 | 394522-02 | 1 | HOUSING | QW | |||
| 800 | 808386-00 | 1 | GREASE | MOLYKOTE G68 100GMS | QW | ||
| 817 | 578037-00 | 1 | BRAND LABEL | QW | |||
| 821 | N042757 | 1 | RATING PLATE | QW | |||
| 866 | N015878 | 1 | CHARGER 7.2V - 18V | DC984KL | QW | ||
| 867 | 608522-00 | 1 | SAFETY CAP | QW | |||
| 871 | N058103 | 1 | BATTERY 14.4V - 2.0AH | DC984KL | QW |