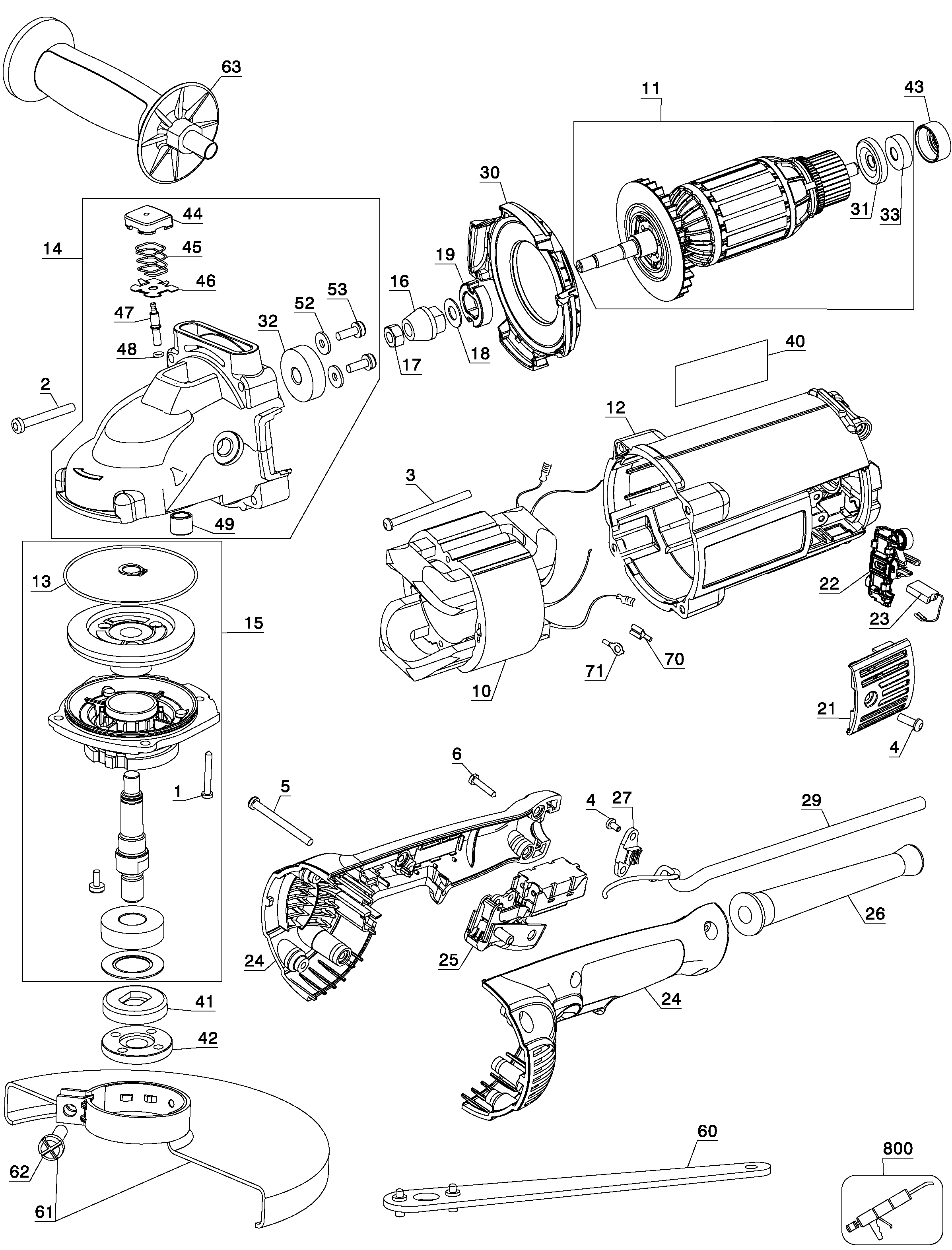
D28491 ANGLE GRINDER Type 1 | Drawings
Documents
| Item No. | Product Number | Qty Per | Product Description | General Description | Other Info | Markets | Product Status |
|---|---|---|---|---|---|---|---|
| 1 | 330045-14 | 4 | SCREW | BR | |||
| 2 | 330019-26 | 4 | SCREW | BR | |||
| 3 | 330019-19 | 2 | SCREW | BR | |||
| 4 | 330019-11 | 4 | SCREW | M4.55x13 T20 | BR | ||
| 5 | 330019-18 | 3 | SCREW | M4.55 x 50 PLASTIC THD FMG | BR | ||
| 6 | 330019-32 | 4 | SCREW | BR | |||
| 10 | 187412-00 | 1 | FIELD | BR | |||
| 11 | 638001-01S | 1 | ARMATURE & BRG. | BR | |||
| 12 | 393239-02 | 1 | FIELD CASE | BR | |||
| 13 | 397031-00 | 1 | O RING | BR | |||
| 14 | N074214 | 1 | GEARCASE SA | BR | |||
| 15 | 638003-03SV | 1 | GEAR CASE COVER ASSY | BR | |||
| 16 | 632710-00 | 1 | PINION | BR | |||
| 17 | 330015-03 | 1 | NUT | M8x1.25 | BR | ||
| 18 | 639681-00 | 1 | WASHER | PINION | BR | ||
| 19 | 632702-00 | 1 | COLLAR | BR | |||
| 21 | 394387-00 | 2 | BRUSH COVER | BR | |||
| 22 | 617001-00 | 2 | BRUSH HOLDER SA | BR | |||
| 23 | 5140138-58 | 2 | BRUSH PAIR KIT | BR | |||
| 24 | 187433-00 | 1 | HANDLE & COVER | BR | |||
| 25 | 637865-00 | 1 | SWITCH | BR | |||
| 26 | 604118-00 | 1 | CORD PROTECTOR | BR | |||
| 27 | 604119-00 | 1 | CORD CLAMP | BR | |||
| 29 | 186225-11 | 1 | CORD & PLUG | BR | |||
| 30 | 631350-00 | 1 | BAFFLE | BR | |||
| 31 | 393238-00 | 1 | SHIELD | BR | |||
| 32 | N389509 | 1 | BEARING | BR | |||
| 33 | N110359 | 1 | BEARING | BR | |||
| 40 | 604903-07 | 1 | NAME PLATE | D28491-BR TY.1 | BR | ||
| 41 | 403150-01 | 1 | INNER FLANGE | BR | |||
| 42 | 401678-05 | 1 | OUTER FLANGE | OUTER | BR | ||
| 43 | 609970-00 | 1 | SLEEVE INSULATING | BR | |||
| 44 | 630553-00 | 1 | CAP | BR | |||
| 45 | 638328-00 | 1 | SPRING | BR | |||
| 46 | 635908-00 | 1 | RETAINER | BR | |||
| 47 | 634589-00 | 1 | PIN | BR | |||
| 48 | 750831 | 1 | O RING | BR | |||
| 49 | 449852-00 | 1 | SLEEVE BEARING | BR | |||
| 52 | 640591-00 | 2 | WASHER | BR | |||
| 53 | 330045-67 | 2 | SCREW | BR | |||
| 60 | 938733 | 1 | WRENCH PIN | BR | |||
| 61 | N036843 | 1 | GUARD SA | BR | |||
| 62 | 330024-23 | 1 | SCREW | M8x1.25x30 | BR | ||
| 63 | 651858-00 | 1 | SIDE HANDLE | BR | |||
| 70 | 612273-00 | 2 | TERMINAL | BR | |||
| 71 | 610057-00 | 2 | TERMINAL | BR | |||
| 800 | 429954-00 | 1 | GREASE | NYE RHEOLUBE 380G1, 7LBS. / 3175 GRAMS | BR | ||
| 800 | 429954-01 | 1 | GREASE | NYE RHEOLUBE 380G1, 500grams JAR | BR |