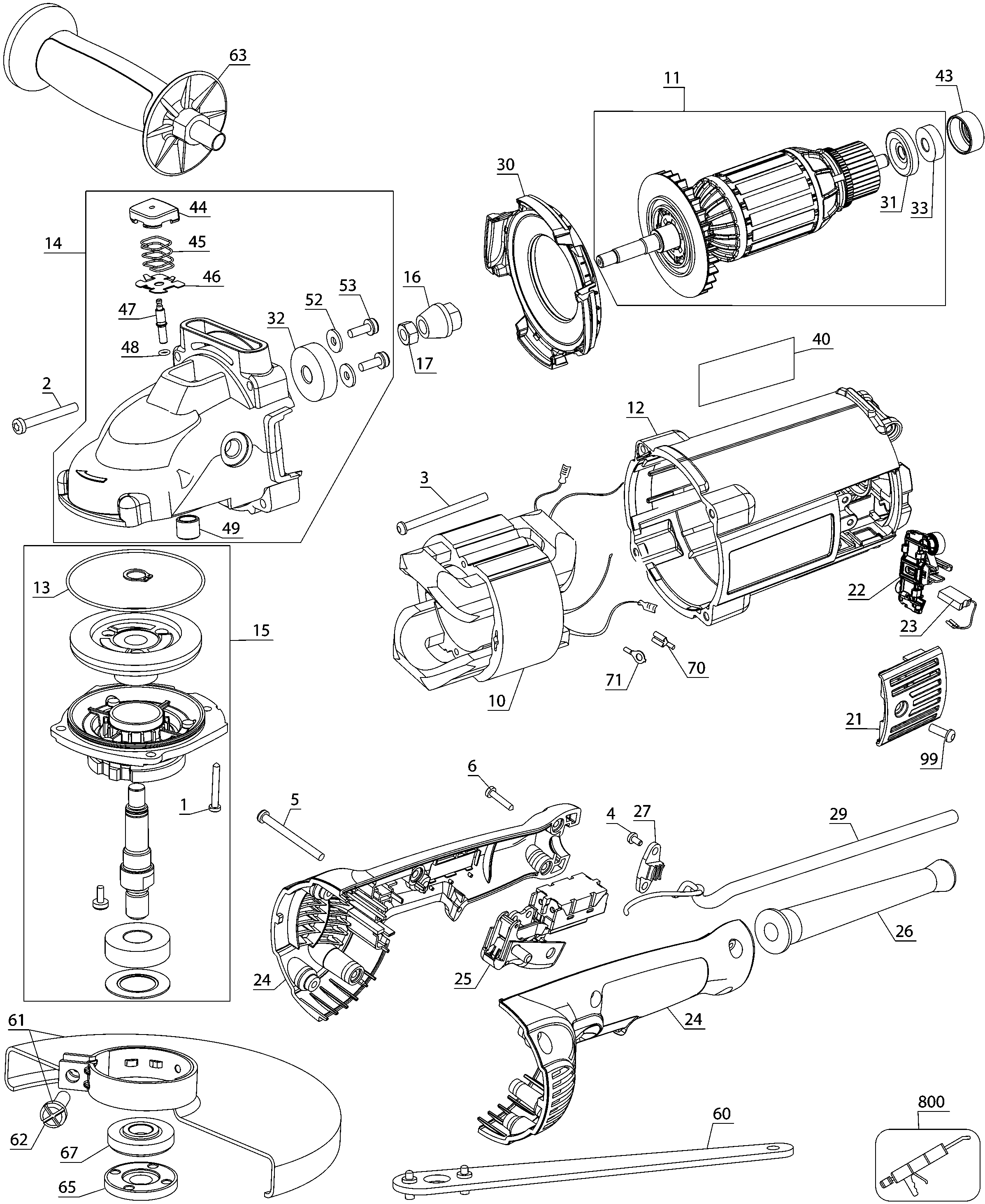
DWE490 ANGLE GRINDER Type 1 | Drawings
Documents
| Item No. | Product Number | Qty Per | Product Description | General Description | Other Info | Markets | Product Status |
|---|---|---|---|---|---|---|---|
| 1 | 330045-14 | 4 | SCREW | B2 | |||
| 2 | 330019-26 | 4 | SCREW | B2 | |||
| 3 | 330019-19 | 2 | SCREW | B2 | |||
| 4 | 330019-11 | 2 | SCREW | M4.55x13 T20 | B2 | ||
| 5 | 330019-18 | 3 | SCREW | M4.55 x 50 PLASTIC THD FMG | B2 | ||
| 6 | 330019-32 | 4 | SCREW | B2 | |||
| 10 | N310019 | 1 | FIELD SA | B2 | |||
| 11 | N467980 | 1 | ARMATURE SA | B2 | |||
| 12 | 393239-00 | 1 | FIELD CASE | B2 | |||
| 13 | 397031-00 | 1 | O RING | B2 | |||
| 14 | N442319 | 1 | GEARCASE SA | PKG'D N427268 | B2 | ||
| 15 | N442320 | 1 | GEARCASE COVER SA | B2 | |||
| 16 | N407625 | 1 | PINION | 6K | B2 | ||
| 17 | 330015-03 | 1 | NUT | M8x1.25 | B2 | ||
| 21 | 394387-00 | 2 | BRUSH COVER | B2 | |||
| 22 | N410308 | 2 | BRUSH HOLDER SA | B2 | |||
| 23 | N215312 | 2 | BRUSH,CUT OFF | B2 | |||
| 24 | 395184-00 | 1 | HANDLE SA | B2 | |||
| 25 | 636500-00 | 1 | SWITCH | B2 | |||
| 26 | N219433 | 1 | CORD PROTECTOR | B2 | |||
| 27 | N219432 | 1 | CORD CLAMP | B2 | |||
| 29 | 562226-77 | 1 | CORD & PLUG | B2 | |||
| 30 | 631350-00 | 1 | BAFFLE | B2 | |||
| 31 | 393238-00 | 1 | SHIELD | B2 | |||
| 32 | N389509 | 1 | BEARING | B2 | |||
| 33 | N110359 | 1 | BEARING | B2 | |||
| 40 | N444394 | 1 | NAME PLATE | DWE490-B2 TY1 | B2 | ||
| 43 | 609970-00 | 1 | SLEEVE INSULATING | B2 | |||
| 44 | 630553-00 | 1 | CAP | B2 | |||
| 45 | 638328-00 | 1 | SPRING | B2 | |||
| 46 | 635908-00 | 1 | RETAINER | B2 | |||
| 47 | 634589-00 | 1 | PIN | B2 | |||
| 48 | 750831 | 1 | O RING | B2 | |||
| 49 | 449852-00 | 1 | SLEEVE BEARING | B2 | |||
| 52 | 640591-00 | 2 | WASHER | B2 | |||
| 53 | 330045-67 | 2 | SCREW | B2 | |||
| 60 | 635261-00 | 1 | WRENCH PIN | B2 | |||
| 61 | N419366 | 1 | GUARD SA | B2 | |||
| 62 | N082712 | 1 | SCREW | B2 | |||
| 63 | 651858-01 | 1 | SIDE HANDLE | B2 | |||
| 65 | 401678-05 | 1 | OUTER FLANGE | B2 | |||
| 67 | 403150-01 | 1 | INNER FLANGE | B2 | |||
| 70 | 612273-00 | 2 | TERMINAL | B2 | |||
| 71 | 610057-00 | 2 | TERMINAL | B2 | |||
| 99 | 176951-00 | 2 | SCREW | B2 | |||
| 800 | 429954-00 | 1 | GREASE | NYE RHEOLUBE 380G1, 7LBS. / 3175 GRAMS | B2 | ||
| 800 | 429954-01 | 1 | GREASE | NYE RHEOLUBE 380G1, 500grams JAR | B2 |