GK310 CHAINSAW Type 1 | Drawings
Documents
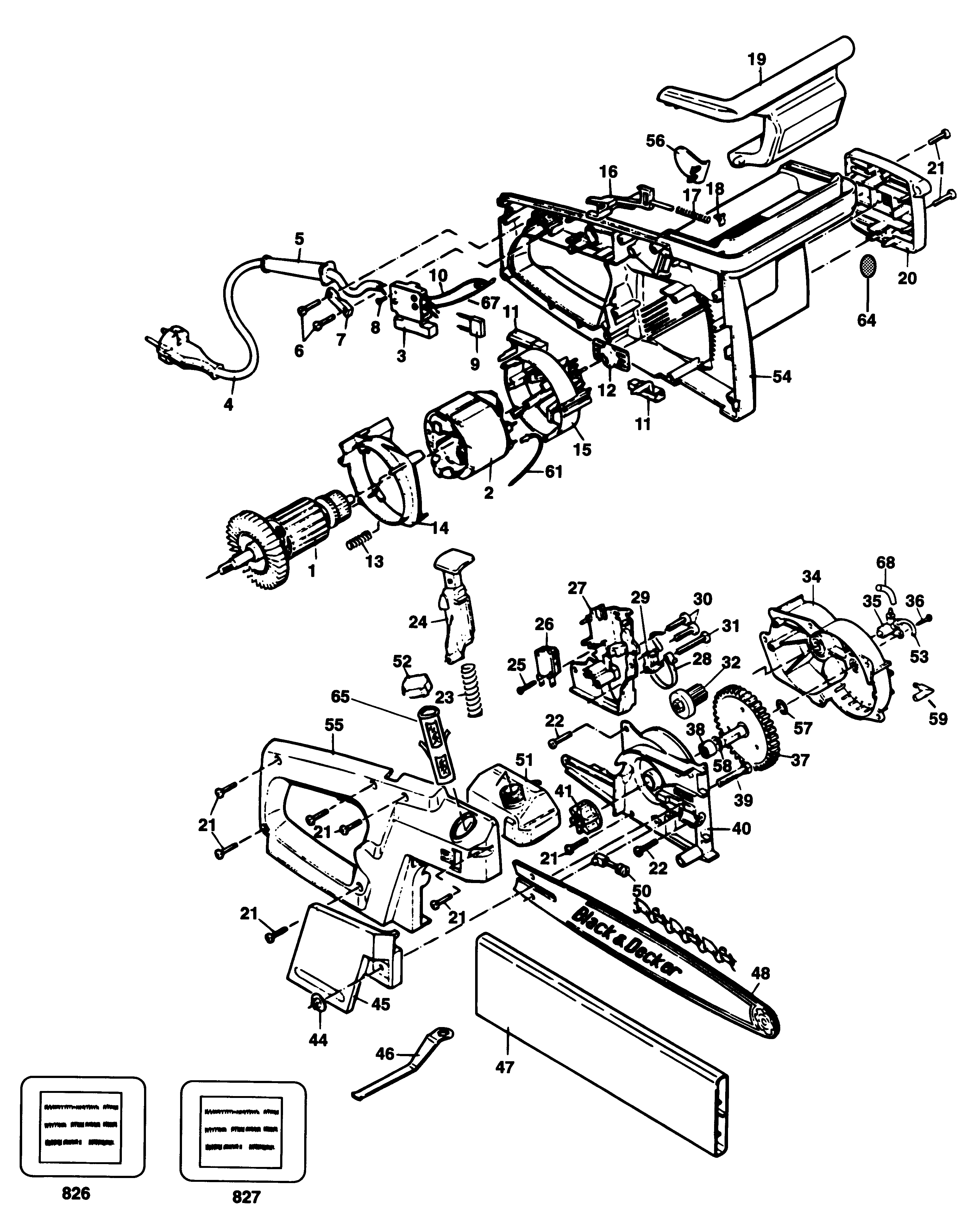
| Item No. | Product Number | Qty Per | Product Description | General Description | Other Info | Markets | Product Status |
|---|---|---|---|---|---|---|---|
| 1 | NLS | 1 | NOT STRUCTURED | CH | |||
| 1 | 368817-01 | 1 | ARMATURE 240V | GB TYPE D1-D2-D3 | CH | ||
| 2 | 369052-02 | 1 | FIELD | 240 volt | GB TYPE D1-D2-D3 | CH | |
| 2 | 327429-10 | 1 | FIELD 230V | CH | |||
| 3 | 323631-00 | 1 | SWITCH | CH | |||
| 4 | 330048-52 | 1 | CORDSET (SPLASH) | GB TYPE D1-D2-D3 | CH | ||
| 4 | 374848-02 | 1 | CORDSET | CH | |||
| 5 | 859013 | 1 | PROTECTOR | CH | |||
| 6 | 954567 | 2 | SCREW | CH | |||
| 7 | 302002 | 1 | CABLE CLAMP | CH | |||
| 8 | 734892 | 4 | SCREW | CH | |||
| 9 | 321384 | 1 | CAPACITOR | CH | |||
| 11 | 370983-02 | 2 | BRUSH & HOLDER 230V | CH | |||
| 12 | 853685 | 1 | HEATSINK SA | CH | |||
| 13 | 853710 | 2 | SPRING | CH | |||
| 14 | 853711 | 1 | SUPPORT | CH | |||
| 15 | 323855-00 | 1 | SUPPORT | TYPE D2-D3 | CH | ||
| 16 | 842564 | 1 | BUTTON RELEASE | CH | |||
| 17 | 736928 | 1 | SPRING | CH | |||
| 18 | 325701-00 | 1 | CLIP | CH | |||
| 19 | 736735 | 1 | LEVER | CH | |||
| 20 | 323462-04 | 1 | END CAP | TYPE D2-D3 | CH | ||
| 21 | 954567 | 9 | SCREW | CH | |||
| 22 | 954183 | 2 | SCREW | CH | |||
| 23 | 842771 | 1 | SPRING | CH | |||
| 24 | 842912-01 | 1 | LEVER | CH | |||
| 25 | 809986-00 | 1 | SCREW | CH | |||
| 26 | 323341-02 | 1 | SWITCH | CH | |||
| 27 | 325718-00 | 1 | PLATE SA | CH | |||
| 28 | 842565 | 1 | BAND BRAKE | CH | |||
| 29 | 840774 | 1 | INSERT | CH | |||
| 30 | 893444 | 2 | SCREW | CH | |||
| 31 | 750950 | 1 | SCREW | CH | |||
| 32 | 325381-00 | 1 | GEAR SA | CH | |||
| 34 | 323657-01 | 1 | HOUSING BEARING | CH | |||
| 35 | 323546-00 | 1 | PUMP | CH | |||
| 36 | 870702 | 2 | SCREW | CH | |||
| 37 | 323449-01 | 1 | GEAR | CH | |||
| 38 | 330004-06 | 1 | BEARING NEEDLE | CH | |||
| 40 | 323957-00 | 1 | CASTING SA | CH | |||
| 41 | N542284 | 1 | SPROCKET | CH | |||
| 41 | N542284 | 1 | SPROCKET | CH | |||
| 44 | 885628 | 1 | NUT | CH | |||
| 45 | 853736-02 | 1 | COVER | CH | |||
| 46 | 325194-00 | 1 | SPANNER | CH | |||
| 47 | 376587-03 | 1 | SHEATH | CH | |||
| 48 | 369090-08 | 1 | BAR CHAIN 30CM | CH | |||
| 50 | 843666-49 | 1 | ADJUSTER SA | CH | |||
| 51 | 323458-01 | 1 | RESERVOIR SA | CH | |||
| 52 | 853697 | 1 | CAP | CH | |||
| 53 | 323644-00 | 1 | HOSE | CH | |||
| 54 | 322832-00 | 1 | HOUSING | CH | |||
| 56 | 323652-00 | 1 | PLUG | CH | |||
| 57 | 323830-00 | 2 | WASHER | CH | |||
| 58 | 323753-06 | 1 | WASHER | CH | |||
| 59 | 323459-00 | 1 | OILER | CH | |||
| 61 | 853719 | 1 | LEAD | CH | |||
| 64 | 323857-01 | 1 | PLATE | TYPE D2-D3 | CH | ||
| 65 | 323871-00 | 1 | FILTER | TYPE D2-D3 | CH | ||
| 67 | 321730-01 | 1 | LEAD SA | CH | |||
| 68 | 323644-01 | 1 | HOSE | CH | |||
| 826 | 323713-00 | 1 | LABEL | CH | |||
| 827 | 323392-03 | 1 | WARNING LABEL | CH |