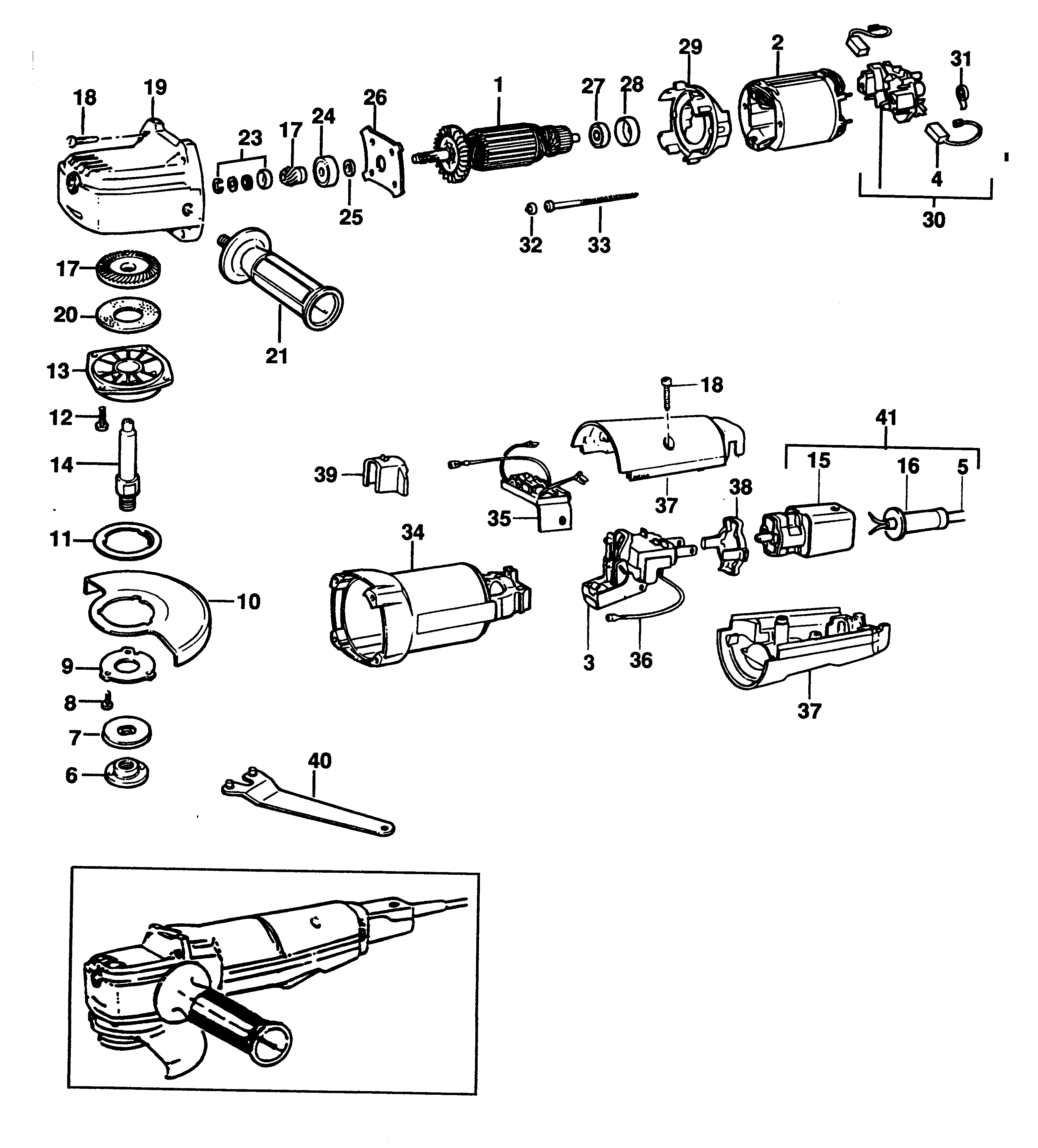
PL82 ANGLE GRINDER Type 1 | Drawings
Documents
| Item No. | Product Number | Qty Per | Product Description | General Description | Other Info | Markets | Product Status |
|---|---|---|---|---|---|---|---|
| 1 | 949846-05 | 1 | ARMATURE | AE | ![]() |
||
| 2 | 949847-07 | 1 | FIELD | AE | ![]() |
||
| 3 | 949822-03 | 1 | SWITCH | AE | ![]() |
||
| 4 | 930151-00 | 2 | BRUSH 220V | AE | ![]() |
||
| 5 | 330048-07 | 1 | CORDSET (EURO) | AE | ![]() |
||
| 6 | 403430-00 | 1 | OUTER FLANGE | AE | ![]() |
||
| 7 | 930771-00 | 1 | INNER FLANGE | AE | ![]() |
||
| 8 | 930251-00 | 3 | SCREW | AE | ![]() |
||
| 10 | 937412 | 1 | GUARD | AE | ![]() |
||
| 11 | 938272 | 1 | RING | AE | ![]() |
||
| 12 | 930770-00 | 4 | SCREW | AE | ![]() |
||
| 13 | 944055 | 1 | GEARCASE COVER SA | AE | ![]() |
||
| 14 | 946414-00 | 1 | SPINDLE | AE | ![]() |
||
| 15 | 945899-01 | 1 | PLUG | AE | ![]() |
||
| 16 | N542553 | 1 | CORD PROTECTOR | AE | ![]() |
||
| 16 | N542553 | 1 | CORD PROTECTOR | AE | ![]() |
||
| 17 | 946550-00 | 1 | GEAR SA | AE | ![]() |
||
| 18 | 930079-01 | 6 | SCREW | AE | ![]() |
||
| 19 | 946131-00 | 1 | GEARCASE SA | AE | ![]() |
||
| 20 | 946418-00 | 1 | FELT | AE | ![]() |
||
| 23 | 937668 | 1 | CIRCLIP SA | AE | ![]() |
||
| 24 | 577745-00 | 1 | BEARING | AE | ![]() |
||
| 25 | 930753-00 | 1 | WASHER | AE | ![]() |
||
| 27 | 330003-34 | 1 | BEARING | AE | ![]() |
||
| 28 | 930029-00 | 1 | HOLDER BEARING | AE | ![]() |
||
| 29 | 946134-00 | 1 | BAFFLE | AE | ![]() |
||
| 30 | 949860-12 | 1 | BRUSH HOLDER SA | AE | ![]() |
||
| 31 | 930090-00 | 2 | BRUSH SPRING | AE | |||
| 32 | 933657-00 | 2 | CAP | AE | ![]() |
||
| 33 | 930077-00 | 2 | SCREW | AE | ![]() |
||
| 34 | 930811-03 | 1 | FIELDCASE | AE | ![]() |
||
| 35 | 946751-00 | 1 | ELECTRONIC SA | AE | ![]() |
||
| 36 | 930728-00 | 1 | LEAD | AE | ![]() |
||
| 37 | 930836-01 | 1 | HANDLE SA | AE | ![]() |
||
| 38 | 930761 | 1 | RING | AE | ![]() |
||
| 39 | 939246 | 1 | CAP | AE | ![]() |
||
| 40 | 947830-06 | 1 | WRENCH SPECIAL | AE | ![]() |

