GR520C FALCIATRICE ROTANTE Type 1 | Disegni
Documenti
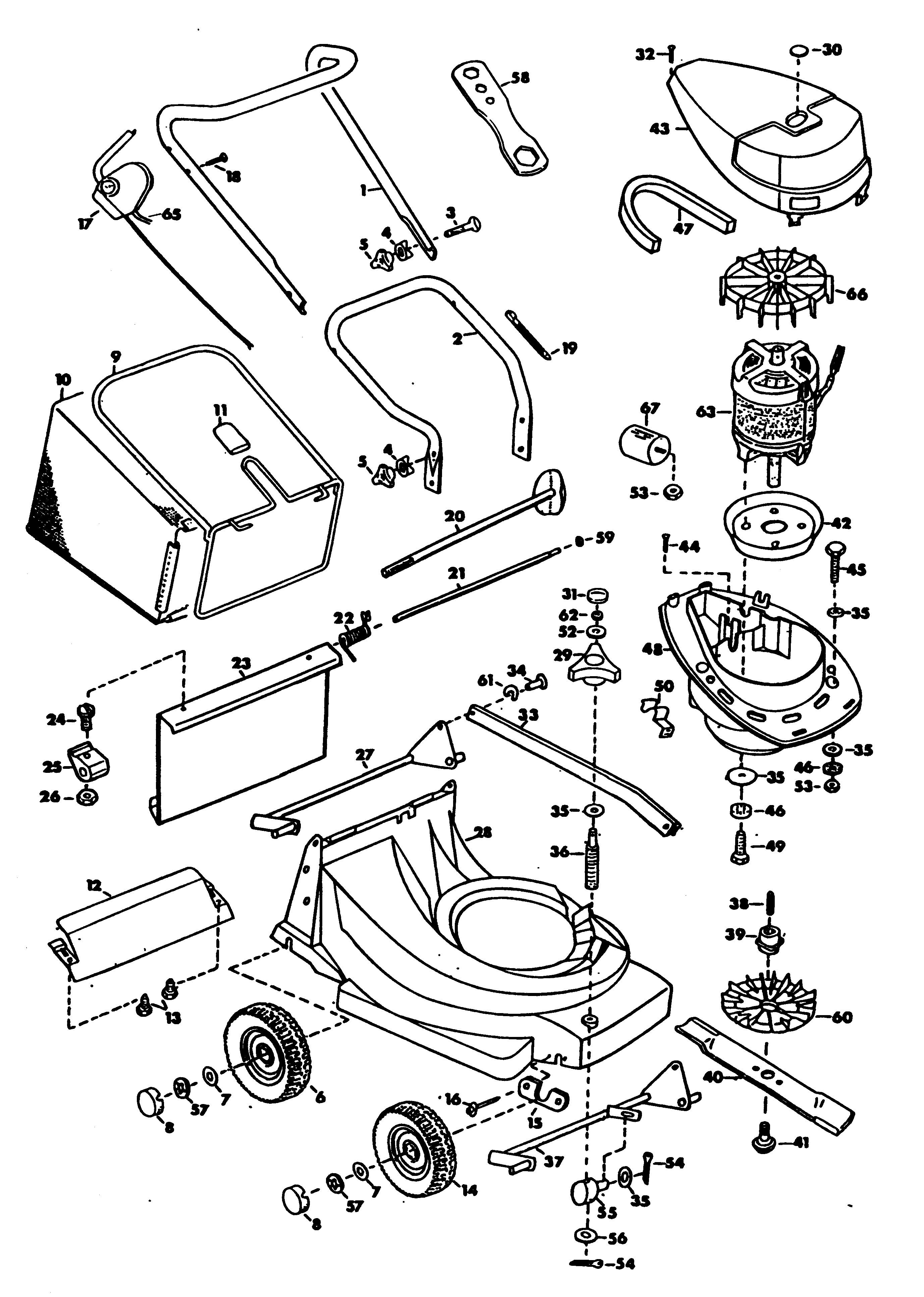
Si prega di visualizzare il menu a tendina dal momento che alcuni prodotti potrebbero avere più disegni

Item No. | Product Number | Qty Per | Product Description | INFORMAZIONI | Altre informazioni | Markets | Product Status | Guida ai prezzi |
---|---|---|---|---|---|---|---|---|
2 | 278189-00 | 1 | HANDLE | IT | ![]() |
59.00 EUR | ||
3 | 155812500 | 2 | VITE | IT | ![]() |
1.00 EUR | ||
5 | 278194-00 | 2 | LOCK-NUT | IT | ![]() |
5.54 EUR | ||
8 | 278117-00 | 4 | CALOTTA | IT | ![]() |
1.54 EUR | ||
9 | 278082-00 | 1 | SOSTEGNOSACCO | IT | ![]() |
44.63 EUR | ||
11 | 278104-00 | 1 | HANDLE | IT | ![]() |
4.87 EUR | ||
13 | 278077-00 | 2 | VITE | IT | ||||
14 | 278114-00 | 2 | RUOTA | IT | ![]() |
12.67 EUR | ||
15 | 278071-00 | 2 | PIASTRA | IT | ||||
16 | 278079-00 | 4 | RIBATTINO | IT | ||||
19 | 278055-00 | 2 | CONNESSIONE | IT | ||||
21 | 278166-00 | 1 | ASSE | IT | ||||
23 | 278167-00 | 1 | PIANO CERNIER. POST. | IT | ||||
24 | 278146-00 | 2 | VITE | IT | ||||
25 | 278069-00 | 2 | GIUNTO | IT | ||||
26 | 278149-00 | 2 | DADO | IT | ![]() |
2.87 EUR | ||
27 | 278192-00 | 1 | PERNO POSTERIORE | IT | ||||
28 | 278070-00 | 1 | COPERTURA FRESA | IT | ||||
29 | 278084-00 | 1 | REGOLATORE ALTEZZA | IT | ||||
30 | 278094-00 | 1 | COPERTURA | IT | ![]() |
3.08 EUR | ||
31 | 278076-00 | 1 | CALOTTA | IT | ||||
33 | 278165-00 | 1 | BIELLA | IT | ||||
34 | 278086-00 | 1 | GIUNTO | IT | ||||
35 | 278155-00 | 5 | RONDELLA | IT | ||||
37 | 278191-00 | 1 | PERNO ANTERIORE | IT | ||||
38 | 278054-00 | 1 | CHIAVE | IT | ![]() |
1.44 EUR | ||
39 | 278232-00 | 1 | LAMA INCASTELLATURA | IT | ||||
40 | 278121-00 | 1 | LAMA | IT | ![]() |
34.06 EUR | ||
41 | 278190-00 | 1 | VITE | IT | ![]() |
6.05 EUR | ||
43 | 278131-00 | 1 | COPERTURA | IT | ![]() |
16.88 EUR | ||
44 | 278130-00 | 1 | VITE | IT | ||||
45 | 930775-00 | 3 | VITE | IT | ![]() |
1.10 EUR | ||
46 | 278148-00 | 3 | RONDELLA | IT | ||||
48 | 278132-00 | 1 | INCASTELLATURA | IT | ![]() |
83.62 EUR | ||
49 | 860085-04 | 3 | VITE | IT | ![]() |
1.10 EUR | ||
50 | 278291-00 | 3 | GRAFFA | IT | ||||
52 | 278078-00 | 1 | RONDELLA | IT | ||||
53 | 278151-00 | 3 | DADO | IT | ||||
54 | 278080-00 | 1 | PERNO | IT | ||||
56 | 278065-00 | 1 | RONDELLA | IT | ||||
58 | 278178-00 | 1 | CHIAVE | IT | ![]() |
15.54 EUR | ||
59 | 278074-00 | 2 | RONDELLA | IT | ||||
60 | 278088-00 | 1 | VENTOLA | IT | ![]() |
15.54 EUR | ||
61 | 278087-00 | 1 | ANELLO D'ARRESTO | IT | ||||
62 | 278062-00 | 1 | DADO | IT | ||||
63 | 278288-00 | 1 | SG MOTORE | IT | ![]() |
352.33 EUR | ||
66 | 278263-00 | 1 | VENTOLA | IT | ![]() |
10.05 EUR | ||
67 | 278140-00 | 1 | CONDENSATORE | IT | ![]() |
106.50 EUR | ||
68 | 278277-00 | 1 | SERRAFILO PER CAVO | IT | ||||
69 | 278265-00 | 1 | REGOLATORE | IT | ||||
70 | 941606-00 | 1 | VITE | IT | ![]() |
1.00 EUR | ||
71 | 278311-00 | 1 | DADO | IT |
* I prezzi indicati possono subire variazioni e non sono inclusivi di IVA ed eventuali spese di trasporto. Ci riserviamo la possibilità di variare i prezzi e le condizioni senza preavviso.