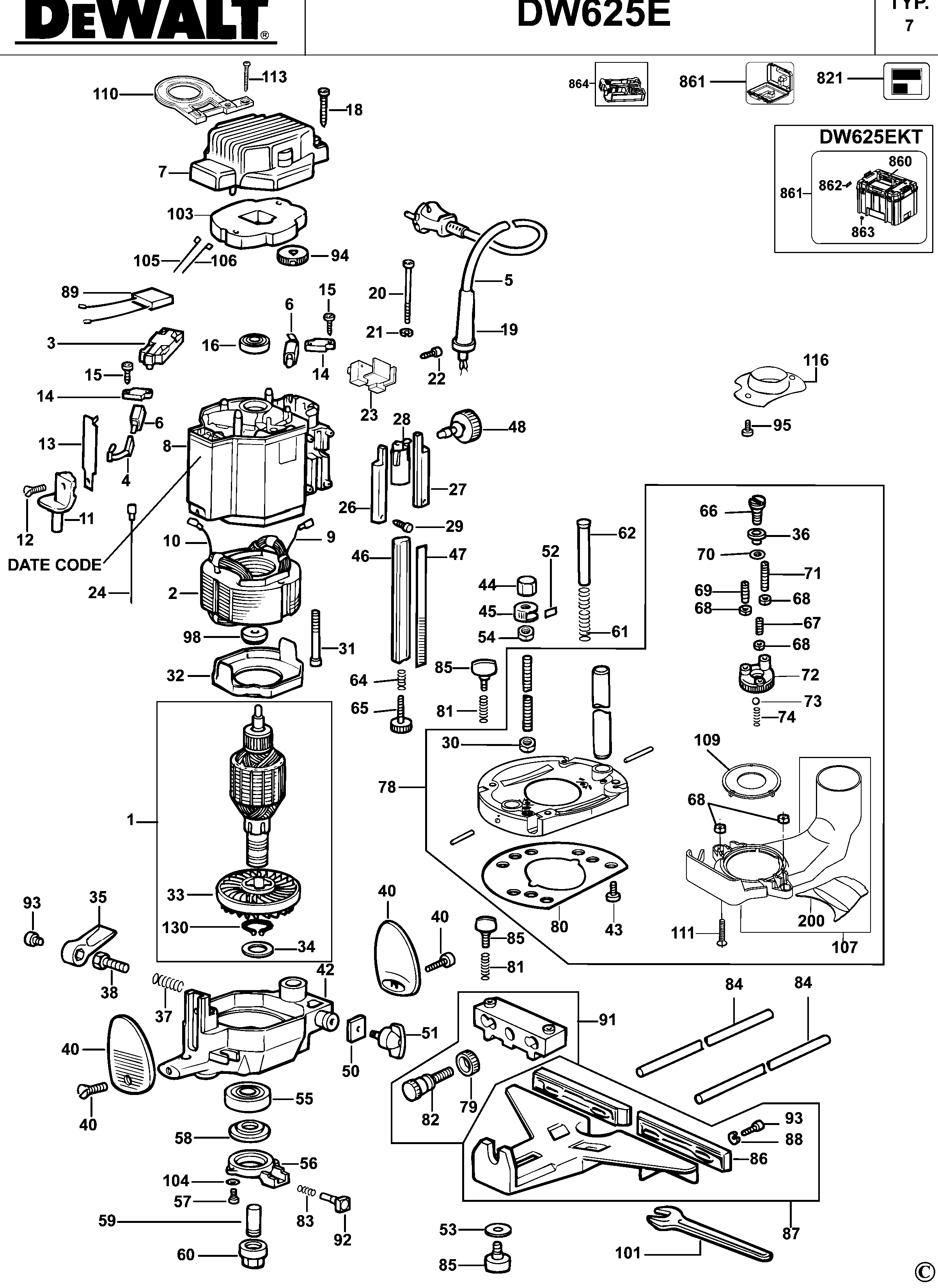
DW625E PLUNGE ROUTER Type 7 | Disegni
Documenti
Si prega di visualizzare il menu a tendina dal momento che alcuni prodotti potrebbero avere più disegni
| Item No. | Product Number | Qty Per | Product Description | INFORMAZIONI | Altre informazioni | Markets | Product Status | Guida ai prezzi |
|---|---|---|---|---|---|---|---|---|
| 1 | N431792 | 1 | ARMATURE 230V | QS | ![]() |
91.62 EUR | ||
| 2 | N431793 | 1 | FIELD 230V | QS | ![]() |
48.22 EUR | ||
| 3 | 868128-00 | 1 | INTERRUTTORE | QS | ![]() |
27.91 EUR | ||
| 4 | 869368-00 | 1 | BRUSH PAIR 230V | QS | ![]() |
11.39 EUR | ||
| 5 | 868632-00 | 1 | CAVO & SPINA | QS | ![]() |
14.00 EUR | ||
| 6 | 760208-00 | 2 | BRUSHBOX | QS | ![]() |
4.87 EUR | ||
| 7 | N348019 | 1 | COPERTURA TERMINALE | QS | ![]() |
10.05 EUR | ||
| 8 | N410361 | 1 | CORPO MOTORE | QS | ![]() |
20.52 EUR | ||
| 9 | N426129 | 1 | LEAD YELLOW | QS | ![]() |
1.33 EUR | ||
| 10 | 868129-04 | 1 | LEAD 95MM RED | QS | ![]() |
1.20 EUR | ||
| 11 | 868145-00 | 1 | LEVA | QS | ![]() |
2.87 EUR | ||
| 12 | 249412-10 | 1 | VITE | QS | ![]() |
1.00 EUR | ||
| 13 | 868123-00 | 1 | CURSORE | QS | ![]() |
3.08 EUR | ||
| 14 | 868133-00 | 2 | MORSETTO | QS | ![]() |
1.33 EUR | ||
| 15 | 860428-04 | 4 | VITE | QS | ![]() |
1.00 EUR | ||
| 16 | N110359 | 1 | CUSCINETTO | QS | ![]() |
2.00 EUR | ||
| 18 | 249220-00 | 2 | VITE | QS | ![]() |
1.10 EUR | ||
| 19 | 720703-00 | 1 | MANICOTTO | QS | ![]() |
1.44 EUR | ||
| 20 | 249424-24 | 4 | VITE | QS | ![]() |
1.10 EUR | ||
| 21 | 930248-00 | 4 | RONDELLA | QS | ![]() |
1.00 EUR | ||
| 22 | 860084-04 | 2 | VITE | QS | ![]() |
1.00 EUR | ||
| 23 | 248180-00 | 1 | SERRAFILO PER CAVO | QS | ![]() |
1.54 EUR | ||
| 24 | 868129-02 | 1 | LEAD 80MM RED | QS | ![]() |
1.20 EUR | ||
| 26 | 248395-00 | 1 | SOSTEGNO SINISTRO | QS | ![]() |
1.54 EUR | ||
| 27 | 248394-00 | 1 | SOSTEGNO DESTRO | QS | ![]() |
1.54 EUR | ||
| 28 | 868124-01 | 1 | LENTE | QS | ![]() |
3.08 EUR | ||
| 29 | 860428-04 | 4 | VITE | QS | ![]() |
1.00 EUR | ||
| 30 | 761225-02 | 1 | DADO | QS | ![]() |
1.00 EUR | ||
| 31 | 248934-00 | 2 | VITE | QS | ![]() |
1.20 EUR | ||
| 32 | N388121 | 1 | BAFFLE FAN | QS | ![]() |
3.80 EUR | ||
| 33 | N388100 | 1 | VENTOLA | QS | ![]() |
4.21 EUR | ||
| 34 | 868127-02 | 1 | DISTANZIALE | QS | ![]() |
1.33 EUR | ||
| 35 | 942906-00 | 1 | LEVA | QS | ![]() |
11.39 EUR | ||
| 36 | 329836-00 | 1 | GUAINA ISOLANTE | QS | ![]() |
1.20 EUR | ||
| 37 | 942909-00 | 1 | MOLLA | QS | ![]() |
1.10 EUR | ||
| 38 | 868204-00 | 1 | VITE | QS | ![]() |
4.87 EUR | ||
| 40 | 869355-00 | 1 | KIT RIPARAZIONE | QS | ![]() |
8.52 EUR | ||
| 42 | 942898-00 | 1 | CORPO INFERIORE | QS | ![]() |
87.83 EUR | ||
| 43 | 860205-04 | 6 | VITE | QS | ![]() |
1.00 EUR | ||
| 44 | 868150-00 | 1 | DADO | QS | ![]() |
2.00 EUR | ||
| 45 | 942910-00 | 1 | DADO | QS | ![]() |
2.67 EUR | ||
| 46 | 868122-00 | 1 | CREMAGLIERA | QS | ![]() |
5.54 EUR | ||
| 47 | 249281-00 | 1 | SCALA | QS | ![]() |
1.20 EUR | ||
| 48 | 761243-05 | 1 | PIGNONE | QS | ![]() |
6.05 EUR | ||
| 50 | 868119-00 | 1 | PIASTRA | QS | ![]() |
2.00 EUR | ||
| 51 | 939840-05 | 1 | SCREW WING | QS | ![]() |
4.87 EUR | ||
| 52 | 942912-00 | 2 | MOLLA | QS | ![]() |
1.20 EUR | ||
| 53 | 249221-00 | 1 | RONDELLA | QS | ![]() |
1.00 EUR | ||
| 54 | 942911-00 | 1 | PULSANTE | QS | ![]() |
7.18 EUR | ||
| 55 | 868132-03 | 1 | CUSCINETTO | QS | ![]() |
15.54 EUR | ||
| 56 | 942900-03 | 1 | MORSETTO | QS | ![]() |
4.87 EUR | ||
| 57 | 249424-02 | 3 | VITE | QS | ![]() |
1.00 EUR | ||
| 58 | N436230 | 1 | CONTRODADO | QS | ![]() |
5.54 EUR | ||
| 59 | 868116-00 | 1 | PINZA | QS | ![]() |
16.88 EUR | ||
| 60 | 942893-01 | 1 | DADO PINZA | QS | ![]() |
3.80 EUR | ||
| 61 | 868115-00 | 2 | MOLLA | QS | ![]() |
2.26 EUR | ||
| 62 | 868566-01 | 2 | ASTA | QS | ![]() |
1.10 EUR | ||
| 64 | 868113-00 | 1 | MOLLA | QS | ![]() |
11.39 EUR | ||
| 65 | 868125-00 | 1 | VITE | QS | ![]() |
2.36 EUR | ||
| 66 | 330045-05 | 1 | VITE | QS | ![]() |
1.00 EUR | ||
| 67 | 942931-02 | 1 | SCREW.TEMP | QS | ![]() |
1.10 EUR | ||
| 68 | 860083-02 | 5 | DADO | QS | ![]() |
1.00 EUR | ||
| 69 | 942931-01 | 1 | VITE | QS | ![]() |
1.10 EUR | ||
| 70 | 327012-00 | 1 | RONDELLA ELASTICA | QS | ![]() |
1.10 EUR | ||
| 71 | 942931-00 | 1 | VITE | QS | ![]() |
1.10 EUR | ||
| 72 | N547463 | 1 | TORRETTA | QS | ![]() |
3.80 EUR | ||
| 73 | 720664-00 | 1 | SFERA | QS | ![]() |
1.00 EUR | ||
| 74 | 868082-00 | 1 | MOLLA | QS | ![]() |
1.00 EUR | ||
| 78 | 329820-49 | 1 | ASS. PIASTRA BASE | QS | ![]() |
72.33 EUR | ||
| 79 | 942918-00 | 1 | INDICE | QS | ![]() |
1.74 EUR | ||
| 80 | 328645-00 | 1 | BASE | QS | ![]() |
11.39 EUR | ||
| 81 | 868082-00 | 5 | MOLLA | QS | ![]() |
1.00 EUR | ||
| 82 | 942917-00 | 1 | VITE SPECIALE | QS | ![]() |
7.18 EUR | ||
| 83 | 942904-00 | 1 | MOLLA | QS | ![]() |
1.10 EUR | ||
| 84 | 868147-01 | 2 | ASTA | 10mm x 360mm | QS | ![]() |
4.87 EUR | |
| 84 | 326966-00 | 2 | ROD 10MM X 300MM | QS | ![]() |
4.21 EUR | ||
| 85 | 326573-01 | 5 | SCREW WING | QS | ![]() |
2.36 EUR | ||
| 86 | 942915-00 | 2 | GUIDA | QS | ![]() |
6.05 EUR | ||
| 87 | 948581-01 | 1 | ASS. GUIDA | QS | ![]() |
27.91 EUR | ||
| 88 | 860073-01 | 4 | RONDELLA | QS | ![]() |
1.00 EUR | ||
| 89 | 869361-00 | 1 | CONDENSATORE | QS | ![]() |
1.74 EUR | ||
| 91 | 948582-01 | 1 | ASS STAFFA | QS | ![]() |
22.98 EUR | ||
| 92 | 942930-00 | 1 | DISPOSITIVO DI FERMO | QS | ![]() |
2.67 EUR | ||
| 93 | 943023-00 | 5 | VITE | QS | ![]() |
1.10 EUR | ||
| 94 | 249067-01 | 1 | RUOTA | QS | ![]() |
2.36 EUR | ||
| 95 | 249412-20 | 2 | VITE | QS | ![]() |
1.00 EUR | ||
| 98 | 868141-00 | 1 | ESPANSIONE POLARE | QS | ![]() |
4.87 EUR | ||
| 101 | 868111-00 | 1 | CHIAVE | QS | ![]() |
4.21 EUR | ||
| 103 | 868142-07 | 1 | PCB 230V | QS | ![]() |
34.06 EUR | ||
| 104 | 932839-00 | 3 | RONDELLA | QS | ![]() |
1.00 EUR | ||
| 105 | 868129-03 | 1 | LEAD 100MM RED | QS | ![]() |
1.20 EUR | ||
| 106 | 868129-05 | 1 | LEAD 100MM RED | QS | ![]() |
1.20 EUR | ||
| 107 | 329839-00 | 1 | CORPO | QS | ![]() |
41.96 EUR | ||
| 109 | 326599-01 | 1 | CALOTTA | QS | ![]() |
1.74 EUR | ||
| 110 | 944817-00 | 1 | PORTAUTENSILE | QS | ![]() |
2.26 EUR | ||
| 111 | 869076-00 | 2 | VITE | QS | ![]() |
1.00 EUR | ||
| 113 | 931297-00 | 1 | VITE | QS | ![]() |
1.54 EUR | ||
| 116 | 249098-00 | 1 | BOCCOLA DI GUIDA | QS | ![]() |
11.39 EUR | ||
| 130 | 941541-00 | 1 | ANELLO D'ARRESTO | QS | ![]() |
1.00 EUR | ||
| 200 | 329538-00 | 1 | COPERTURA | QS | ![]() |
1.44 EUR | ||
| 821 | N428608 | 1 | SCHEDA | QS | ![]() |
1.54 EUR | ||
| 860 | H1400196008 | 1 | HANDLE | DW625EKT | QS | 2.67 EUR | ||
| 861 | N445186 | 1 | CASS.PORTA ATTREZZI | DW625EKT | QS | ![]() |
46.07 EUR | |
| 861 | 578772-01 | 1 | KIT BOX | DW625 | QS | ![]() |
37.96 EUR | |
| 862 | H1500082520 | 2 | CHIAVISTELLO | DW625EKT | QS | 1.74 EUR | ||
| 863 | P910190 | 2 | CHIAVISTELLO | DW625EKT | QS | ![]() |
4.87 EUR | |
| 864 | 1008947-00 | 1 | INSERTO | KITBOX | QS | ![]() |
18.73 EUR |
* I prezzi indicati possono subire variazioni e non sono inclusivi di IVA ed eventuali spese di trasporto. Ci riserviamo la possibilità di variare i prezzi e le condizioni senza preavviso.

