MBR100-17 PIASTRA GIUNZIONE Type 1 | Disegni
Documenti
Si prega di visualizzare il menu a tendina dal momento che alcuni prodotti potrebbero avere più disegni
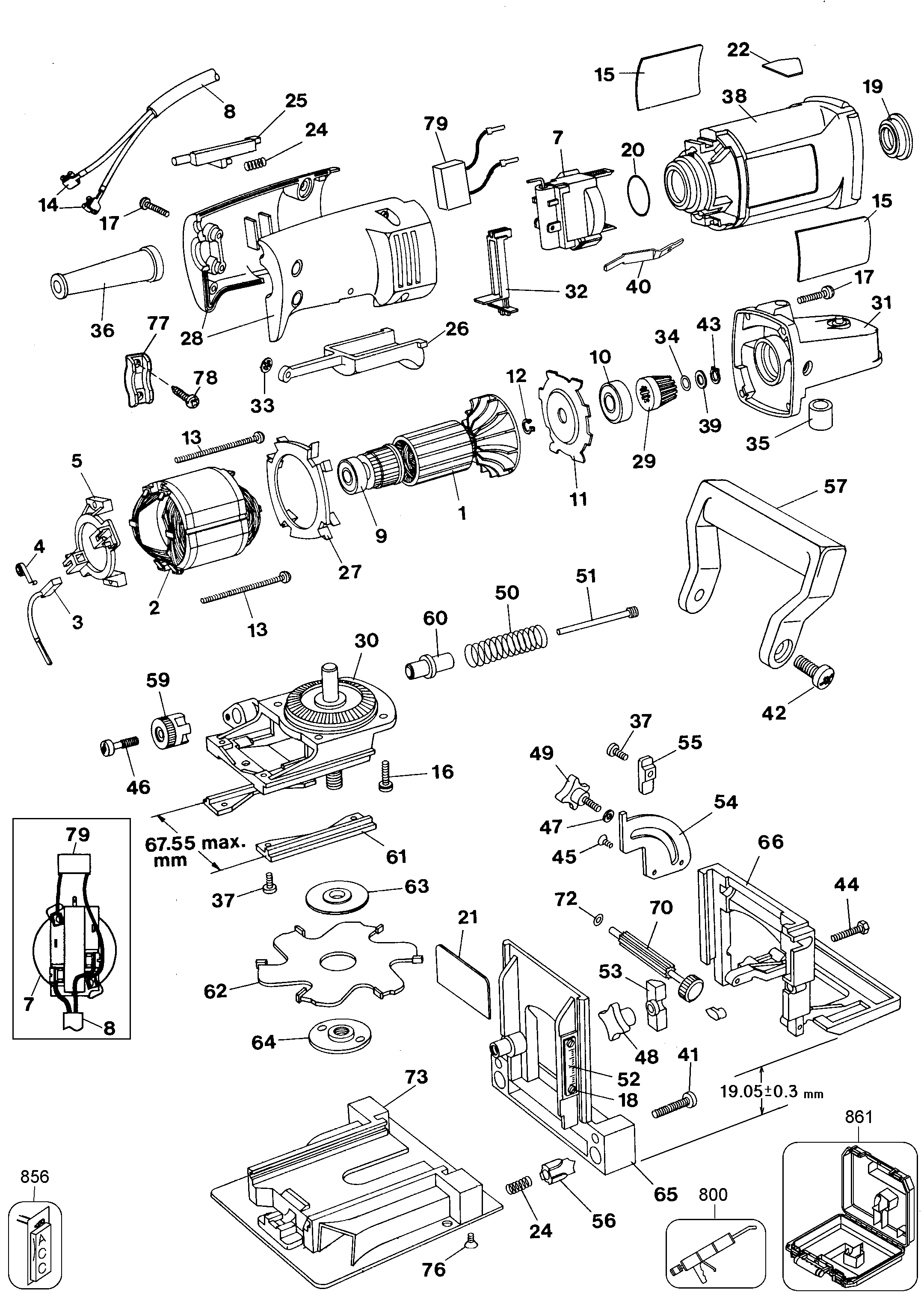
| Item No. | Product Number | Qty Per | Product Description | INFORMAZIONI | Altre informazioni | Markets | Product Status | Guida ai prezzi |
|---|---|---|---|---|---|---|---|---|
| 1 | 150320-02 | 1 | INDOTTO CON VENTOLA | QS | ||||
| 2 | 150050-00 | 1 | FIELD 115V | QS | ||||
| 3 | 445861-30 | 2 | BRUSH 220V | QS | ![]() |
2.26 EUR | ||
| 4 | 445860-00 | 2 | MOLLA SPAZZOLE | QS | ![]() |
1.00 EUR | ||
| 5 | 449899-05 | 1 | ANELLO | QS | ![]() |
2.87 EUR | ||
| 7 | 147789-01 | 1 | INTERRUTTORE | QS | ![]() |
15.54 EUR | ||
| 8 | 150998-04 | 1 | CAVO CON SPINA | QS | ![]() |
29.65 EUR | ||
| 9 | 330003-04 | 1 | CUSCINETTO | QS | 8.52 EUR | |||
| 10 | 605040-15 | 1 | BEARING,BALL | QS | ![]() |
3.80 EUR | ||
| 11 | 150057-00 | 1 | ANELLO DI TENUTA | QS | ![]() |
1.33 EUR | ||
| 12 | 444793-00 | 1 | ANELLO D'ARRESTO | QS | ![]() |
1.10 EUR | ||
| 13 | 445880-00 | 2 | VITE | QS | ![]() |
1.00 EUR | ||
| 14 | 151169-00 | 2 | TERMINALE | QS | ![]() |
1.20 EUR | ||
| 15 | 152529-00 | 2 | ETICHETTA | QS | ![]() |
1.44 EUR | ||
| 16 | 146929-00 | 4 | VITE | QS | ![]() |
1.00 EUR | ||
| 17 | 330019-13 | 8 | VITE | M4X19 T20 | QS | ![]() |
1.00 EUR | |
| 18 | 330045-43 | 2 | VITE | QS | ![]() |
1.00 EUR | ||
| 19 | 445217-02 | 1 | MANICOTTO | QS | ![]() |
1.33 EUR | ||
| 20 | 700248-00 | 1 | GUARNIZIONE | QS | ![]() |
1.00 EUR | ||
| 21 | 000000-00 | 1 | NON PIU' FORNIBILE | QS | ||||
| 22 | 000000-00 | 1 | NON PIU' FORNIBILE | QS | ||||
| 24 | 147809-00 | 3 | MOLLA | QS | ![]() |
1.00 EUR | ||
| 25 | 147722-00 | 1 | PULSANTE | QS | ![]() |
1.00 EUR | ||
| 26 | 147723-01 | 1 | GRILLETTO | QS | ![]() |
2.00 EUR | ||
| 27 | 445876-00 | 1 | LINGUETTA DI GUIDA | QS | ![]() |
1.33 EUR | ||
| 28 | 147727-00 | 1 | ASS. IMPUGNATURA | QS | ![]() |
4.87 EUR | ||
| 29 | 152487-01 | 1 | PIGNONE | QS | ![]() |
1.74 EUR | ||
| 30 | 147730-02 | 1 | COPERCHIO SCAT.INGR. | QS | 41.96 EUR | |||
| 31 | 150323-00SV | 1 | COPERCHIO SCAT.INGR. | QS | 14.00 EUR | |||
| 32 | 151144-01 | 1 | ATTUATORE | QS | ![]() |
1.00 EUR | ||
| 33 | 701901-00 | 1 | ANELLO | QS | ![]() |
1.00 EUR | ||
| 34 | 050050-00 | 1 | ANELLO | QS | ![]() |
1.00 EUR | ||
| 35 | 036826-00 | 1 | BRONZINA | QS | ![]() |
2.00 EUR | ||
| 36 | 330005-01 | 1 | CORD PROTECTOR | QS | 1.74 EUR | |||
| 37 | 330045-05 | 5 | VITE | QS | ![]() |
1.00 EUR | ||
| 39 | 449559-00 | 1 | RONDELLA | QS | ![]() |
1.00 EUR | ||
| 40 | 445882-00 | 2 | CONTATTO | QS | ![]() |
1.10 EUR | ||
| 41 | 330045-16 | 2 | VITE | QS | ![]() |
1.00 EUR | ||
| 42 | 330045-32 | 2 | VITE | QS | ![]() |
1.20 EUR | ||
| 43 | 38751-00 | 1 | ANELLO | QS | ![]() |
1.00 EUR | ||
| 44 | 098022-25 | 1 | VITE | HEX | QS | ![]() |
1.10 EUR | |
| 45 | 098102-10 | 2 | SCREW.TEMP | QS | ![]() |
1.33 EUR | ||
| 46 | 147791-00 | 1 | VITE | QS | ![]() |
1.10 EUR | ||
| 47 | 330016-07 | 1 | RONDELLA | QS | ![]() |
1.00 EUR | ||
| 48 | 396991-00 | 1 | MANOPOLA | QS | ![]() |
1.10 EUR | ||
| 49 | 396992-00 | 1 | MANOPOLA | QS | ![]() |
1.10 EUR | ||
| 50 | 147758-00 | 1 | MOLLA | QS | ![]() |
1.54 EUR | ||
| 51 | 147759-00 | 1 | ALBERO | QS | ![]() |
1.54 EUR | ||
| 52 | 147797-01 | 1 | SCALA | QS | ![]() |
2.67 EUR | ||
| 53 | 147749-00 | 1 | MORSETTO | QS | ![]() |
1.74 EUR | ||
| 54 | 147795-00 | 1 | QUADRANTE | QS | ![]() |
5.54 EUR | ||
| 55 | 147786-00 | 1 | ARRESTO | QS | ![]() |
1.33 EUR | ||
| 56 | 147753-00 | 2 | PERNO | QS | ![]() |
1.54 EUR | ||
| 57 | 147793-00 | 1 | HANDLE | QS | ![]() |
4.87 EUR | ||
| 59 | 147760-00 | 1 | ARRESTO | QS | ![]() |
4.87 EUR | ||
| 59 | 381285-02 | 1 | BOX,KIT | QS | ||||
| 60 | 147785-00 | 1 | GUIDA | QS | ![]() |
1.54 EUR | ||
| 61 | 147736-01 | 2 | TAMPONE | QS | ![]() |
2.00 EUR | ||
| 63 | 147725-00 | 1 | RONDELLA | QS | ![]() |
4.87 EUR | ||
| 64 | 151001-00 | 1 | DADO | QS | ![]() |
5.54 EUR | ||
| 65 | 147741-00 | 1 | SUPPORTO | QS | ![]() |
22.98 EUR | ||
| 66 | 147740-01SV | 1 | GUIDA | QS | ||||
| 70 | 147745-00SV | 1 | PIGNONE | QS | ![]() |
20.52 EUR | ||
| 71 | 445886-09 | 1 | CORPO MOTORE | QS | ![]() |
6.05 EUR | ||
| 72 | 147799-00 | 2 | ANELLO TOROIDALE | QS | ![]() |
1.00 EUR | ||
| 73 | 385914-00 | 1 | ASS. PIASTRA BASE | QS | ![]() |
63.71 EUR | ||
| 76 | 385915-01 | 4 | VITE | QS | ![]() |
1.10 EUR | ||
| 76 | 5140160-00 | 4 | VITE | M5x0.8x16 | QS | ![]() |
1.20 EUR | |
| 77 | 450877-00 | 1 | SERRAFILO | QS | ![]() |
1.10 EUR | ||
| 78 | 330019-02 | 2 | VITE | QS | ![]() |
1.00 EUR | ||
| 79 | 147792-00 | 1 | CONDENSATORE | QS | ![]() |
5.54 EUR | ||
| 80 | 385946-00 | 4 | RONDELLA ELASTICA | QS | ![]() |
1.10 EUR | ||
| 800 | 761995-01 | 1 | GRASSO | 180 Grams | CVJ GREASE | QS | 32.42 EUR | |
| 800 | 283484-01 | 1 | GRASSO | 32oz, EXXON CVJ | QS | 46.07 EUR | ||
| 856 | 151002-00 | 1 | DEFLETTORE POLVERE | QS | ![]() |
4.87 EUR | ||
| 856 | 445871-00 | 1 | CHIAVE | QS | ![]() |
3.08 EUR | ||
| 856 | 152693-00 | 1 | CHIAVE | QS | ![]() |
2.26 EUR | ||
| 856 | 147734-05 | 1 | DUSTBAG | QS | ![]() |
15.54 EUR | ||
| 856 | 147794-00 | 1 | ADATTATORE | QS | ![]() |
2.67 EUR |
* I prezzi indicati possono subire variazioni e non sono inclusivi di IVA ed eventuali spese di trasporto. Ci riserviamo la possibilità di variare i prezzi e le condizioni senza preavviso.

