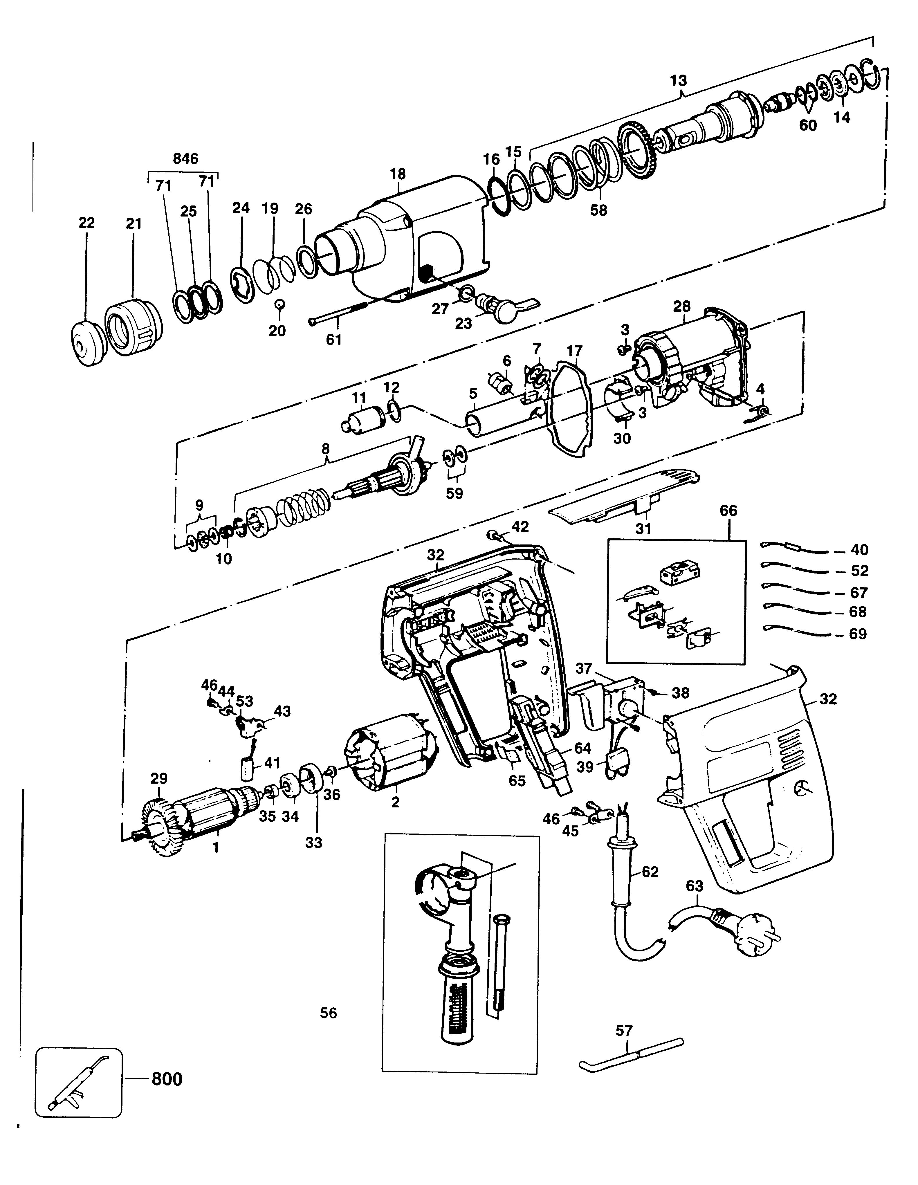
MBH22RDS MARTELLO ROTANTE Type 1 | Disegni
Documenti
Si prega di visualizzare il menu a tendina dal momento che alcuni prodotti potrebbero avere più disegni
| Item No. | Product Number | Qty Per | Product Description | INFORMAZIONI | Altre informazioni | Markets | Product Status | Guida ai prezzi |
|---|---|---|---|---|---|---|---|---|
| 1 | 879424-01 | 1 | INDOTTO | IT | ![]() |
50.38 EUR | ||
| 2 | 320032 | 1 | STATORE | IT | ![]() |
29.65 EUR | ||
| 3 | 872745 | 2 | VITE | IT | ![]() |
1.00 EUR | ||
| 4 | 870471 | 1 | MOLLA | IT | ![]() |
1.00 EUR | ||
| 5 | 875345 | 1 | PISTONE | IT | ![]() |
11.39 EUR | ||
| 6 | 487143-00 | 1 | ASSE | IT | ![]() |
4.87 EUR | ||
| 7 | 870875 | 2 | RONDELLA | IT | ![]() |
1.10 EUR | ||
| 8 | 874592 | 1 | ALBERO | IT | ![]() |
56.94 EUR | ||
| 9 | 324431-02 | 2 | RONDELLA | IT | ![]() |
2.67 EUR | ||
| 10 | 323794-00 | 1 | MOLLA | IT | ![]() |
1.10 EUR | ||
| 11 | 870621 | 1 | MAZZA BATTENTE | IT | ![]() |
12.67 EUR | ||
| 12 | 577168-00 | 1 | ANELLO TOROIDALE | IT | ![]() |
1.00 EUR | ||
| 13 | 870950-01 | 1 | ALBERINO | IT | ![]() |
68.64 EUR | ||
| 14 | N451068 | 1 | ANELLO DI TENUTA | IT | ![]() |
1.74 EUR | ||
| 15 | 870880 | 1 | RONDELLA | IT | ![]() |
1.44 EUR | ||
| 16 | 870881 | 1 | RONDELLA | IT | ![]() |
1.10 EUR | ||
| 17 | 870882 | 1 | GUARNIZIONE | IT | ![]() |
1.33 EUR | ||
| 18 | 870966-02 | 1 | SCATOLA INGRANAGGI | IT | ![]() |
20.52 EUR | ||
| 19 | 871690 | 1 | MOLLA | IT | ![]() |
1.10 EUR | ||
| 20 | 583890-00 | 1 | SFERA | IT | ![]() |
1.10 EUR | ||
| 21 | 870954 | 1 | MANICOTTO | IT | ![]() |
2.26 EUR | ||
| 22 | 871469 | 1 | GUARNIZIONE | IT | ![]() |
1.54 EUR | ||
| 23 | 321948 | 1 | LEVA | IT | ![]() |
4.21 EUR | ||
| 24 | 578387-00 | 1 | RONDELLA | IT | ![]() |
1.44 EUR | ||
| 25 | 323480-00 | 1 | DISTANZIALE | IT | ![]() |
2.26 EUR | ||
| 26 | 871670 | 1 | RONDELLA | IT | ![]() |
1.10 EUR | ||
| 27 | 870907 | 1 | GUARNIZIONE | IT | ![]() |
1.00 EUR | ||
| 28 | 324937-00 | 1 | ASS CORPO | IT | ![]() |
34.06 EUR | ||
| 29 | 324401-00 | 1 | VENTOLA | IT | ![]() |
2.87 EUR | ||
| 30 | 871987 | 1 | GUARNIZIONE | IT | ![]() |
1.20 EUR | ||
| 31 | 322310-01 | 1 | INSERTO | IT | ![]() |
3.08 EUR | ||
| 32 | 327630-00 | 1 | ASS. IMPUGNATURA | IT | ![]() |
36.12 EUR | ||
| 33 | 870052 | 1 | MANICOTTO | IT | ![]() |
1.10 EUR | ||
| 34 | 330003-19 | 1 | CUSCINETTO | IT | ![]() |
5.54 EUR | ||
| 35 | 918687 | 1 | DISTANZIALE | IT | ||||
| 36 | 911276 | 1 | VITE | IT | ![]() |
1.00 EUR | ||
| 37 | 322338 | 1 | INTERRUTTORE | IT | ![]() |
32.42 EUR | ||
| 38 | 911026 | 2 | VITE | IT | ![]() |
1.00 EUR | ||
| 39 | 321384 | 1 | CONDENSATORE | IT | ![]() |
1.44 EUR | ||
| 40 | 871695 | 2 | INDUTTANZA | IT | ![]() |
2.87 EUR | ||
| 41 | 320876 | 2 | BRUSH 230V | IT | ![]() |
3.80 EUR | ||
| 42 | 911325 | 6 | VITE | IT | ![]() |
1.00 EUR | ||
| 43 | 326109-00 | 2 | PORTASPAZZOLE | IT | ![]() |
1.33 EUR | ||
| 44 | 875513 | 2 | PIASTRA | IT | ![]() |
1.10 EUR | ||
| 45 | 821070 | 1 | SERRAFILO | IT | ![]() |
1.00 EUR | ||
| 46 | D911324 | 4 | VITE | IT | ![]() |
1.00 EUR | ||
| 49 | 871675 | 1 | MOLLA | IT | ![]() |
1.20 EUR | ||
| 52 | 879870 | 1 | LEAD 220MM RED | IT | ![]() |
1.10 EUR | ||
| 53 | 872843 | 2 | MOLLA | IT | ![]() |
1.10 EUR | ||
| 56 | 939794-02 | 1 | ASS. IMPUGN. LATERAL | IT | ![]() |
7.18 EUR | ||
| 57 | 580787-00 | 1 | ARRESTO PROFONDITA' | IT | ![]() |
1.44 EUR | ||
| 58 | 918782 | 1 | MOLLA | IT | ![]() |
1.33 EUR | ||
| 59 | 324430-03 | 1 | CUSCINETTO ASSIALE | IT | ![]() |
3.80 EUR | ||
| 60 | 873012 | 2 | GUARNIZIONE | IT | ![]() |
1.10 EUR | ||
| 61 | 911517 | 4 | VITE | IT | ![]() |
1.10 EUR | ||
| 62 | 916968 | 1 | CORD PROTECTOR | IT | ![]() |
1.10 EUR | ||
| 63 | 330080-31 | 1 | CAVO CON SPINA | CH | IT | ![]() |
25.24 EUR | |
| 64 | 875454 | 1 | PORTAUTENSILE | IT | ![]() |
2.67 EUR | ||
| 65 | 320339 | 1 | MOLLA | IT | ![]() |
4.87 EUR | ||
| 66 | 323135-49 | 1 | KIT INTERRUTTORE | IT | ![]() |
12.67 EUR | ||
| 67 | 878881 | 1 | LEAD 140MM BLACK | IT | ![]() |
1.10 EUR | ||
| 68 | 322576 | 1 | LEAD 160MM RED | IT | ![]() |
1.20 EUR | ||
| 69 | 878756 | 1 | LEAD 200MM BLACK | IT | ![]() |
1.10 EUR | ||
| 71 | 323492-00 | 2 | RONDELLA | IT | ![]() |
1.20 EUR | ||
| 80 | 324430-02 | 1 | CUSCINETTO ASSIALE | IT | ![]() |
3.80 EUR | ||
| 81 | 324431-03 | 1 | WASHER 7 | IT | ![]() |
1.33 EUR | ||
| 800 | 870889-02 | 1 | GRASSO | IT | ![]() |
6.05 EUR | ||
| 846 | 327354-00 | 1 | ASS. RONDELLE | IT | ![]() |
8.52 EUR |
* I prezzi indicati possono subire variazioni e non sono inclusivi di IVA ed eventuali spese di trasporto. Ci riserviamo la possibilità di variare i prezzi e le condizioni senza preavviso.

