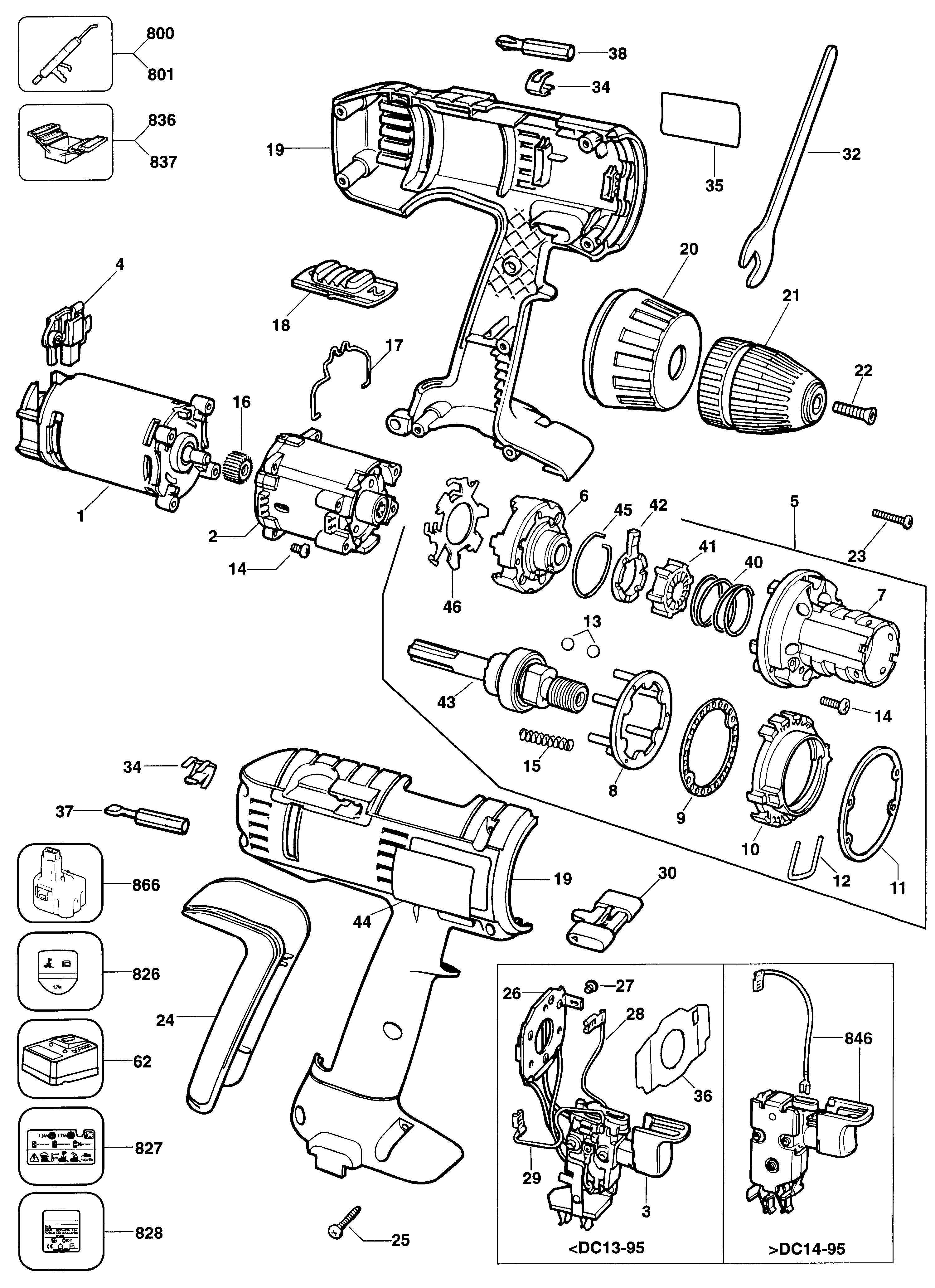
SBA55K TRAPANO SENZA CAVO Type 1 | Disegni
Documenti
Si prega di visualizzare il menu a tendina dal momento che alcuni prodotti potrebbero avere più disegni
| Item No. | Product Number | Qty Per | Product Description | INFORMAZIONI | Altre informazioni | Markets | Product Status | Guida ai prezzi |
|---|---|---|---|---|---|---|---|---|
| 1 | 580920-06 | 1 | MOTOR SA 12V | QW | ![]() |
52.94 EUR | ||
| 2 | 805080-45 | 1 | SCATOLA INGRANAGGI | QW | ![]() |
25.24 EUR | ||
| 4 | 373091-02 | 2 | SPAZZOLE ( X 2 ) SA | QW | ![]() |
9.20 EUR | ||
| 5 | 373703-02 | 1 | MODULO COMBI | QW | ![]() |
36.12 EUR | ||
| 6 | 373705-02 | 1 | ASS. COPERCHIO | QW | ![]() |
11.39 EUR | ||
| 7 | 798966-00 | 1 | ASS CORPO | QW | ![]() |
2.00 EUR | ||
| 8 | 798963-01 | 1 | SUPPORTO | QW | ![]() |
1.54 EUR | ||
| 9 | 798708 | 1 | PIASTRA | QW | ![]() |
1.33 EUR | ||
| 10 | 798709-00 | 1 | DADO | QW | ![]() |
1.10 EUR | ||
| 11 | 805004-00 | 1 | RONDELLA | QW | ![]() |
1.10 EUR | ||
| 12 | 798959-00 | 1 | GRAFFA | QW | ![]() |
1.00 EUR | ||
| 13 | 386690-00 | 12 | SFERA | STEEL, 5MM | QW | ![]() |
1.00 EUR | |
| 14 | 798486 | 6 | VITE | QW | ![]() |
1.00 EUR | ||
| 15 | 798707 | 6 | MOLLA | QW | ![]() |
1.00 EUR | ||
| 16 | 380325-02 | 1 | PIGNONE | QW | ![]() |
1.20 EUR | ||
| 17 | 799024 | 1 | MOLLA | QW | ![]() |
1.20 EUR | ||
| 18 | 799025-01 | 1 | CURSORE | QW | ![]() |
1.44 EUR | ||
| 19 | 585040-02 | 1 | ASS CORPO | QW | ![]() |
8.52 EUR | ||
| 20 | 799013-00 | 1 | ANELLO | QW | ![]() |
5.54 EUR | ||
| 21 | 798723-13 | 1 | MANDRINO SENZA CHIA. | QW | ![]() |
36.12 EUR | ||
| 22 | 810014 | 1 | VITE | QW | ![]() |
1.10 EUR | ||
| 23 | 733886 | 4 | VITE | QW | ![]() |
1.00 EUR | ||
| 24 | 368838 | 1 | COPERTURA POSTERIORE | QW | ![]() |
3.08 EUR | ||
| 25 | 747329 | 7 | VITE | QW | ![]() |
1.00 EUR | ||
| 27 | 798774 | 1 | VITE | | QW |
![]() 1.00 EUR |
| ||
| 28 | 373091-02 | 1 | SPAZZOLE ( X 2 ) SA | QW | ![]() |
9.20 EUR | ||
| 29 | 373091-02 | 1 | SPAZZOLE ( X 2 ) SA | QW | ![]() |
9.20 EUR | ||
| 30 | 806057-01 | 1 | CURSORE | QW | 1.44 EUR | |||
| 32 | 807862 | 1 | CHIAVE | TYPE 1 | QW | ![]() |
1.74 EUR | |
| 34 | 798453 | 2 | ANELLO DI TENUTA | QW | ![]() |
1.00 EUR | ||
| 35 | 805789-01 | 1 | ETICHETTA MARCHIO | QW | ![]() |
1.20 EUR | ||
| 36 | 808980 | 1 | RONDELLA ISOLANTE | | QW |
![]() 1.10 EUR |
| ||
| 37 | 297564 | 1 | BIT SLOTTED | QW | ![]() |
2.67 EUR | ||
| 38 | 297565 | 1 | BIT POZIDRIVE | QW | ![]() |
2.67 EUR | ||
| 40 | 799981-00 | 1 | MOLLA | QW | ![]() |
1.00 EUR | ||
| 41 | 799980 | 1 | DENTE D'ARR. FISSO | QW | ![]() |
2.26 EUR | ||
| 42 | 799978 | 1 | CAMMA | QW | ![]() |
1.33 EUR | ||
| 43 | 573146-00 | 1 | ASS. ALBERO | QW | ![]() |
14.00 EUR | ||
| 44 | 371388-04 | 1 | SCHEDA | TYPE 1A | QW | ![]() |
1.20 EUR | |
| 45 | 805002 | 1 | MOLLA | QW | ![]() |
1.00 EUR | ||
| 46 | 805006 | 1 | ANELLO DI TENUTA | TYPE 1 | QW | ![]() |
1.20 EUR | |
| 62 | N015878 | 1 | CARICABATTERIA 7.2V - 18V | QW | ![]() |
77.16 EUR | ||
| 800 | 808386-00 | 1 | GRASSO | MOLYKOTE G68 100GMS | QW | 72.33 EUR | ||
| 801 | 805639 | 1 | GREASE 3KG | QW | ![]() |
44.63 EUR | ||
| 826 | 371133-01 | 1 | ETICHETTA IDENTIFIC. | QW | ![]() |
1.44 EUR | ||
| 827 | 371053-01 | 1 | ETICHETTA DI AVVISO | QW | ![]() |
1.00 EUR | ||
| 828 | 371054-03 | 1 | ETICHETTA | QW | ![]() |
1.00 EUR | ||
| 836 | 559500-99 | 1 | SET UP CHIODATRICE | QW | ![]() |
37.96 EUR | ||
| 837 | 559501-99 | 1 | ATTREZZO DI PRESSA | QW | ![]() |
12.67 EUR | ||
| 846 | 368832-06 | 1 | ASS. INTERRUTTORE | QW | ![]() |
72.33 EUR | ||
| 866 | 582806-00 | 1 | BATTERY 12V - 2.0AH | QW | ![]() |
77.16 EUR |
* I prezzi indicati possono subire variazioni e non sono inclusivi di IVA ed eventuali spese di trasporto. Ci riserviamo la possibilità di variare i prezzi e le condizioni senza preavviso.

