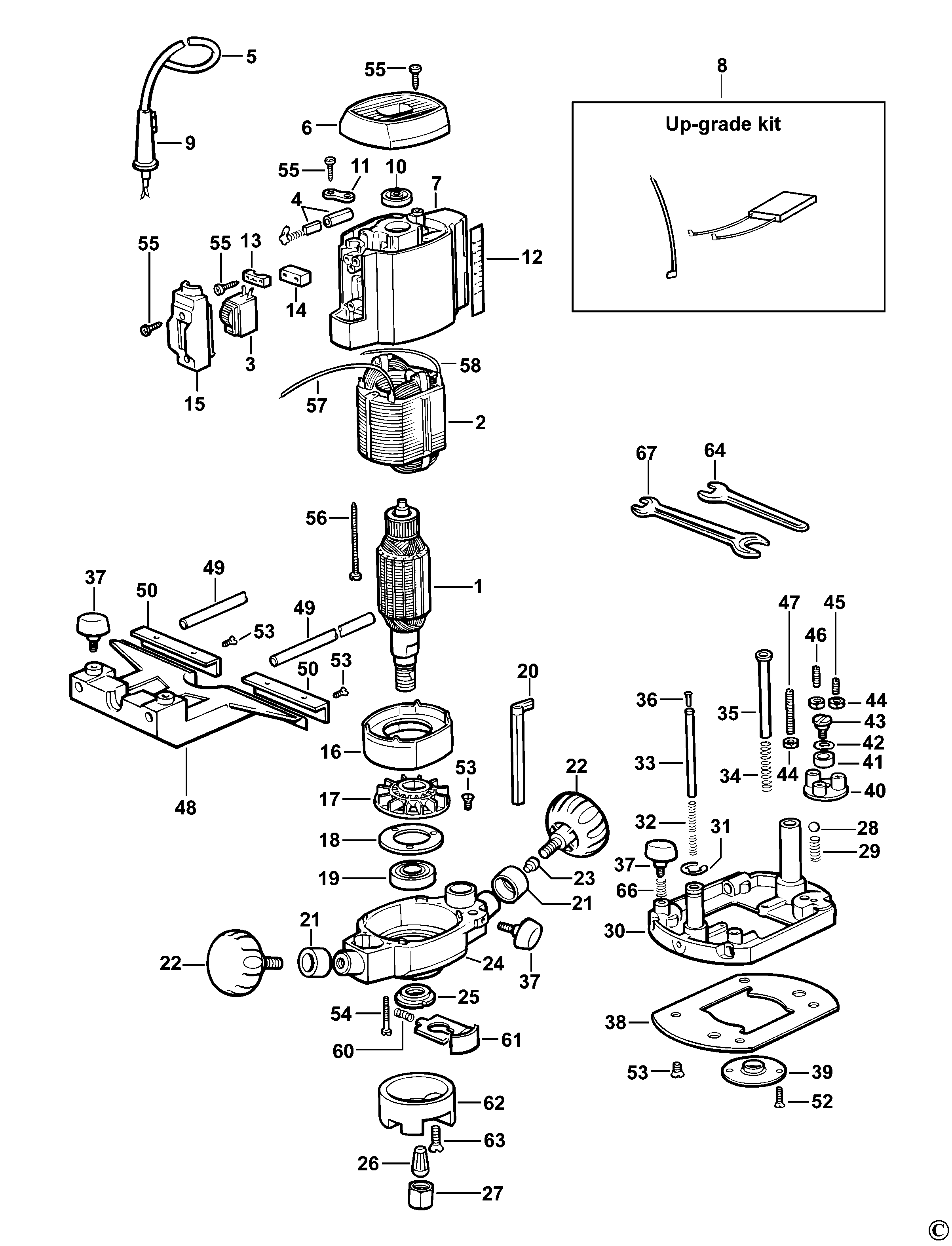
MOF96 ROUTER Type 2 | Disegni
Documenti
Si prega di visualizzare il menu a tendina dal momento che alcuni prodotti potrebbero avere più disegni
| Item No. | Product Number | Qty Per | Product Description | INFORMAZIONI | Altre informazioni | Markets | Product Status | Guida ai prezzi |
|---|---|---|---|---|---|---|---|---|
| 1 | 868627-01 | 1 | INDOTTO | QS | ![]() |
123.12 EUR | ||
| 2 | 868628-00 | 1 | FIELD 240V | 220 VOLT | QS | ![]() |
41.96 EUR | |
| 3 | N566709 | 1 | INTERRUTTORE | QS | ![]() |
36.12 EUR | ||
| 4 | 247533-11 | 2 | BRUSH & HOLDER 230V | 220 / 240 VOLT | QS | ![]() |
5.54 EUR | |
| 5 | 868536-00 | 1 | ASS. CAVO | QS | ![]() |
7.18 EUR | ||
| 6 | 720645-05 | 1 | COPERTURA SPAZZOLE | QS | ![]() |
4.87 EUR | ||
| 7 | 943047-01 | 1 | CORPO MOTORE | QS | ![]() |
22.98 EUR | ||
| 8 | 581285-01 | 1 | SOPPRESSORE | QS | ![]() |
16.88 EUR | ||
| 9 | 868520-00 | 1 | CORD PROTECTOR | QS | ![]() |
1.33 EUR | ||
| 10 | N110358 | 1 | CUSCINETTO | QS | ![]() |
2.00 EUR | ||
| 11 | 868069-00 | 2 | MORSETTO | QS | ![]() |
1.10 EUR | ||
| 12 | 249278-00 | 1 | SCALA | QS | ![]() |
2.26 EUR | ||
| 13 | 576118-00 | 1 | SERRAFILO | QS | ![]() |
1.10 EUR | ||
| 14 | 868521-00 | 1 | GUIDA | QS | ![]() |
1.10 EUR | ||
| 15 | 247700-01 | 1 | COPERTURA | QS | ![]() |
2.26 EUR | ||
| 16 | 868522-00 | 1 | BAFFLE FAN | QS | ![]() |
3.08 EUR | ||
| 17 | 943054-00 | 1 | VENTOLA | QS | ![]() |
2.87 EUR | ||
| 18 | 868047-00 | 1 | PIASTRA | QS | ![]() |
2.67 EUR | ||
| 19 | 868768-16 | 1 | CUSCINETTO | QS | ![]() |
4.21 EUR | ||
| 20 | 868523-01 | 1 | ARRESTO PROFONDITA' | QS | ![]() |
4.87 EUR | ||
| 21 | 249108-00 | 2 | GUAINA ISOLANTE | QS | ![]() |
1.20 EUR | ||
| 22 | 869284-05 | 2 | ASS. IMPUGNATURA | QS | ![]() |
4.87 EUR | ||
| 23 | 869284-23 | 1 | ASS. MANOPOLA | QS | ![]() |
8.52 EUR | ||
| 24 | 248954-00 | 1 | CORPO INFERIORE | QS | ![]() |
72.33 EUR | ||
| 25 | 868052-00 | 1 | DADO | QS | ![]() |
7.18 EUR | ||
| 27 | 326286-00 | 1 | SG COLLETTO E DADO | 8mm | QS | ![]() |
11.39 EUR | |
| 27 | 326286-01 | 1 | SG COLLETTO E DADO | 6.35mm 1/4 inch | QS | ![]() |
20.52 EUR | |
| 28 | 720664-00 | 1 | SFERA | QS | ![]() |
1.00 EUR | ||
| 29 | 868082-00 | 1 | MOLLA | QS | ![]() |
1.00 EUR | ||
| 30 | 868613-00 | 1 | ASS. PIASTRA BASE | QS | ![]() |
72.33 EUR | ||
| 31 | 943032-00 | 1 | ANELLO D'ARRESTO | QS | ![]() |
1.00 EUR | ||
| 32 | 096934010 | 1 | MOLLA | QS | ![]() |
4.21 EUR | ||
| 33 | 096815201 | 1 | ASTA | QS | ![]() |
2.26 EUR | ||
| 34 | 096934007 | 1 | MOLLA | QS | ![]() |
4.21 EUR | ||
| 35 | 868566-00 | 1 | ASTA | QS | ![]() |
1.00 EUR | ||
| 36 | 096815000 | 1 | RIBATTINO | QS | ![]() |
2.26 EUR | ||
| 37 | 326573-01 | 5 | SCREW WING | QS | ![]() |
2.36 EUR | ||
| 38 | 943042-00 | 1 | BASE | QS | ![]() |
5.54 EUR | ||
| 40 | 720674-01 | 1 | TORRETTA | QS | ![]() |
4.87 EUR | ||
| 41 | 868092-00 | 1 | RONDELLA | QS | ![]() |
1.20 EUR | ||
| 42 | 860658-01 | 1 | RONDELLA | QS | ![]() |
1.00 EUR | ||
| 43 | 249432-00 | 1 | VITE | QS | ![]() |
1.74 EUR | ||
| 44 | 860083-02 | 3 | DADO | QS | ![]() |
1.00 EUR | ||
| 45 | 942931-02 | 1 | SCREW.TEMP | QS | ![]() |
1.10 EUR | ||
| 46 | 942931-01 | 1 | VITE | QS | ![]() |
1.10 EUR | ||
| 47 | 868109-00 | 1 | VITE | QS | ![]() |
1.10 EUR | ||
| 48 | 948651-00 | 1 | ASS. GUIDA | QS | ![]() |
34.06 EUR | ||
| 49 | 868080-00 | 2 | ASTA | QS | ![]() |
2.36 EUR | ||
| 50 | 249090-00 | 2 | GUIDA | QS | ![]() |
2.67 EUR | ||
| 52 | 249412-20 | 2 | VITE | QS | ![]() |
1.00 EUR | ||
| 53 | 860205-04 | 11 | VITE | QS | ![]() |
1.00 EUR | ||
| 54 | 249416-10 | 4 | VITE | QS | ![]() |
1.00 EUR | ||
| 55 | 949896-12 | 10 | VITE | QS | ![]() |
1.00 EUR | ||
| 56 | 868528-00 | 2 | VITE | QS | ![]() |
1.10 EUR | ||
| 57 | 868530-02 | 1 | LEAD BLUE | QS | ![]() |
1.10 EUR | ||
| 58 | 868530-07 | 1 | LEAD BLUE | QS | ![]() |
1.10 EUR | ||
| 60 | N406641 | 1 | MOLLA DI COMPRESSIONE | QS | ![]() |
1.00 EUR | ||
| 61 | 943114-00 | 1 | ARRESTO PULSANTE | QS | ![]() |
22.98 EUR | ||
| 62 | 943057-00 | 1 | COPERTURA | QS | ![]() |
4.87 EUR | ||
| 63 | 249413-03 | 4 | VITE | QS | ![]() |
1.00 EUR | ||
| 64 | 868148-00 | 1 | CHIAVE | QS | ![]() |
2.67 EUR | ||
| 66 | 868082-00 | 5 | MOLLA | QS | ![]() |
1.00 EUR | ||
| 67 | 31351301 | 1 | CHIAVE | QS | ![]() |
3.80 EUR |
* I prezzi indicati possono subire variazioni e non sono inclusivi di IVA ed eventuali spese di trasporto. Ci riserviamo la possibilità di variare i prezzi e le condizioni senza preavviso.

