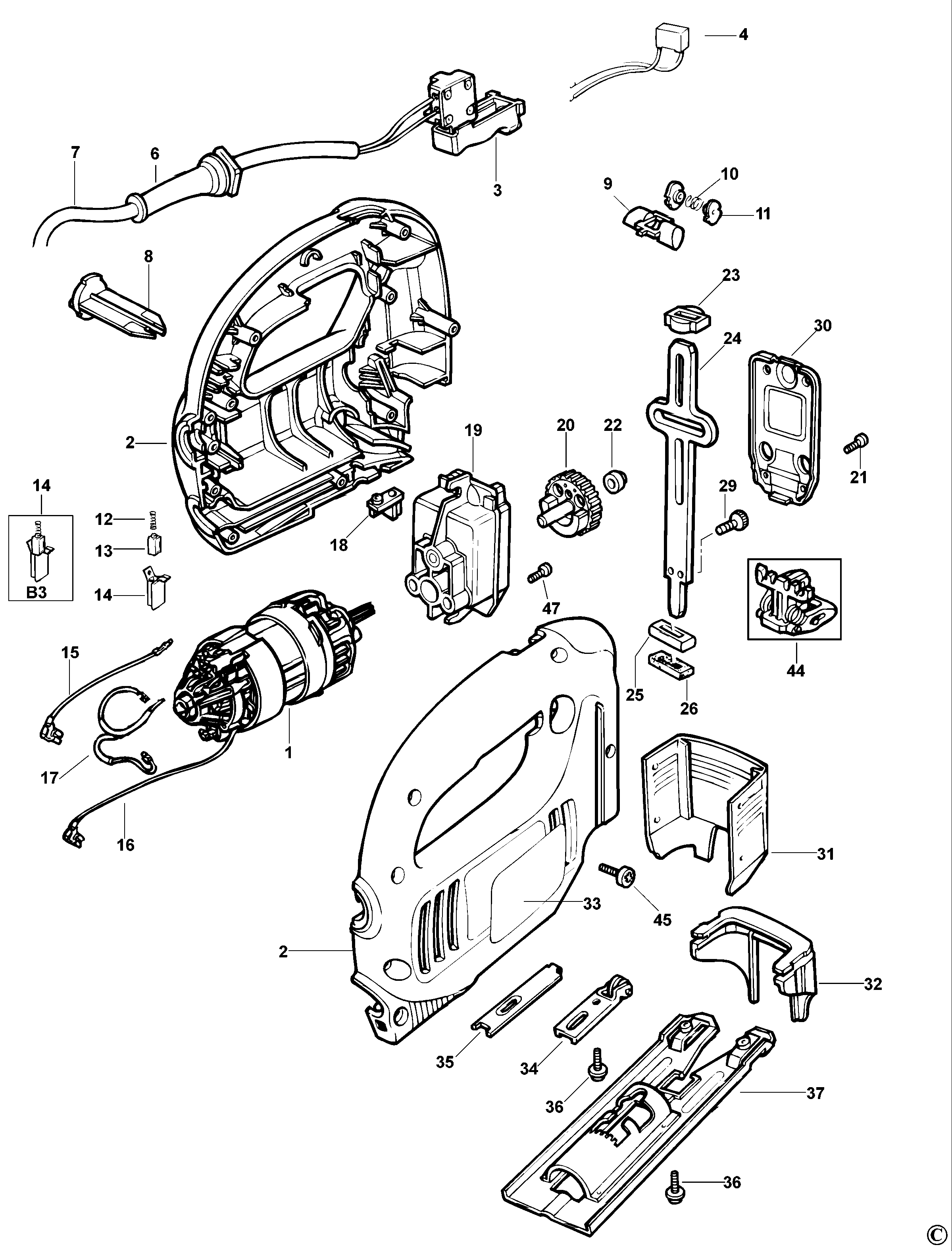
KS631 SEGHETTO ALTERNATIVO Type 4 | Disegni
Documenti
Si prega di visualizzare il menu a tendina dal momento che alcuni prodotti potrebbero avere più disegni
| Item No. | Product Number | Qty Per | Product Description | INFORMAZIONI | Altre informazioni | Markets | Product Status | Guida ai prezzi |
|---|---|---|---|---|---|---|---|---|
| 1 | 576376-03 | 1 | SG MOTORE | QS | ![]() |
32.42 EUR | ||
| 2 | 580151-00 | 1 | ASS. CORPO | QS | ![]() |
8.52 EUR | ||
| 3 | 809483-04 | 1 | INTERRUTTORE | QS | ![]() |
4.87 EUR | ||
| 4 | 807285-06 | 1 | CONDENSATORE | QS | ![]() |
1.20 EUR | ||
| 6 | 770235 | 1 | MANICOTTO | QS | ![]() |
1.10 EUR | ||
| 7 | 330080-03 | 1 | CAVO CON SPINA | QS | ![]() |
4.21 EUR | ||
| 8 | 369328 | 1 | REGOLATORE | QS | ![]() |
1.20 EUR | ||
| 9 | 370282-00 | 1 | ASS. DISP.DI BLOCC. | QS | ![]() |
1.10 EUR | ||
| 10 | 748158 | 1 | MOLLA | QS | ![]() |
1.00 EUR | ||
| 11 | 370966 | 2 | RONDELLA | QS | ![]() |
1.10 EUR | ||
| 12 | 847709 | 2 | MOLLA | QS | ![]() |
1.00 EUR | ||
| 13 | 372523 | 2 | SPAZZOLE | QS | ![]() |
1.10 EUR | ||
| 14 | 846076 | 2 | BRUSHBOX | QS | ![]() |
1.10 EUR | ||
| 15 | 373116 | 1 | ASS. CAVETTO | QS | ![]() |
1.33 EUR | ||
| 16 | 373117 | 1 | CAVETTO | QS | ![]() |
1.33 EUR | ||
| 17 | 828446 | 2 | INDUTTANZA | QS | ![]() |
2.00 EUR | ||
| 18 | 369620 | 1 | DADO | QS | ![]() |
1.33 EUR | ||
| 19 | 368564 | 1 | SCATOLA INGRANAGGI | QS | ![]() |
4.21 EUR | ||
| 20 | 368562 | 1 | INGRANAGGI | QS | ![]() |
3.08 EUR | ||
| 21 | 891024 | 4 | VITE | QS | 1.00 EUR | |||
| 22 | 492994-00 | 1 | RULLO | QS | ![]() |
1.00 EUR | ||
| 23 | 810897 | 1 | CUSCINETTO | QS | ![]() |
1.20 EUR | ||
| 24 | 370164-03 | 1 | ALBERO | QS | ![]() |
3.80 EUR | ||
| 25 | 810893 | 1 | CUSCINETTO | QS | ![]() |
1.20 EUR | ||
| 26 | 847216 | 1 | GUARNIZIONE | QS | ![]() |
1.00 EUR | ||
| 29 | 370167 | 2 | VITE | QS | ![]() |
1.10 EUR | ||
| 30 | 368587 | 1 | COPERTURA | QS | ![]() |
1.74 EUR | ||
| 31 | 369008 | 1 | PROTEZIONE | QS | ![]() |
2.26 EUR | ||
| 32 | 370584 | 1 | PROTEZIONE | QS | ![]() |
1.44 EUR | ||
| 33 | 580121-00 | 1 | ETICHETTA MARCHIO | QS | ![]() |
1.10 EUR | ||
| 34 | 368375-01 | 1 | ASS. SUPPORTO | QS | ![]() |
1.54 EUR | ||
| 35 | 368857-00 | 1 | MORSETTO | QS | ![]() |
1.10 EUR | ||
| 36 | 376409 | 2 | VITE | QS | ![]() |
1.00 EUR | ||
| 37 | 369304-00 | 1 | ASS. PATTINO | QS | ![]() |
4.21 EUR | ||
| 44 | 581098-02 | 1 | ASS. MORSETTO | QS | ![]() |
4.21 EUR | ||
| 45 | 747329 | 8 | VITE | QS | ![]() |
1.00 EUR | ||
| 47 | 812171 | 2 | VITE | QS | ![]() |
1.00 EUR |
* I prezzi indicati possono subire variazioni e non sono inclusivi di IVA ed eventuali spese di trasporto. Ci riserviamo la possibilità di variare i prezzi e le condizioni senza preavviso.

