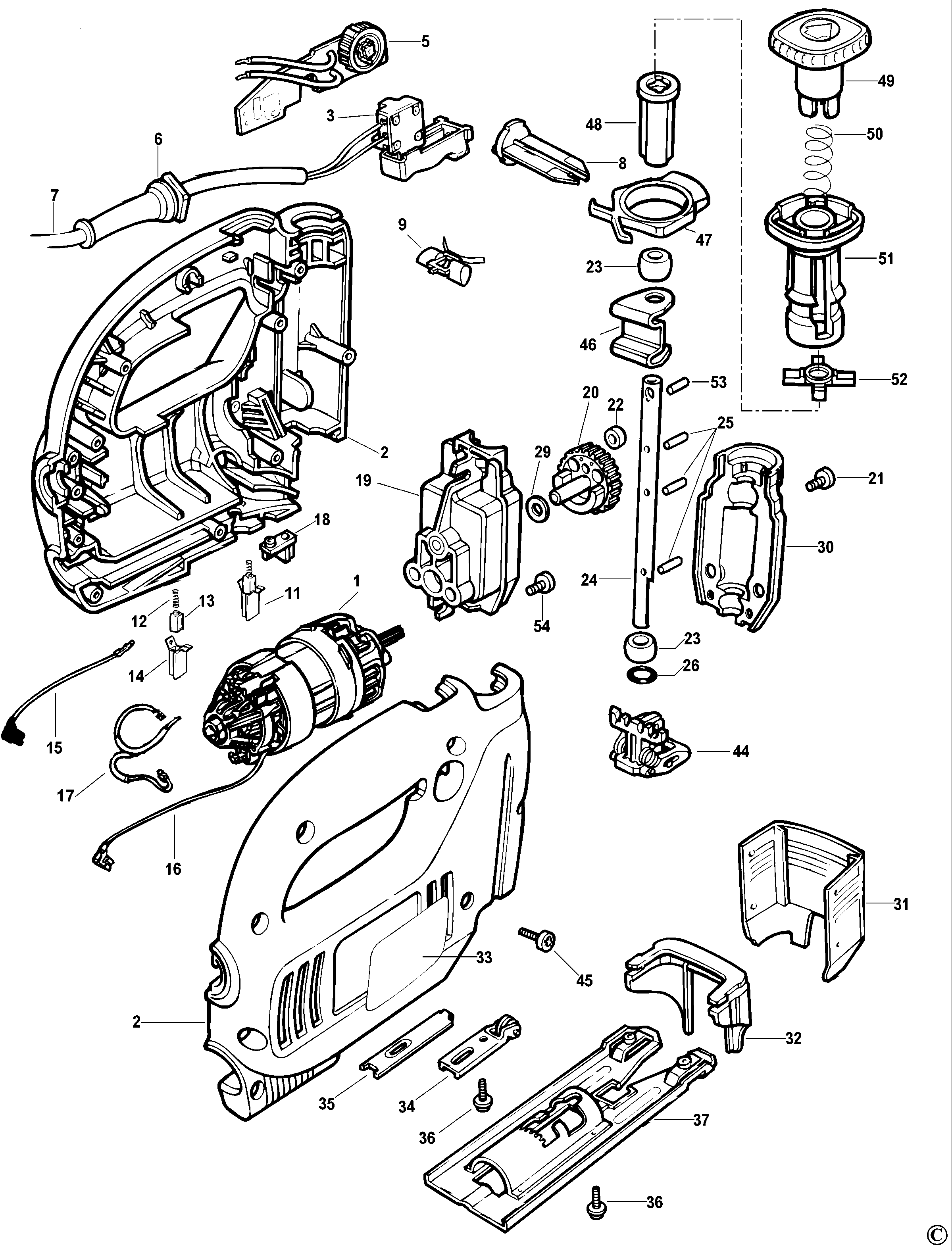
KS638SE JIGSAW Type 4 | Drawings
Documents
| Item No. | Product Number | Qty Per | Product Description | General Description | Other Info | Markets | Product Status |
|---|---|---|---|---|---|---|---|
| 1 | 576376-03 | 1 | MOTOR SA | AR | |||
| 2 | 580486-01 | 1 | CLAMSHELL SET | AR | |||
| 3 | 809483-04 | 1 | SWITCH | AR | |||
| 5 | 368329-00 | 1 | PCB | AR | |||
| 6 | 770235 | 1 | PROTECTOR | AR | |||
| 7 | 573379-01 | 1 | CABLE | AR | |||
| 8 | 369328-00 | 1 | REGULATOR | AR | |||
| 9 | 376010-01 | 1 | ACTUATOR | AR | |||
| 12 | 847709 | 2 | SPRING | AR | |||
| 13 | 372523 | 2 | BRUSH | AR | |||
| 14 | 846076 | 2 | BRUSHBOX | AR | |||
| 15 | 811679 | 1 | LEAD | AR | |||
| 16 | 811666 | 1 | LEAD | AR | |||
| 17 | 828446 | 2 | CHOKE SA | AR | |||
| 18 | 369620-00 | 1 | NUT | AR | |||
| 19 | 581229-01 | 1 | GEARCASE SA | AR | |||
| 20 | 369619-00 | 1 | GEAR | AR | |||
| 21 | 891024 | 6 | SCREW | AR | |||
| 22 | 368389-00 | 1 | ROLLER | AR | |||
| 23 | 368360-00 | 2 | BEARING | AR | |||
| 24 | 578308-01 | 1 | SHAFT SA | AR | |||
| 25 | 374292-00 | 3 | PIN | AR | |||
| 26 | 799310-00 | 1 | RING,0 | AR | |||
| 30 | 368366-00 | 1 | COVER | AR | |||
| 31 | 369008-00 | 1 | GUARD | AR | |||
| 32 | 370584-00 | 1 | GUARD | AR | |||
| 33 | 580121-00 | 1 | BRAND LABEL | AR | |||
| 34 | 368375-01S | 1 | SUPPORT ASM | AR | |||
| 35 | 368857-00 | 1 | CLAMP | AR | |||
| 36 | 376409-00 | 2 | SCREW | AR | |||
| 37 | 369304-00 | 1 | SHOE SA | AR | |||
| 44 | 581190-02 | 1 | CLAMP SA | AR | |||
| 45 | 5103541-00 | 10 | SCREW | AR | |||
| 46 | 749286-00 | 1 | YOKE | AR | |||
| 47 | 368355-03 | 1 | COLLAR | AR | |||
| 48 | 368363 | 1 | BLOCK | AR | |||
| 49 | 368352-00 | 1 | KNOB UPPER | AR | |||
| 50 | 371662-00 | 1 | SPRING | AR | |||
| 51 | 368353-00 | 1 | KNOB LOWER | AR | |||
| 52 | 371311-00 | 1 | PLATE | AR | |||
| 53 | 811057-00 | 1 | PIN, GUIDE | AR | |||
| 54 | 812171 | 2 | SCREW | AR |