KS630 ЛОБЗИК Type 1 - 1A | Чертежи
Документы
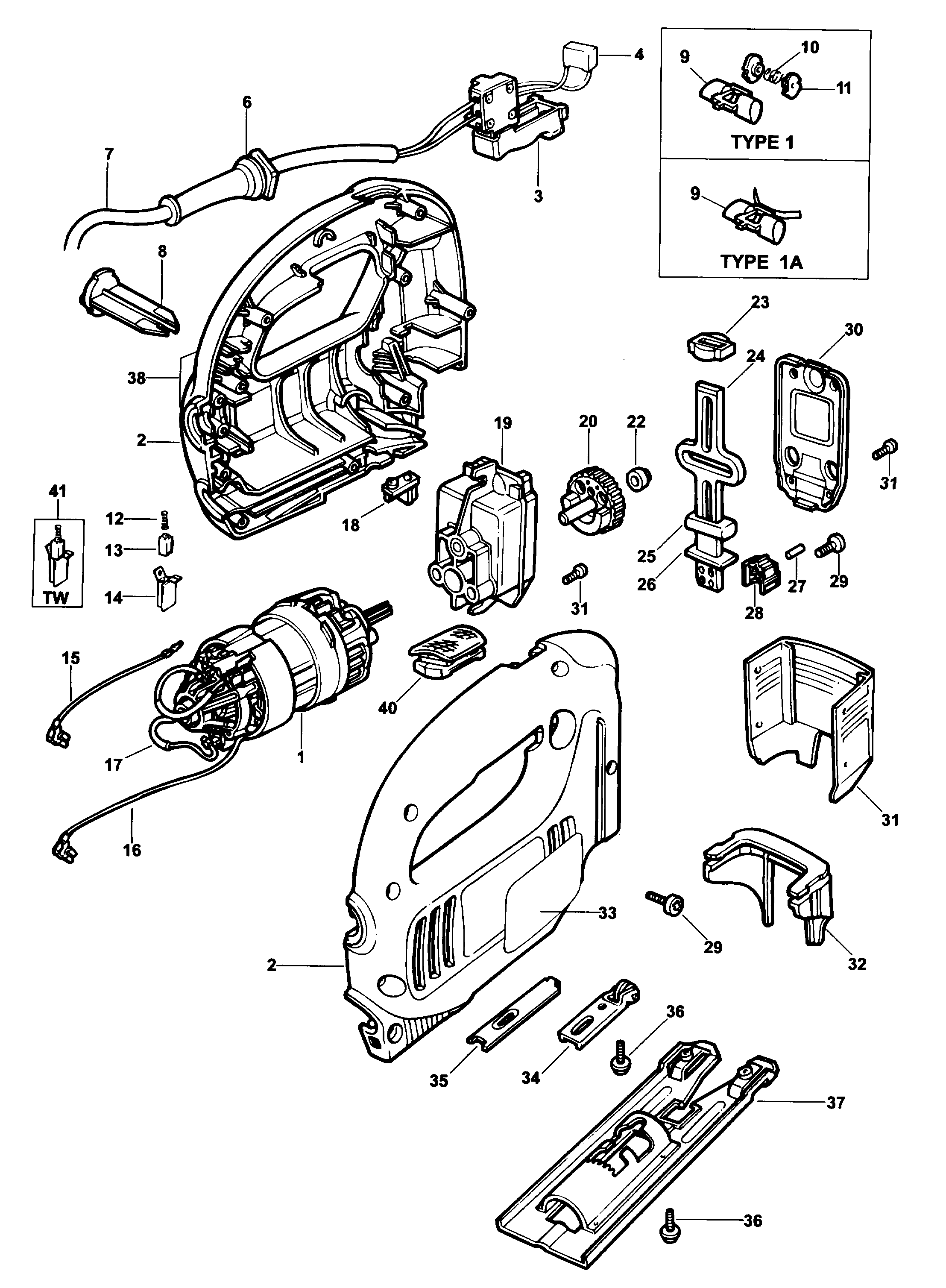
Пожалуйста, просмотрите ниспадающее меню, так как для некоторых продуктов может быть приведено несколько рисунков
| Item No. | Product Number | Qty Per | Product Description | ДОП. ОПИСАНИЕ | Other Info | Markets | Product Status |
|---|---|---|---|---|---|---|---|
| 1 | 571299-17 | 1 | ЭЛЕКТРОДВИГАТЕЛЬ В СБОРЕ | XD | KR | ||
| 1 | 576376-03 | 1 | ЭЛЕКТРОДВИГАТЕЛЬ В СБОРЕ | B1 | KR | ||
| 1 | 576376-03 | 1 | ЭЛЕКТРОДВИГАТЕЛЬ В СБОРЕ | XE | KR | ||
| 1 | 576376-03 | 1 | ЭЛЕКТРОДВИГАТЕЛЬ В СБОРЕ | A9 | KR | ||
| 1 | 576376-03 | 1 | ЭЛЕКТРОДВИГАТЕЛЬ В СБОРЕ | KR | |||
| 2 | 580151-00 | 1 | КОРПУС В КОМПЛЕКТЕ | KR | ![]() |
||
| 3 | 809483-01 | 1 | ВЫКЛЮЧАТЕЛЬ | KR | |||
| 4 | 807285-06 | 1 | КОНДЕНСАТОР | KR | ![]() |
||
| 6 | 770235 | 1 | ЗАЩИТНОЕ УСТРОЙСТВО | KR | ![]() |
||
| 7 | 330080-03 | 1 | КОМПЛЕКТ ПРОВОДОВ | KR | ![]() |
||
| 8 | 369328 | 1 | РЕГУЛЯТОР | KR | ![]() |
||
| 9 | 370282-00 | 1 | ЗАМОК В СБОРЕ | TYPE 1 | KR | ||
| 10 | 748158 | 1 | ПРУЖИНА | KR | ![]() |
||
| 11 | 370966 | 2 | ШАЙБА | KR | |||
| 12 | 847709 | 2 | ПРУЖИНА | KR | |||
| 13 | 372523 | 2 | ЩЁТКА | KR | |||
| 14 | 846076 | 2 | ОБОЙМА ЩЁТКОДЕРЖАТЕЛЯ | KR | |||
| 15 | 811504 | 1 | ПРОВОД | KR | |||
| 16 | 811529 | 1 | ПРОВОД В СБОРЕ | KR | |||
| 18 | 369620 | 1 | ГАЙКА | KR | ![]() |
||
| 19 | 368564 | 1 | КОРПУС РЕДУКТОРА | KR | |||
| 20 | 368562 | 1 | ШЕСТЕРНЯ | KR | ![]() |
||
| 21 | 812171 | 6 | ВИНТ | KR | ![]() |
||
| 22 | 492994-00 | 1 | РОЛИК | KR | |||
| 23 | 810897 | 1 | ПОДШИПНИК | KR | |||
| 24 | 368465 | 1 | ВАЛ | KR | |||
| 25 | 810893 | 1 | ПОДШИПНИК | KR | ![]() |
||
| 26 | 847216 | 1 | УПЛОТНЕНИЕ | KR | ![]() |
||
| 27 | 330041-11 | 2 | ШТИФТ | KR | |||
| 28 | 368382-00 | 1 | ЗАЖИМ | KR | |||
| 29 | 797123 | 2 | ВИНТ | KR | ![]() |
||
| 30 | 368587 | 1 | КРЫШКА | KR | |||
| 31 | 369008 | 1 | ЗАЩИТНЫЙ КОЖУХ | KR | ![]() |
||
| 32 | 370584 | 1 | ЗАЩИТНЫЙ КОЖУХ | KR | ![]() |
||
| 33 | 369002-13 | 1 | ЯРЛЫК ПРОИЗВОДИТЕЛЯ | FR (KS629) | KR | ||
| 33 | 369002-01 | 1 | ЯРЛЫК ПРОИЗВОДИТЕЛЯ | KR | |||
| 33 | 369002-05 | 1 | ЯРЛЫК ПРОИЗВОДИТЕЛЯ | XE | KR | ||
| 34 | 368375-01 | 1 | ОПОРА В СБОРЕ | KR | ![]() |
||
| 35 | 368857-00 | 1 | ЗАЖИМ | KR | ![]() |
||
| 36 | 376409 | 2 | ВИНТ | KR | ![]() |
||
| 37 | 369304-00 | 1 | БАШМАК В СБОРЕ | KR | ![]() |
||
| 39 | 747329 | 9 | ВИНТ | KR | ![]() |

