DW130 MIXER Type 2 | Drawings
Documents
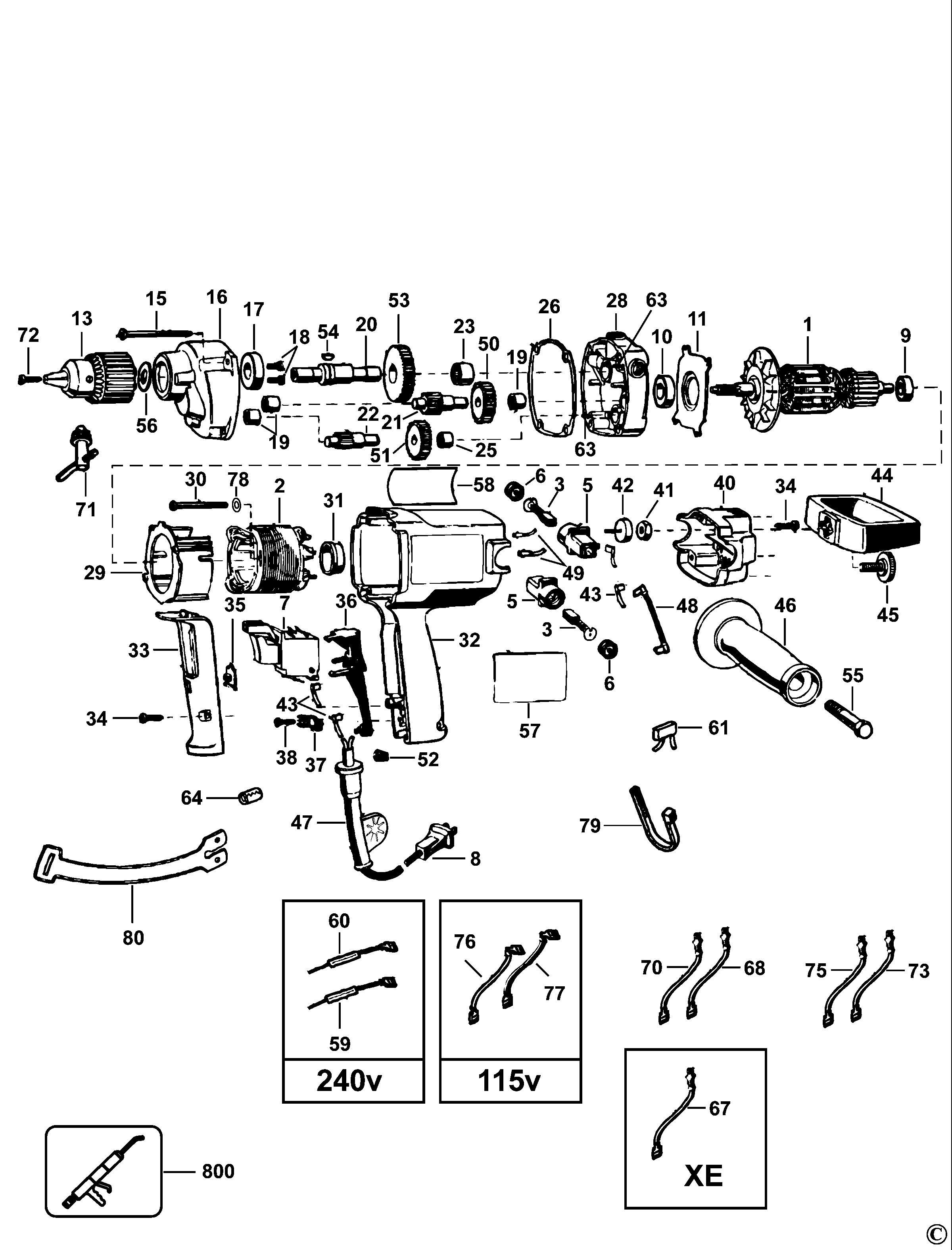
| Item No. | Product Number | Qty Per | Product Description | General Description | Other Info | Markets | Product Status |
|---|---|---|---|---|---|---|---|
| 1 | 450130-05SV | 1 | ARMATURE & FAN | 8 TEETH ; INC 9-11 | XE | ||
| 2 | 450379-00SV | 1 | FIELD | XE | |||
| 3 | 450374-12 | 2 | BRUSH & SPRING | XE | |||
| 5 | 448083-01 | 2 | BRUSHBOX SA | XE | |||
| 6 | 448084-01 | 2 | BRUSH CAP | XE | |||
| 7 | 88324-05 | 1 | SWITCH | Black | XE | ||
| 8 | 625975-00 | 1 | CORDSET | XE | |||
| 9 | 605040-20 | 1 | BEARING | 12 x 28 x 8mm | XE | ||
| 10 | 330003-04 | 1 | BEARING | XE | |||
| 11 | 448079-00 | 1 | PLATE | XE | |||
| 13 | 135514-00 | 1 | CHUCK | NPP | XE | ||
| 15 | 330019-30 | 4 | SCREW | XE | |||
| 16 | N763396 | 1 | GEARCASE SA | INC 19 | XE | ||
| 17 | 700964-00 | 1 | BEARING | XE | |||
| 18 | 052819-00 | 2 | SCREW | XE | |||
| 19 | 330004-02 | 3 | BEARING NEEDLE | XE | |||
| 20 | 147195-00 | 1 | SPINDLE | 5/8-16 THREAD | XE | ||
| 21 | 449489-00SV | 1 | GEAR & SPINDLE | INC 50 ; 17/37 TEETH | XE | ||
| 22 | 449486-00SV | 1 | GEAR & PINION | INC 51 ; 13/39 TEETH | XE | ||
| 23 | 135937-00 | 1 | BEARING | XE | |||
| 25 | 330004-27 | 1 | BEARING NEEDLE | XE | |||
| 26 | 450485-00 | 1 | GASKET | XE | |||
| 28 | 449483-00SV | 1 | COVER-GEAR CASE | INC 19, 23, 25, 63 | XE | ||
| 29 | 447786-00 | 1 | BAFFLE FAN | XE | |||
| 30 | 330019-18 | 2 | SCREW | M4.55 x 50 PLASTIC THD FMG | XE | ||
| 31 | 445217-02 | 1 | SLEEVE | XE | |||
| 32 | 392275-02 | 1 | FIELD CASE | XE | |||
| 33 | 392273-00 | 1 | HANDLE COVER | Date Code 0024 and later | XE | ||
| 33 | 5140004-80 | 1 | HANDLE & COVER | Date Code 0023 and earlier | XE | ||
| 34 | 330019-13 | 6 | SCREW | M4X19 T20 | XE | ||
| 36 | 449915-00 | 1 | SWITCH SUPPORT | XE | |||
| 37 | 86634-00 | 1 | CORD CLAMP | XE | |||
| 38 | 330019-03 | 2 | SCREW | XE | |||
| 40 | 449492-02 | 1 | END CAP | XE | |||
| 41 | 99371-06 | 1 | NUT | XE | |||
| 42 | 449700-00 | 1 | CAP | XE | |||
| 44 | 628037-00 | 1 | Handle | XE | |||
| 45 | 382531-00 | 1 | KNOB | XE | |||
| 46 | 625712-00 | 1 | SIDE HANDLE | XE | |||
| 47 | 330005-01 | 1 | CORD PROTECTOR | XE | |||
| 49 | 448172-00 | 2 | TERMINAL | XE | |||
| 50 | 449490-00 | 1 | GEAR | 37 TEETH | XE | ||
| 51 | 449487-00 | 1 | GEAR | 39 TEETH | XE | ||
| 53 | 400147-00 | 1 | GEAR | 50 TEETH | XE | ||
| 54 | 007027-00 | 1 | KEY | XE | |||
| 55 | 99173-36 | 1 | SCREW | XE | |||
| 56 | 147196-00 | 1 | WASHER | XE | |||
| 57 | 627212-00 | 1 | BRAND LABEL | DEWALT | XE | ||
| 58 | 387768-01 | 1 | RATING PLATE | XE | |||
| 59 | 146975-00SV | 1 | CHOKE | XE | |||
| 60 | 146975-00SV | 1 | CHOKE | XE | |||
| 61 | 135107-05 | 1 | CAPACITOR | XE | |||
| 62 | 146459-00 | 2 | TERMINAL | XE | |||
| 63 | 091286-00 | 2 | PIN | XE | |||
| 64 | 444262-00 | 2 | TERMINAL | CABLE CRIMP | XE | ||
| 65 | 135110-00 | 2 | TERMINAL | XE | |||
| 66 | 136086-02 | 4 | TERMINAL | XE | |||
| 67 | 146958-00SV | 1 | LEAD & TERMINAL | XE | |||
| 68 | 146957-01 | 1 | LEAD BLACK | INC 49, 66 | XE | ||
| 70 | 146957-00 | 1 | LEAD RED | INC 49, 66 | XE | ||
| 71 | 330034-03 | 1 | CHUCK KEY | XE | |||
| 72 | 447735-02 | 1 | SCREW | XE | |||
| 73 | 146976-00 | 1 | LEAD BLUE | INC 62, 74 | XE | ||
| 74 | 136086-00 | 2 | TERMINAL | XE | |||
| 75 | 146956-00 | 1 | LEAD WHITE | INC 62, 74 | XE | ||
| 80 | 065288-01 | 1 | HOLDER CHUCK KEY | XE | |||
| 800 | 429698-00 | 1 | GREASE | BD-L 2 | XE |