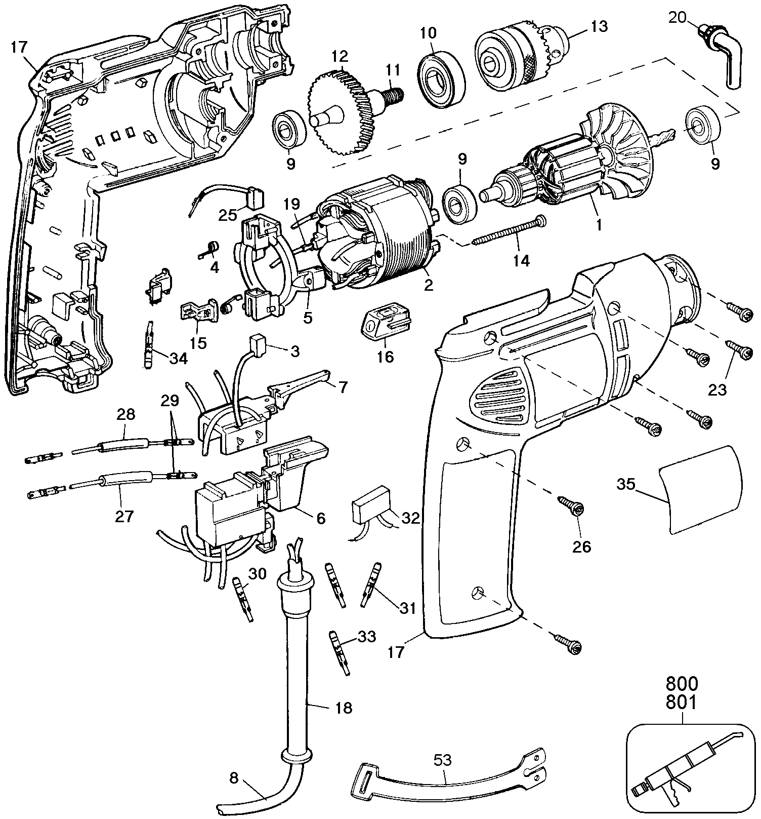
1166-45 3/8 VSR DRILL Type 100 | Drawings

Documents

Click for part information Click for part information Click for part information Click for part information Click for part information Click for part information Click for part information Click for part information Click for part information Click for part information Click for part information Click for part information Click for part information Click for part information Click for part information Click for part information Click for part information Click for part information Click for part information Click for part information Click for part information Click for part information Click for part information Click for part information Click for part information Click for part information Click for part information Click for part information Click for part information Click for part information Click for part information Click for part information Click for part information Click for part information Click for part information Click for part information Click for part information Click for part information
Item No. Product Number Qty Per Product Description General Description Other Info Markets Product Status