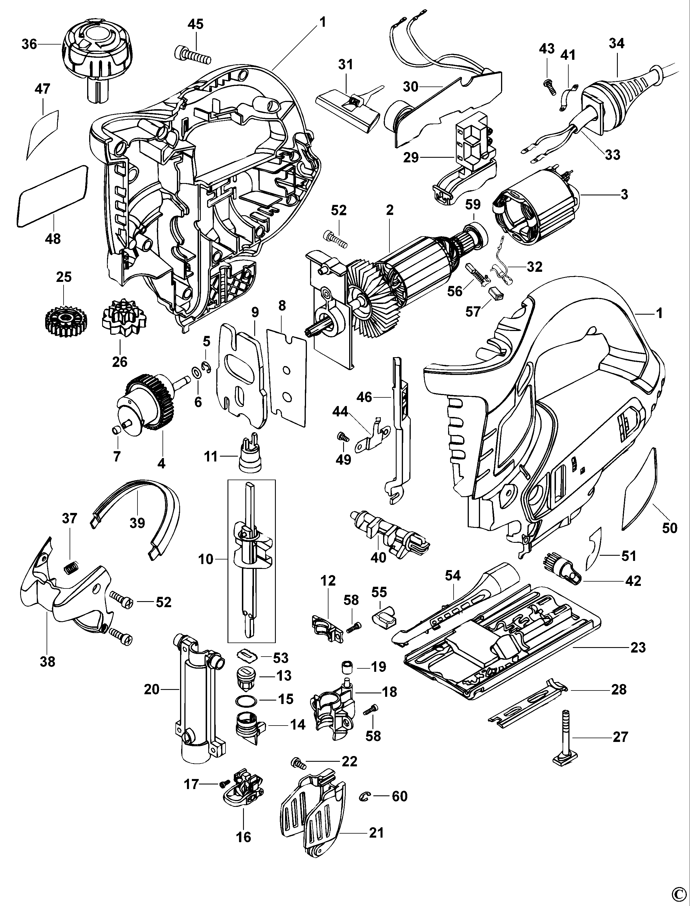
KS2005EK JIGSAW Type 1 | Drawings
Documents

Item No. | Product Number | Qty Per | Product Description | General Description | Other Info | Markets | Product Status |
---|---|---|---|---|---|---|---|
1 | 583413-02 | 1 | CLAMSHELL SET | GB | ![]() |
||
2 | 585803-00 | 1 | ARMATURE SA | 230V | GB | ![]() |
|
3 | 583820-06 | 1 | FIELD SA | 230V | GB | ![]() |
|
4 | 585805-00 | 1 | GEAR SA | GB | ![]() |
||
5 | 588592-00 | 1 | LOCKING RING | GB | ![]() |
||
6 | 588593-00 | 1 | WASHER | GB | ![]() |
||
7 | 583464-01 | 1 | DRIVE ROLLER | from 16-08-2004 | GB | ![]() |
|
7 | 583464-00 | 1 | DRIVE ROLLER | up to 16-08-2004 | GB | ![]() |
|
8 | 585809-00 | 1 | THRUST PLATE | GB | ![]() |
||
9 | 583419-00 | 1 | BALANCE WEIGHT | GB | ![]() |
||
10 | 583427-00 | 1 | SHAFT SA | up to 16-08-2004 | GB | ![]() |
|
10 | 583427-01 | 1 | SHAFT SA | from 16-08-2004 | GB | ![]() |
|
11 | 583422-00 | 1 | BEARING | GB | ![]() |
||
12 | 583567-00 | 1 | CLAMP | GB | ![]() |
||
13 | 583677-00 | 1 | BEARING | GB | ![]() |
||
14 | 583425-00 | 1 | BEARING | GB | ![]() |
||
15 | 585388-00 | 1 | O RING | GB | ![]() |
||
16 | 582593-00 | 1 | BLADE CLAMP | GB | ![]() |
||
17 | 583173-00 | 2 | SCREW | GB | ![]() |
||
18 | 583430-00 | 1 | CLAMP SA | GB | ![]() |
||
19 | 583423-00 | 1 | FOLLOWER | GB | ![]() |
||
20 | 583421-00 | 1 | CARRIER | GB | ![]() |
||
21 | 583432-00 | 1 | BLADE SUPPORT SA | GB | ![]() |
||
22 | 590341-00 | 1 | SCREW | GB | ![]() |
||
23 | 585391-00 | 1 | SHOE SA | GB | ![]() |
||
25 | 582768-00 | 1 | GEAR SA | GB | ![]() |
||
26 | 582601-00 | 1 | ACTUATOR | GB | ![]() |
||
27 | 586927-00 | 1 | LOCKING SCREW | GB | ![]() |
||
28 | 583657-00 | 1 | SUPPORT BRACKET | GB | ![]() |
||
29 | 585385-00 | 1 | SWITCH SA | GB | ![]() |
||
30 | 583508-00 | 1 | PCB SA | GB | ![]() |
||
31 | 585386-00 | 1 | ACTUATOR | GB | ![]() |
||
32 | 582762-00 | 2 | CHOKE LEAD SA | GB | ![]() |
||
33 | 330060-53 | 1 | CORDSET | GB | ![]() |
||
34 | 582722-00 | 1 | CORD PROTECTOR | GB | ![]() |
||
36 | 583434-00 | 1 | KNOB SA | GB | ![]() |
||
37 | 590096-00 | 1 | SPRING | GB | ![]() |
||
38 | 583455-00 | 1 | CASTING | GB | ![]() |
||
39 | 583454-00 | 1 | CASTING | GB | ![]() |
||
40 | 583452-00 | 1 | CAM | GB | ![]() |
||
41 | 380414-00 | 1 | CORD CLAMP | GB | ![]() |
||
42 | 583451-00 | 1 | SELECTOR | GB | ![]() |
||
43 | 370748 | 2 | SCREW | GB | ![]() |
||
44 | 583450-00 | 1 | RETAINER | GB | ![]() |
||
45 | 809961 | 10 | SCREW | GB | |||
46 | 583449-00 | 1 | LOCK | GB | ![]() |
||
47 | 586220-01 | 1 | LABEL | RHS TURN 360 | GB | ![]() |
|
48 | 90556680 | 1 | RATING PLATE | GB | ![]() |
||
49 | 330019-48 | 2 | SCREW | GB | ![]() |
||
50 | 586219-01 | 1 | LABEL | LHS TURNS 360 | GB | ![]() |
|
51 | 585383-01 | 1 | LABEL | GB | ![]() |
||
52 | 330013-11 | 6 | SCREW | GB | ![]() |
||
53 | 583678-00 | 1 | FELT SEAL | GB | ![]() |
||
54 | 586068-00 | 1 | VACUUM ADAPTOR | GB | ![]() |
||
55 | 582732-00 | 1 | ELBOW TUBE | GB | ![]() |
||
56 | 582761-00 | 2 | BRUSH & SPRING 230V | GB | ![]() |
||
57 | 582696-00 | 2 | BRUSHBOX | GB | ![]() |
||
58 | 812171 | 4 | SCREW | GB | ![]() |
||
59 | 574853-08 | 1 | BEARING | GB | ![]() |
||
60 | 587375-00 | 1 | LOCKING RING | GB | ![]() |