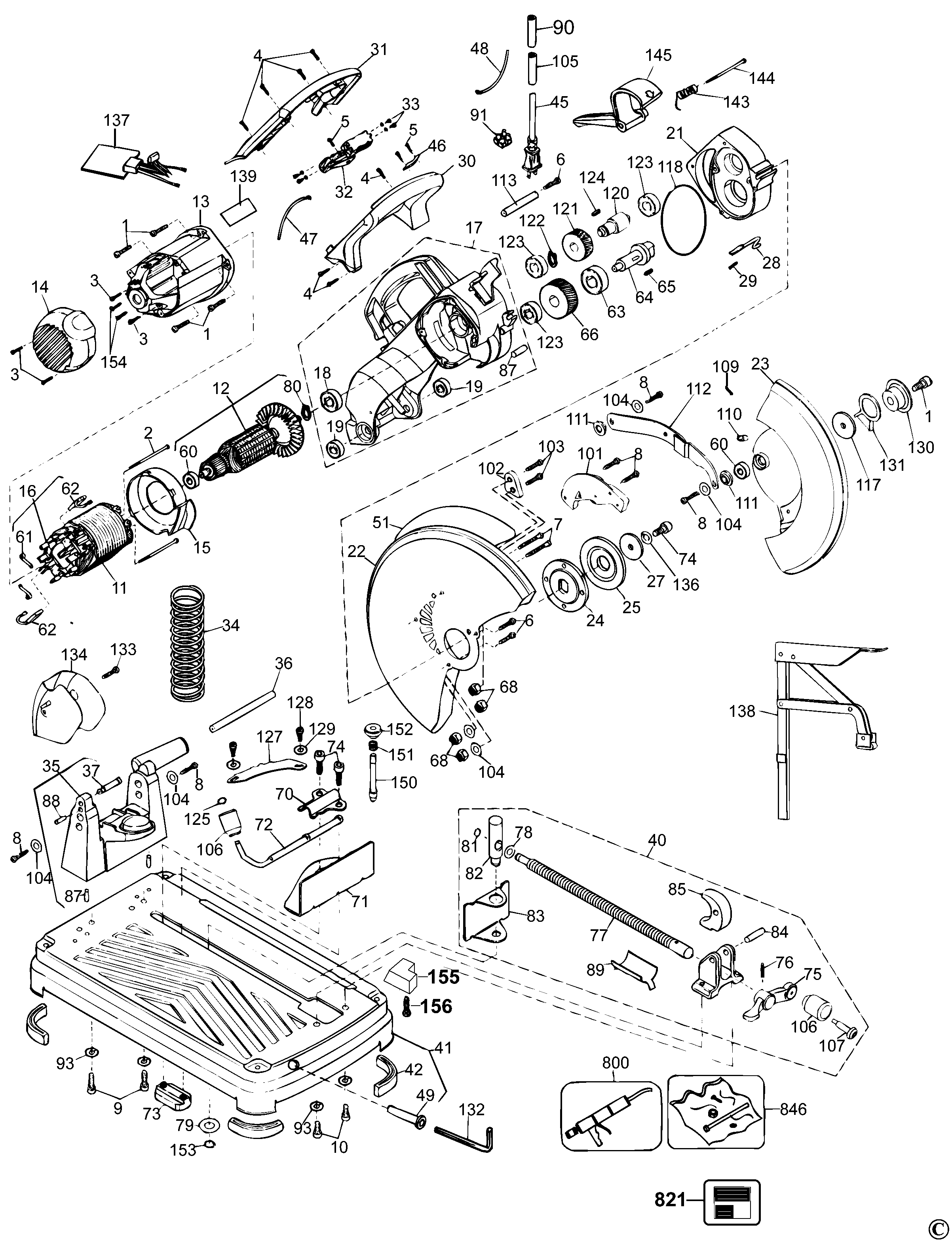
DW872 CHOP SAW - METAL CUTTING Type 2 | Drawings
Documents

Item No. | Product Number | Qty Per | Product Description | General Description | Other Info | Markets | Product Status |
---|---|---|---|---|---|---|---|
1 | 330045-16 | 5 | SCREW | B4 | ![]() |
||
2 | 330019-33 | 2 | SCREW | B4 | ![]() |
||
3 | 330019-13 | 4 | SCREW | M4X19 T20 | B4 | ![]() |
|
4 | 330019-14 | 7 | SCREW | B4 | ![]() |
||
5 | 330019-02 | 3 | SCREW | B4 | ![]() |
||
6 | 330045-50 | 4 | SCREW | B4 | ![]() |
||
7 | 330045-51 | 2 | SCREW | B4 | ![]() |
||
8 | 330045-49 | 6 | SCREW | B4 | ![]() |
||
9 | 098123-25 | 2 | SCREW | B4 | ![]() |
||
10 | 098123-16 | 2 | SCREW | B4 | ![]() |
||
11 | 383170-04 | 1 | FIELD 115V | B4 | ![]() |
||
12 | 383652-06 | 1 | ARMATURE 115V | B4 | |||
13 | 383151-00 | 1 | FIELDCASE SA | B4 | ![]() |
||
14 | 392284-00 | 1 | END CAP | B4 | ![]() |
||
15 | 383167-00 | 1 | BAFFLE FAN | B4 | ![]() |
||
16 | 383685-00 | 1 | BRUSH PLATE SA | B4 | ![]() |
||
17 | 386628-00 | 1 | GEARCASE SA | B4 | ![]() |
||
18 | 868768-07 | 1 | BEARING | B4 | ![]() |
||
19 | 330003-64 | 1 | BEARING | ID 12 x OD 28 x 8mm | B4 | ![]() |
|
21 | 385286-01 | 1 | GEARCASE COVER | B4 | ![]() |
||
22 | 383164-02 | 1 | GUARD UPPER | B4 | ![]() |
||
23 | 388432-00 | 1 | GUARD LOWER | B4 | ![]() |
||
24 | 607173-00 | 1 | INNER FLANGE | B4 | ![]() |
||
25 | 395925-00 | 1 | OUTER FLANGE | B4 | ![]() |
||
27 | 396972-00 | 1 | WASHER | B4 | ![]() |
||
28 | 387544-00 | 1 | LOCKING PIN | B4 | ![]() |
||
29 | 384716-00 | 1 | SPRING | B4 | ![]() |
||
30 | 621514-01 | 1 | SERVICE KIT | B4 | |||
31 | 383160-00 | 1 | HANDLE COVER | B4 | ![]() |
||
32 | 621514-01 | 1 | SERVICE KIT | B4 | |||
33 | 387746-00 | 4 | SCREW | M3.5x0.6x7.5 W/LOCKW | B4 | ![]() |
|
34 | 387282-00 | 1 | SPRING | B4 | ![]() |
||
35 | 388431-00 | 1 | PIVOT | B4 | ![]() |
||
36 | 383118-00 | 1 | PIN | B4 | ![]() |
||
37 | 383148-00 | 1 | LOCKING PIN | B4 | ![]() |
||
40 | 395929-00 | 1 | CLAMP SA | B4 | ![]() |
||
41 | 606269-00 | 1 | BASE SA | B4 | ![]() |
||
42 | 383243-00 | 4 | FOOT | B4 | ![]() |
||
45 | 386117-00 | 1 | CABLE | B4 | ![]() |
||
46 | 386540-00 | 1 | CORD CLAMP | B4 | ![]() |
||
47 | 384762-00 | 1 | LEAD | B4 | |||
48 | 386515-00 | 1 | LEAD | B4 | |||
49 | 386765-00 | 1 | HOLDER TOOL | B4 | ![]() |
||
51 | 397340-00 | 1 | BRAND LABEL | B4 | ![]() |
||
60 | 330003-17 | 1 | BEARING | B4 | |||
61 | 384612-00 | 2 | SPRING | B4 | ![]() |
||
62 | 384613-00 | 2 | BRUSH 120V | GB 115V | B4 | ![]() |
|
63 | 330003-49 | 1 | BEARING | B4 | ![]() |
||
64 | 395842-00 | 1 | SPINDLE | B4 | ![]() |
||
65 | 382675-01 | 1 | WOODRUFF KEY | B4 | ![]() |
||
66 | 382680-00 | 1 | GEAR | B4 | ![]() |
||
68 | 148641-00 | 4 | LOCK NUT | B4 | ![]() |
||
70 | 391459-00 | 1 | PLATE LOCK | B4 | ![]() |
||
71 | 395930-01 | 1 | FENCE SA | B4 | ![]() |
||
72 | 395930-01 | 1 | FENCE SA | B4 | ![]() |
||
73 | 383254-00 | 1 | BLOCK | B4 | ![]() |
||
74 | 383450-00 | 3 | SCREW | B4 | ![]() |
||
75 | 389658-00 | 1 | HANDLE | B4 | ![]() |
||
76 | 330036-15 | 1 | ROLLPIN | B4 | ![]() |
||
77 | 398475-00 | 1 | SPINDLE | B4 | ![]() |
||
78 | 384365-00 | 1 | WASHER | B4 | ![]() |
||
79 | 607592-00 | 1 | WASHER | B4 | ![]() |
||
80 | 144803-00 | 2 | CIRCLIP | B4 | ![]() |
||
81 | 383169-00 | 1 | CIRCLIP | B4 | ![]() |
||
82 | 603988-00 | 1 | PIN | B4 | ![]() |
||
83 | 607278-00 | 1 | VICE JAW | B4 | ![]() |
||
84 | 386525-01 | 1 | DOWEL | B4 | ![]() |
||
85 | 398474-00 | 1 | LOCKING DEVICE | B4 | ![]() |
||
87 | 386525-00 | 5 | DOWEL | B4 | ![]() |
||
88 | 033055-00 | 1 | PLUG | B4 | ![]() |
||
89 | 383451-00 | 1 | SADDLE | B4 | ![]() |
||
90 | 386998-00 | 1 | TUBE | B4 | ![]() |
||
91 | 320078-00 | 1 | TERMINAL BLOCK | B4 | ![]() |
||
93 | 098197-09 | 4 | WASHER | B4 | ![]() |
||
101 | 388046-00 | 1 | MOUNT | B4 | ![]() |
||
102 | 388041-00 | 1 | PLATEN | B4 | ![]() |
||
103 | 098013-16 | 2 | SCREW | B4 | ![]() |
||
104 | 388354-00 | 6 | WASHER | B4 | ![]() |
||
105 | 386491-00 | 1 | SLEEVE | B4 | ![]() |
||
106 | 390567-00 | 2 | KNOB | B4 | ![]() |
||
107 | 395240-00 | 1 | SCREW | B4 | ![]() |
||
109 | 388056-00 | 1 | SPRING | B4 | ![]() |
||
110 | 388048-00 | 1 | STOP RUBBER | B4 | ![]() |
||
111 | 388049-00 | 2 | SLEEVE | B4 | ![]() |
||
112 | 388055-00 | 1 | LINK | B4 | ![]() |
||
113 | 388434-00 | 1 | SPACER | B4 | ![]() |
||
117 | 383154-00 | 1 | WASHER PLASTIC | B4 | ![]() |
||
118 | 391485-00 | 1 | O RING | B4 | ![]() |
||
120 | 382682-00 | 1 | PINION | B4 | ![]() |
||
121 | 386277-00 | 1 | GEAR | B4 | ![]() |
||
122 | 045012-00 | 1 | RETAINER | B4 | ![]() |
||
123 | 605040-20 | 3 | BEARING | 12 x 28 x 8mm | B4 | ![]() |
|
124 | 382675-00 | 1 | KEY | B4 | ![]() |
||
125 | 37653-00 | 1 | CIRCLIP | B4 | |||
127 | 390570-00 | 1 | PLATE THRUST | B4 | |||
128 | 330045-04 | 2 | SCREW.TEMP | M4x0.7x6 MTL THD FMG | B4 | ||
129 | 330016-01 | 2 | WASHER | B4 | ![]() |
||
130 | 391039-00 | 1 | RETAINING PLATE | B4 | ![]() |
||
131 | 389894-00 | 1 | COVER | B4 | ![]() |
||
132 | 384717-00 | 1 | WRENCH | B4 | ![]() |
||
133 | 330045-23 | 1 | SCREW | B4 | ![]() |
||
134 | 390096-00 | 1 | DEFLECTOR | B4 | ![]() |
||
136 | 98197-07 | 1 | WASHER LOCK | B4 | |||
137 | 393465-01 | 1 | MODULE | GB 115V | B4 | ![]() |
|
138 | 391526-00 | 1 | CLAMP | B4 | ![]() |
||
139 | 394188-00 | 1 | WARNING LABEL | B4 | ![]() |
||
143 | 383171-00 | 1 | SPRING | B4 | ![]() |
||
144 | 383172-00 | 1 | BOLT | B4 | ![]() |
||
145 | 388051-00 | 1 | LEVER LOCK | B4 | ![]() |
||
150 | 395930-01 | 1 | FENCE SA | B4 | ![]() |
||
151 | 395930-01 | 1 | FENCE SA | B4 | ![]() |
||
152 | 395848-00 | 1 | CAP | B4 | |||
153 | 398605-00 | 1 | RETAINER | B4 | ![]() |
||
154 | 562097-10 | 2 | SCREW | B4 | ![]() |
||
155 | 390839-00 | 1 | STOP RUBBER | B4 | ![]() |
||
156 | 330045-49 | 1 | SCREW | B4 | ![]() |
||
800 | 583534-00 | 1 | GREASE | 50 GRAMS - NYE RHEOLUB 380G1 | B4 | ![]() |
|
846 | 395833-00 | 1 | CLAMP | PRISM | B4 | ![]() |