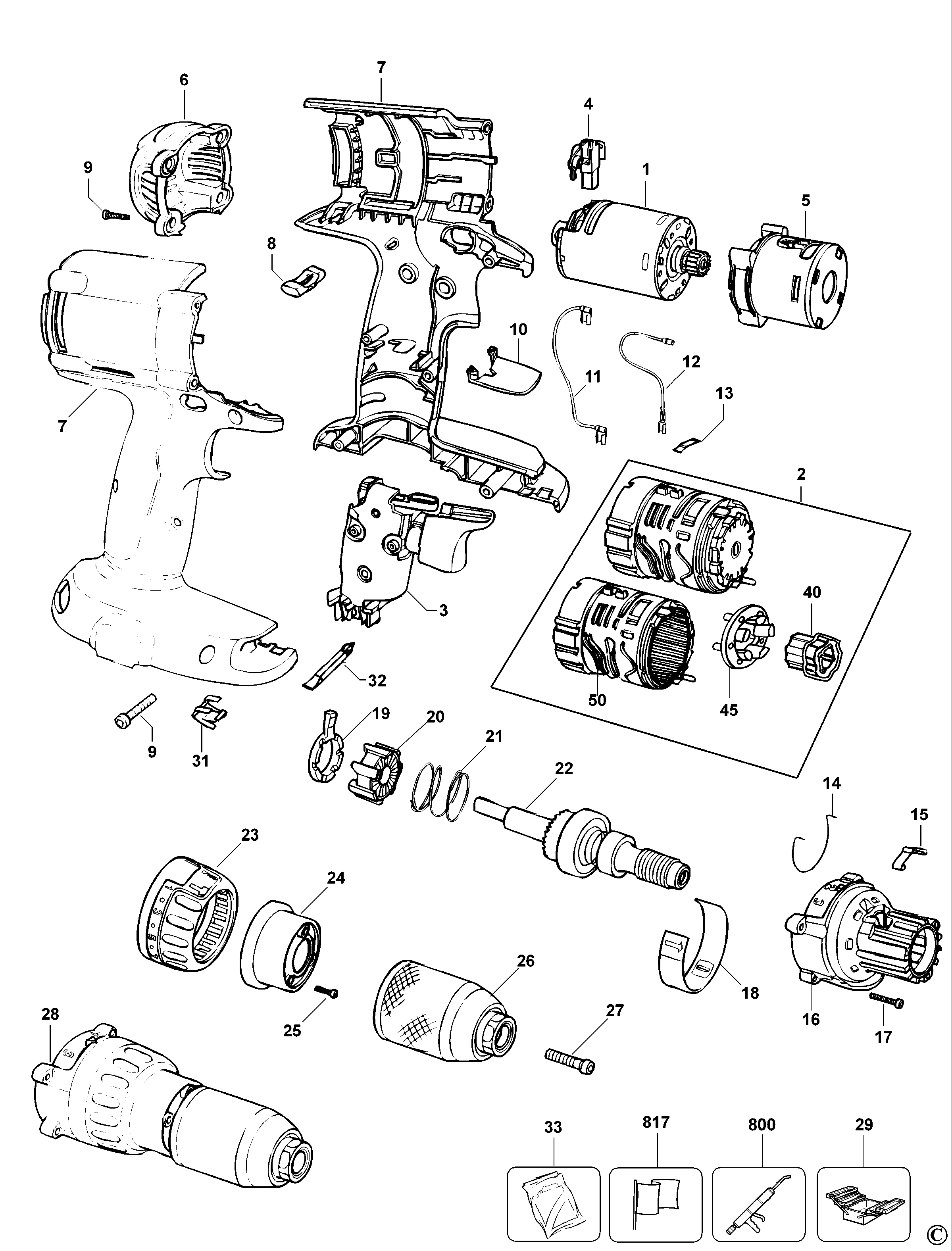
DW984 CORDLESS DRILL Type 11 | Drawings
Documents

Item No. | Product Number | Qty Per | Product Description | General Description | Other Info | Markets | Product Status |
---|---|---|---|---|---|---|---|
1 | 579724-04 | 1 | MOTOR & PINION | GB | ![]() |
||
2 | 583013-00 | 1 | GEARBOX SA | GB | ![]() |
||
3 | 368832-09 | 1 | SWITCH SA | GB | ![]() |
||
4 | 493511-00 | 1 | BRUSH PAIR | GB | ![]() |
||
5 | 394514-01 | 1 | ADAPTOR | GB | ![]() |
||
6 | 394513-00 | 1 | END CAP | GB | ![]() |
||
7 | 394511-01 | 1 | CLAMSHELL | GB | ![]() |
||
8 | 394517-00 | 1 | LEVER | GB | ![]() |
||
9 | 682211-00 | 9 | SCREW | GB | ![]() |
||
10 | 603529-00 | 1 | GUIDE | GB | ![]() |
||
11 | 398978-00 | 1 | LEADWIRE | GB | ![]() |
||
12 | 398979-01 | 1 | LEADWIRE | GB | ![]() |
||
13 | 608060-00 | 1 | DETENT | GB | ![]() |
||
14 | 399059-00 | 1 | SPRING | GB | ![]() |
||
15 | 395460-00 | 1 | SPRING GUIDE | GB | ![]() |
||
16 | 613767-01 | 1 | GEARCASE | GB | ![]() |
||
17 | 330019-49 | 4 | SCREW | GB | ![]() |
||
18 | 394518-01 | 1 | SHROUD | GB | ![]() |
||
19 | 394545-00 | 1 | CAM | GB | |||
20 | 394542-00 | 1 | RATCHET FIXED | GB | ![]() |
||
21 | 394546-00 | 1 | SPRING | GB | ![]() |
||
22 | 579726-00 | 1 | SPINDLE SA | GB | ![]() |
||
23 | 604643-00 | 1 | COLLAR | GB | ![]() |
||
24 | 609189-00 | 1 | END CAP | GB | ![]() |
||
25 | 330045-53 | 3 | SCREW | GB | ![]() |
||
26 | N242399 | 1 | CHUCK KEYLESS | GB | ![]() |
||
27 | 605256-02 | 1 | SCREW | GB | ![]() |
||
28 | 579728-00 | 1 | REPAIR KIT | GB | ![]() |
||
29 | 559661-99 | 1 | S.T.CHUCK REMOVAL JIG | GB | ![]() |
||
29 | 559697-99 | 1 | S.T.INSERT | GB | ![]() |
||
31 | 148354-03 | 1 | HOLDER | GB | ![]() |
||
32 | 297757-02 | 1 | BIT PHILLIPS | GB | ![]() |
||
33 | 479938-00 | 1 | REPAIR KIT | GB | ![]() |
||
40 | 394532-00 | 1 | ANVIL | GB | ![]() |
||
45 | 397302-00 | 1 | CARRIER SA | GB | ![]() |
||
50 | 394522-02 | 1 | HOUSING | GB | ![]() |
||
800 | 808386-00 | 1 | GREASE | MOLYKOTE G68 100GMS | GB | ![]() |
|
817 | 578037-00 | 1 | BRAND LABEL | GB | ![]() |