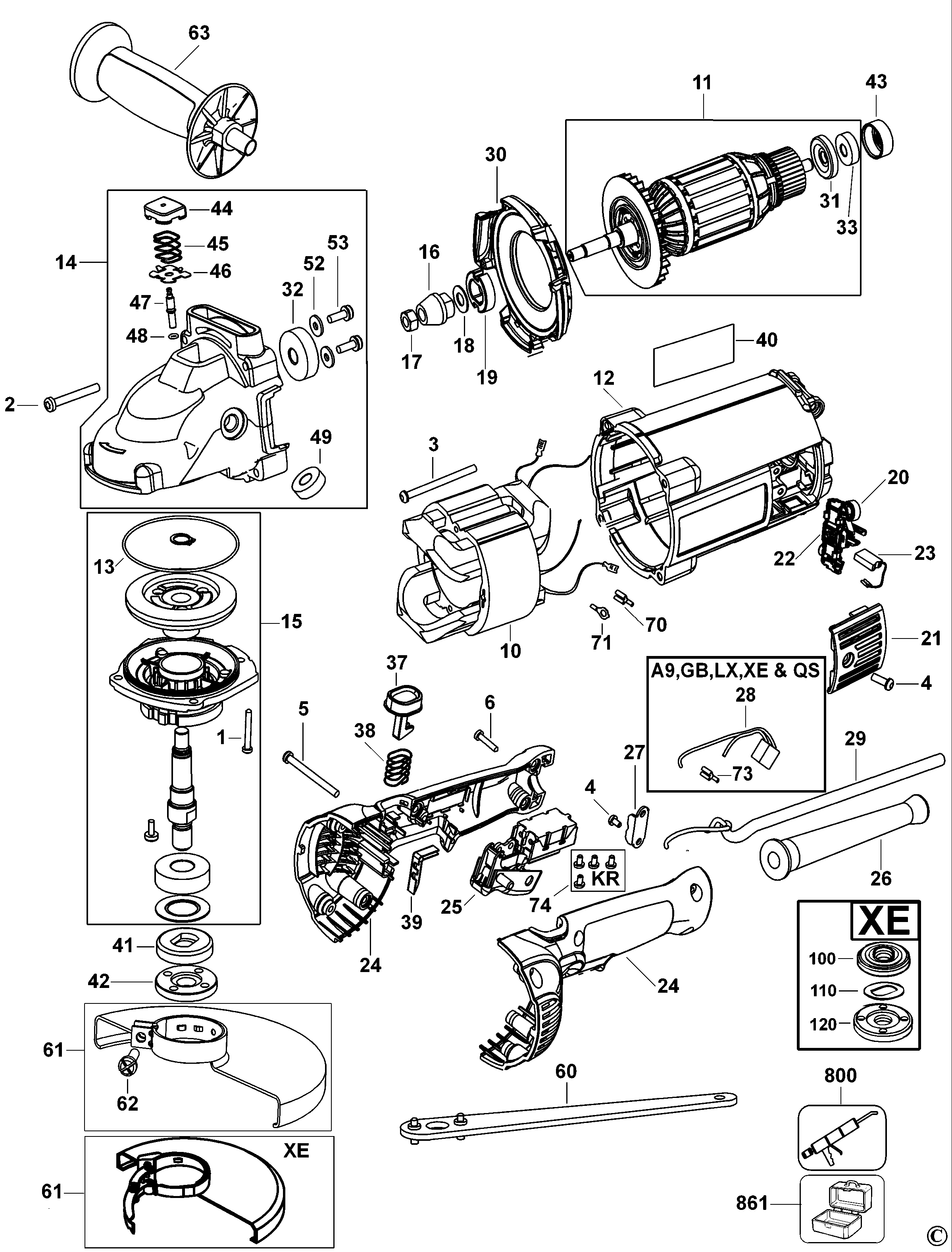
D28492 ANGLE GRINDER Type 1 | Drawings
Documents

Item No. | Product Number | Qty Per | Product Description | General Description | Other Info | Markets | Product Status |
---|---|---|---|---|---|---|---|
1 | 330045-14 | 4 | SCREW | GB | ![]() |
||
2 | 330019-26 | 4 | SCREW | GB | ![]() |
||
3 | 330019-19 | 2 | SCREW | GB | ![]() |
||
4 | 330019-11 | 6 | SCREW | M4.55x13 T20 | GB | ![]() |
|
5 | 330019-50 | 3 | SCREW | M4.55x50 PLASTIC THD FMG | GB | ![]() |
|
6 | 330019-32 | 4 | SCREW | GB | ![]() |
||
10 | 617004-06 | 1 | FIELD 230V | 230V | GB | ||
11 | N467980 | 1 | ARMATURE SA | GB | ![]() |
||
12 | 393239-01 | 1 | FIELD CASE | GB | ![]() |
||
13 | 397031-00 | 1 | O RING | GB | ![]() |
||
14 | N074214 | 1 | GEARCASE SA | GB | ![]() |
||
15 | 638003-00 | 1 | GEARCASE COVER SA | GB | ![]() |
||
16 | 629729-00 | 1 | PINION | 6K | GB | ![]() |
|
17 | 330015-03 | 1 | NUT | M8x1.25 | GB | ![]() |
|
18 | 639681-00 | 1 | WASHER | PINION | GB | ![]() |
|
19 | 632702-00 | 1 | COLLAR | GB | ![]() |
||
20 | 645650-00 | 2 | BRUSH SPRING | GB | ![]() |
||
21 | 394387-01 | 2 | BRUSH COVER | GB | ![]() |
||
22 | 645649-00 | 2 | BRUSH HOLDER | GB | ![]() |
||
23 | 585041-00 | 1 | BRUSH PAIR 230V | GB | ![]() |
||
24 | 636499-00 | 1 | HANDLE & COVER | GB | ![]() |
||
25 | 636500-00 | 1 | SWITCH | GB | ![]() |
||
26 | 604118-00 | 1 | CORD PROTECTOR | GB | ![]() |
||
27 | 604119-00 | 1 | CORD CLAMP | GB | ![]() |
||
28 | 632218-00 | 1 | CAPACITOR | GB | ![]() |
||
29 | 562226-67 | 1 | CORDSET | GB | ![]() |
||
30 | 631350-00 | 1 | BAFFLE | GB | ![]() |
||
31 | 393238-00 | 1 | SHIELD | GB | ![]() |
||
32 | N389509 | 1 | BEARING | GB | ![]() |
||
33 | 330003-60 | 1 | BEARING | GB | ![]() |
||
37 | 636503-00 | 1 | BUTTON LOCK-OFF | GB | ![]() |
||
38 | 636502-00 | 1 | SPRING | GB | ![]() |
||
39 | 641929-00 | 1 | COVER | GB | ![]() |
||
40 | 644248-00 | 1 | RATING PLATE | D28492-GB TY1 | GB | ![]() |
|
41 | 403150-01 | 1 | INNER FLANGE | GB | ![]() |
||
42 | 401678-05 | 1 | OUTER FLANGE | GB | ![]() |
||
43 | 609970-00 | 1 | SLEEVE INSULATING | GB | ![]() |
||
44 | 630553-00 | 1 | CAP | GB | ![]() |
||
45 | 638328-00 | 1 | SPRING | GB | ![]() |
||
46 | 635908-00 | 1 | RETAINER | GB | ![]() |
||
47 | 634589-00 | 1 | PIN | GB | ![]() |
||
48 | 750831 | 1 | O RING | GB | ![]() |
||
52 | 640591-00 | 2 | WASHER | GB | ![]() |
||
53 | 330045-67 | 2 | SCREW | GB | ![]() |
||
60 | 635261-00 | 1 | WRENCH PIN | GB | ![]() |
||
61 | N036839 | 1 | GUARD SA | KEYED | GB | ![]() |
|
62 | 330024-23 | 1 | SCREW | M8x1.25x30 | GB | ![]() |
|
63 | 613777-00 | 1 | SIDE HANDLE | D28492AV | GB | ![]() |
|
63 | 651858-01 | 1 | SIDE HANDLE | D28492 | GB | ![]() |
|
70 | 612273-00 | 2 | TERMINAL | GB | ![]() |
||
71 | 610057-00 | 2 | TERMINAL | GB | ![]() |
||
73 | 053650-00 | 1 | TERMINAL | GB | ![]() |
||
800 | 583534-00 | 1 | GREASE | 50 GRAMS - NYE RHEOLUB 380G1 | GB | ![]() |
|
800 | 583534-00 | 1 | GREASE | 50 GRAMS - NYE RHEOLUB 380G1 | GB | ![]() |
|
861 | 644490-00 | 1 | KITBOX | GB | ![]() |