AST6 SMALL ANGLE GRINDER Type 3 | Drawings
Documents

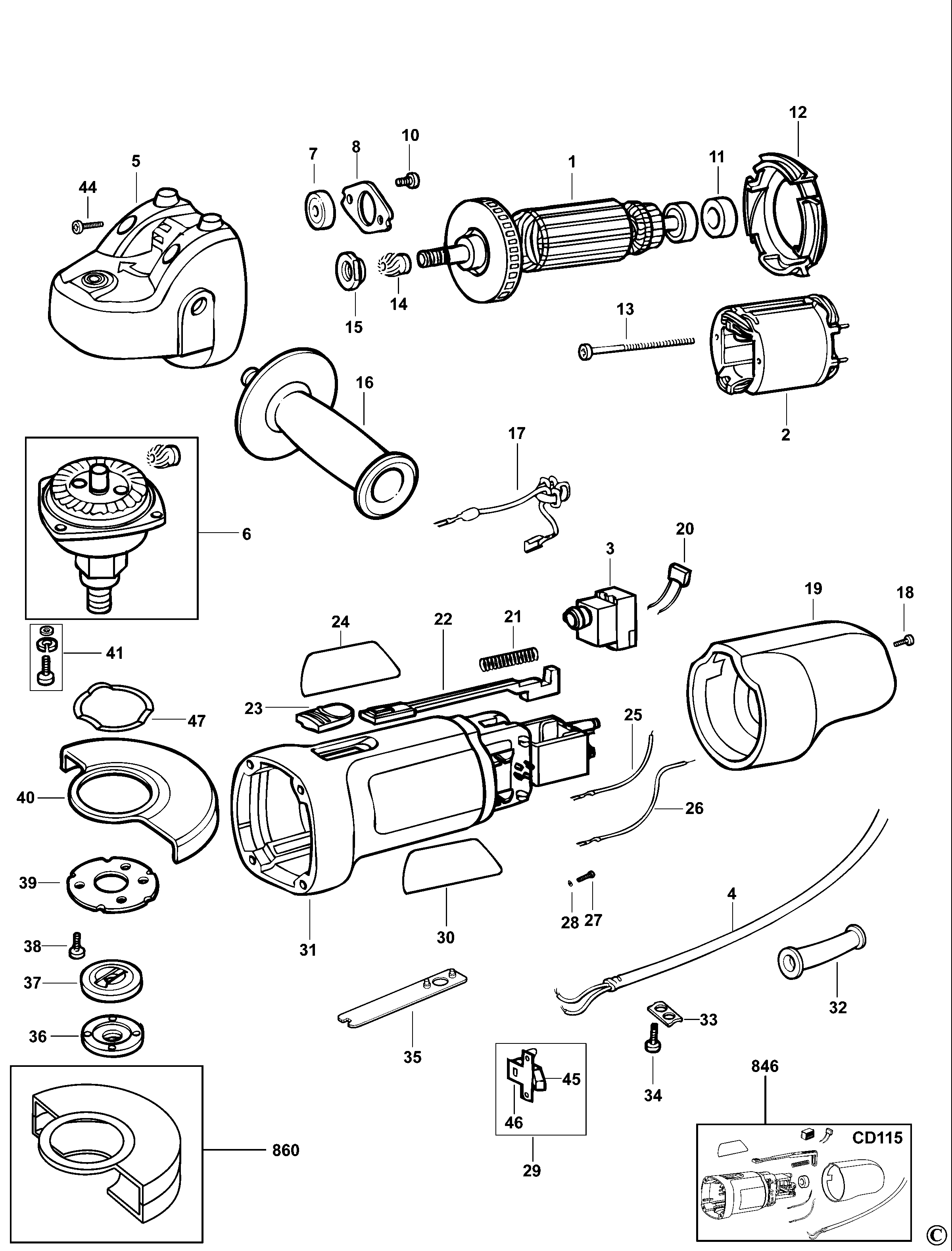
Item No. | Product Number | Qty Per | Product Description | General Description | Other Info | Markets | Product Status |
---|---|---|---|---|---|---|---|
1 | 1004001-00 | 1 | ARMATURE SA | B5 | ![]() |
||
2 | 1004002-00 | 1 | FIELD | B5 | ![]() |
||
3 | 569159-00 | 1 | SWITCH SA | B5 | ![]() |
||
4 | 569160-00 | 1 | CORDSET | B5 | ![]() |
||
5 | 569164-00 | 1 | GEARCASE SA | B5 | ![]() |
||
6 | 1004504-01 | 1 | SPINDLE SA | B5 | ![]() |
||
7 | 569167-00 | 1 | BEARING | B5 | ![]() |
||
8 | 569168-00 | 1 | COVERPLATE | B5 | ![]() |
||
10 | 569170-00 | 2 | SCREW | B5 | ![]() |
||
11 | 569171-00 | 1 | COVER BEARING | B5 | ![]() |
||
12 | 5140070-65 | 1 | BAFFLE | B5 | ![]() |
||
13 | 569173-00 | 2 | SCREW | B5 | ![]() |
||
14 | 569174-00 | 1 | PINION | B5 | ![]() |
||
15 | 569175-00 | 1 | NUT | B5 | ![]() |
||
16 | 569176-00 | 1 | HANDLE SA | B5 | ![]() |
||
17 | 569177-00 | 2 | LEAD SA | B5 | ![]() |
||
18 | 569178-00 | 1 | SCREW | B5 | ![]() |
||
19 | 6010116-19 | 1 | COVER REAR | B5 | ![]() |
||
20 | 569180-00 | 1 | CAPACITOR | B5 | ![]() |
||
21 | 569181-00 | 1 | SPRING | B5 | ![]() |
||
22 | 569182-00 | 1 | ROD | B5 | ![]() |
||
23 | 569183-00 | 1 | KNOB | B5 | ![]() |
||
25 | 569186-00 | 1 | LEAD 90MM | B5 | ![]() |
||
26 | 569187-00 | 1 | LEAD 120MM BLACK | B5 | ![]() |
||
27 | 569188-00 | 4 | SCREW | B5 | ![]() |
||
28 | 569189-00 | 4 | WASHER | B5 | ![]() |
||
29 | 569190-00 | 2 | BRUSHBOX SA | B5 | ![]() |
||
30 | 90531651 | 1 | LABEL | B5 | ![]() |
||
31 | 6010116-31 | 1 | FIELD CASE | B5 | ![]() |
||
32 | 569194-00 | 1 | PROTECTOR | B5 | ![]() |
||
33 | 569195-00 | 1 | CABLE CLAMP | B5 | ![]() |
||
34 | 569196-00 | 2 | SCREW | B5 | ![]() |
||
35 | 569197-00 | 1 | SPANNER | B5 | ![]() |
||
36 | 569198-00 | 1 | OUTER FLANGE | B5 | ![]() |
||
37 | 569200-00 | 1 | INNER FLANGE | B5 | ![]() |
||
38 | 569202-00 | 3 | SCREW | B5 | ![]() |
||
39 | 569203-00 | 1 | FLANGE | B5 | ![]() |
||
40 | 1004504-02 | 1 | GUARD | B5 | ![]() |
||
41 | 569206-00 | 4 | SCREW | B5 | ![]() |
||
44 | 569209-00 | 4 | SCREW | B5 | ![]() |
||
45 | 596071-00 | 2 | BRUSH 230V | B5 | ![]() |
||
46 | 596072-00 | 2 | BRUSHBOX | B5 | ![]() |
||
47 | 1004515-22 | 1 | WASHER THRUST | B5 | ![]() |
||
860 | 1004484-00 | 1 | GUARD CUT OFF | 115MM | B5 | ![]() |