BD1680 HEATGUN Type 1 | Drawings

Documents

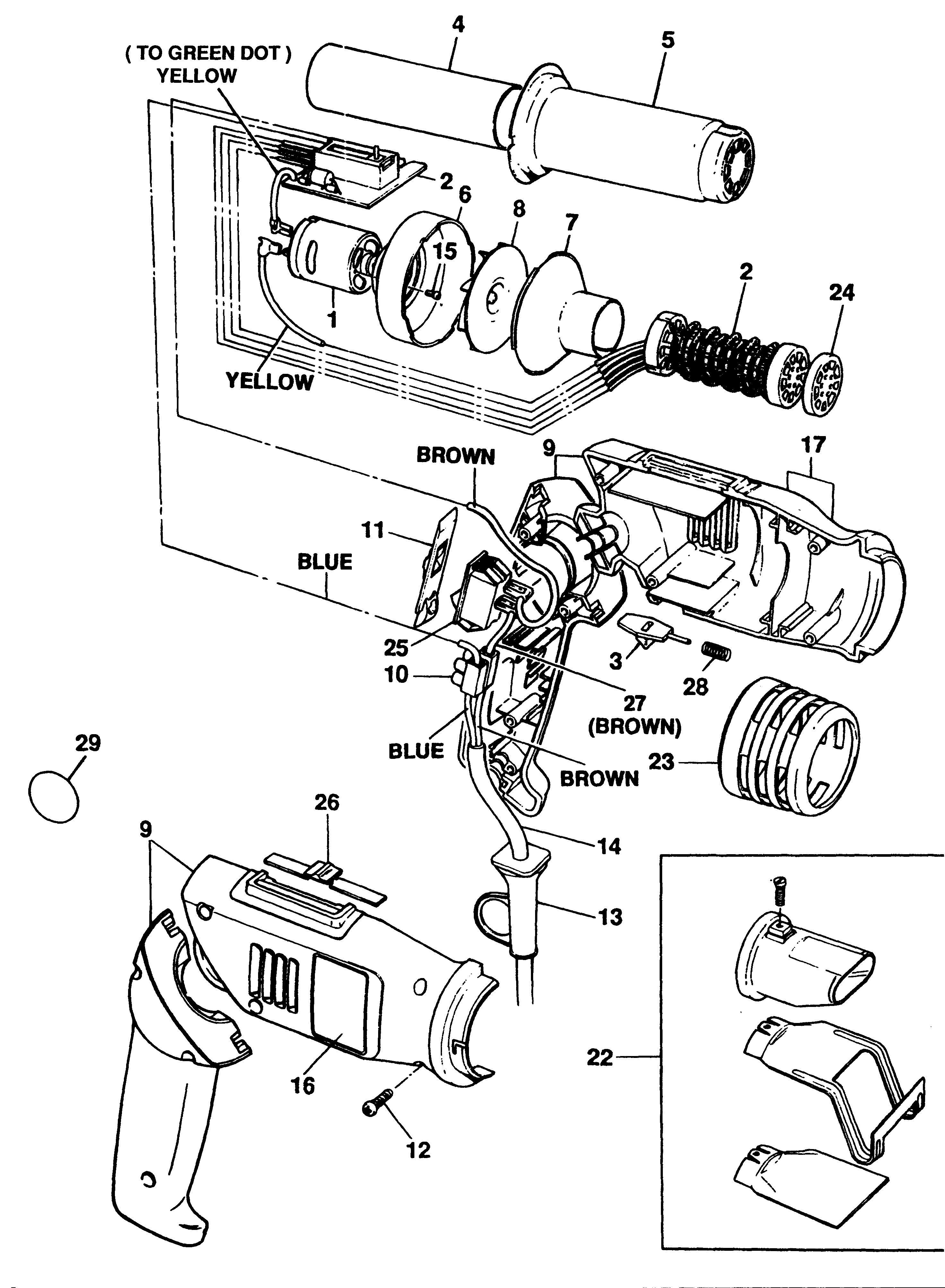
Click for part information Click for part information Click for part information Click for part information Click for part information Click for part information Click for part information Click for part information Click for part information Click for part information Click for part information Click for part information Click for part information Click for part information Click for part information Click for part information Click for part information Click for part information Click for part information Click for part information Click for part information Click for part information Click for part information Click for part information Click for part information
Item No. Product Number Qty Per Product Description General Description Other Info Markets Product Status