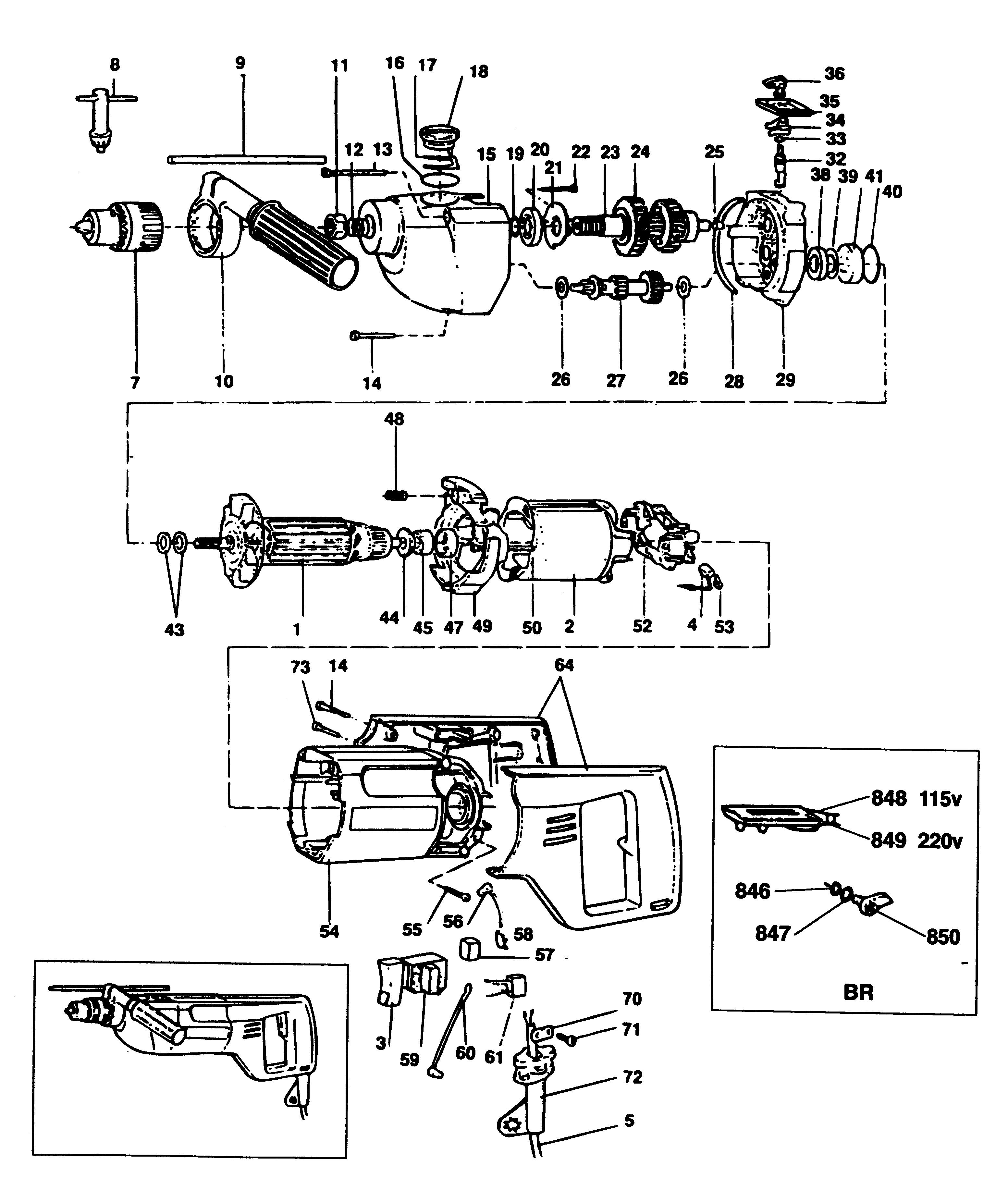
P2621 DRILL Type 1 | Drawings
Documents

Item No. | Product Number | Qty Per | Product Description | General Description | Other Info | Markets | Product Status |
---|---|---|---|---|---|---|---|
1 | 930434 | 1 | ARMATURE | BR 115V | ZA | ![]() |
|
1 | 930434 | 1 | ARMATURE | GB 115V | ZA | ![]() |
|
1 | 930434 | 1 | ARMATURE | AE-MX-VE-PA 115V | ZA | ![]() |
|
1 | 930154 | 1 | ARMATURE | ZA | ![]() |
||
1 | 930154 | 1 | ARMATURE | GB 240V | ZA | ![]() |
|
2 | 868629-02 | 1 | FIELD | ZA | ![]() |
||
2 | 930442 | 1 | FIELD 115V | BR 115V | ZA | ![]() |
|
2 | 930436-00 | 1 | FIELD 115V | GB 115V | ZA | ![]() |
|
2 | 930436-00 | 1 | FIELD 115V | AE-MX-VE-PA 115V | ZA | ![]() |
|
2 | 930441-00 | 1 | FIELD 240V | GB 240V | ZA | ![]() |
|
3 | 933190 | 1 | SWITCH | BR 115V | ZA | ![]() |
|
4 | 939539-01 | 2 | BRUSH CUT OFF | ZA | ![]() |
||
4 | 930151-00 | 2 | BRUSH 220V | GB 240V | ZA | ![]() |
|
4 | 930897-00 | 2 | BRUSH 115-120V | BR 115V | ZA | ||
4 | 930897-00 | 2 | BRUSH 115-120V | GB 115V | ZA | ||
4 | 930897-00 | 2 | BRUSH 115-120V | AE-MX-VE-PA 115V | ZA | ||
5 | 949843-03 | 1 | CABLE | ZA | ![]() |
||
5 | 949843-07 | 1 | CABLE | BR 115V | ZA | ![]() |
|
5 | 330060-03 | 1 | CABLE & PLUG | GB 240V | ZA | ![]() |
|
5 | 938109 | 1 | CABLE | AE-MX-VE-PA 115V | ZA | ![]() |
|
5 | 330061-04 | 1 | CORDSET (M/PLUG) | GB 115V | ZA | ![]() |
|
7 | 930010 | 1 | CHUCK | BR 115V | ZA | ![]() |
|
7 | 330033-24 | 1 | CHUCK 13MM | ZA | ![]() |
||
7 | 330033-24 | 1 | CHUCK 13MM | GB 240V | ZA | ![]() |
|
7 | 330033-24 | 1 | CHUCK 13MM | GB 115V | ZA | ![]() |
|
7 | 330033-24 | 1 | CHUCK 13MM | AE-MX-VE-PA 115V | ZA | ![]() |
|
8 | 330034-07 | 1 | CHUCK KEY | ZA | ![]() |
||
9 | 930101 | 1 | DEPTH ROD | ZA | ![]() |
||
10 | 930281 | 1 | HANDLE SA | ZA | ![]() |
||
11 | 930129 | 1 | LOCK NUT | ZA | ![]() |
||
12 | 930096 | 1 | SPRING | ZA | ![]() |
||
13 | 930082-01 | 2 | SCREW | ZA | ![]() |
||
14 | 931297-00 | 2 | SCREW | ZA | ![]() |
||
15 | 932802 | 1 | GEARCASE SA | ZA | ![]() |
||
16 | 932517 | 1 | SEAL | ZA | ![]() |
||
17 | 932513 | 1 | SPRING | ZA | ![]() |
||
19 | 930028-00 | 1 | O RING | ZA | ![]() |
||
20 | 930037 | 1 | SHEATH | ZA | ![]() |
||
21 | 930107 | 1 | PLATE | ZA | ![]() |
||
22 | 930083 | 2 | SCREW | ZA | ![]() |
||
23 | 932758 | 1 | CHUCK & SPINDLE | ZA | ![]() |
||
24 | 932901 | 1 | CHUCK & SPINDLE SA | BR 115V | ZA | ![]() |
|
25 | 932514 | 1 | WASHER THRUST | ZA | ![]() |
||
26 | 930102-00 | 2 | WASHER | ZA | ![]() |
||
27 | 931778 | 1 | GEAR & PINION SA | ZA | ![]() |
||
28 | 930032 | 1 | SEAL | ZA | ![]() |
||
29 | 932763 | 1 | GEARCASE COVER SA | ZA | ![]() |
||
32 | 932586 | 1 | PIN | ZA | ![]() |
||
33 | 932762 | 1 | O RING | ZA | ![]() |
||
34 | 932782 | 1 | SPRING | ZA | ![]() |
||
35 | 932504 | 1 | COVER | ZA | ![]() |
||
36 | 932505 | 1 | SELECTOR | ZA | ![]() |
||
38 | 930033 | 1 | WASHER | ZA | ![]() |
||
39 | 930104 | 1 | WASHER | ZA | ![]() |
||
40 | 930039 | 1 | SEAL | ZA | ![]() |
||
41 | 330003-06 | 1 | BEARING | ZA | ![]() |
||
42 | 930094 | 1 | RING | ZA | ![]() |
||
43 | 930105 | 2 | WASHER | ZA | ![]() |
||
44 | 930051 | 1 | SPACER | ZA | ![]() |
||
45 | 330003-02 | 1 | BEARING | ZA | ![]() |
||
47 | 930275-00 | 1 | SLEEVE | ZA | ![]() |
||
47 | 930275-00 | 1 | SLEEVE | GB 240V | ZA | ![]() |
|
47 | 930275-00 | 1 | SLEEVE | BR 115V | ZA | ![]() |
|
47 | 930275-00 | 1 | SLEEVE | GB 115V | ZA | ![]() |
|
47 | 930275-00 | 1 | SLEEVE | AE-MX-VE-PA 115V | ZA | ![]() |
|
48 | 932757 | 1 | SPRING | ZA | ![]() |
||
49 | 930806 | 1 | BAFFLE | ZA | ![]() |
||
50 | 930077-00 | 2 | SCREW | ZA | ![]() |
||
52 | 930167-00 | 1 | BRUSH PLATE SA | ZA | ![]() |
||
52 | 930167-00 | 1 | BRUSH PLATE SA | GB 240V | ZA | ![]() |
|
52 | 938856-00 | 1 | BRUSH PLATE SA | GB 115V | ZA | ![]() |
|
52 | 938856-00 | 1 | BRUSH PLATE SA | AE-MX-VE-PA 115V | ZA | ![]() |
|
52 | 937833 | 1 | BRUSH PLATE SA | BR 115V | ZA | ![]() |
|
53 | 930090-00 | 2 | BRUSH SPRING | ZA | |||
55 | 930284-01 | 1 | SCREW | ZA | ![]() |
||
56 | 930467 | 1 | LEAD | ZA | ![]() |
||
57 | 930439 | 1 | SHOCK ABSORBER | ZA | ![]() |
||
58 | 930187 | 1 | CONNECTOR | ZA | ![]() |
||
59 | 930026 | 1 | FOAM | ZA | ![]() |
||
60 | 930468 | 1 | LEAD | ZA | ![]() |
||
61 | 930030 | 1 | CAPACITOR | ZA | ![]() |
||
61 | 930030 | 1 | CAPACITOR | GB 240V | ZA | ![]() |
|
61 | 949877-02 | 1 | CAPACITOR | GB 115V | ZA | ||
61 | 949877-02 | 1 | CAPACITOR | AE-MX-VE-PA 115V | ZA | ||
64 | 930215 | 1 | HANDLE SA | ZA | ![]() |
||
70 | 930103-00 | 1 | CORD CLAMP | ZA | ![]() |
||
71 | 930276 | 2 | SCREW | ZA | ![]() |
||
72 | 938498 | 1 | CORD PROTECTOR | ZA | ![]() |
||
73 | 930079-01 | 3 | SCREW | ZA | ![]() |
||
74 | 933657-00 | 2 | CAP | ZA | ![]() |