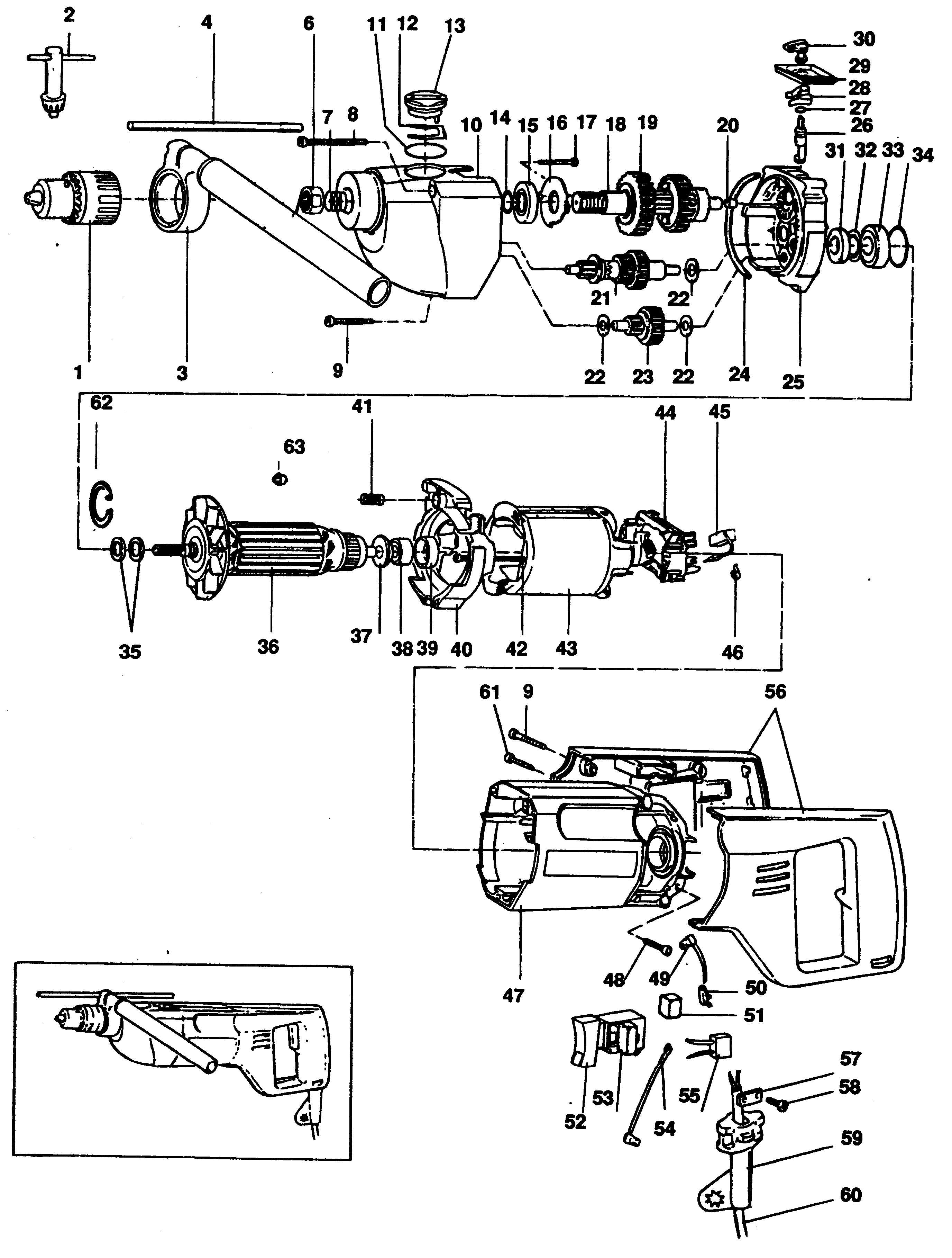
P2622 DRILL Type 1 | Drawings
Documents
| Item No. | Product Number | Qty Per | Product Description | General Description | Other Info | Markets | Product Status |
|---|---|---|---|---|---|---|---|
| 1 | 330033-24 | 1 | CHUCK 13MM | AE | ![]() |
||
| 2 | 330034-07 | 1 | CHUCK KEY | AE | ![]() |
||
| 3 | 930282 | 1 | HANDLE | AE | ![]() |
||
| 4 | 930101 | 1 | DEPTH ROD | AE | ![]() |
||
| 6 | 930129 | 1 | LOCK NUT | AE | ![]() |
||
| 7 | 930096 | 1 | SPRING | AE | ![]() |
||
| 8 | 930082-01 | 2 | SCREW | AE | ![]() |
||
| 9 | 931297-00 | 2 | SCREW | AE | ![]() |
||
| 10 | 932905 | 1 | GEARCASE SA | AE | ![]() |
||
| 11 | 932517 | 1 | SEAL | AE | ![]() |
||
| 12 | 932513 | 1 | SPRING | AE | ![]() |
||
| 14 | 930028-00 | 1 | O RING | AE | ![]() |
||
| 15 | 930037 | 1 | SHEATH | AE | ![]() |
||
| 16 | 930107 | 1 | PLATE | AE | ![]() |
||
| 17 | 930083 | 2 | SCREW | AE | ![]() |
||
| 18 | 932758 | 1 | CHUCK & SPINDLE | AE | ![]() |
||
| 20 | 932514 | 1 | WASHER THRUST | AE | ![]() |
||
| 21 | 930171 | 1 | GEAR & PINION SA | AE | ![]() |
||
| 22 | 930102-00 | 3 | WASHER | AE | ![]() |
||
| 24 | 930032 | 1 | SEAL | AE | ![]() |
||
| 25 | 932774 | 1 | GEARCASE SA | AE | ![]() |
||
| 26 | 932586 | 1 | PIN | AE | ![]() |
||
| 27 | 932762 | 1 | O RING | AE | ![]() |
||
| 28 | 932782 | 1 | SPRING | AE | ![]() |
||
| 29 | 932504 | 1 | COVER | AE | ![]() |
||
| 30 | 932505 | 1 | SELECTOR | AE | ![]() |
||
| 31 | 930033 | 1 | WASHER | AE | ![]() |
||
| 32 | 930104 | 1 | WASHER | AE | ![]() |
||
| 33 | 330003-06 | 1 | BEARING | AE | ![]() |
||
| 34 | 930039 | 1 | SEAL | AE | ![]() |
||
| 35 | 930105 | 2 | WASHER | AE | ![]() |
||
| 36 | 930154 | 1 | ARMATURE | GB 240V | AE | ![]() |
|
| 36 | 930154 | 1 | ARMATURE | AE | ![]() |
||
| 36 | 930434 | 1 | ARMATURE | AE-MX-PA-SG-VE 115V | AE | ![]() |
|
| 36 | 930434 | 1 | ARMATURE | GB 115V | AE | ![]() |
|
| 37 | 930051 | 1 | SPACER | AE | ![]() |
||
| 38 | 330003-02 | 1 | BEARING | AE | ![]() |
||
| 39 | 930275-00 | 1 | SLEEVE | AE | ![]() |
||
| 40 | 930806 | 1 | BAFFLE | AE | ![]() |
||
| 41 | 932757 | 1 | SPRING | AE | ![]() |
||
| 42 | 930077-00 | 2 | SCREW | AE | ![]() |
||
| 43 | 930441-00 | 1 | FIELD 240V | GB 240V | AE | ![]() |
|
| 43 | 930436-00 | 1 | FIELD 115V | AE-MX-PA-SG-VE 115V | AE | ![]() |
|
| 43 | 930436-00 | 1 | FIELD 115V | GB 115V | AE | ![]() |
|
| 43 | 868629-02 | 1 | FIELD | AE | ![]() |
||
| 44 | 930482 | 1 | BRUSHPLATE | AE | ![]() |
||
| 45 | 939539-00 | 2 | BRUSH CUT OFF | AE-MX-PA-SG-VE 115V | AE | ![]() |
|
| 45 | 939539-00 | 2 | BRUSH CUT OFF | GB 115V | AE | ![]() |
|
| 45 | 939539-01 | 2 | BRUSH CUT OFF | GB 240V | AE | ![]() |
|
| 45 | 939539-01 | 2 | BRUSH CUT OFF | AE | ![]() |
||
| 46 | 930090-00 | 2 | BRUSH SPRING | AE | |||
| 48 | 930284-01 | 1 | SCREW | AE | ![]() |
||
| 49 | 930467 | 1 | LEAD | AE | ![]() |
||
| 50 | 930187 | 1 | CONNECTOR | AE | ![]() |
||
| 51 | 930439 | 1 | SHOCK ABSORBER | AE | ![]() |
||
| 53 | 930026 | 1 | FOAM | AE | ![]() |
||
| 54 | 930468 | 1 | LEAD | AE | ![]() |
||
| 55 | 949877-02 | 1 | CAPACITOR | AE-MX-PA-SG-VE 115V | AE | ||
| 55 | 949877-02 | 1 | CAPACITOR | GB 115V | AE | ||
| 55 | 930030 | 1 | CAPACITOR | GB 240V | AE | ![]() |
|
| 55 | 930030 | 1 | CAPACITOR | AE | ![]() |
||
| 56 | 930215 | 1 | HANDLE SA | AE | ![]() |
||
| 57 | 930103-00 | 1 | CORD CLAMP | AE | ![]() |
||
| 58 | 930276 | 2 | SCREW | AE | ![]() |
||
| 59 | 938498 | 1 | CORD PROTECTOR | AE | ![]() |
||
| 60 | 938109 | 1 | CABLE | AE-MX-PA-SG-VE 115V | AE | ![]() |
|
| 60 | 330060-03 | 1 | CABLE & PLUG | GB 240V | AE | ![]() |
|
| 60 | 330061-04 | 1 | CORDSET (M/PLUG) | GB 115V | AE | ![]() |
|
| 60 | 949843-03 | 1 | CABLE | AE | ![]() |
||
| 61 | 930079-01 | 3 | SCREW | AE | ![]() |
||
| 62 | 930094 | 1 | RING | AE | ![]() |
||
| 63 | 933657-00 | 2 | CAP | AE | ![]() |

