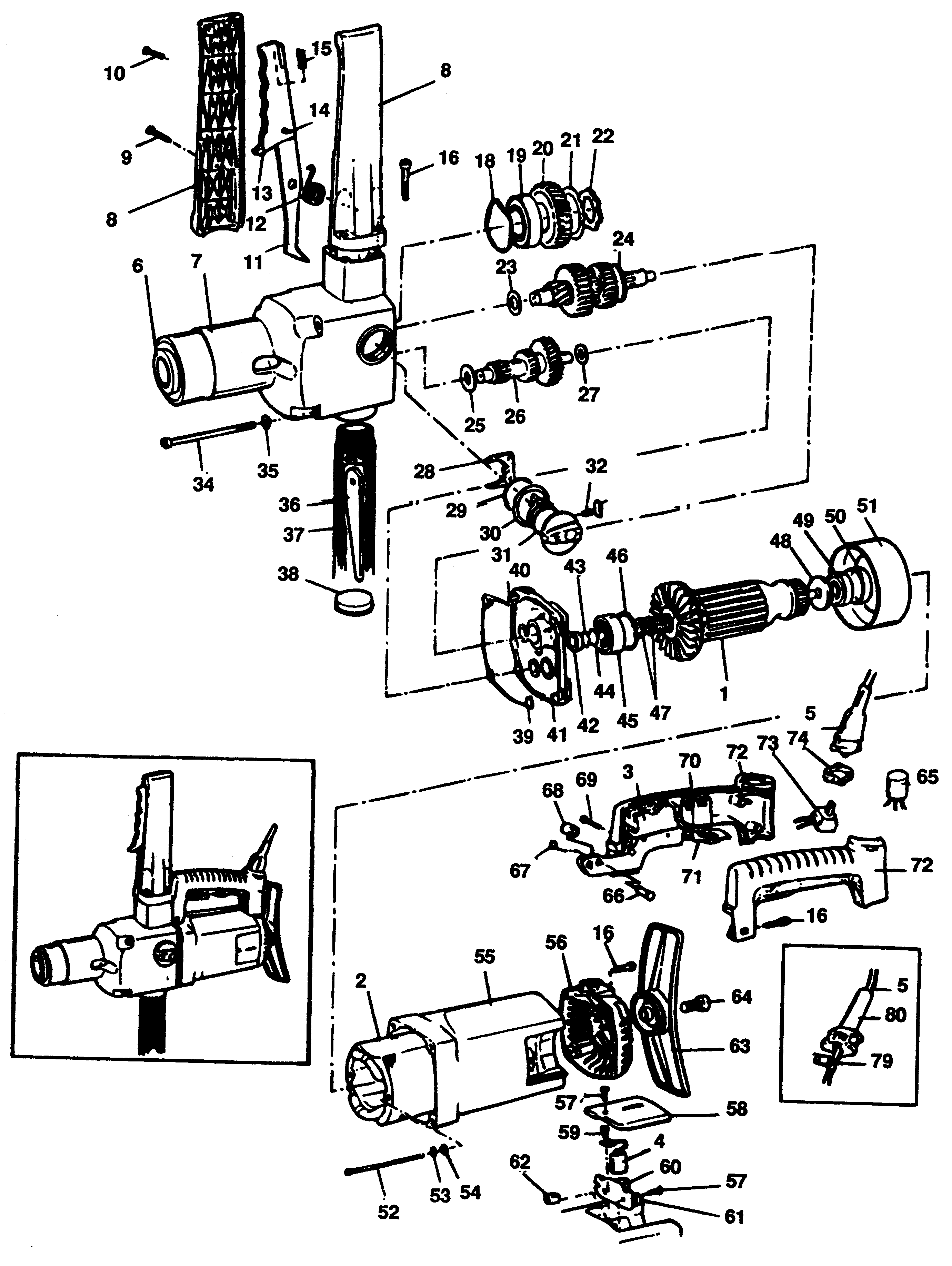
P1722 DRILL Type 1 | Drawings
Documents

Item No. | Product Number | Qty Per | Product Description | General Description | Other Info | Markets | Product Status |
---|---|---|---|---|---|---|---|
1 | 868404-00 | 1 | ARMATURE | ZA | ![]() |
||
2 | 932486 | 1 | FIELD | IT 48 VOLT | ZA | ![]() |
|
2 | 868503-03 | 1 | FIELD 230V | ZA | ![]() |
||
3 | 932472 | 1 | SWITCH 115V | IT 48 VOLT | ZA | ![]() |
|
3 | 932401-00 | 1 | SWITCH | ZA | ![]() |
||
4 | 932497-00 | 2 | BRUSH | ZA | ![]() |
||
5 | 949843-20 | 1 | CABLE | ZA | ![]() |
||
6 | 932292-00 | 1 | TAPER HOLDER | ZA | ![]() |
||
7 | 932222-00 | 1 | GEARCASE SA | ZA | ![]() |
||
8 | 935833 | 1 | HANDLE SA | ZA | ![]() |
||
9 | 860084-09 | 1 | SCREW | ZA | ![]() |
||
10 | 930554-00 | 2 | SCREW | ZA | ![]() |
||
11 | 932315-00 | 1 | LEVER | ZA | ![]() |
||
12 | 932313-00 | 1 | SPRING | ZA | ![]() |
||
13 | 932317-00 | 1 | COVER | ZA | ![]() |
||
14 | 932314-00 | 1 | PIN | ZA | ![]() |
||
15 | 931013-00 | 1 | SPRING | ZA | ![]() |
||
16 | 860093-11 | 6 | SCREW | ZA | ![]() |
||
18 | 932293-00 | 1 | WASHER | ZA | ![]() |
||
19 | 932294-00 | 1 | BEARING | ZA | ![]() |
||
20 | 932295-00 | 1 | GEAR | ZA | ![]() |
||
21 | 932296-00 | 1 | WASHER | ZA | ![]() |
||
22 | 932298-00 | 1 | RING | ZA | ![]() |
||
23 | 932287-00 | 1 | WASHER | ZA | ![]() |
||
24 | 869219-00 | 1 | SPINDLE & GEAR SA | ZA | ![]() |
||
25 | 932286-00 | 1 | WASHER | ZA | ![]() |
||
26 | 869219-02 | 1 | SPINDLE & GEAR SA | ZA | ![]() |
||
27 | 932285-00 | 1 | WASHER | ZA | ![]() |
||
28 | 932288-00 | 1 | PLATE | ZA | ![]() |
||
29 | 930039 | 1 | SEAL | ZA | ![]() |
||
30 | 932289-00 | 1 | WASHER | ZA | ![]() |
||
31 | 932265-00 | 1 | LEVER SA | ZA | ![]() |
||
32 | 932290-00 | 1 | SPRING | ZA | ![]() |
||
33 | 932291-00 | 1 | SPRING | ZA | ![]() |
||
34 | 932408-00 | 4 | SCREW | ZA | ![]() |
||
35 | 931429-00 | 4 | WASHER | ZA | ![]() |
||
36 | 932304-00 | 1 | EJECTOR | ZA | ![]() |
||
37 | 948539-01 | 1 | HANDLE SIDE SA | ZA | ![]() |
||
38 | 932308-01 | 1 | CAP | ZA | ![]() |
||
39 | 932312-00 | 1 | GASKET | ZA | ![]() |
||
40 | 932301-00 | 2 | PIN | ZA | ![]() |
||
41 | 943963-00 | 1 | GEARCASE COVER SA | ZA | ![]() |
||
42 | 932311-00 | 1 | SEAL | ZA | ![]() |
||
43 | 931052-00 | 1 | RING | ZA | ![]() |
||
44 | 930940-00 | 1 | RING | ZA | ![]() |
||
45 | 330003-11 | 1 | BEARING | ZA | ![]() |
||
46 | 949729-02 | 1 | CIRCLIP | ZA | ![]() |
||
47 | 932309-00 | 2 | WASHER | ZA | ![]() |
||
48 | 930073-00 | 1 | SPACER | ZA | ![]() |
||
49 | 577745-00 | 1 | BEARING | ZA | ![]() |
||
50 | 934409-00 | 1 | SLEEVE | ZA | ![]() |
||
51 | 930072-00 | 1 | BAFFLE | ZA | ![]() |
||
52 | 930246-00 | 2 | SCREW | ZA | ![]() |
||
53 | 761035-00 | 2 | WASHER | ZA | ![]() |
||
54 | 949876-08 | 2 | WASHER | ZA | ![]() |
||
55 | 932261-01 | 1 | FIELDCASE | ZA | ![]() |
||
57 | 930251-00 | 6 | SCREW | ZA | ![]() |
||
58 | 932306 | 2 | COVER BRUSH | ZA | ![]() |
||
59 | 930242-00 | 2 | SCREW | ZA | ![]() |
||
60 | 930269-00 | 2 | BASEPLATE SA | ZA | ![]() |
||
61 | 930099-00 | 2 | SPRING | ZA | ![]() |
||
62 | 932307-00 | 2 | BLOCK | ZA | ![]() |
||
63 | 932320-00 | 1 | PLATE | ZA | ![]() |
||
64 | 932319-00 | 1 | SCREW | ZA | ![]() |
||
65 | 930030 | 1 | CAPACITOR | IT 48 VOLT | ZA | ![]() |
|
66 | 932406-00 | 1 | PIN | ZA | ![]() |
||
67 | 932268-00 | 1 | RING | ZA | ![]() |
||
68 | 932405-00 | 1 | ROLLER | ZA | ![]() |
||
69 | 930079-01 | 1 | SCREW | ZA | ![]() |
||
70 | 932403-00 | 1 | SWITCH REVERSE | ZA | ![]() |
||
71 | 932402 | 1 | COVER | ZA | ![]() |
||
72 | 935896 | 1 | HANDLE SA | ZA | ![]() |
||
73 | 930330-00 | 1 | PLUG | ZA | ![]() |
||
74 | 930331-00 | 1 | RING | ZA | ![]() |
||
79 | 930103-00 | 1 | CORD CLAMP | IT 48 VOLT | ZA | ![]() |
|
80 | 930981-00 | 1 | CORD PROTECTOR | IT 48 VOLT | ZA | ![]() |