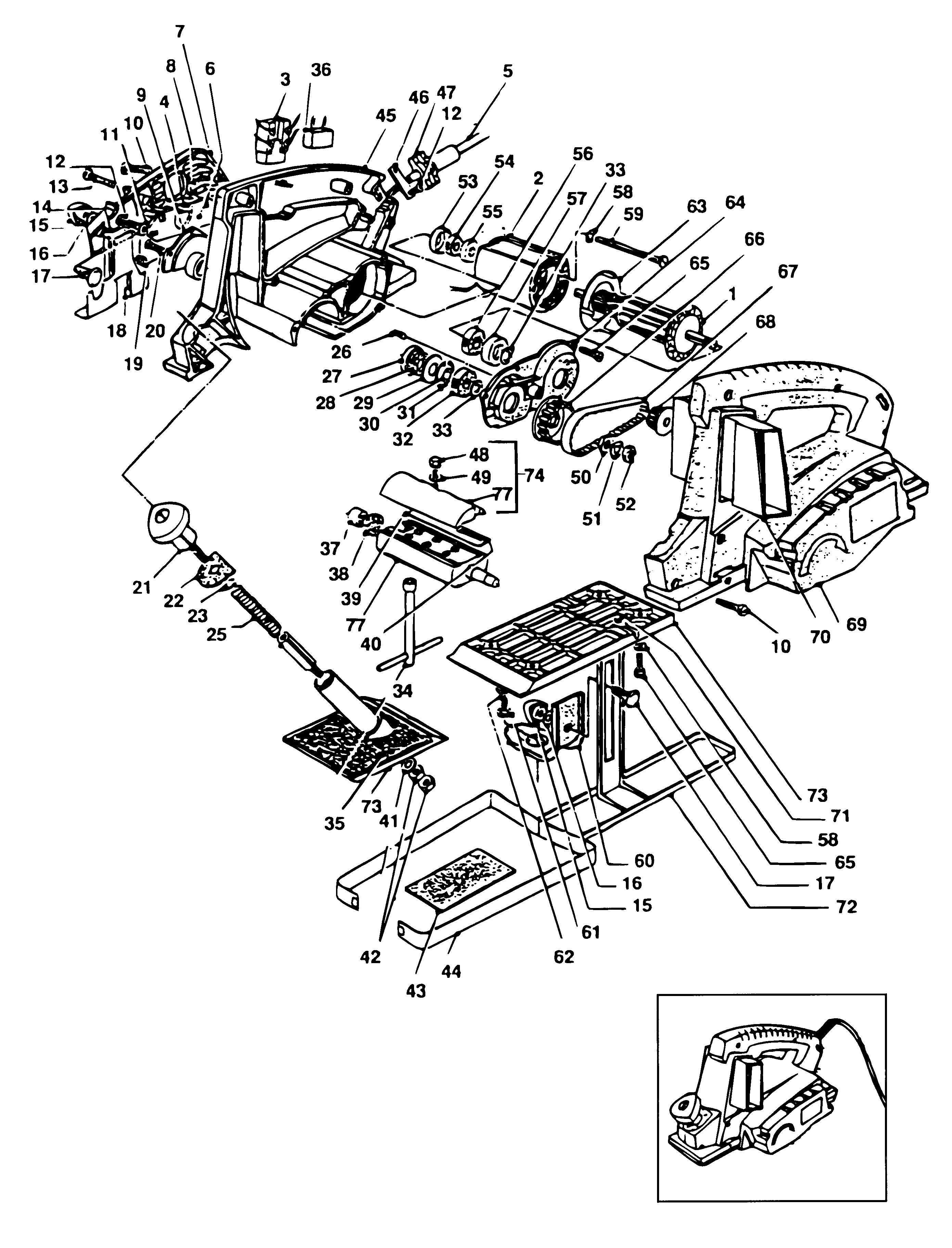
P7103 PLANER Type 1 | Drawings
Documents

Item No. | Product Number | Qty Per | Product Description | General Description | Other Info | Markets | Product Status |
---|---|---|---|---|---|---|---|
1 | 934357 | 1 | ARMATURE | 115 V | ZA | ![]() |
|
1 | 934475 | 1 | ARMATURE | 230/240 V | ZA | ![]() |
|
2 | 934471 | 1 | FIELD | GB 115V | ZA | ||
2 | 934473 | 1 | FIELD | GB 240V | ZA | ![]() |
|
2 | 934468 | 1 | FIELD | ZA | ![]() |
||
3 | 934437 | 1 | SWITCH | ZA | ![]() |
||
3 | 934437 | 1 | SWITCH | GB 115V | ZA | ![]() |
|
3 | 934437 | 1 | SWITCH | GB 240V | ZA | ![]() |
|
3 | 935265 | 1 | SWITCH | AE-MX-PA-VE 115V | ZA | ![]() |
|
4 | D934537 | 1 | BRUSH | 230/240 V | ZA | ![]() |
|
5 | 949843-02 | 1 | CABLE | ZA | ![]() |
||
5 | 330060-03 | 1 | CABLE & PLUG | GB 240V | ZA | ![]() |
|
5 | 949843-26 | 1 | CABLE | AE-MX-PA-VE 115V | ZA | ||
5 | 330061-04 | 1 | CORDSET (M/PLUG) | GB 115V | ZA | ![]() |
|
6 | 939391 | 1 | BRUSH & HOLDER | ZA | ![]() |
||
6 | 939391 | 1 | BRUSH & HOLDER | GB 240V | ZA | ![]() |
|
6 | 938838 | 1 | BRUSH & HOLDER | AE-MX-PA-VE 115V | ZA | ||
6 | 938838 | 1 | BRUSH & HOLDER | GB 115V | ZA | ||
7 | 934399 | 1 | COVER | ZA | ![]() |
||
8 | 933545 | 2 | SPRING | ZA | ![]() |
||
9 | 934400-00 | 1 | FLANGE | ZA | ![]() |
||
10 | 932409 | 9 | SCREW | ZA | ![]() |
||
11 | 933546 | 2 | WASHER | ZA | ![]() |
||
12 | 930076-00 | 2 | SCREW | ZA | ![]() |
||
13 | 935047 | 1 | SCREW | ZA | ![]() |
||
14 | 933053 | 1 | BRACKET | ZA | ![]() |
||
15 | 934403 | 1 | KNOB | ZA | ![]() |
||
16 | 931005 | 1 | WASHER | ZA | ![]() |
||
17 | 949892-07 | 1 | SCREW | ZA | ![]() |
||
18 | 934402 | 1 | CENTRE | ZA | ![]() |
||
19 | 934433 | 1 | SPRING | ZA | ![]() |
||
20 | 934401 | 3 | SCREW | ZA | ![]() |
||
21 | 934374 | 1 | HANDLE | ZA | ![]() |
||
22 | 934432 | 1 | PLATE | ZA | ![]() |
||
23 | 934378 | 1 | RING | ZA | ![]() |
||
25 | 934376 | 1 | SPRING | ZA | ![]() |
||
26 | 934398 | 1 | PIN | ZA | ![]() |
||
27 | 934395 | 1 | CUP | ZA | ![]() |
||
28 | 934393 | 1 | FELT | ZA | ![]() |
||
29 | 934394 | 1 | WASHER | ZA | ![]() |
||
30 | 934451 | 1 | WASHER | ZA | ![]() |
||
31 | 934392 | 1 | CIRCLIP | ZA | ![]() |
||
33 | 933515 | 2 | WASHER | ZA | ![]() |
||
34 | 934439 | 1 | SPANNER BOX | ZA | ![]() |
||
35 | 934373 | 1 | PAD | ZA | ![]() |
||
36 | 949877-02 | 1 | CAPACITOR | ZA | |||
37 | 934396 | 1 | BEARING | ZA | ![]() |
||
38 | 934397 | 1 | FELT | ZA | ![]() |
||
39 | 934385 | 2 | PLATE | ZA | ![]() |
||
40 | 934386 | 2 | BLADE | ZA | ![]() |
||
41 | 932302-00 | 1 | WASHER | ZA | ![]() |
||
42 | 934390 | 1 | NUT | ZA | ![]() |
||
43 | 934440 | 1 | BLADE | ZA | ![]() |
||
44 | 934438 | 1 | BRACKET | ZA | ![]() |
||
45 | 934430 | 1 | FIELDCASE | ZA | ![]() |
||
46 | 930103-00 | 1 | CORD CLAMP | ZA | ![]() |
||
47 | 931113-00 | 1 | CORD PROTECTOR | AE-MX-PA-VE 115V | ZA | ![]() |
|
47 | 931113-00 | 1 | CORD PROTECTOR | ZA | ![]() |
||
47 | 930040 | 1 | CORD PROTECTOR | GB 115V | ZA | ![]() |
|
47 | 930040 | 1 | CORD PROTECTOR | GB 240V | ZA | ![]() |
|
48 | 934384 | 6 | SCREW | ZA | ![]() |
||
49 | 932892-00 | 6 | SPACER | ZA | ![]() |
||
50 | 945963-00 | 1 | NUT | ZA | ![]() |
||
51 | 934389 | 1 | WASHER | ZA | ![]() |
||
52 | 935412 | 1 | NUT | ZA | ![]() |
||
53 | 930029-00 | 1 | HOLDER BEARING | ZA | ![]() |
||
54 | 330003-02 | 1 | BEARING | ZA | ![]() |
||
55 | 934412 | 1 | SPACER | ZA | ![]() |
||
56 | 577745-00 | 1 | BEARING | ZA | ![]() |
||
57 | 934409-00 | 1 | SLEEVE | ZA | ![]() |
||
58 | 930562 | 4 | WASHER | ZA | ![]() |
||
59 | 934429 | 2 | SCREW | ZA | ![]() |
||
60 | 934404 | 1 | SUPPORT | ZA | ![]() |
||
61 | 930249 | 2 | WASHER | ZA | ![]() |
||
62 | 934441 | 2 | SCREW | ZA | ![]() |
||
63 | 933516 | 1 | BAFFLE | ZA | ![]() |
||
64 | 934419-00 | 1 | COVER | ZA | ![]() |
||
65 | 930554-00 | 4 | SCREW | ZA | ![]() |
||
66 | 934388 | 1 | PULLEY | ZA | ![]() |
||
67 | 934420 | 1 | BELT | ZA | ![]() |
||
68 | 934418 | 1 | PULLEY | ZA | ![]() |
||
69 | 934431 | 1 | COVER | AE-MX-PA-VE 115V | ZA | ![]() |
|
69 | 934460 | 1 | COVER | ZA | ![]() |
||
69 | 934460 | 1 | COVER | GB 115V | ZA | ![]() |
|
69 | 934460 | 1 | COVER | GB 240V | ZA | ![]() |
|
70 | 934436 | 1 | EJECTOR | ZA | ![]() |
||
71 | 930244-00 | 2 | NUT | ZA | ![]() |
||
72 | 934406 | 1 | GUIDE | ZA | |||
73 | 937099 | 1 | BASEPLATE | ZA | ![]() |
||
74 | 937100 | 1 | HOLDER SA | ZA | ![]() |
||
75 | 934405 | 1 | GUIDE | ZA | ![]() |
||
77 | 934387 | 2 | BLADE CLAMP | ZA | ![]() |