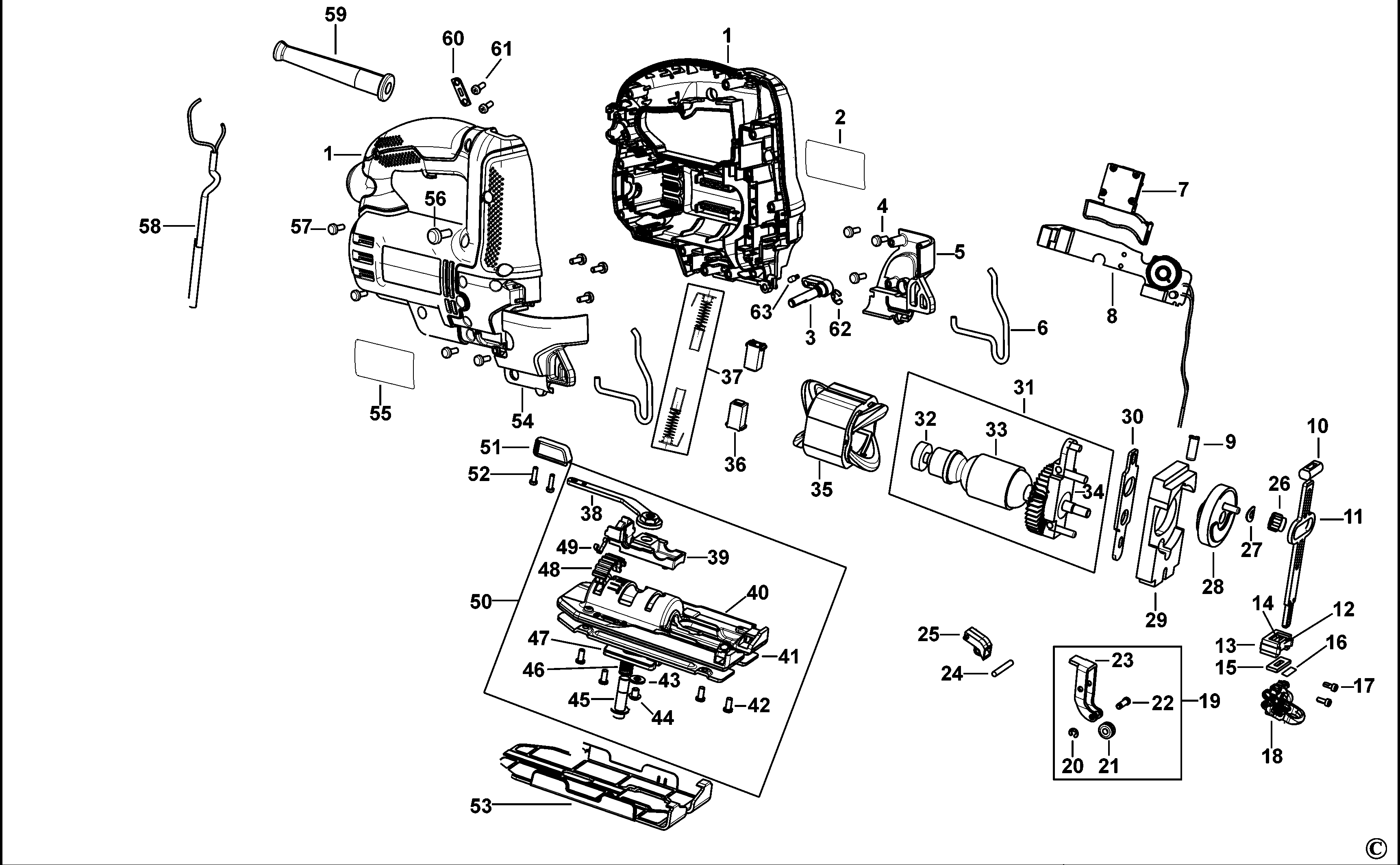
STEL345 JIGSAW Type 1 | Drawings
Documents

Item No. | Product Number | Qty Per | Product Description | General Description | Other Info | Markets | Product Status |
---|---|---|---|---|---|---|---|
1 | 90577231 | 1 | CLAMSHELL SET | B1 | |||
2 | 90575007 | 1 | BRAND LABEL | B1 | |||
3 | 90542575 | 1 | SPEED REGULATOR | B1 | ![]() |
||
4 | 330045-05 | 6 | SCREW | B1 | ![]() |
||
5 | 90542578 | 1 | COVER | B1 | ![]() |
||
6 | 90542586 | 2 | GUARD | B1 | ![]() |
||
7 | 90577344 | 1 | SWITCH | B1 | |||
8 | 90577343 | 1 | PCB SA | B1 | |||
9 | 90531500 | 1 | COVER | B1 | ![]() |
||
10 | 810893 | 1 | BEARING | B1 | ![]() |
||
11 | 90516206 | 1 | SHAFT SA | B1 | ![]() |
||
12 | 582720-00 | 1 | SPRING | B1 | ![]() |
||
13 | 795645 | 1 | CARRIER | B1 | ![]() |
||
14 | 582719-00 | 1 | BEARING | B1 | ![]() |
||
15 | 90532150 | 1 | FELT SEAL | B1 | ![]() |
||
16 | 582948-00 | 1 | PLATE | B1 | ![]() |
||
17 | 583173-00 | 2 | SCREW | B1 | ![]() |
||
18 | 90577229 | 1 | BLADE CLAMP | B1 | |||
19 | 90544019 | 1 | BLADE SUPPORT SA | B1 | |||
20 | 587375-00 | 1 | LOCKING RING | B1 | ![]() |
||
21 | 90514422 | 1 | ROLLER | B1 | ![]() |
||
22 | 90542637 | 1 | PIN | B1 | ![]() |
||
23 | 90542582 | 1 | CRANK | B1 | ![]() |
||
24 | 90542862 | 1 | PIN | B1 | ![]() |
||
25 | 90542580 | 1 | DUST PORT | B1 | ![]() |
||
26 | 90542604 | 1 | DRIVE ROLLER | B1 | ![]() |
||
27 | 823954 | 1 | WASHER | B1 | ![]() |
||
28 | 90583669 | 1 | GEAR SA | B1 | ![]() |
||
29 | 90516114 | 1 | BALANCE WEIGHT | B1 | ![]() |
||
30 | 90542634 | 1 | FORK | B1 | ![]() |
||
31 | 90554572 | 1 | ARMATURE SA | B1 | ![]() |
||
32 | 574853-08 | 1 | BEARING | B1 | ![]() |
||
33 | 90553187 | 1 | ARMATURE SA | B1 | |||
34 | 90517317 | 1 | PLATE SA | B1 | |||
35 | 90553186 | 1 | FIELD SA | B1 | ![]() |
||
36 | 582696-00 | 2 | BRUSHBOX | B1 | ![]() |
||
37 | 90554571 | 1 | BRUSH PAIR | B1 | ![]() |
||
38 | 90542878 | 1 | LEVER SA | B1 | ![]() |
||
39 | 90542579 | 1 | BLOCK | B1 | ![]() |
||
40 | 90542990 | 1 | SHOE | B1 | ![]() |
||
41 | 90542991 | 1 | PLATE | B1 | ![]() |
||
42 | 90544688 | 4 | SCREW | B1 | |||
43 | 90514216 | 1 | WASHER | B1 | ![]() |
||
44 | 582827-00 | 1 | BOLT | B1 | ![]() |
||
45 | 90514219 | 1 | BOLT | B1 | ![]() |
||
46 | 90547708 | 1 | SPRING | B1 | ![]() |
||
47 | 90542581 | 1 | PLATE | B1 | ![]() |
||
48 | 90542574 | 1 | INSERT | B1 | ![]() |
||
49 | 90521871 | 1 | SPRING | B1 | |||
50 | 90544022 | 1 | SHOE SA | B1 | ![]() |
||
51 | 90542573 | 1 | HANDLE | B1 | ![]() |
||
52 | 330019-28 | 2 | SCREW | B1 | ![]() |
||
53 | 90542992 | 1 | SOLE PLATE | B1 | ![]() |
||
54 | 90542577 | 1 | COVER | B1 | ![]() |
||
55 | 90597534 | 1 | RATING LABEL | B1 | |||
56 | 330019-16 | 2 | SCREW | B1 | ![]() |
||
57 | 330019-13 | 9 | SCREW | M4X19 T20 | B1 | ![]() |
|
58 | 562226-35 | 1 | CORDSET | B1 | |||
59 | 330005-01 | 1 | CORD PROTECTOR | B1 | ![]() |
||
60 | 329301-00 | 1 | CORD CLAMP | B1 | ![]() |
||
61 | 370748 | 2 | SCREW | B1 | ![]() |
||
62 | 90544008 | 1 | RETAINER | B1 | ![]() |
||
63 | N403227 | 1 | DETENT | B1 | ![]() |
||
63 | N403227 | 1 | DETENT | B1 | ![]() |