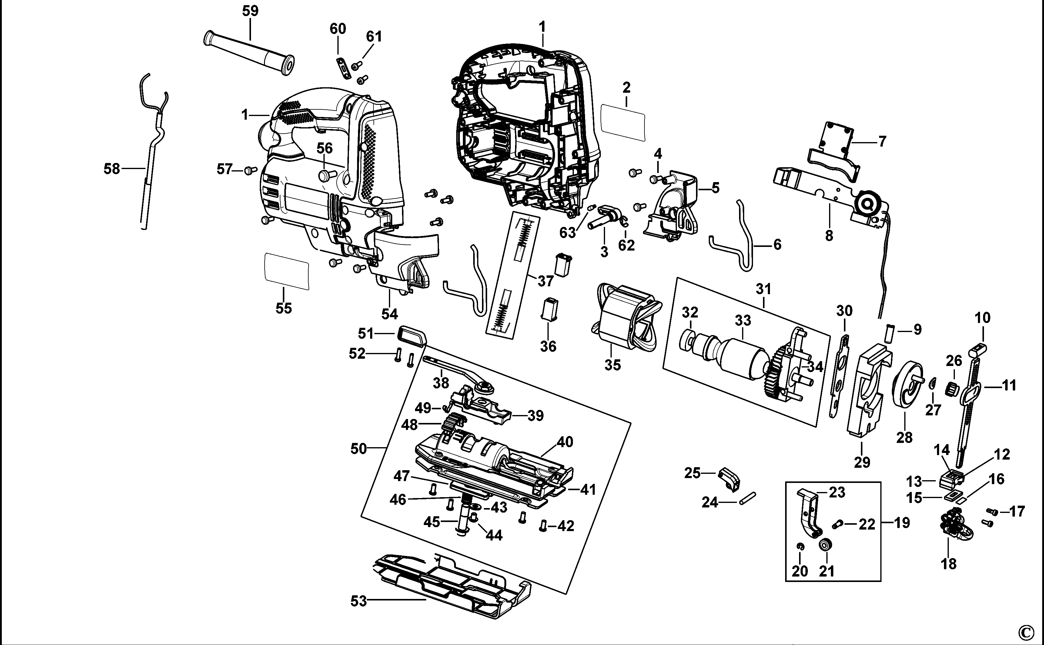
STEL345 JIGSAW Type 1 | Drawings
Documents

Item No. | Product Number | Qty Per | Product Description | General Description | Other Info | Markets | Product Status |
---|---|---|---|---|---|---|---|
1 | 90577231 | 1 | CLAMSHELL SET | XD | |||
2 | 90575007 | 1 | BRAND LABEL | XD | |||
3 | 90542575 | 1 | SPEED REGULATOR | XD | ![]() |
||
4 | 330045-05 | 6 | SCREW | XD | ![]() |
||
5 | 90542578 | 1 | COVER | XD | ![]() |
||
6 | 90542586 | 2 | GUARD | XD | ![]() |
||
7 | 90577344 | 1 | SWITCH | XD | |||
8 | 90577343 | 1 | PCB SA | XD | |||
9 | 90531500 | 1 | COVER | XD | ![]() |
||
10 | 810893 | 1 | BEARING | XD | ![]() |
||
11 | 90516206 | 1 | SHAFT SA | XD | ![]() |
||
12 | 582720-00 | 1 | SPRING | XD | ![]() |
||
13 | 795645 | 1 | CARRIER | XD | ![]() |
||
14 | 582719-00 | 1 | BEARING | XD | ![]() |
||
15 | 90532150 | 1 | FELT SEAL | XD | ![]() |
||
16 | 582948-00 | 1 | PLATE | XD | ![]() |
||
17 | 583173-00 | 2 | SCREW | XD | ![]() |
||
18 | 90577229 | 1 | BLADE CLAMP | XD | |||
19 | 90544019 | 1 | BLADE SUPPORT SA | XD | |||
20 | 587375-00 | 1 | LOCKING RING | XD | ![]() |
||
21 | 90514422 | 1 | ROLLER | XD | ![]() |
||
22 | 90542637 | 1 | PIN | XD | ![]() |
||
23 | 90542582 | 1 | CRANK | XD | ![]() |
||
24 | 90542862 | 1 | PIN | XD | ![]() |
||
25 | 90542580 | 1 | DUST PORT | XD | ![]() |
||
26 | 90542604 | 1 | DRIVE ROLLER | XD | ![]() |
||
27 | 823954 | 1 | WASHER | XD | ![]() |
||
28 | 90583669 | 1 | GEAR SA | XD | ![]() |
||
29 | 90516114 | 1 | BALANCE WEIGHT | XD | ![]() |
||
30 | 90542634 | 1 | FORK | XD | ![]() |
||
31 | 90554572 | 1 | ARMATURE SA | XD | ![]() |
||
32 | 574853-08 | 1 | BEARING | XD | ![]() |
||
33 | 90553187 | 1 | ARMATURE SA | XD | |||
34 | 90517317 | 1 | PLATE SA | XD | |||
35 | 90553186 | 1 | FIELD SA | XD | ![]() |
||
36 | 582696-00 | 2 | BRUSHBOX | XD | ![]() |
||
37 | 90554571 | 1 | BRUSH PAIR | XD | ![]() |
||
38 | 90542878 | 1 | LEVER SA | XD | ![]() |
||
39 | 90542579 | 1 | BLOCK | XD | ![]() |
||
40 | 90542990 | 1 | SHOE | XD | ![]() |
||
41 | 90542991 | 1 | PLATE | XD | ![]() |
||
42 | 90544688 | 4 | SCREW | XD | |||
43 | 90514216 | 1 | WASHER | XD | ![]() |
||
44 | 582827-00 | 1 | BOLT | XD | ![]() |
||
45 | 90514219 | 1 | BOLT | XD | ![]() |
||
46 | 90547708 | 1 | SPRING | XD | ![]() |
||
47 | 90542581 | 1 | PLATE | XD | ![]() |
||
48 | 90542574 | 1 | INSERT | XD | ![]() |
||
49 | 90521871 | 1 | SPRING | XD | |||
50 | 90544022 | 1 | SHOE SA | XD | ![]() |
||
51 | 90542573 | 1 | HANDLE | XD | ![]() |
||
52 | 330019-28 | 2 | SCREW | XD | ![]() |
||
53 | 90542992 | 1 | SOLE PLATE | XD | ![]() |
||
54 | 90542577 | 1 | COVER | XD | ![]() |
||
55 | 90597538 | 1 | RATING LABEL | XD | |||
56 | 330019-16 | 2 | SCREW | XD | ![]() |
||
57 | 330019-13 | 9 | SCREW | M4X19 T20 | XD | ![]() |
|
58 | 90578997-04 | 1 | CORDSET | XD | ![]() |
||
59 | 330005-01 | 1 | CORD PROTECTOR | XD | ![]() |
||
60 | 329301-00 | 1 | CORD CLAMP | XD | ![]() |
||
61 | 370748 | 2 | SCREW | XD | ![]() |
||
62 | 90544008 | 1 | RETAINER | XD | ![]() |
||
63 | N403227 | 1 | DETENT | XD | ![]() |
||
63 | N403227 | 1 | DETENT | XD | ![]() |