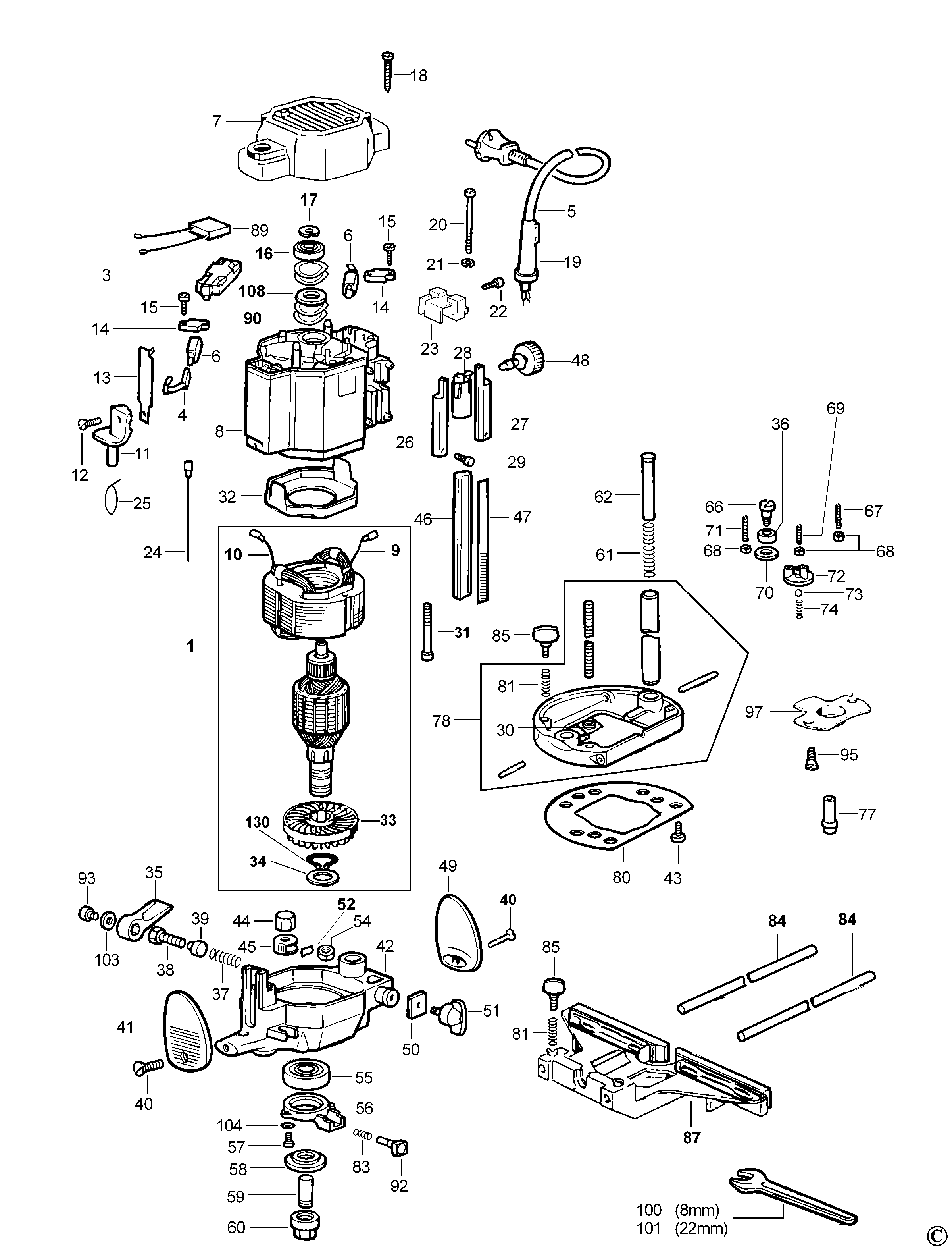
MOF131 ROUTER Type 3 | Drawings
Documents

Item No. | Product Number | Qty Per | Product Description | General Description | Other Info | Markets | Product Status |
---|---|---|---|---|---|---|---|
1 | N496603 | 1 | ARMATURE 230V | 240 VOLT | ZA | ![]() |
|
3 | 868128-00 | 1 | SWITCH | ZA | ![]() |
||
4 | 940146-00 | 2 | BRUSH 230V | ZA | ![]() |
||
5 | 177101907 | 1 | CABLE | ZA | |||
6 | 761202-00 | 2 | BRUSHBOX SA | ZA | ![]() |
||
7 | 249019-01 | 1 | COVER SA | ZA | ![]() |
||
8 | 942934-05 | 1 | FIELDCASE | ZA | ![]() |
||
9 | 868140-00 | 2 | BRUSH LEAD | ZA | ![]() |
||
10 | 868129-00 | 1 | LEAD 175MM RED | ZA | ![]() |
||
10 | 868129-00 | 1 | LEAD 175MM RED | ZA | ![]() |
||
11 | 177120500 | 1 | LEVER | ZA | ![]() |
||
12 | 249412-10 | 1 | SCREW | ZA | ![]() |
||
13 | 868123-00 | 1 | SLIDER | ZA | ![]() |
||
14 | 868133-00 | 2 | CLAMP | ZA | ![]() |
||
15 | 860428-04 | 4 | SCREW | ZA | ![]() |
||
16 | 868768-13 | 1 | BEARING | ZA | ![]() |
||
17 | 860079-03 | 1 | CIRCLIP | ZA | ![]() |
||
18 | 949896-11 | 2 | SCREW | ZA | ![]() |
||
19 | 720703-00 | 1 | PROTECTOR | ZA | ![]() |
||
20 | 249424-24 | 4 | SCREW | ZA | ![]() |
||
21 | 930248-00 | 4 | WASHER | ZA | |||
22 | 860084-04 | 2 | SCREW | ZA | ![]() |
||
23 | 248180-00 | 1 | CABLE CLAMP | ZA | ![]() |
||
24 | 868129-02 | 1 | LEAD 80MM RED | ZA | ![]() |
||
25 | 941486-00 | 1 | CABLE TIE | ZA | ![]() |
||
26 | 248395-05 | 1 | SUPPORT LH | ZA | ![]() |
||
27 | 248394-05 | 1 | SUPPORT RH | ZA | ![]() |
||
28 | 868124-01 | 1 | LENS | ZA | ![]() |
||
29 | 860428-04 | 4 | SCREW | ZA | ![]() |
||
30 | 761225-02 | 1 | NUT | ZA | ![]() |
||
31 | 248935-00 | 2 | SCREW | ZA | ![]() |
||
32 | 942902-01 | 1 | BAFFLE FAN | ZA | ![]() |
||
33 | N041821 | 1 | FAN | ZA | |||
34 | 868127-02 | 1 | SPACER | ZA | ![]() |
||
35 | 942906-00 | 1 | LEVER | ZA | ![]() |
||
36 | 868092-00 | 1 | WASHER | ZA | ![]() |
||
37 | 942909-00 | 1 | SPRING | ZA | ![]() |
||
38 | 868204-00 | 1 | SCREW | ZA | ![]() |
||
39 | 942908-00 | 1 | PIN | ZA | ![]() |
||
40 | 869355-00 | 1 | REPAIR KIT | ZA | ![]() |
||
41 | 869355-00 | 1 | REPAIR KIT | ZA | ![]() |
||
42 | 942898-00 | 1 | HOUSING LOWER | ZA | ![]() |
||
43 | 860205-04 | 6 | SCREW | ZA | ![]() |
||
44 | 868150-00 | 1 | NUT | ZA | ![]() |
||
45 | 942910-00 | 1 | NUT | ZA | ![]() |
||
46 | 868139-00 | 1 | RACK | ZA | ![]() |
||
47 | 249281-00 | 1 | SCALE | ZA | ![]() |
||
48 | 761243-05 | 1 | PINION | ZA | ![]() |
||
49 | 869355-00 | 1 | REPAIR KIT | ZA | ![]() |
||
50 | 868119-00 | 1 | PLATE | ZA | ![]() |
||
51 | 939840-05 | 1 | SCREW WING | ZA | ![]() |
||
52 | 942912-00 | 2 | SPRING | ZA | ![]() |
||
54 | 942911-00 | 1 | BUTTON | ZA | ![]() |
||
55 | 868132-03 | 1 | BEARING | ZA | ![]() |
||
56 | 942900-03 | 1 | CLAMP | ZA | ![]() |
||
57 | 249424-02 | 3 | SCREW | ZA | ![]() |
||
58 | 942901-00 | 1 | LOCK NUT | ZA | ![]() |
||
60 | 942893-01 | 1 | COLLET NUT | ZA | ![]() |
||
61 | 868115-00 | 2 | SPRING | ZA | ![]() |
||
62 | 868566-01 | 2 | ROD | ZA | ![]() |
||
66 | 249432-00 | 1 | SCREW | ZA | ![]() |
||
67 | 942931-02 | 1 | SCREW.TEMP | ZA | ![]() |
||
68 | 860083-02 | 3 | NUT | ZA | ![]() |
||
69 | 942931-01 | 1 | SCREW | ZA | ![]() |
||
70 | 860658-01 | 1 | WASHER | ZA | ![]() |
||
71 | 942931-00 | 1 | SCREW | ZA | ![]() |
||
72 | 720674-01 | 1 | TURRET | ZA | ![]() |
||
73 | 720664-00 | 1 | BALL | ZA | ![]() |
||
74 | 868082-00 | 1 | SPRING | ZA | ![]() |
||
78 | 329820-49 | 1 | BASEPLATE SA | ZA | ![]() |
||
80 | 940459-00 | 1 | BASE | ZA | ![]() |
||
81 | 868082-00 | 4 | SPRING | ZA | ![]() |
||
83 | 942904-00 | 1 | SPRING | ZA | ![]() |
||
84 | 868147-01 | 2 | ROD | 10mm x 360mm | ZA | ![]() |
|
85 | 326573-01 | 4 | SCREW WING | ZA | ![]() |
||
87 | 948581-00 | 1 | FENCE SA | ZA | |||
89 | 868120-00 | 1 | CAPACITOR | ZA | ![]() |
||
90 | 248978-00 | 4 | WASHER SPRING | ZA | ![]() |
||
92 | 942930-00 | 1 | LOCK | ZA | ![]() |
||
95 | 249412-20 | 2 | SCREW | ZA | ![]() |
||
100 | 868148-00 | 1 | SPANNER | ZA | ![]() |
||
101 | 868111-00 | 1 | SPANNER | ZA | ![]() |
||
103 | 860073-01 | 1 | WASHER | ZA | ![]() |
||
104 | 932839-00 | 3 | WASHER | ZA | ![]() |
||
108 | 868127-01 | 1 | SPACER | ZA | ![]() |
||
130 | 941541-00 | 1 | CIRCLIP | ZA | ![]() |