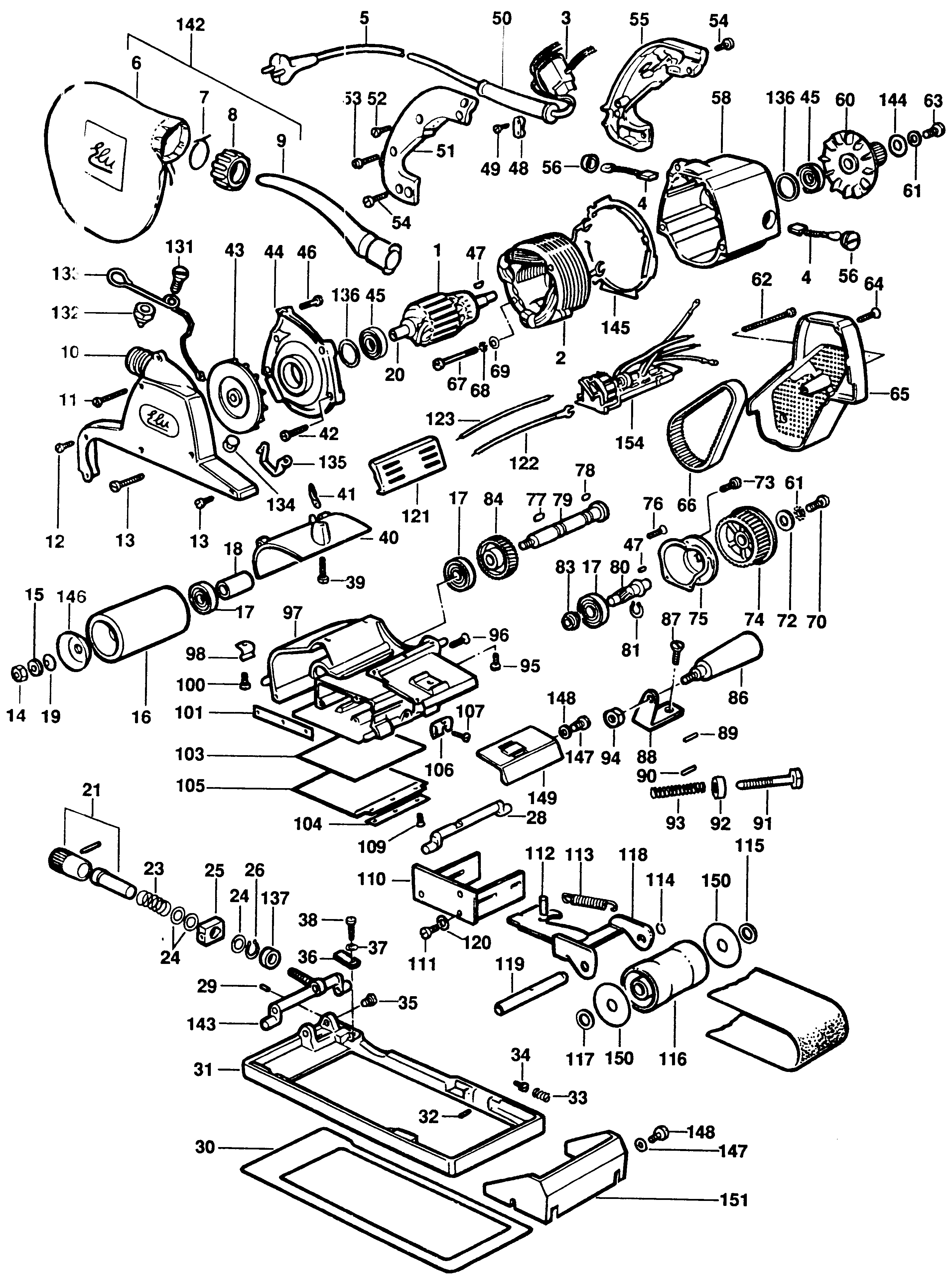
MHB90E BELT SANDER Type 1 | Drawings
Documents

Item No. | Product Number | Qty Per | Product Description | General Description | Other Info | Markets | Product Status |
---|---|---|---|---|---|---|---|
1 | 090100202 | 1 | ARMATURE | ZA | ![]() |
||
2 | 090102102 | 1 | FIELD 220V | ZA | |||
3 | 249031-00 | 1 | SWITCH | ZA | ![]() |
||
4 | 013121501 | 2 | BRUSH 220V | ZA | ![]() |
||
5 | 030101907 | 1 | CORDSET | ZA | ![]() |
||
7 | 090161600 | 1 | RING | ZA | ![]() |
||
8 | 050112400 | 1 | NUT | ZA | ![]() |
||
9 | 248121-05 | 1 | BAG DUST SA | ZA | ![]() |
||
10 | 247664-05 | 1 | FANCASE KIT | Yellow | ZA | ||
11 | 247144-05 | 1 | SCREW | ZA | ![]() |
||
12 | 017811102 | 1 | SCREW | ZA | ![]() |
||
13 | 001811102 | 4 | SCREW | ZA | ![]() |
||
14 | 249232-40 | 1 | NUT | ZA | ![]() |
||
15 | 004820100 | 1 | WASHER M10 | ZA | ![]() |
||
16 | 050116802 | 1 | ROLLER SA | ZA | ![]() |
||
17 | 055830000 | 3 | BEARING 6002 2RS | ZA | |||
18 | 050152300 | 1 | SPACER | ZA | |||
19 | 018931402 | 1 | SPRING | ZA | ![]() |
||
20 | 090821600 | 1 | SPACER | ZA | ![]() |
||
21 | 090250900 | 1 | ADJUSTER | ZA | ![]() |
||
23 | 013931037 | 2 | SPRING | ZA | |||
24 | 050930136 | 3 | WASHER | ZA | ![]() |
||
25 | 050257900 | 1 | BRUSH | ZA | ![]() |
||
26 | 860079-03 | 1 | CIRCLIP | ZA | ![]() |
||
28 | 050239700 | 2 | SHAFT | ZA | ![]() |
||
29 | 050814500 | 2 | SCREW | ZA | ![]() |
||
30 | 050252200 | 1 | PLATE | ZA | ![]() |
||
32 | 069913906 | 2 | PIN | ZA | ![]() |
||
33 | 050931076 | 1 | SPRING | ZA | ![]() |
||
34 | 050230401 | 2 | SCREW | ZA | ![]() |
||
35 | 021814400 | 2 | SCREW | ZA | ![]() |
||
36 | 050230000 | 2 | PLATE | ZA | ![]() |
||
37 | 725163 | 2 | WASHER | ZA | ![]() |
||
38 | 249424-01 | 2 | SCREW | ZA | ![]() |
||
39 | 249424-07 | 1 | SCREW | ZA | ![]() |
||
40 | 050118600 | 1 | PLATE | ZA | ![]() |
||
41 | 050123600 | 1 | SEAL | ZA | ![]() |
||
42 | 760996-00 | 3 | SCREW.TEMP | ZA | ![]() |
||
43 | 050111603 | 1 | FAN | ZA | ![]() |
||
44 | 090120204 | 1 | COVER | ZA | ![]() |
||
45 | 050830000 | 2 | BEARING 6001 RSZ | ZA | ![]() |
||
46 | 760978-01 | 3 | SCREW | ZA | ![]() |
||
47 | 050827000 | 2 | KEY | ZA | ![]() |
||
48 | 910556 | 1 | CABLE CLAMP | ZA | ![]() |
||
49 | 249416-06 | 2 | SCREW | ZA | ![]() |
||
50 | 320785 | 1 | CORD PROTECTOR | ZA | ![]() |
||
51 | 050151902 | 1 | PLATE | ZA | ![]() |
||
52 | 249416-03 | 1 | SCREW | ZA | ![]() |
||
53 | 760978-01 | 2 | SCREW | ZA | ![]() |
||
55 | 050123302 | 1 | GRIP | ZA | ![]() |
||
56 | 249007-01 | 2 | BRUSH CAP | ZA | ![]() |
||
58 | 248438-01 | 1 | HOUSING REPAIR KIT | ZA | ![]() |
||
61 | 860078-02 | 1 | WASHER | ZA | ![]() |
||
62 | 860089-21 | 1 | SCREW | ZA | ![]() |
||
63 | 249420-00 | 1 | SCREW | ZA | ![]() |
||
64 | 249424-07 | 1 | SCREW | ZA | ![]() |
||
65 | 090120207 | 1 | COVER BELT | ZA | ![]() |
||
66 | 050260300 | 1 | BELT GROOVED | ZA | ![]() |
||
67 | 911442 | 2 | RETAINER | ZA | |||
68 | 725163 | 2 | WASHER | ZA | ![]() |
||
69 | 249233-00 | 2 | WASHER | ZA | ![]() |
||
70 | 760234-00 | 1 | SCREW | ZA | ![]() |
||
72 | 868042-00 | 1 | WASHER | ZA | ![]() |
||
73 | 017811102 | 1 | SCREW | ZA | ![]() |
||
74 | 050111600 | 1 | PULLEY | ZA | ![]() |
||
75 | 050151901 | 1 | PLATE | ZA | ![]() |
||
76 | 017811102 | 3 | SCREW | ZA | ![]() |
||
77 | 021827000 | 1 | KEY | ZA | ![]() |
||
78 | 008827000 | 1 | KEY | ZA | ![]() |
||
79 | 050152600 | 1 | ROLLER SPINDLE | ZA | ![]() |
||
80 | 050150200 | 1 | GEAR | ZA | ![]() |
||
81 | 016821100 | 1 | CIRCLIP | ZA | ![]() |
||
83 | 018980105 | 1 | BEARING SINTER | ZA | ![]() |
||
84 | 050150900 | 1 | GEAR | ZA | ![]() |
||
86 | 140111000 | 1 | KNOB | ZA | ![]() |
||
87 | 050811400 | 1 | SCREW | ZA | ![]() |
||
88 | 249124-00 | 1 | LEVER | ZA | ![]() |
||
89 | 761065-00 | 1 | PIN | ZA | ![]() |
||
90 | 050912205 | 1 | PIN | ZA | ![]() |
||
91 | 050117100 | 1 | SCREW | ZA | ![]() |
||
92 | 050120904 | 1 | BUSH | ZA | ![]() |
||
93 | 761054-00 | 1 | SPRING | ZA | ![]() |
||
94 | 249411-10 | 1 | NUT | ZA | ![]() |
||
95 | 249424-06 | 3 | SCREW | ZA | ![]() |
||
96 | 249424-00 | 1 | SCREW | ZA | ![]() |
||
97 | 248125-02 | 1 | HOUSING REPAIR KIT | ZA | ![]() |
||
98 | 050930703 | 1 | SPRING | ZA | ![]() |
||
101 | 050116300 | 1 | STRIP | ZA | ![]() |
||
103 | 050111700 | 1 | PLATE | ZA | |||
104 | 050110000 | 1 | STRIP | ZA | |||
105 | 050110001 | 1 | PLATE | ZA | |||
106 | 050930700 | 1 | SPRING | ZA | ![]() |
||
107 | 249413-02 | 1 | SCREW | ZA | ![]() |
||
109 | 869355-00 | 1 | REPAIR KIT | ZA | ![]() |
||
110 | 050116500 | 1 | HOLDER | ZA | ![]() |
||
111 | 249424-01 | 4 | SCREW | ZA | ![]() |
||
112 | 868016-00 | 1 | RIVET | ZA | ![]() |
||
113 | 050931316 | 1 | SPRING | ZA | ![]() |
||
114 | 860079-03 | 1 | CIRCLIP | ZA | ![]() |
||
115 | 050930137 | 1 | WASHER | ZA | ![]() |
||
116 | 050104500 | 1 | ROLLER SA | ZA | ![]() |
||
117 | 050930137 | 1 | WASHER | ZA | ![]() |
||
118 | 050113200 | 1 | BRACKET | ZA | ![]() |
||
119 | 590984-00 | 1 | REPAIR KIT | ZA | ![]() |
||
120 | 725163 | 3 | WASHER | ZA | ![]() |
||
121 | 249015-00 | 2 | COVER BRUSH | ZA | ![]() |
||
122 | 090164501 | 2 | LEAD 80MM YELLOW | ZA | ![]() |
||
123 | 090164502 | 2 | LEAD 300MM RED | ZA | ![]() |
||
130 | 090106000 | 1 | REPAIR KIT | ZA | ![]() |
||
131 | 249412-13 | 1 | SCREW | ZA | ![]() |
||
132 | 247605-00 | 1 | NUT | ZA | ![]() |
||
133 | 247400-00 | 1 | CONTACT WIRE | ZA | ![]() |
||
134 | 247604-00 | 1 | RIVET | ZA | ![]() |
||
135 | 247399-00 | 1 | STRIP | ZA | ![]() |
||
136 | 247599-00 | 2 | GASKET | ZA | ![]() |
||
137 | 247401-00 | 1 | SPACER | ZA | ![]() |
||
141 | 248456-05 | 1 | FRONT ROLLER KIT | ZA | ![]() |
||
143 | 050239704 | 1 | SHAFT SA | ZA | ![]() |
||
144 | 040931409 | 2 | WASHER | ZA | ![]() |
||
145 | 324466-00 | 1 | BAFFLE | ZA | ![]() |
||
154 | 324131-06 | 1 | ELECTRONIC | Black | ZA | ![]() |