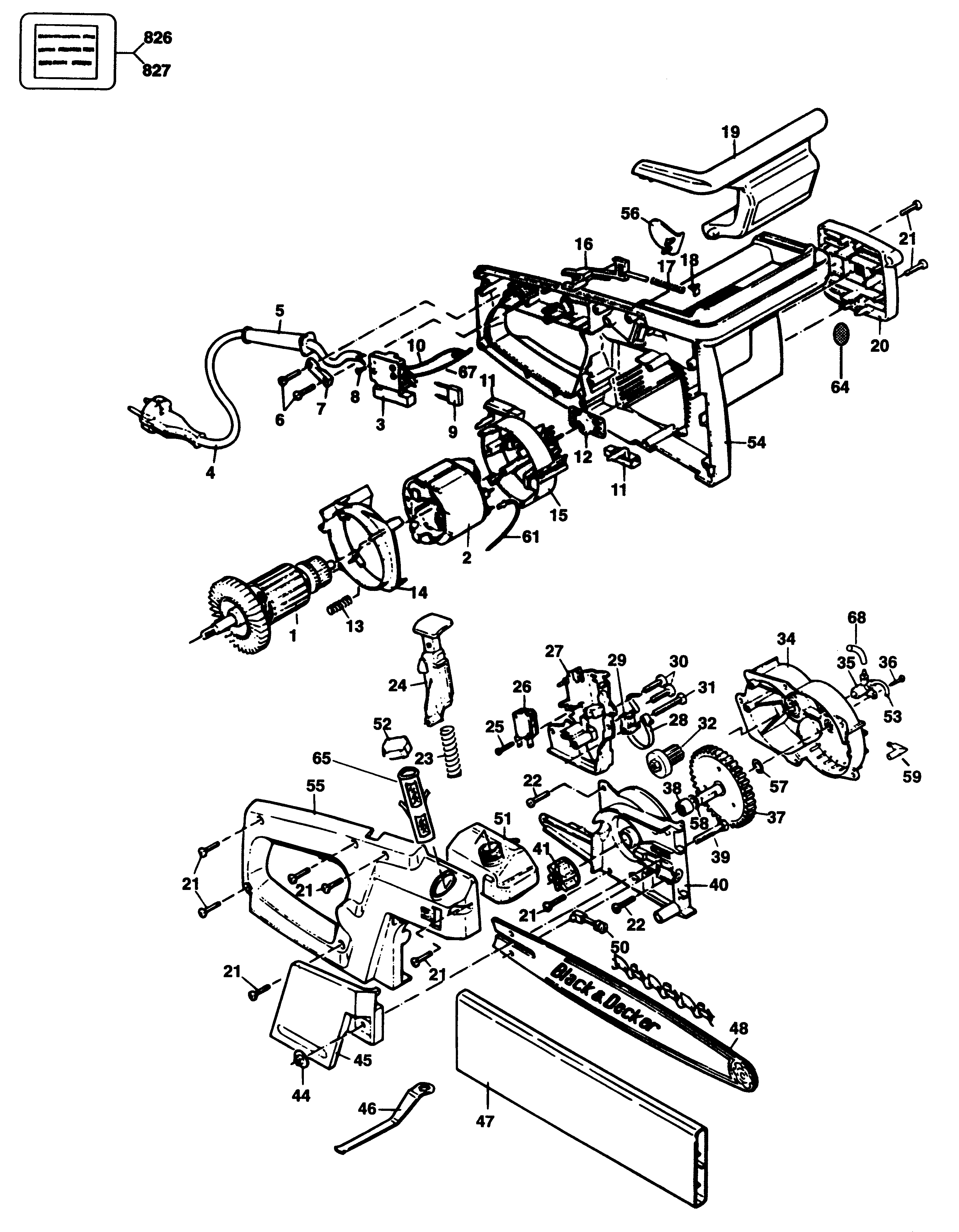
GK330 CHAINSAW Type 1 | Drawings
Documents

Item No. | Product Number | Qty Per | Product Description | General Description | Other Info | Markets | Product Status |
---|---|---|---|---|---|---|---|
1 | NLS | 1 | NOT STRUCTURED | AE | ![]() |
||
1 | 368817-01 | 1 | ARMATURE 240V | GB TYPE D1-D2-D3 | AE | ![]() |
|
2 | 369052-02 | 1 | FIELD | 240 volt | GB TYPE D1-D2-D3 | AE | ![]() |
2 | 327429-10 | 1 | FIELD 230V | AE | ![]() |
||
3 | 323631-00 | 1 | SWITCH | AE | ![]() |
||
4 | 324438-01 | 1 | CORDSET (EURO) | AE | ![]() |
||
4 | 330048-52 | 1 | CORDSET (SPLASH) | GB TYPE D1-D2-D3 | AE | ![]() |
|
5 | 859013 | 1 | PROTECTOR | AE | ![]() |
||
6 | 954567 | 2 | SCREW | AE | ![]() |
||
7 | 302002 | 1 | CABLE CLAMP | AE | ![]() |
||
8 | 734892 | 4 | SCREW | AE | ![]() |
||
9 | 321384 | 1 | CAPACITOR | AE | ![]() |
||
11 | 370983-02 | 2 | BRUSH & HOLDER 230V | AE | ![]() |
||
12 | 853685 | 1 | HEATSINK SA | AE | ![]() |
||
13 | 853710 | 2 | SPRING | AE | ![]() |
||
14 | 853711 | 1 | SUPPORT | AE | ![]() |
||
15 | 323855-00 | 1 | SUPPORT | TYPE D2-D3 | AE | ![]() |
|
16 | 842564 | 1 | BUTTON RELEASE | AE | ![]() |
||
17 | 736928 | 1 | SPRING | AE | ![]() |
||
18 | 325701-00 | 1 | CLIP | AE | ![]() |
||
19 | 736735 | 1 | LEVER | AE | ![]() |
||
20 | 323462-04 | 1 | END CAP | TYPE D2-D3 | AE | ![]() |
|
21 | 954567 | 9 | SCREW | AE | ![]() |
||
22 | 954183 | 2 | SCREW | AE | ![]() |
||
23 | 842771 | 1 | SPRING | AE | ![]() |
||
24 | 842912-01 | 1 | LEVER | AE | ![]() |
||
25 | 809986-00 | 1 | SCREW | AE | ![]() |
||
26 | 323341-02 | 1 | SWITCH | AE | ![]() |
||
27 | 325718-00 | 1 | PLATE SA | AE | ![]() |
||
28 | 842565 | 1 | BAND BRAKE | AE | ![]() |
||
29 | 840774 | 1 | INSERT | AE | ![]() |
||
30 | 893444 | 2 | SCREW | AE | ![]() |
||
31 | 750950 | 1 | SCREW | AE | ![]() |
||
32 | 325381-00 | 1 | GEAR SA | AE | ![]() |
||
34 | 323657-01 | 1 | HOUSING BEARING | AE | ![]() |
||
35 | 323546-00 | 1 | PUMP | AE | ![]() |
||
36 | 870702 | 2 | SCREW | AE | ![]() |
||
37 | 323449-01 | 1 | GEAR | AE | ![]() |
||
38 | 330004-06 | 1 | BEARING NEEDLE | AE | ![]() |
||
40 | 323957-00 | 1 | CASTING SA | AE | ![]() |
||
41 | N542284 | 1 | SPROCKET | AE | ![]() |
||
41 | N542284 | 1 | SPROCKET | AE | ![]() |
||
44 | 885628 | 1 | NUT | AE | ![]() |
||
45 | 853736-02 | 1 | COVER | AE | ![]() |
||
46 | 325194-00 | 1 | SPANNER | AE | ![]() |
||
47 | 376587-02 | 1 | SHEATH | AE | ![]() |
||
50 | 843666-49 | 1 | ADJUSTER SA | AE | ![]() |
||
51 | 323458-01 | 1 | RESERVOIR SA | AE | ![]() |
||
52 | 853697 | 1 | CAP | AE | ![]() |
||
53 | 323644-00 | 1 | HOSE | AE | ![]() |
||
54 | 322832-00 | 1 | HOUSING | AE | ![]() |
||
56 | 323652-00 | 1 | PLUG | AE | ![]() |
||
57 | 323830-00 | 2 | WASHER | AE | ![]() |
||
58 | 323753-06 | 1 | WASHER | AE | ![]() |
||
59 | 323459-00 | 1 | OILER | AE | ![]() |
||
60 | 322711 | 1 | RUBBER | AE | |||
61 | 853719 | 1 | LEAD | AE | ![]() |
||
64 | 323857-01 | 1 | PLATE | TYPE D2-D3 | AE | ![]() |
|
65 | 323871-00 | 1 | FILTER | TYPE D2-D3 | AE | ![]() |
|
67 | 321730-01 | 1 | LEAD SA | AE | |||
68 | 323644-01 | 1 | HOSE | AE | ![]() |
||
826 | 323713-00 | 1 | LABEL | AE | ![]() |
||
827 | 323392-03 | 1 | WARNING LABEL | AE | ![]() |