P5512 ANGLE GRINDER Type 3 | Drawings
Documents

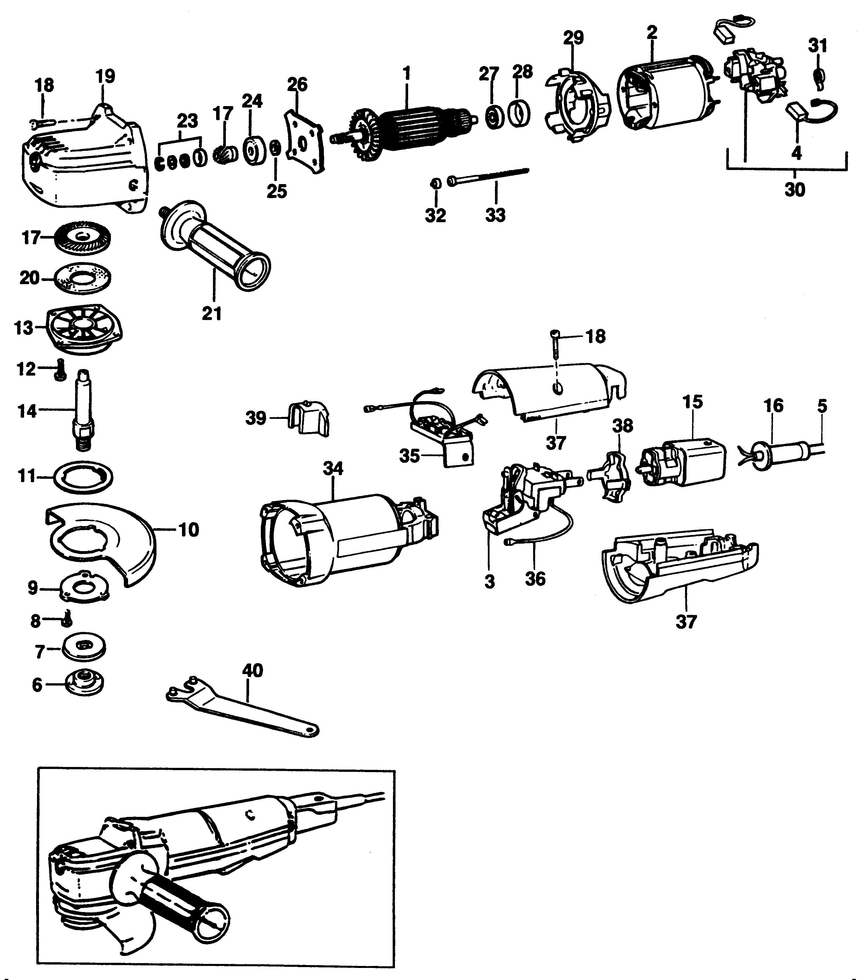
Item No. | Product Number | Qty Per | Product Description | General Description | Other Info | Markets | Product Status |
---|---|---|---|---|---|---|---|
1 | 949846-05 | 1 | ARMATURE | AE | ![]() |
||
2 | 949847-07 | 1 | FIELD | AE | ![]() |
||
3 | 949822-03 | 1 | SWITCH | 5512-AUST | AE | ![]() |
|
3 | 949822-03 | 1 | SWITCH | AE | ![]() |
||
4 | 939539-01 | 2 | BRUSH CUT OFF | AE | ![]() |
||
5 | 330120-86 | 1 | CORDSET | AE | ![]() |
||
5 | 330120-86 | 1 | CORDSET | 5512-AUST | AE | ![]() |
|
5 | 330120-86 | 1 | CORDSET | 5512-AUST | AE | ![]() |
|
6 | 403430-00 | 1 | OUTER FLANGE | AE | ![]() |
||
7 | 930771-00 | 1 | INNER FLANGE | AE | ![]() |
||
8 | 930251-00 | 3 | SCREW | AE | ![]() |
||
10 | 937412 | 1 | GUARD | AE | ![]() |
||
11 | 938272 | 1 | RING | AE | ![]() |
||
12 | 930770-00 | 4 | SCREW | AE | ![]() |
||
13 | 944055 | 1 | GEARCASE COVER SA | AE | ![]() |
||
14 | 946414-00 | 1 | SPINDLE | AE | ![]() |
||
15 | 945899-01 | 1 | PLUG | 5512-AUST | AE | ![]() |
|
15 | 945899-01 | 1 | PLUG | AE | ![]() |
||
16 | N542553 | 1 | CORD PROTECTOR | AE | ![]() |
||
16 | N542553 | 1 | CORD PROTECTOR | 5512-AUST | AE | ![]() |
|
16 | N542553 | 1 | CORD PROTECTOR | 5512-AUST | AE | ![]() |
|
16 | N542553 | 1 | CORD PROTECTOR | AE | ![]() |
||
17 | 946550-00 | 1 | GEAR SA | AE | ![]() |
||
18 | 930079-01 | 6 | SCREW | AE | ![]() |
||
19 | 946131-00 | 1 | GEARCASE SA | AE | ![]() |
||
20 | 946418-00 | 1 | FELT | AE | ![]() |
||
23 | 937668 | 1 | CIRCLIP SA | AE | ![]() |
||
24 | 577745-00 | 1 | BEARING | AE | ![]() |
||
25 | 930753-00 | 1 | WASHER | AE | ![]() |
||
27 | 330003-34 | 1 | BEARING | AE | ![]() |
||
28 | 930029-00 | 1 | HOLDER BEARING | AE | ![]() |
||
29 | 946134-00 | 1 | BAFFLE | AE | ![]() |
||
30 | 936955 | 1 | BRUSH HOLDER SA | AE | ![]() |
||
31 | 930090-00 | 2 | BRUSH SPRING | AE | |||
32 | 933657-00 | 2 | CAP | AE | ![]() |
||
33 | 930077-00 | 2 | SCREW | AE | ![]() |
||
35 | 946751-00 | 1 | ELECTRONIC SA | AE | ![]() |
||
35 | 946751-01 | 1 | ELECTRONIC SA | 5512-AUST | AE | ![]() |
|
36 | 930728-00 | 2 | LEAD | AE | ![]() |
||
38 | 930761 | 1 | RING | 5512-AUST | AE | ![]() |
|
38 | 930761 | 1 | RING | AE | ![]() |
||
39 | 939246 | 1 | CAP | AE | ![]() |
||
40 | 947830-06 | 1 | WRENCH SPECIAL | AE | ![]() |