KD355RE DRILL Type 1 | Drawings
Documents

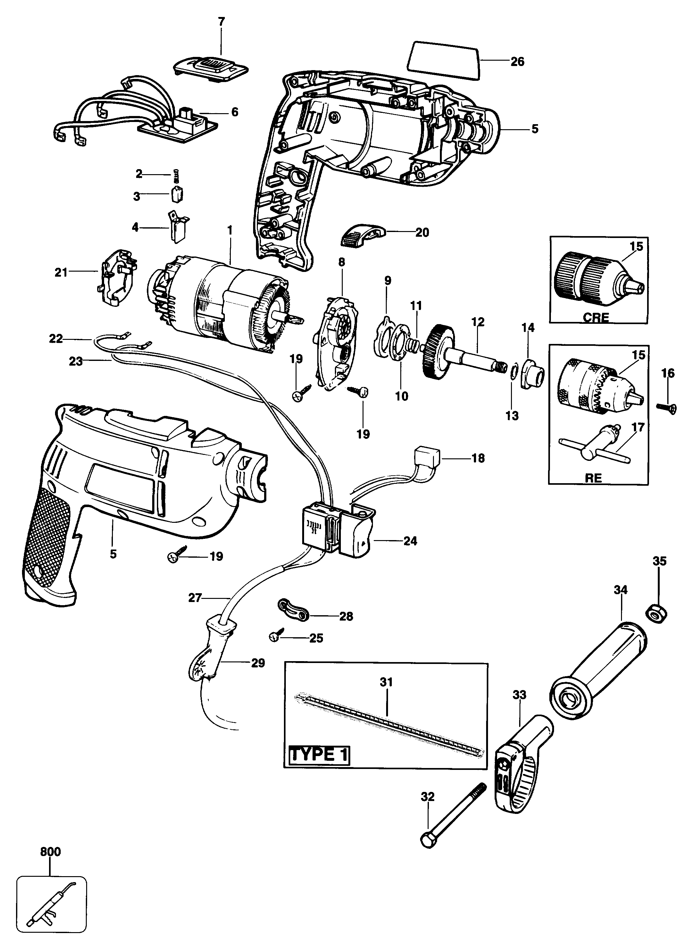
Item No. | Product Number | Qty Per | Product Description | General Description | Other Info | Markets | Product Status |
---|---|---|---|---|---|---|---|
1 | 376913-04 | 1 | MOTOR SA | B3 | GB | ![]() |
|
1 | 376913-03 | 1 | MOTOR SA | GB | ![]() |
||
2 | 847709 | 2 | SPRING | GB | ![]() |
||
3 | 376143 | 2 | BRUSH | GB | ![]() |
||
3 | 807026 | 2 | BRUSHBOX SA | B3 | GB | ![]() |
|
4 | 812738 | 2 | BRUSH HOLDER | GB | ![]() |
||
5 | 808362 | 1 | CLAMSHELL | GB | ![]() |
||
6 | 808368-01 | 1 | SWITCH REVERSE | B3 | GB | ![]() |
|
6 | 808368-00 | 1 | SWITCH REVERSE | GB | ![]() |
||
7 | 808369-00 | 1 | ACTUATOR | GB | ![]() |
||
8 | 823782 | 1 | COVER GEARCASE | GB | ![]() |
||
9 | 812962 | 1 | RING | GB | ![]() |
||
10 | 892261 | 1 | BEARING | GB | ![]() |
||
11 | 821986 | 1 | SPRING | GB | ![]() |
||
12 | 747323-49 | 1 | SPINDLE SA | GB | ![]() |
||
13 | 812979 | 1 | WASHER THRUST | GB | ![]() |
||
14 | 812973 | 1 | BEARING | GB | ![]() |
||
15 | 330033-23 | 1 | CHUCK 13MM | RE TYPE 1-3 | GB | ![]() |
|
15 | 330033-23 | 1 | CHUCK 13MM | 374450 TYPE 1 | GB | ![]() |
|
15 | 376080-02 | 1 | CHUCK 13MM | RE TYPE 2Z | GB | ![]() |
|
15 | 376080-02 | 1 | CHUCK 13MM | 374450 TYPE 1Z | GB | ![]() |
|
15 | 586589-00L | 1 | CHUCK KEYLESS | CRE | GB | ![]() |
|
15 | 586589-00L | 1 | CHUCK KEYLESS | KD455CRE | GB | ![]() |
|
15 | 330033-15 | 1 | CHUCK 10MM | KD455RE | GB | ||
16 | 805434 | 1 | SCREW.SPECIAL | GB | ![]() |
||
17 | 330034-06 | 1 | CHUCK KEY | RE TYPE 2Z | GB | ![]() |
|
17 | 330034-06 | 1 | CHUCK KEY | 374450 TYPE 1Z | GB | ![]() |
|
17 | 330034-07 | 1 | CHUCK KEY | RE TYPE 1-3 | GB | ![]() |
|
17 | 330034-07 | 1 | CHUCK KEY | 374450 TYPE 1 | GB | ![]() |
|
18 | 807745 | 1 | CAPACITOR | GB | ![]() |
||
19 | 809961 | 11 | SCREW | GB | |||
20 | 808370 | 1 | SELECTOR | GB | ![]() |
||
21 | 822789 | 1 | COVER | GB | ![]() |
||
22 | 371665 | 1 | LEAD SA | B3 | GB | ![]() |
|
22 | 813402 | 1 | LEAD SA | GB | ![]() |
||
23 | 371666 | 1 | LEAD | B3 | GB | ![]() |
|
23 | 369258 | 1 | LEAD | GB | ![]() |
||
24 | 808366-02 | 1 | SWITCH VARIABLE | GB | ![]() |
||
24 | 808366-01 | 1 | SWITCH VARIABLE | B3 | GB | ![]() |
|
24 | 371274-01 | 1 | SWITCH | KD350RE-KD351CRE TY2 | GB | ![]() |
|
25 | 821057 | 2 | SCREW | No 6 x 12.7mm | GB | ![]() |
|
26 | 808371-05 | 1 | BRAND LABEL | KD355RE | GB | ![]() |
|
26 | 808371-14 | 1 | BRAND LABEL | KD351CRE | GB | ![]() |
|
26 | 808371-00 | 1 | BRAND LABEL | KD350RE | GB | ![]() |
|
26 | 808371-16 | 1 | BRAND LABEL | 374450 | GB | ![]() |
|
27 | 805389 | 1 | CORDSET | B3 | GB | ||
27 | 330060-53 | 1 | CORDSET | GB | ![]() |
||
28 | 821070 | 1 | CORD CLAMP | GB | ![]() |
||
29 | 770235 | 1 | PROTECTOR | GB | ![]() |
||
31 | 808401 | 1 | DEPTH STOP | TYPE 1 | GB | ![]() |
|
32 | 813918 | 1 | SCREW | GB | ![]() |
||
33 | 808405 | 1 | CLAMP | TYPE 1 | GB | ![]() |
|
33 | 808405 | 1 | CLAMP | KD350RE-KD351CRE TY2 | GB | ![]() |
|
33 | 808405 | 1 | CLAMP | TYPE 1 | GB | ![]() |
|
33 | 808405 | 1 | CLAMP | KD350RE-KD351CRE TY2 | GB | ![]() |
|
34 | 808402 | 1 | SIDE HANDLE | TYPE 1 | GB | ![]() |
|
34 | 823784 | 1 | HANDLE | KD350RE-KD351CRE TY2 | GB | ![]() |
|
35 | 896369 | 1 | NUT | GB | ![]() |
||
800 | 870889-02 | 1 | GREASE | GB | ![]() |