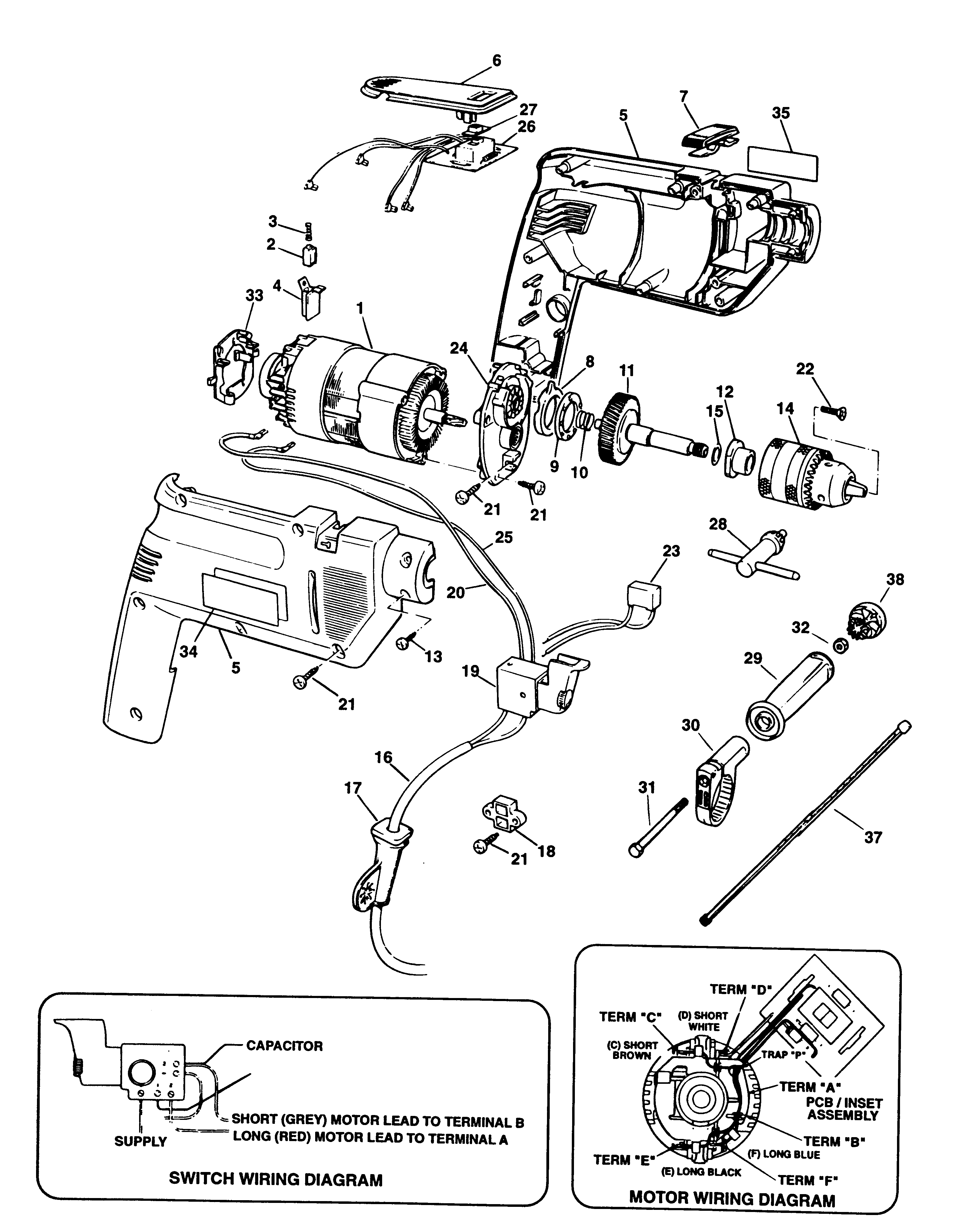
BD4100 TRAPANO Type 1 | Disegni
Documenti
Si prega di visualizzare il menu a tendina dal momento che alcuni prodotti potrebbero avere più disegni
| Item No. | Product Number | Qty Per | Product Description | INFORMAZIONI | Altre informazioni | Markets | Product Status |
|---|---|---|---|---|---|---|---|
| 1 | 376913-03 | 1 | SG MOTORE | CH | |||
| 1 | 376913-03 | 1 | SG MOTORE | SG 220V | CH | ||
| 1 | 376913-04 | 1 | SG MOTORE | SG 115V | CH | ||
| 2 | 376143 | 2 | SPAZZOLE | CH | |||
| 2 | 376143 | 2 | SPAZZOLE | SG 220V | CH | ||
| 2 | 839791 | 2 | BRUSHBOX | SG 115V | CH | ||
| 3 | 847709 | 2 | MOLLA | CH | |||
| 4 | 812738 | 2 | PORTASPAZZOLE | CH | |||
| 5 | 795187 | 1 | CORPO | BD4100 | CH | ||
| 5 | 795187 | 1 | CORPO | BD520R H1F | CH | ||
| 6 | 798017-01 | 1 | INSERTO | BD4100 | CH | ||
| 6 | 798017-01 | 1 | INSERTO | SBLR500E | CH | ||
| 6 | 798017-01 | 1 | INSERTO | UPGRADE H1F 115V | CH | ||
| 6 | 798017-01 | 1 | INSERTO | UPGRADE H1F 220/240V | CH | ||
| 8 | 812962 | 1 | ANELLO | CH | |||
| 9 | 892261 | 1 | CUSCINETTO | CH | |||
| 10 | 821986 | 1 | MOLLA | CH | |||
| 11 | 747323-49 | 1 | ASS. ALBERO | CH | |||
| 12 | 812973 | 1 | CUSCINETTO | CH | |||
| 13 | 805035 | 2 | VITE | CH | |||
| 14 | 330033-23 | 1 | CHUCK 13MM | CHUCK S2A | CH | ||
| 14 | 586589-00L | 1 | MANDRINO SENZA CHIA. | CHUCK KEYLESS | CH | ||
| 15 | 812979 | 1 | RONDELLA DI SPINTA | CH | |||
| 16 | 330048-05 | 1 | CORDSET (EURO) | SG 220V | CH | ||
| 16 | 745476 | 1 | CAVO CON SPINA | SG 115V | CH | ||
| 16 | 330048-27 | 1 | CAVO CON SPINA | CH | |||
| 17 | 770236 | 1 | MANICOTTO | CH | |||
| 18 | 994808 | 1 | SERRAFILO PER CAVO | CH | |||
| 19 | 372976-49 | 1 | KIT INTERRUTTORE | Capax | SG 220V | CH | |
| 19 | 372976-49 | 1 | KIT INTERRUTTORE | Capax | CH | ||
| 20 | 822216 | 1 | CAVETTO | CH | |||
| 20 | 822216 | 1 | CAVETTO | SG 220V | CH | ||
| 20 | 825457 | 1 | ASS. CAVETTO | SG 115V | CH | ||
| 21 | 809961 | 11 | VITE | CH | |||
| 22 | 805434 | 1 | SCREW.SPECIAL | CH | |||
| 23 | 793192 | 1 | ASS. CONDENSATRORE | CH | |||
| 23 | 822485 | 1 | CONDENSATORE | SG 220V | CH | ||
| 24 | 823782 | 1 | COPERT. SCAT. INGR. | CH | |||
| 25 | 830847 | 1 | ASS. CAVETTO | CH | |||
| 25 | 830847 | 1 | ASS. CAVETTO | SG 220V | CH | ||
| 25 | 825458 | 1 | ASS. CAVETTO | SG 115V | CH | ||
| 26 | 795348 | 1 | INTERRUTTORE | UPGRADE H1F 115V | CH | ||
| 26 | 794724 | 1 | INTERRUTTORE | BD4100 | CH | ||
| 26 | 794724 | 1 | INTERRUTTORE | SBLR500E | CH | ||
| 26 | 794724 | 1 | INTERRUTTORE | UPGRADE H1F 220/240V | CH | ||
| 27 | 795209 | 1 | ATTUATORE | BD4100 | CH | ||
| 27 | 795209 | 1 | ATTUATORE | SBLR500E | CH | ||
| 27 | 795209 | 1 | ATTUATORE | UPGRADE H1F 115V | CH | ||
| 27 | 795209 | 1 | ATTUATORE | UPGRADE H1F 220/240V | CH | ||
| 28 | 894688 | 1 | CHUCK KEY 13MM | CHUCK NON S2A | CH | ||
| 28 | 330034-07 | 1 | CHIAVE MANDRINO | CHUCK S2A | CH | ||
| 29 | 808402 | 1 | MANICO LATERALE | BD4100 | CH | ||
| 29 | 808402 | 1 | MANICO LATERALE | BD520R H1F | CH | ||
| 29 | 808402 | 1 | MANICO LATERALE | BD154R H1F | CH | ||
| 29 | 823784 | 1 | HANDLE | SBLR500E | CH | ||
| 29 | 823784 | 1 | HANDLE | TYPES H1/H1E | CH | ||
| 30 | 794464 | 1 | MORSETTO | BD4100 | CH | ||
| 30 | 794464 | 1 | MORSETTO | BD520R H1F | CH | ||
| 30 | 794464 | 1 | MORSETTO | BD154R H1F | CH | ||
| 30 | 370636-49 | 1 | KIT MORSETTO | SG 115V | CH | ||
| 30 | 370636-49 | 1 | KIT MORSETTO | SBLR500E | CH | ||
| 30 | 370636-49 | 1 | KIT MORSETTO | TYPES H1/H1E | CH | ||
| 31 | 813918 | 1 | VITE | BD4100 | CH | ||
| 31 | 813918 | 1 | VITE | BD520R H1F | CH | ||
| 31 | 813918 | 1 | VITE | BD154R H1F | CH | ||
| 31 | 813918 | 1 | VITE | TYPES H1/H1E | CH | ||
| 31 | 813918 | 1 | VITE | SBLR500E | CH | ||
| 32 | 896369 | 1 | DADO | BD4100 | CH | ||
| 32 | 896369 | 1 | DADO | BD520R H1F | CH | ||
| 32 | 896369 | 1 | DADO | BD154R H1F | CH | ||
| 32 | 896369 | 1 | DADO | TYPES H1/H1E | CH | ||
| 33 | 822789 | 1 | COPERTURA | CH | |||
| 35 | 796905-18 | 1 | ETICHETTA MARCHIO | SBLR500E | CH | ||
| 35 | 826584 | 1 | ETICHETTA MARCHIO | TYPES H1/H1E | CH | ||
| 35 | 796905-01 | 1 | ETICHETTA MARCHIO | BD154R H1F | CH | ||
| 36 | 794468 | 1 | ETICHETTA INVERSIONE | CH | |||
| 37 | 795957 | 1 | ASTA DI PROFONDITA' | BD4100 | CH | ||
| 37 | 795957 | 1 | ASTA DI PROFONDITA' | BD520R H1F | CH | ||
| 37 | 795957 | 1 | ASTA DI PROFONDITA' | BD154R H1F | CH | ||
| 37 | 814991 | 1 | ASTA DI PROFONDITA' | TYPES H1/H1E | CH | ||
| 37 | 807126 | 1 | ARRESTO PROFONDITA' | SBLR500E | CH | ||
| 38 | 797419 | 1 | PORTAUTENSILE | BD4100 | CH | ||
| 38 | 797419 | 1 | PORTAUTENSILE | BD520R H1F | CH | ||
| 38 | 797419 | 1 | PORTAUTENSILE | BD154R H1F | CH |