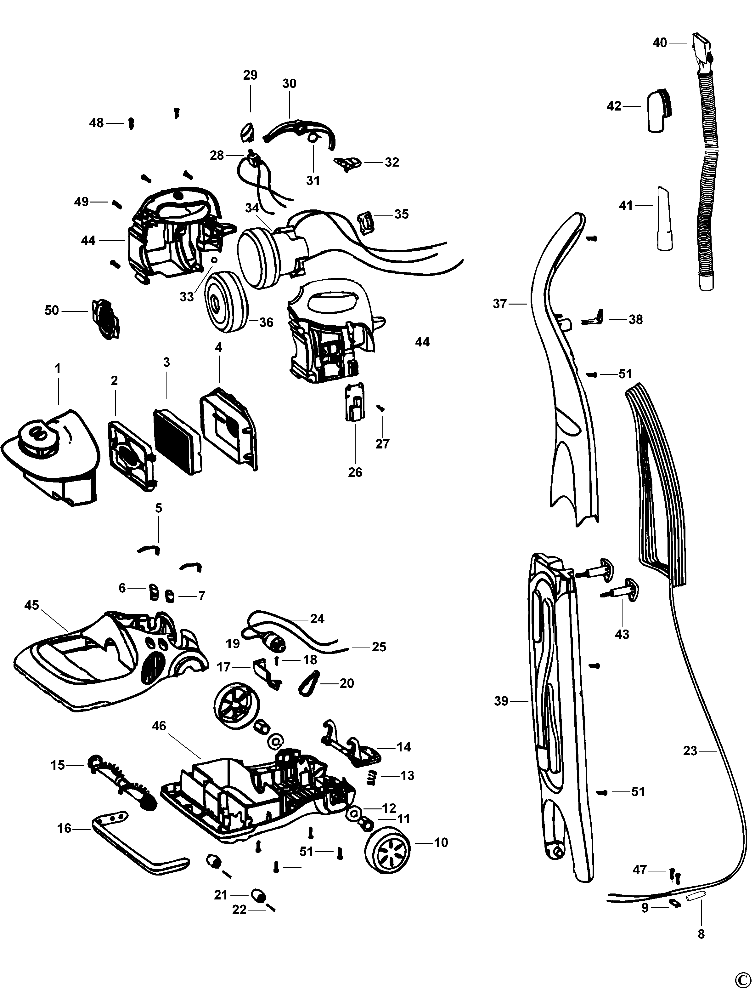
FV5501 FLOOR VAC Type H1 | Drawings
Documents
| Item No. | Product Number | Qty Per | Product Description | General Description | Other Info | Markets | Product Status |
|---|---|---|---|---|---|---|---|
| 1 | 5100500-01 | 1 | DUST COLLECTOR | GB | ![]() |
||
| 2 | 5100502-00 | 1 | FILTER | GB | ![]() |
||
| 3 | 5100504-00 | 1 | FILTER | FVF50 | GB | ![]() |
|
| 4 | 5100506-01 | 1 | COVER | Blue - 22mm | GB | ![]() |
|
| 5 | 5100592-00 | 2 | PLATE | GB | ![]() |
||
| 6 | 5100533-01 | 1 | INDICATOR | GB | ![]() |
||
| 7 | 5100546-00 | 1 | INDICATOR | GB | ![]() |
||
| 8 | 5100591-00 | 1 | TUBE | GB | ![]() |
||
| 9 | 5100573-00 | 1 | CORD CLAMP | GB | ![]() |
||
| 10 | 5100538-00 | 2 | WHEEL | GB | ![]() |
||
| 11 | 5100539-00 | 2 | BUSHING | GB | ![]() |
||
| 12 | 5100540-00 | 2 | WASHER | GB | ![]() |
||
| 13 | 5100544-00 | 1 | SPRING | GB | ![]() |
||
| 14 | 5100543-00 | 1 | LEVER RELEASE | GB | ![]() |
||
| 15 | 5100550-00 | 1 | POWERBRUSH SA | GB | ![]() |
||
| 16 | 5100542-00 | 1 | BUMPER | GB | ![]() |
||
| 17 | 5100545-00 | 1 | SUPPORT | GB | ![]() |
||
| 18 | 143062-02 | 1 | SCREW | GB | |||
| 19 | 5100562-04 | 1 | MOTOR SA | GB | ![]() |
||
| 20 | 5100561-00 | 1 | BELT TOOTHED | GB | ![]() |
||
| 21 | 5100536-00 | 2 | ROLLER | GB | ![]() |
||
| 22 | 5100537-00 | 2 | AXLE | GB | ![]() |
||
| 23 | 5100474-02 | 1 | CORDSET | GB | ![]() |
||
| 24 | 5100575-03 | 1 | LEAD BLACK | GB | ![]() |
||
| 25 | 5100575-02 | 1 | LEAD RED | GB | ![]() |
||
| 26 | 5100594-01 | 1 | PCB SA | GB | ![]() |
||
| 27 | 143062-02 | 1 | SCREW | GB | |||
| 28 | 5100468-00 | 1 | SWITCH SA | GB | ![]() |
||
| 29 | 5100465-01 | 1 | ACTUATOR | GB | ![]() |
||
| 30 | 5100466-00 | 1 | LINK | GB | ![]() |
||
| 31 | 5100469-00 | 1 | SPRING | GB | ![]() |
||
| 32 | 5100464-01 | 1 | ACTUATOR | GB | ![]() |
||
| 33 | 5100572-00 | 1 | BALL STEEL | GB | ![]() |
||
| 34 | 5100471-02 | 1 | MOTOR SA | GB | ![]() |
||
| 35 | 5100473-00 | 1 | GASKET | GB | ![]() |
||
| 36 | 5100472-00 | 1 | GASKET | GB | ![]() |
||
| 37 | 5100431-01 | 1 | HANDLE UPPER | GB | ![]() |
||
| 38 | 5100436-01 | 1 | HOOK | GB | ![]() |
||
| 39 | 5100440-01 | 1 | LOWER HANDLE | GB | ![]() |
||
| 40 | 5100450-01 | 1 | HOSE SA | GB | ![]() |
||
| 41 | 5100459-01 | 1 | TOOL CREVICE | GB | ![]() |
||
| 42 | 5100458-01 | 1 | BRUSH SA | GB | ![]() |
||
| 43 | 5100548-01 | 2 | BOLT | GB | ![]() |
||
| 44 | 5100463-01 | 1 | CLAMSHELL SET | GB | ![]() |
||
| 45 | 5100531-03 | 1 | HOUSING TOP | GB | ![]() |
||
| 46 | 5100535-02 | 1 | HOUSING LOWER | GB | ![]() |
||
| 47 | 5100439-01 | 2 | SCREW | 3.6 x 18mm | GB | ![]() |
|
| 48 | 5100439-01 | 4 | SCREW | 3.6 x 18mm | GB | ![]() |
|
| 49 | 143062-02 | 6 | SCREW | GB | |||
| 50 | 5100541-01 | 1 | GRILL | GB | ![]() |
||
| 51 | 5100439-01 | 25 | SCREW | 3.6 x 18mm | GB | ![]() |
