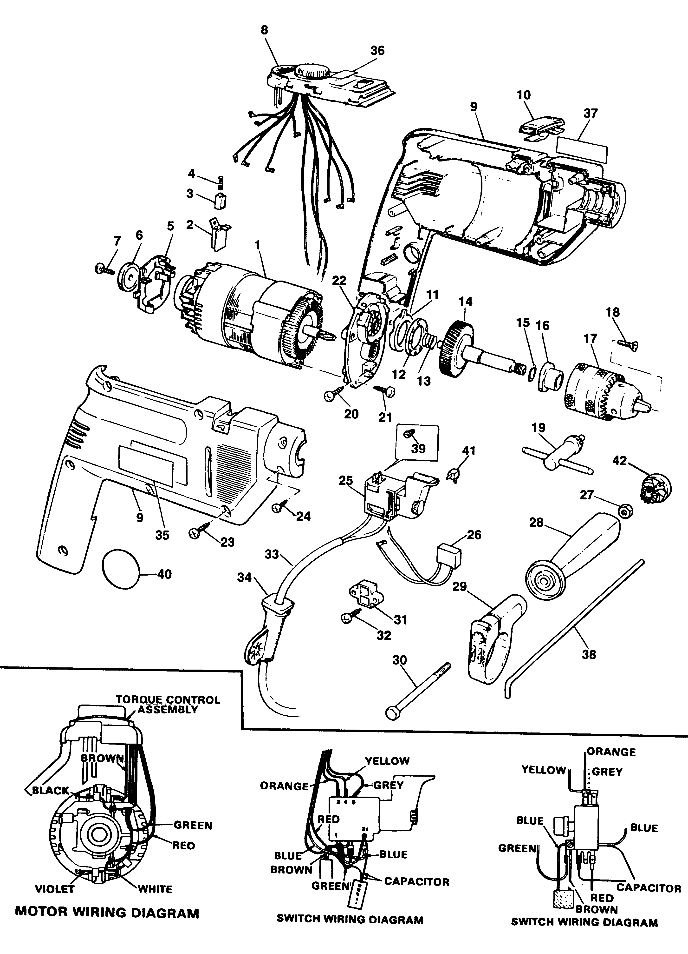
BD550RT DRILL Type 1 | Drawings
Documents

Item No. | Product Number | Qty Per | Product Description | General Description | Other Info | Markets | Product Status |
---|---|---|---|---|---|---|---|
1 | 376913-03 | 1 | MOTOR SA | AE | ![]() |
||
2 | 812738 | 2 | BRUSH HOLDER | AE | ![]() |
||
3 | 376143 | 2 | BRUSH | AE | ![]() |
||
4 | 847709 | 2 | SPRING | AE | ![]() |
||
5 | 822789 | 1 | COVER | AE | ![]() |
||
7 | 823943 | 1 | SCREW | AE | ![]() |
||
8 | 797434 | 1 | ELECTRONIC SA | BD155RT | AE | ![]() |
|
8 | 797434 | 1 | ELECTRONIC SA | BD155RT H1F | AE | ![]() |
|
8 | 797434 | 1 | ELECTRONIC SA | BD550RT H1F | AE | ![]() |
|
8 | 797434 | 1 | ELECTRONIC SA | BD4300 | AE | ![]() |
|
8 | 814587 | 1 | ELECTRONIC | D155RT | AE | ![]() |
|
9 | 795187 | 1 | CLAMSHELL | BD550RT H1F | AE | ![]() |
|
11 | 812962 | 1 | RING | AE | ![]() |
||
12 | 892261 | 1 | BEARING | AE | ![]() |
||
13 | 821986 | 1 | SPRING | AE | ![]() |
||
14 | 747323-49 | 1 | SPINDLE SA | AE | ![]() |
||
15 | 812979 | 1 | WASHER THRUST | AE | ![]() |
||
16 | 812973 | 1 | BEARING | AE | ![]() |
||
17 | 586589-00L | 1 | CHUCK KEYLESS | CHUCK KEYLESS | AE | ![]() |
|
17 | 330033-23 | 1 | CHUCK 13MM | CHUCK S2A | AE | ![]() |
|
18 | 805434 | 1 | SCREW.SPECIAL | AE | ![]() |
||
19 | 330034-07 | 1 | CHUCK KEY | CHUCK S2A | AE | ![]() |
|
19 | 894688 | 1 | CHUCK KEY 13MM | CHUCK NON S2A | AE | ![]() |
|
20 | 809961 | 2 | SCREW | AE | |||
21 | 809961 | 3 | SCREW | AE | |||
22 | 823782 | 1 | COVER GEARCASE | AE | ![]() |
||
23 | 809961 | 6 | SCREW | AE | |||
24 | 805035 | 2 | SCREW | AE | ![]() |
||
25 | 831500 | 1 | SWITCH | AE | ![]() |
||
26 | 823825 | 1 | CAPACITOR SA | AE | ![]() |
||
27 | 896369 | 1 | NUT | AE | ![]() |
||
28 | 808402 | 1 | SIDE HANDLE | BD155RT H1F | AE | ![]() |
|
28 | 808402 | 1 | SIDE HANDLE | BD550RT H1F | AE | ![]() |
|
28 | 808402 | 1 | SIDE HANDLE | BD4300 | AE | ![]() |
|
28 | 823784 | 1 | HANDLE | BD155RT | AE | ![]() |
|
29 | 794464 | 1 | CLAMP | BD155RT H1F | AE | ![]() |
|
29 | 794464 | 1 | CLAMP | BD550RT H1F | AE | ![]() |
|
29 | 794464 | 1 | CLAMP | BD4300 | AE | ![]() |
|
29 | 370636-49 | 1 | CLAMP KIT | BD155RT | AE | ![]() |
|
30 | 813918 | 1 | SCREW | AE | ![]() |
||
31 | 994808 | 1 | CABLE CLAMP | AE | ![]() |
||
32 | 809961 | 2 | SCREW | AE | |||
33 | 330048-05 | 1 | CORDSET (EURO) | AE | ![]() |
||
34 | 770236 | 1 | PROTECTOR | AE | ![]() |
||
36 | 796937 | 1 | LABEL | BD155RT H1F | AE | ![]() |
|
36 | 796937 | 1 | LABEL | BD4300 | AE | ![]() |
|
37 | 796905-02 | 1 | BRAND LABEL | BD155RT H1F | AE | ![]() |
|
38 | 795957 | 1 | DEPTH ROD | BD155RT H1F | AE | ![]() |
|
38 | 795957 | 1 | DEPTH ROD | BD550RT H1F | AE | ![]() |
|
38 | 795957 | 1 | DEPTH ROD | BD4300 | AE | ![]() |
|
38 | 814991 | 1 | DEPTH ROD | BD155RT | AE | ![]() |
|
39 | 990735 | 1 | SCREW | AE | ![]() |
||
40 | 794468 | 1 | LABEL REVERSING | BD155RT | AE | ![]() |
|
40 | 794468 | 1 | LABEL REVERSING | BD155RT H1F | AE | ![]() |
|
40 | 794468 | 1 | LABEL REVERSING | BD550RT H1F | AE | ![]() |
|
40 | 794468 | 1 | LABEL REVERSING | BD4300 | AE | ![]() |
|
41 | 820758 | 1 | TERMINAL | AE | ![]() |
||
42 | 797419 | 1 | HOLDER | BD155RT H1F | AE | ![]() |
|
42 | 797419 | 1 | HOLDER | BD550RT H1F | AE | ![]() |