D25900K DEMOLITION HAMMER Type 2 | Drawings
Documents
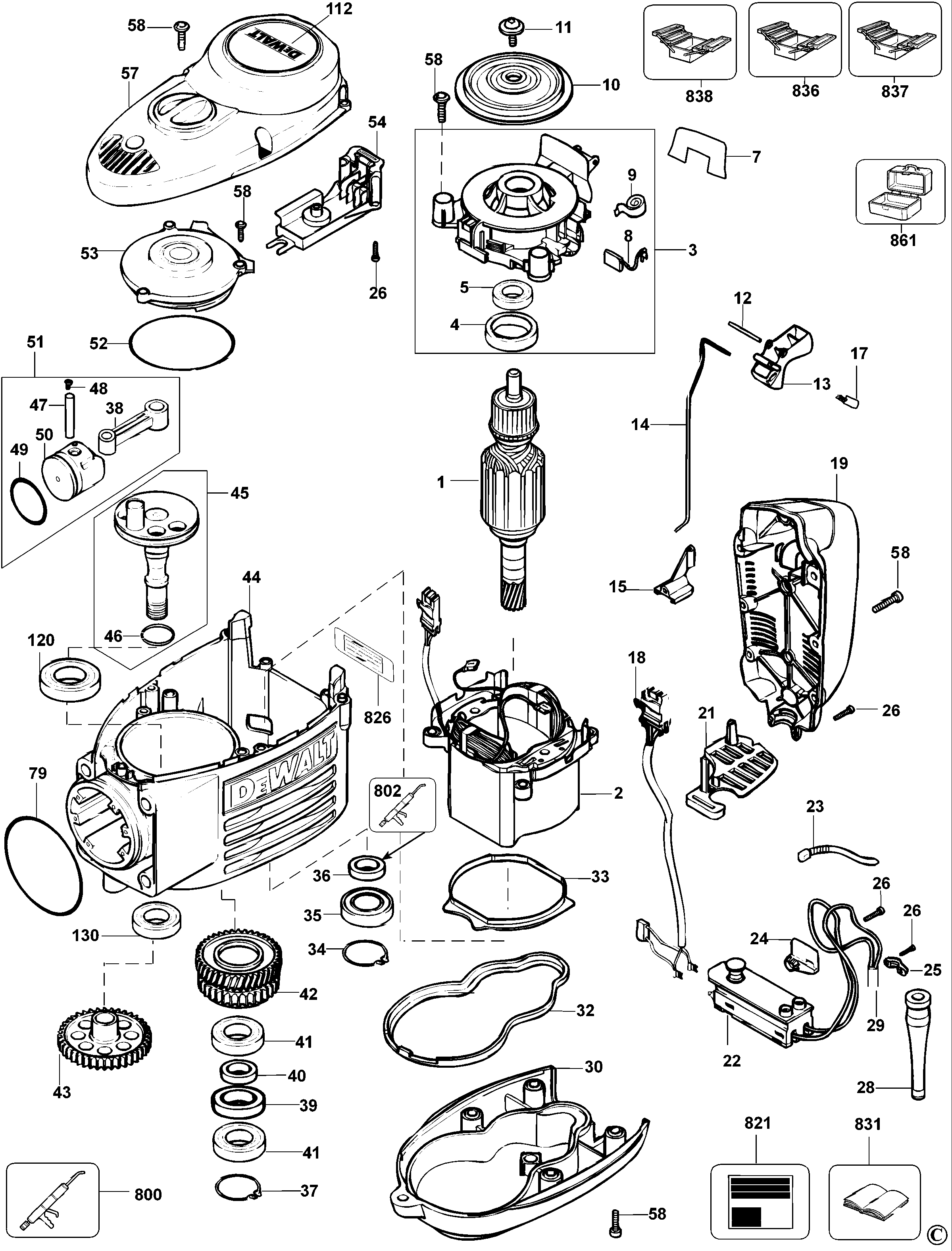
| Item No. | Product Number | Qty Per | Product Description | General Description | Other Info | Markets | Product Status |
|---|---|---|---|---|---|---|---|
| 1 | 579837-02 | 1 | ARMATURE 230V | CH | |||
| 2 | 579827-00 | 1 | FIELD 230V | CH | |||
| 3 | 487266-02 | 1 | BRUSH HOLDER 230V | CH | |||
| 4 | 590191-00 | 1 | SLEEVE INSULATING | CH | |||
| 5 | 577745-00 | 1 | BEARING | CH | |||
| 7 | 1007800-00 | 1 | SEAL | CH | |||
| 8 | 588698-00 | 1 | BRUSH PAIR 230V | CH | |||
| 9 | 487377-00 | 2 | BRUSH SPRING | CH | |||
| 10 | 487252-00 | 1 | FAN SA | CH | |||
| 11 | 324119-02 | 1 | SCREW | CH | |||
| 12 | 377374 | 1 | PIN | CH | |||
| 13 | 487276-00 | 1 | TRIGGER | CH | |||
| 14 | 487285-00 | 1 | ROD | CH | |||
| 15 | 487286-00 | 1 | ACTUATOR | CH | |||
| 17 | 326467-00 | 2 | DETENT | CH | |||
| 18 | 487326-00 | 1 | LEAD SWITCH SA | CH | |||
| 19 | 487275-00 | 1 | Handle | CH | |||
| 21 | 487388-00 | 1 | COVER | CH | |||
| 22 | N485853 | 1 | SWITCH | CH | |||
| 23 | 579093-01 | 1 | CABLE TIE | CH | |||
| 23 | 579093-01 | 1 | CABLE TIE | CH | |||
| 24 | 487378-00 | 1 | BRACKET | CH | |||
| 25 | 821070 | 1 | CORD CLAMP | CH | |||
| 26 | 330065-08 | 7 | SCREW | M4x18 T20 | CH | ||
| 28 | 323091-01 | 1 | CORD PROTECTOR | CH | |||
| 30 | 487271-00 | 1 | COVER | CH | |||
| 32 | 487224-00 | 1 | SEAL | CH | |||
| 33 | 576387-00 | 1 | SEAL | CH | |||
| 34 | 324821-04 | 1 | CIRCLIP | CH | |||
| 35 | N570313 | 1 | BEARING | CH | |||
| 36 | 487209-01 | 1 | SEAL | CH | |||
| 37 | 324821-03 | 1 | CIRCLIP | CH | |||
| 38 | N542565 | 1 | CON ROD | CH | |||
| 38 | N542565 | 1 | CON ROD | CH | |||
| 39 | 578452-00 | 1 | SPACER | CH | |||
| 40 | 578451-00 | 1 | SPACER | CH | |||
| 41 | 605040-26 | 2 | BEARING | CH | |||
| 42 | 579782-00 | 1 | GEAR | CH | |||
| 43 | 579783-00 | 1 | GEAR | CH | |||
| 44 | 579772-00 | 1 | GEARCASE SA | CH | |||
| 45 | 579839-00 | 1 | CRANKSHAFT | CH | |||
| 46 | 576451-00 | 1 | RING | CH | |||
| 47 | 487208-00 | 1 | PIN | CH | |||
| 48 | 581656-00 | 2 | PIN | CH | |||
| 49 | 487213-00 | 1 | O RING | CH | |||
| 50 | 579774-00 | 1 | PISTON | CH | |||
| 51 | 579779-01 | 1 | PISTON KIT | CH | |||
| 52 | 323711-47 | 1 | O RING | CH | |||
| 53 | N147098 | 1 | COVER SA | CH | |||
| 54 | 584376-06 | 1 | ELECTRONIC 230V | CH | |||
| 56 | 487284-00 | 2 | WASHER CLAMP | CH | |||
| 57 | 487344-00 | 1 | MOTOR COVER | CH | |||
| 58 | 324007-11 | 23 | SCREW | M5 X 18 | CH | ||
| 59 | 584240-00 | 1 | HANDLE SIDE SA | CH | |||
| 60 | 487343-00 | 1 | BOLT | CH | |||
| 61 | 487277-00 | 1 | Handle | CH | |||
| 62 | 487278-00 | 2 | WASHER | CH | |||
| 63 | 487281-00 | 1 | CLAMP | CH | |||
| 64 | 487291-00 | 1 | KNOB SA | CH | |||
| 65 | 949886-32 | 4 | SCREW | CH | |||
| 66 | 487282-00 | 1 | COVER HOUSING | CH | |||
| 67 | 579832-00 | 1 | BEAT PIECE | CH | |||
| 68 | 487270-00 | 1 | BUSH | CH | |||
| 69 | 487288-00 | 1 | DAMPER | CH | |||
| 70 | 579786-00 | 1 | BUSH | CH | |||
| 71 | 487298-00 | 2 | O RING | CH | |||
| 72 | 487203-00 | 1 | BUSH | CH | |||
| 73 | 487297-00 | 1 | O RING | CH | |||
| 74 | 323711-41 | 2 | O RING | CH | |||
| 75 | N075954 | 1 | CYLINDER | CH | |||
| 76 | 579780-00 | 1 | RAM | CH | |||
| 77 | 487296-00 | 1 | O RING | CH | |||
| 78 | 579769-00 | 1 | HOUSING FRONT | CH | |||
| 79 | 323711-55 | 1 | O RING | CH | |||
| 80 | 487293-00 | 1 | SPRING GUIDE | CH | |||
| 81 | 487247-00 | 2 | SPRING | CH | |||
| 82 | 576488-00 | 2 | SPRING GUIDE | CH | |||
| 83 | 579781-00 | 1 | COUNTERWEIGHT | CH | |||
| 86 | 576489-00 | 1 | SPRING GUIDE | CH | |||
| 87 | 487238-01 | 1 | SEAL | CH | |||
| 88 | 487205-00 | 1 | RING | CH | |||
| 89 | 487241-00 | 1 | WASHER | CH | |||
| 90 | 487244-00 | 1 | RUBBER | CH | |||
| 91 | 487236-00 | 1 | SLEEVE | CH | |||
| 92 | 579784-00 | 1 | LOCKING RING | CH | |||
| 93 | 487218-00 | 1 | SPRING | CH | |||
| 94 | 487249-00 | 1 | BUSH | CH | |||
| 95 | 489672-00 | 2 | KEY | CH | |||
| 96 | 487240-00 | 1 | BUSHING | CH | |||
| 97 | 487216-00 | 1 | SPRING | CH | |||
| 98 | 487268-00 | 1 | SPRING GUIDE | CH | |||
| 99 | 487289-00 | 1 | SPRING | CH | |||
| 100 | N542567 | 1 | SLEEVE SA | CH | |||
| 100 | N542567 | 1 | SLEEVE SA | CH | |||
| 101 | 487237-00 | 1 | SLEEVE | CH | |||
| 102 | 918825-02 | 6 | SCREW | CH | |||
| 103 | 579778-00 | 1 | FLANGE | CH | |||
| 104 | 323711-15 | 1 | O RING | CH | |||
| 107 | 579773-00 | 1 | SPINDLE SA | CH | |||
| 108 | N014007 | 1 | SEAL | CH | |||
| 109 | 487287-00 | 1 | O RING | CH | |||
| 110 | 1007543-00 | 1 | BEARING BUSH | CH | |||
| 111 | 579771-00 | 1 | HOLDER TOOL | CH | |||
| 112 | 487392-00 | 1 | LABEL | CH | |||
| 120 | 330003-68 | 1 | BEARING | CH | |||
| 130 | 330003-69 | 1 | BEARING | CH | |||
| 800 | 578970-06 | 1 | GREASE 150 GMS | 145gms | CH | ||
| 801 | 328771-07 | 1 | GREASE | 50G, BIT GREASE | CH | ||
| 802 | 870889-02 | 1 | GREASE | CH | |||
| 826 | 487395-01 | 1 | LABEL | CH | |||
| 836 | 559617-99 | 1 | S.T.SUPPORT JIG | Crank Gear removal. | CH | ||
| 837 | 559618-99 | 1 | S.T.SUPPORT JIG | Motor assembly jig | CH | ||
| 838 | 559621-99 | 1 | SERVICE TOOL | Armature brg tool | CH | ||
| 840 | 559619-99 | 1 | S.T.CIRCLIP REMOVER | Snap ring assy tool. | CH | ||
| 845 | 559620-99 | 1 | S.T.SEAL FITTING TOOL | Spindle seal tool | CH | ||
| 847 | 581016-00 | 1 | SERVICE KIT 230V | Full Service. | CH | ||
| 847 | 581015-02 | 1 | SERVICE KIT 230V | First Service. | CH | ||
| 861 | 487353-03 | 1 | KITBOX | CH |