P3902 CIRCULAR SAW Type 1 | Drawings
Documents
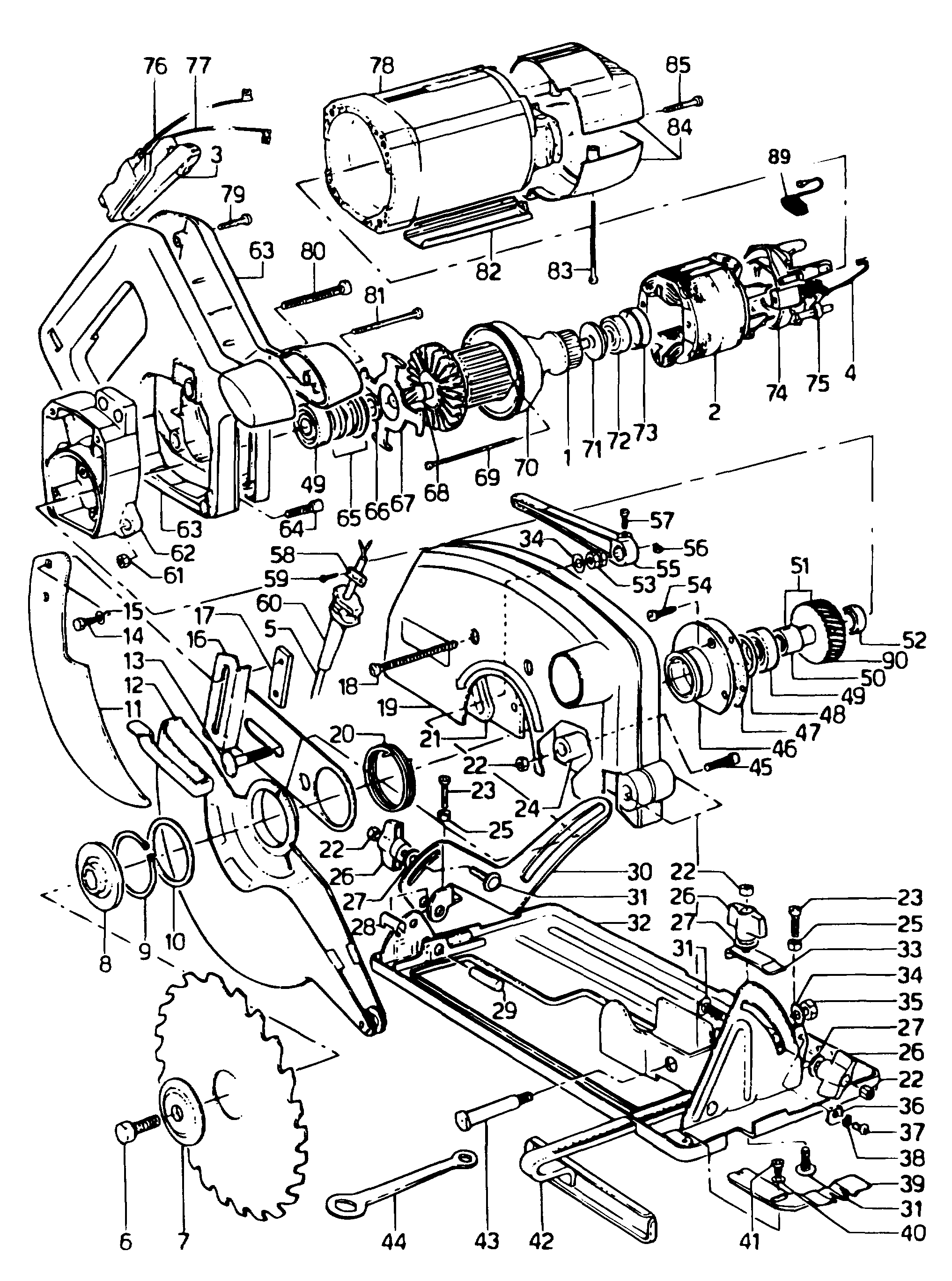
| Item No. | Product Number | Qty Per | Product Description | General Description | Other Info | Markets | Product Status |
|---|---|---|---|---|---|---|---|
| 1 | 868388-01 | 1 | ARMATURE | SG 115V | CH | ||
| 1 | 868388-01 | 1 | ARMATURE | GB 115V | CH | ||
| 1 | 868388-01 | 1 | ARMATURE | AE-MX-VE-PA 115V | CH | ||
| 1 | 868388-02 | 1 | ARMATURE | CH | |||
| 2 | 940483-49 | 1 | FIELD 230V | CH | |||
| 2 | 868531-02 | 1 | FIELD 230V | GB-AE 240V | CH | ||
| 3 | 949411-01 | 1 | SWITCH | GB 115V | CH | ||
| 3 | 949411-01 | 1 | SWITCH | AE-MX-VE-PA 115V | CH | ||
| 3 | 931717 | 1 | SWITCH | SG 115V | CH | ||
| 3 | 949411-00 | 1 | SWITCH | GB-AE 240V | CH | ||
| 3 | 949411-00 | 1 | SWITCH | CH | |||
| 4 | 940160-01 | 1 | BRUSH CUT OFF | 230V | CH | ||
| 4 | 940160-00 | 1 | BRUSH CUT OFF | CUT-OFF | SG 115V | CH | |
| 4 | 940160-00 | 1 | BRUSH CUT OFF | CUT-OFF | GB 115V | CH | |
| 4 | 940160-00 | 1 | BRUSH CUT OFF | CUT-OFF | AE-MX-VE-PA 115V | CH | |
| 5 | 937761 | 1 | CABLE | SG 115V | CH | ||
| 5 | 937761 | 1 | CABLE | AE-MX-VE-PA 115V | CH | ||
| 5 | 949770-10 | 1 | CABLE & PLUG | GB-AE 240V | CH | ||
| 5 | 949770-31 | 1 | CABLE & PLUG | GB 115V | CH | ||
| 5 | 940278 | 1 | CABLE | CH | |||
| 6 | 931022-00 | 1 | BOLT | CH | |||
| 7 | 931432-00 | 1 | FLANGE | CH | |||
| 8 | 939142 | 1 | FLANGE | SG 115V | CH | ||
| 8 | 931433-00 | 1 | FLANGE | GB-AE 240V | CH | ||
| 8 | 931433-00 | 1 | FLANGE | GB 115V | CH | ||
| 8 | 931433-00 | 1 | FLANGE | AE-MX-VE-PA 115V | CH | ||
| 8 | 931433-00 | 1 | FLANGE | CH | |||
| 9 | 931450-00 | 1 | CIRCLIP | CH | |||
| 10 | 933169-00 | 1 | WASHER | CH | |||
| 11 | 625428-00 | 1 | RIVING KNIFE | GB-AE 240V | CH | ||
| 11 | 625428-00 | 1 | RIVING KNIFE | GB 115V | CH | ||
| 11 | 625428-00 | 1 | RIVING KNIFE | AE-MX-VE-PA 115V | CH | ||
| 11 | 625428-00 | 1 | RIVING KNIFE | CH | |||
| 12 | 939503 | 1 | GUARD | SG 115V | CH | ||
| 12 | 933411-00 | 1 | GUARD | GB-AE 240V | CH | ||
| 12 | 933411-00 | 1 | GUARD | GB 115V | CH | ||
| 12 | 933411-00 | 1 | GUARD | AE-MX-VE-PA 115V | CH | ||
| 12 | 933411-00 | 1 | GUARD | CH | |||
| 13 | 931462-00 | 1 | SCREW | CH | |||
| 14 | 860085-15 | 2 | SCREW | GB-AE 240V | CH | ||
| 14 | 860085-15 | 2 | SCREW | GB 115V | CH | ||
| 14 | 860085-15 | 2 | SCREW | AE-MX-VE-PA 115V | CH | ||
| 14 | 860085-15 | 2 | SCREW | CH | |||
| 15 | 933055-00 | 2 | WASHER | GB-AE 240V | CH | ||
| 15 | 933055-00 | 2 | WASHER | GB 115V | CH | ||
| 15 | 933055-00 | 2 | WASHER | AE-MX-VE-PA 115V | CH | ||
| 15 | 933055-00 | 2 | WASHER | CH | |||
| 16 | 931443-00 | 1 | RIVING KNIFE | GB-AE 240V | CH | ||
| 16 | 931443-00 | 1 | RIVING KNIFE | GB 115V | CH | ||
| 16 | 931443-00 | 1 | RIVING KNIFE | AE-MX-VE-PA 115V | CH | ||
| 16 | 931443-00 | 1 | RIVING KNIFE | CH | |||
| 17 | 931445-00 | 1 | SUPPORT | GB-AE 240V | CH | ||
| 17 | 931445-00 | 1 | SUPPORT | GB 115V | CH | ||
| 17 | 931445-00 | 1 | SUPPORT | AE-MX-VE-PA 115V | CH | ||
| 17 | 931445-00 | 1 | SUPPORT | CH | |||
| 18 | 931010-00 | 4 | SCREW | CH | |||
| 19 | 931452-00 | 1 | GUARD | CH | |||
| 20 | 931430-00 | 1 | SPRING | CH | |||
| 21 | 931461-00 | 1 | SUPPORT | CH | |||
| 22 | 860083-03 | 3 | NUT | CH | |||
| 23 | 869076-00 | 2 | SCREW | CH | |||
| 24 | 931451-00 | 1 | STOP RUBBER | CH | |||
| 25 | 860083-02 | 2 | NUT | CH | |||
| 26 | 931406-00 | 3 | NUT WING | CH | |||
| 27 | 931407-00 | 3 | WASHER | CH | |||
| 28 | 931419-00 | 1 | PIN | CH | |||
| 29 | 931420-00 | 1 | PIN | CH | |||
| 31 | 949892-07 | 3 | SCREW | CH | |||
| 32 | 939497 | 1 | SHOE SA | SG 115V | CH | ||
| 32 | 933470-00 | 1 | SHOE SA | GB-AE 240V | CH | ||
| 32 | 933470-00 | 1 | SHOE SA | GB 115V | CH | ||
| 32 | 933470-00 | 1 | SHOE SA | AE-MX-VE-PA 115V | CH | ||
| 32 | 933470-00 | 1 | SHOE SA | CH | |||
| 33 | 931484-00 | 1 | LOCK | CH | |||
| 34 | 933168-00 | 2 | WASHER | CH | |||
| 35 | 931449-00 | 1 | NUT | CH | |||
| 36 | 933410-00 | 1 | INDICATOR | CH | |||
| 37 | 933653 | 1 | SCREW | CH | |||
| 38 | 933652-00 | 1 | WASHER | CH | |||
| 39 | 931408-00 | 1 | POINTER | CH | |||
| 40 | 930248-00 | 1 | WASHER | CH | |||
| 41 | 931011-00 | 1 | SCREW | CH | |||
| 42 | 931464-00 | 1 | FENCE | CH | |||
| 43 | 931447-00 | 1 | PIN | CH | |||
| 44 | 931467-00 | 1 | SPANNER | CH | |||
| 45 | 322928 | 1 | SCREW | CH | |||
| 46 | 933409-00 | 1 | COVER | CH | |||
| 47 | 931065-00 | 1 | GASKET | CH | |||
| 48 | 931057-00 | 1 | WASHER SPECIAL | CH | |||
| 49 | 868768-07 | 2 | BEARING | CH | |||
| 50 | 931437-00 | 1 | SPACER | CH | |||
| 51 | 869219-03 | 1 | SPINDLE & GEAR SA | CH | |||
| 52 | N110358 | 1 | BEARING | CH | |||
| 53 | 931463-00 | 1 | NUT | CH | |||
| 54 | 933058-00 | 1 | SCREW | CH | |||
| 55 | 931460-00 | 1 | LEVER | CH | |||
| 56 | 860083-10 | 1 | NUT | CH | |||
| 57 | 930224-00 | 1 | SCREW | CH | |||
| 58 | 931477-00 | 1 | CORD CLAMP | CH | |||
| 59 | 931469-02 | 2 | SCREW | CH | |||
| 60 | 930981-00 | 1 | CORD PROTECTOR | GB 115V | CH | ||
| 60 | 937325-00 | 1 | CORD PROTECTOR | SG 115V | CH | ||
| 60 | 937325-00 | 1 | CORD PROTECTOR | AE-MX-VE-PA 115V | CH | ||
| 60 | 931113-00 | 1 | CORD PROTECTOR | GB-AE 240V | CH | ||
| 60 | 931113-00 | 1 | CORD PROTECTOR | CH | |||
| 61 | 931035-00 | 3 | NUT | CH | |||
| 62 | 931056-00 | 1 | GEARCASE | CH | |||
| 63 | 932710-01 | 1 | HANDLE SA | GREY | CH | ||
| 64 | 860093-05 | 1 | SCREW.TEMP | CH | |||
| 65 | 931067-00 | 1 | SEAL SA | CH | |||
| 66 | 931062 | 1 | SPACER | CH | |||
| 67 | 931066-00 | 1 | FLANGE | CH | |||
| 68 | 930028-00 | 1 | O RING | CH | |||
| 69 | N412453 | 2 | SCREW | CH | |||
| 70 | 931073-00 | 1 | BAFFLE | CH | |||
| 71 | N174055 | 1 | SPACER | CH | |||
| 72 | 868768-00 | 1 | BEARING | CH | |||
| 73 | 938332-00 | 1 | SLEEVE | CH | |||
| 74 | 935746 | 1 | BRUSH PLATE SA | SG 115V | CH | ||
| 74 | 935746 | 1 | BRUSH PLATE SA | GB 115V | CH | ||
| 74 | 935746 | 1 | BRUSH PLATE SA | AE-MX-VE-PA 115V | CH | ||
| 74 | 935746 | 1 | BRUSH PLATE SA | SG 115V | CH | ||
| 74 | 935746 | 1 | BRUSH PLATE SA | GB 115V | CH | ||
| 74 | 935746 | 1 | BRUSH PLATE SA | AE-MX-VE-PA 115V | CH | ||
| 74 | D935745 | 1 | BRUSH PLATE SA | GB-AE 240V | CH | ||
| 74 | D935745 | 1 | BRUSH PLATE SA | CH | |||
| 75 | 931076-00 | 2 | SPRING | CH | |||
| 76 | 931086 | 1 | LEAD | CH | |||
| 77 | 931403 | 1 | LEAD | CH | |||
| 78 | 948134-09 | 1 | FIELDCASE SA | CH | |||
| 79 | 933914-01 | 4 | SCREW | CH | |||
| 80 | 931036-00 | 2 | SCREW | CH | |||
| 81 | 930082-01 | 1 | SCREW | CH | |||
| 82 | 403207-03 | 1 | COVER | BLACK | CH | ||
| 83 | 930752-00 | 2 | SCREW | CH | |||
| 84 | 932711-01 | 1 | END CAP SA | GREY | CH | ||
| 85 | 931297-00 | 2 | SCREW | CH | |||
| 89 | 940160-01 | 1 | BRUSH CUT OFF | 230V | GB-AE 240V | CH | |
| 89 | 940160-01 | 1 | BRUSH CUT OFF | 230V | CH | ||
| 89 | 940160-00 | 1 | BRUSH CUT OFF | CUT-OFF | SG 115V | CH | |
| 89 | 940160-00 | 1 | BRUSH CUT OFF | CUT-OFF | GB 115V | CH | |
| 89 | 940160-00 | 1 | BRUSH CUT OFF | CUT-OFF | AE-MX-VE-PA 115V | CH |