AST6XC ANGLE GRINDER Type 1 | Drawings
Documents
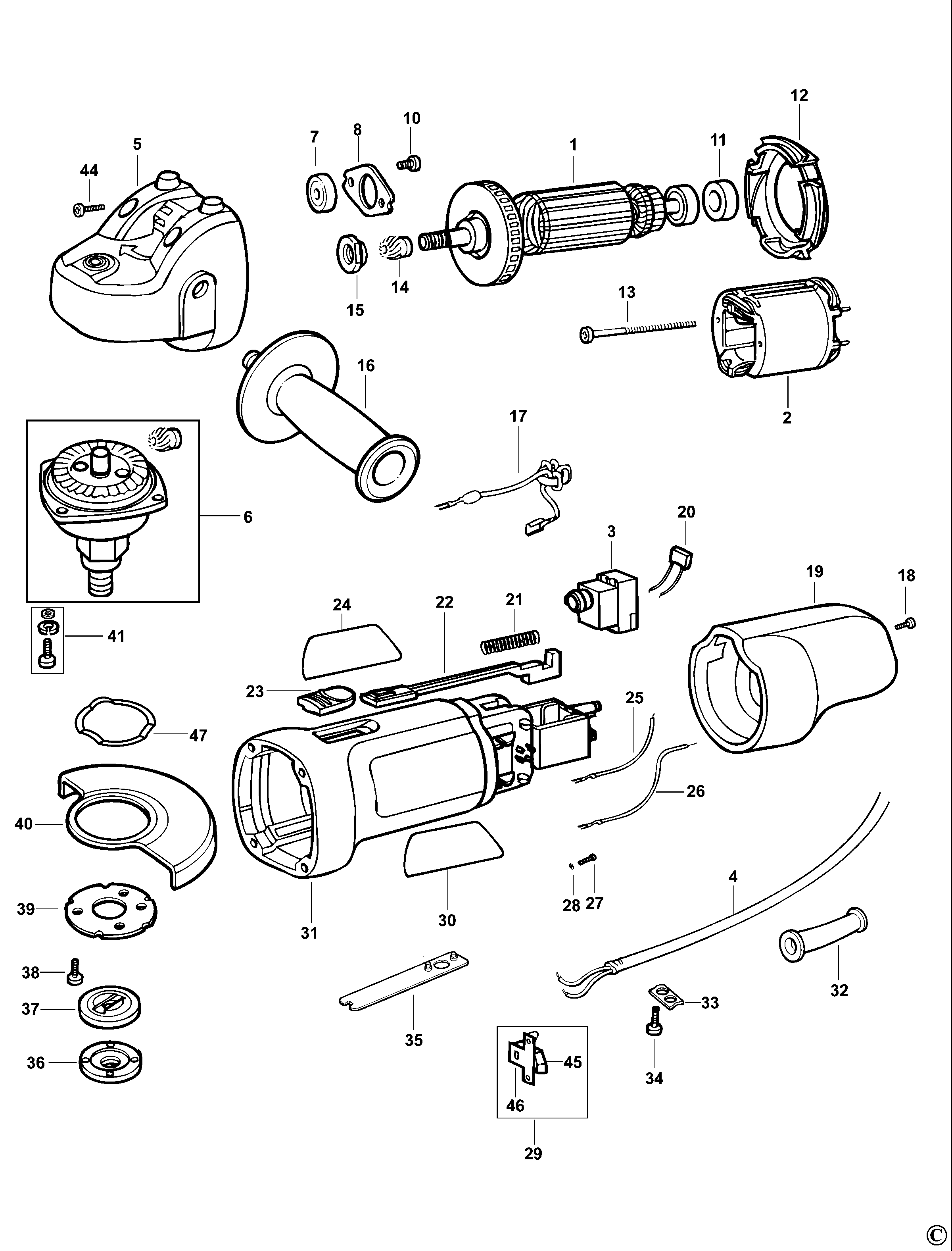
| Item No. | Product Number | Qty Per | Product Description | General Description | Other Info | Markets | Product Status |
|---|---|---|---|---|---|---|---|
| 1 | 569157-00 | 1 | ARMATURE SA | CH | |||
| 2 | 569158-00 | 1 | FIELD SA | CH | |||
| 3 | 569159-00 | 1 | SWITCH SA | CH | |||
| 4 | 569161-00 | 1 | CORDSET | CH | |||
| 5 | 569164-00 | 1 | GEARCASE SA | CH | |||
| 6 | 569165-00 | 1 | SPINDLE SA | CH | |||
| 7 | 569167-00 | 1 | BEARING | CH | |||
| 8 | 569168-00 | 1 | COVERPLATE | CH | |||
| 10 | 569170-00 | 2 | SCREW | CH | |||
| 11 | 569171-00 | 1 | COVER BEARING | CH | |||
| 12 | 569172-00 | 1 | BAFFLE | CH | |||
| 13 | 569173-00 | 2 | SCREW | CH | |||
| 14 | 569174-00 | 1 | PINION | CH | |||
| 15 | 569175-00 | 1 | NUT | CH | |||
| 16 | 569176-00 | 1 | HANDLE SA | CH | |||
| 17 | 569177-00 | 2 | LEAD SA | CH | |||
| 18 | 569178-00 | 1 | SCREW | CH | |||
| 19 | 569179-00 | 1 | COVER | CH | |||
| 20 | 569180-00 | 1 | CAPACITOR | CH | |||
| 21 | 569181-00 | 1 | SPRING | CH | |||
| 22 | 569182-00 | 1 | ROD | CH | |||
| 23 | 569183-00 | 1 | KNOB | CH | |||
| 24 | 569184-00 | 1 | LABEL | CH | |||
| 25 | 569186-00 | 1 | LEAD 90MM | CH | |||
| 26 | 569187-00 | 1 | LEAD 120MM BLACK | CH | |||
| 27 | 569188-00 | 4 | SCREW | CH | |||
| 28 | 569189-00 | 4 | WASHER | CH | |||
| 29 | 569190-00 | 2 | BRUSHBOX SA | CH | |||
| 30 | 569191-00 | 1 | LABEL | CH | |||
| 31 | 569193-00 | 1 | FIELDCASE | CH | |||
| 32 | 569194-00 | 1 | PROTECTOR | CH | |||
| 33 | 569195-00 | 1 | CABLE CLAMP | CH | |||
| 34 | 569196-00 | 2 | SCREW | CH | |||
| 35 | 569197-00 | 1 | SPANNER | CH | |||
| 36 | 569198-00 | 1 | OUTER FLANGE | CH | |||
| 37 | 569200-00 | 1 | INNER FLANGE | CH | |||
| 38 | 569202-00 | 3 | SCREW | CH | |||
| 39 | 569203-00 | 1 | FLANGE | CH | |||
| 40 | 569204-00 | 1 | GUARD | CH | |||
| 41 | 569206-00 | 4 | SCREW | CH | |||
| 44 | 569209-00 | 4 | SCREW | CH | |||
| 45 | 596071-00 | 2 | BRUSH 230V | CH | |||
| 46 | 596072-00 | 2 | BRUSHBOX | CH | |||
| 47 | 1004515-22 | 1 | WASHER THRUST | CH |