P3201 CHOP SAW Type 1 | Drawings
Documents
| Item No. | Product Number | Qty Per | Product Description | General Description | Other Info | Markets | Product Status |
|---|---|---|---|---|---|---|---|
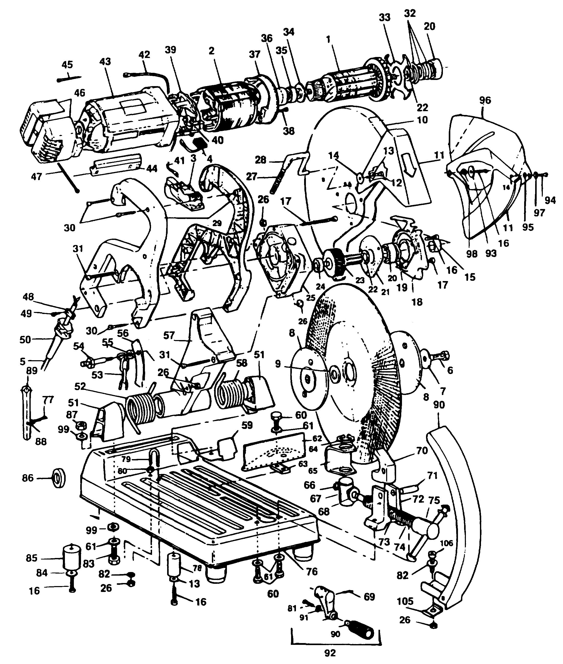
| 1 | 868415-01 | 1 | ARMATURE | AE-MX-PA-VE 120V | CH | ||
| 1 | 868415-00 | 1 | ARMATURE | CH | |||
| 1 | 868415-01 | 1 | ARMATURE | GB 115V | CH | ||
| 1 | 868415-00 | 1 | ARMATURE | GB 240V | CH | ||
| 2 | 940499-49 | 1 | FIELD 115V | AE-MX-PA-VE 120V | CH | ||
| 2 | 940480-49 | 1 | FIELD | CH | |||
| 2 | 940499-49 | 1 | FIELD 115V | GB 115V | CH | ||
| 2 | 940481 | 1 | FIELD | GB 240V | CH | ||
| 3 | 949411-03 | 1 | SWITCH | GB 115V | CH | ||
| 3 | 949411-02 | 1 | SWITCH | GB 240V | CH | ||
| 3 | 949411-02 | 1 | SWITCH | CH | |||
| 3 | 949411-03 | 1 | SWITCH | AE-MX-PA-VE 120V | CH | ||
| 4 | 940160-02 | 2 | BRUSH CUT OFF 115V | AE-MX-PA-VE 120V | CH | ||
| 4 | 940160-03 | 2 | BRUSH CUT OFF 230V | CH | |||
| 4 | 940160-03 | 2 | BRUSH CUT OFF 230V | GB 240V | CH | ||
| 4 | 940160-02 | 2 | BRUSH CUT OFF 115V | GB 115V | CH | ||
| 5 | 940278 | 1 | CABLE | CH | |||
| 5 | 949770-12 | 1 | CABLE & PLUG | GB 240V | CH | ||
| 5 | 949770-32 | 1 | CABLE | GB 115V | CH | ||
| 6 | 939938 | 1 | SCREW | CH | |||
| 7 | 931023-01 | 1 | WASHER | CH | |||
| 8 | 931024-00 | 2 | FLANGE | CH | |||
| 9 | 931038-00 | 1 | SPACER | CH | |||
| 10 | 939749 | 1 | GUARD SA | CH | |||
| 11 | 931037-00 | 1 | GUARD | GB 115V | CH | ||
| 11 | 931037-00 | 1 | GUARD | CH | |||
| 11 | 931037-00 | 1 | GUARD | AE-MX-PA-VE 120V | CH | ||
| 11 | 931037-00 | 1 | GUARD | GB 240V | CH | ||
| 12 | 931011-00 | 5 | SCREW | CH | |||
| 13 | 761035-00 | 6 | WASHER | CH | |||
| 14 | 931021-00 | 1 | NUT | CH | |||
| 14 | 931021-00 | 2 | NUT | AE-MX-PA-VE 120V | CH | ||
| 14 | 931021-00 | 2 | NUT | CH | |||
| 14 | 931021-00 | 2 | NUT | GB 115V | CH | ||
| 14 | 931021-00 | 2 | NUT | GB 240V | CH | ||
| 15 | 931025 | 1 | SPACER | CH | |||
| 16 | 861116-00 | 4 | SCREW | CH | |||
| 17 | 931010-00 | 4 | SCREW | CH | |||
| 18 | 931063-00 | 1 | GEARCASE COVER | CH | |||
| 19 | 931057-00 | 1 | WASHER SPECIAL | CH | |||
| 20 | 868768-07 | 2 | BEARING | CH | |||
| 21 | 931065-00 | 1 | GASKET | CH | |||
| 22 | 931062 | 2 | SPACER | CH | |||
| 23 | 939864-00 | 1 | SPINDLE & GEAR | CH | |||
| 24 | N110358 | 1 | BEARING | CH | |||
| 25 | 931056-00 | 1 | GEARCASE | CH | |||
| 26 | 931035-00 | 9 | NUT | CH | |||
| 27 | 931013-00 | 1 | SPRING | CH | |||
| 28 | 931012 | 1 | LOCK NUT | CH | |||
| 29 | 932813 | 1 | HANDLE SA | CH | |||
| 30 | 930079-01 | 5 | SCREW | CH | |||
| 31 | 931036-00 | 5 | SCREW | CH | |||
| 32 | 931067-00 | 1 | SEAL SA | CH | |||
| 33 | 931066-00 | 1 | FLANGE | CH | |||
| 34 | N174055 | 1 | SPACER | CH | |||
| 35 | 577745-00 | 1 | BEARING | CH | |||
| 36 | 938332-00 | 1 | SLEEVE | CH | |||
| 37 | 931073-00 | 1 | BAFFLE | CH | |||
| 38 | 931072 | 2 | SCREW | CH | |||
| 39 | 935747 | 1 | BRUSH PLATE SA | GB 240V | CH | ||
| 39 | 940501 | 1 | BRUSH HOLDER 115V | GB 115V | CH | ||
| 39 | 940501 | 1 | BRUSH HOLDER 115V | AE-MX-PA-VE 120V | CH | ||
| 39 | 935747 | 1 | BRUSH PLATE SA | CH | |||
| 40 | 931076-00 | 2 | SPRING | CH | |||
| 41 | 949801-01 | 1 | LEAD | AE-MX-PA-VE 120V | CH | ||
| 41 | 949801-01 | 1 | LEAD | GB 115V | CH | ||
| 41 | 949801-01 | 1 | LEAD | GB 240V | CH | ||
| 41 | 949801-01 | 1 | LEAD | CH | |||
| 42 | 931086 | 1 | LEAD | CH | |||
| 42 | 949801-01 | 1 | LEAD | AE-MX-PA-VE 120V | CH | ||
| 42 | 931086 | 1 | LEAD | GB 240V | CH | ||
| 42 | 949801-01 | 1 | LEAD | GB 115V | CH | ||
| 43 | 948162-09 | 1 | FIELDCASE SA | CH | |||
| 44 | 403207-03 | 1 | COVER | BLACK | CH | ||
| 45 | 931297-00 | 2 | SCREW | CH | |||
| 46 | 932711-01 | 1 | END CAP SA | GREY | CH | ||
| 47 | 930752-00 | 2 | SCREW | CH | |||
| 48 | 930103-00 | 1 | CORD CLAMP | CH | |||
| 49 | 930276 | 2 | SCREW | CH | |||
| 50 | 931113-00 | 1 | CORD PROTECTOR | CH | |||
| 50 | 937325-00 | 1 | CORD PROTECTOR | GB 115V | CH | ||
| 50 | 931113-00 | 1 | CORD PROTECTOR | GB 240V | CH | ||
| 50 | 937325-00 | 1 | CORD PROTECTOR | AE-MX-PA-VE 120V | CH | ||
| 52 | 931033 | 1 | SPRING RH | CH | |||
| 53 | 936348 | 1 | CHAIN | CH | |||
| 54 | 936347 | 1 | PIN | CH | |||
| 55 | 932912 | 1 | WASHER | CH | |||
| 56 | 933054 | 1 | DEPTH STOP | CH | |||
| 57 | 933098-00 | 1 | SUPPORT | CH | |||
| 58 | 931032 | 1 | SPRING LH | CH | |||
| 59 | 445454-00 | 1 | SHIELD | CH | |||
| 60 | 860085-04 | 4 | SCREW | CH | |||
| 61 | 931003 | 6 | WASHER | CH | |||
| 62 | 444453-00 | 1 | SCALE | CH | |||
| 63 | 931007 | 1 | PLATE | CH | |||
| 64 | 931053 | 1 | RING | CH | |||
| 65 | 447661-00 | 1 | CLEVIS PIN | CH | |||
| 66 | 931052-00 | 1 | RING | CH | |||
| 67 | 931050 | 1 | PIN | CH | |||
| 68 | 931051 | 1 | WASHER | CH | |||
| 69 | 11467 | 1 | PIN | CH | |||
| 70 | 447665-00 | 1 | LOCK HOOK | CH | |||
| 71 | 931054 | 1 | PIN | CH | |||
| 72 | 447657-00 | 1 | SUPPORT | CH | |||
| 73 | 447659-00 | 1 | LINER | CH | |||
| 74 | 447664-00 | 1 | SCREW | CH | |||
| 75 | 943147 | 1 | Handle | GB 240V | CH | ||
| 75 | 943147 | 1 | Handle | AE-MX-PA-VE 120V | CH | ||
| 75 | 943147 | 1 | Handle | CH | |||
| 75 | 943147 | 1 | Handle | GB 115V | CH | ||
| 76 | 939943-02 | 1 | BASE SA | AE-MX-PA-VE 120V | CH | ||
| 76 | 939943-02 | 1 | BASE SA | CH | |||
| 76 | 933087 | 1 | BASE SA | GB 115V | CH | ||
| 76 | 933087 | 1 | BASE SA | GB 240V | CH | ||
| 77 | 401903-00 | 1 | CHAIN | CH | |||
| 78 | 931040 | 1 | FOOT | CH | |||
| 79 | 930800 | 1 | LOCK HOOK | CH | |||
| 80 | 860083-03 | 2 | NUT | CH | |||
| 81 | 930240 | 1 | SCREW | AE-MX-PA-VE 120V | CH | ||
| 81 | 930240 | 1 | SCREW | GB 240V | CH | ||
| 81 | 930240 | 1 | SCREW | CH | |||
| 81 | 930240 | 1 | SCREW | GB 115V | CH | ||
| 82 | 860075-00 | 3 | WASHER | GB 115V | CH | ||
| 82 | 860075-00 | 1 | WASHER | CH | |||
| 82 | 860075-00 | 3 | WASHER | CH | |||
| 82 | 860075-00 | 3 | WASHER | GB 240V | CH | ||
| 82 | 860075-00 | 3 | WASHER | AE-MX-PA-VE 120V | CH | ||
| 83 | 930775-00 | 2 | SCREW | CH | |||
| 84 | 30251-00 | 3 | WASHER | CH | |||
| 85 | 444448-00 | 3 | FOOT | CH | |||
| 86 | 932662 | 1 | SPACER | CH | |||
| 87 | 860083-04 | 2 | NUT | CH | |||
| 88 | 445699-00 | 2 | HOOK | CH | |||
| 89 | 447918-00 | 1 | SPANNER | CH | |||
| 91 | 935422 | 1 | WASHER | GB 240V | CH | ||
| 91 | 935422 | 1 | WASHER | GB 115V | CH | ||
| 91 | 935422 | 1 | WASHER | CH | |||
| 91 | 935422 | 1 | WASHER | AE-MX-PA-VE 120V | CH | ||
| 92 | 447666-00 | 1 | VICE | CH | |||
| 92 | 447666-00 | 1 | VICE | AE-MX-PA-VE 120V | CH | ||
| 92 | 447666-00 | 1 | VICE | GB 115V | CH | ||
| 92 | 447666-00 | 1 | VICE | GB 240V | CH | ||
| 93 | 931407-00 | 1 | WASHER | GB 240V | CH | ||
| 93 | 931407-00 | 1 | WASHER | CH | |||
| 93 | 931407-00 | 1 | WASHER | GB 115V | CH | ||
| 93 | 931407-00 | 1 | WASHER | AE-MX-PA-VE 120V | CH | ||
| 99 | 931051 | 3 | WASHER | CH |