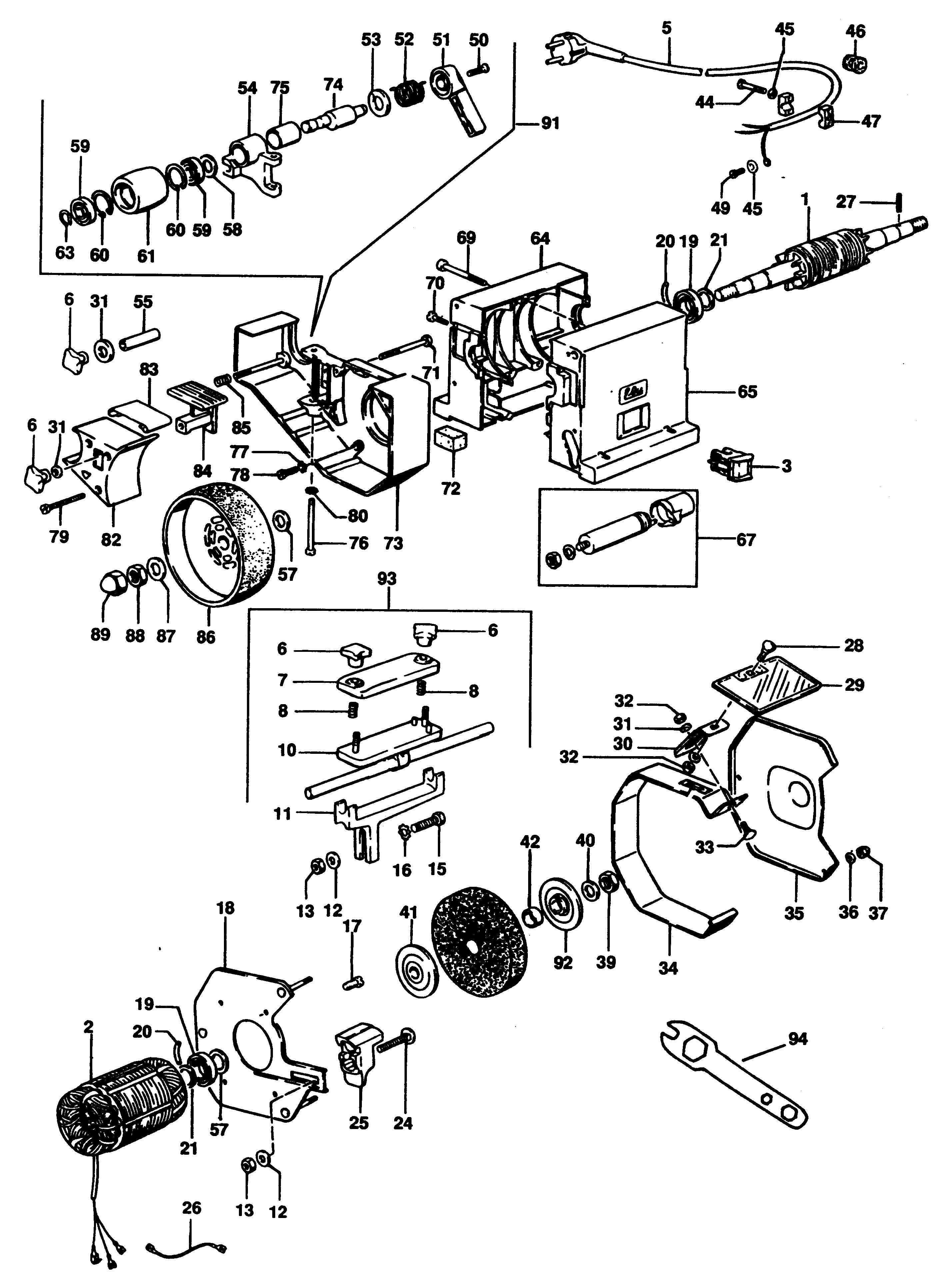
MWA149 BENCH GRINDER Type 1 | Drawings
Documents
| Item No. | Product Number | Qty Per | Product Description | General Description | Other Info | Markets | Product Status |
|---|---|---|---|---|---|---|---|
| 1 | 147100200 | 1 | ROTOR | CH | |||
| 2 | 148102102 | 1 | STATOR 220V | CH | |||
| 3 | 743238 | 1 | SWITCH | CH | |||
| 5 | 742175-01 | 1 | CORDSET | CH | |||
| 6 | 744324 | 4 | KNOB SA | CH | |||
| 7 | 744271 | 1 | CLAMP | CH | |||
| 8 | 742243 | 2 | SPRING | CH | |||
| 10 | 744232 | 1 | SUPPORT | CH | |||
| 11 | 744230 | 1 | HOLDER | CH | |||
| 12 | 742172 | 2 | WASHER | CH | |||
| 13 | 725187 | 2 | NUT | M8 | CH | ||
| 15 | 860085-19 | 1 | SCREW | CH | |||
| 16 | 742046 | 1 | WASHER M8 | CH | |||
| 17 | 146815500 | 4 | SCREW | CH | |||
| 18 | 147121300 | 1 | PLATE RH | CH | |||
| 19 | 861721-01 | 2 | BEARING | CH | |||
| 20 | 146127200 | 2 | DAMPER | CH | |||
| 21 | 742169 | 4 | WASHER | CH | |||
| 24 | 742042 | 1 | SCREW | CH | |||
| 25 | 744183 | 1 | SUPPORT | CH | |||
| 26 | 742199 | 1 | PULLEY | CH | |||
| 27 | 742053 | 1 | PIN | CH | |||
| 28 | 725184 | 1 | SCREW | CH | |||
| 29 | 742133 | 1 | VISOR | CH | |||
| 30 | 744188 | 1 | BRACKET | CH | |||
| 31 | 880391 | 4 | WASHER | CH | |||
| 32 | 725125 | 2 | NUT | CH | |||
| 33 | 725184 | 1 | SCREW | CH | |||
| 34 | 147123700 | 1 | BAND | CH | |||
| 35 | 147120200 | 1 | COVER RH | CH | |||
| 36 | 725269 | 3 | WASHER | CH | |||
| 37 | 146823100 | 3 | LOCK-NUT | CH | |||
| 39 | 742887 | 1 | NUT | CH | |||
| 40 | 742153 | 1 | BUSH | CH | |||
| 41 | 742298 | 1 | CLAMP | CH | |||
| 42 | 742134 | 1 | BUSH | CH | |||
| 44 | 249424-07 | 2 | SCREW | CH | |||
| 45 | 725163 | 3 | WASHER | CH | |||
| 46 | 021161300 | 1 | GROMMET | CH | |||
| 47 | 742127 | 2 | CABLE CLAMP | CH | |||
| 49 | 725183 | 1 | SCREW | CH | |||
| 55 | 742228 | 1 | SPACER | CH | |||
| 57 | 742822 | 2 | WASHER | CH | |||
| 64 | 742821 | 1 | HOUSING SA | CH | |||
| 65 | 742821 | 1 | HOUSING SA | CH | |||
| 69 | 008811101 | 3 | SCREW | CH | |||
| 70 | 249424-23 | 2 | SCREW | CH | |||
| 71 | 742055 | 1 | SCREW | CH | |||
| 72 | 146126300 | 4 | RUBBER STRIP | CH | |||
| 73 | 149120800 | 1 | HOUSING | CH | |||
| 76 | 742231 | 1 | SCREW | CH | |||
| 77 | 725159 | 4 | WASHER | CH | |||
| 78 | 726003 | 4 | SCREW | CH | |||
| 79 | 742511 | 3 | SPANNER | CH | |||
| 80 | 743415 | 1 | WASHER | 6mm | CH | ||
| 82 | 744244 | 1 | COVER | CH | |||
| 83 | 742232 | 1 | SPRING | CH | |||
| 84 | 742227 | 1 | SUPPORT | CH | |||
| 85 | 760276-00 | 1 | SPRING | CH | |||
| 86 | 742199 | 1 | PULLEY | CH | |||
| 87 | 742054 | 1 | WASHER | CH | |||
| 88 | 742140 | 1 | NUT LH | CH | |||
| 89 | 744243 | 1 | CAP | CH | |||
| 91 | 744371 | 1 | LEVER SA | CH | |||
| 92 | 742066 | 1 | CLAMP OUTER | CH | |||
| 93 | 744253 | 1 | CLAMP KIT SA | CH | |||
| 94 | 742511 | 1 | SPANNER | CH |