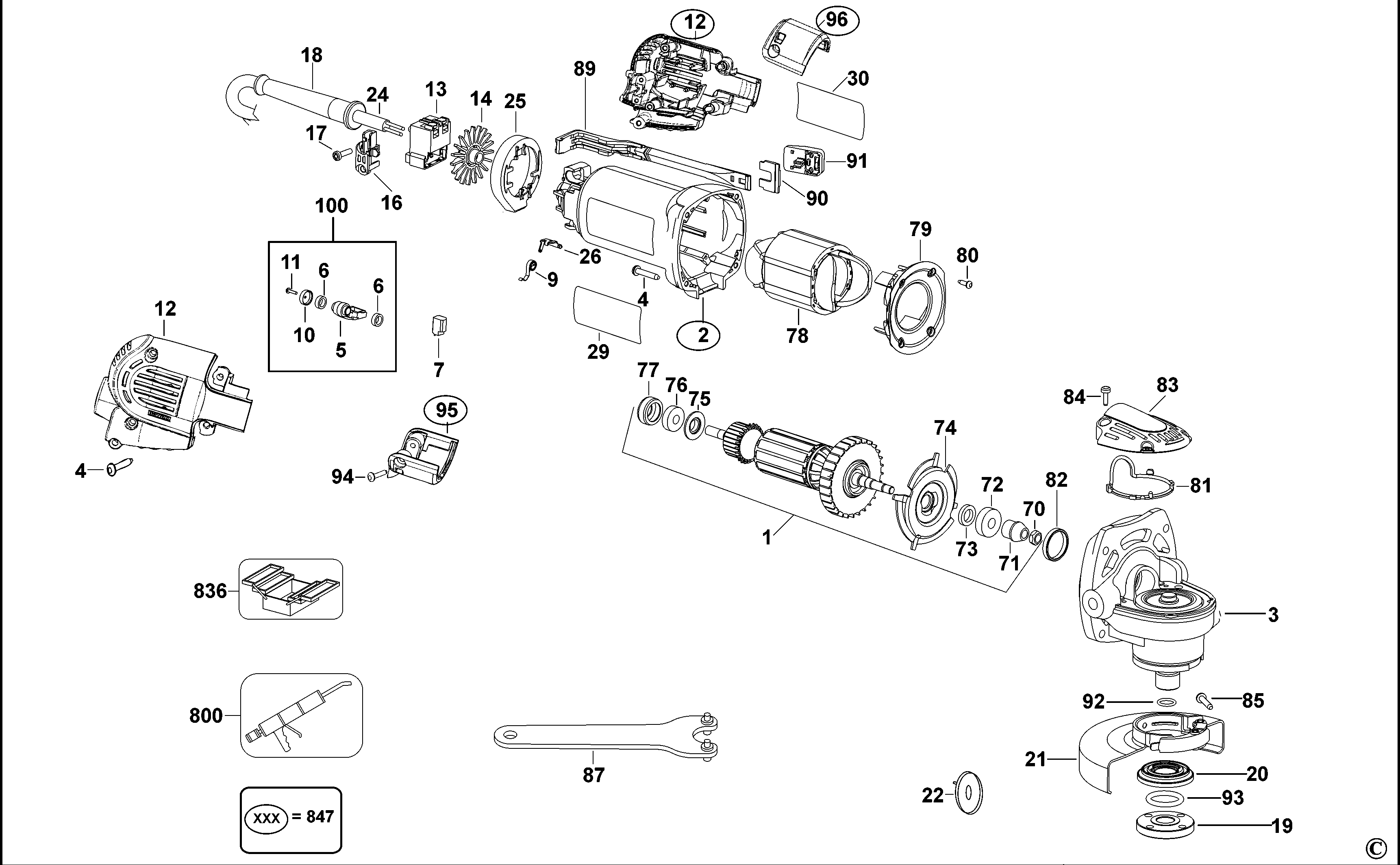
D28112X SMALL ANGLE GRINDER Type 2 | Drawings
Documents
| Item No. | Product Number | Qty Per | Product Description | General Description | Other Info | Markets | Product Status |
|---|---|---|---|---|---|---|---|
| 1 | N014341 | 1 | ARMATURE 230V | Steel Cut | A9 | ||
| 2 | N016558 | 1 | FIELDCASE | A9 | |||
| 3 | 623586-06 | 1 | GEARCASE SA | M10 - Steel cut | A9 | ||
| 4 | 330065-31 | 7 | PLASTIC SCREW | A9 | |||
| 5 | 648743-00 | 2 | ARM | BRUSH | A9 | ||
| 6 | 623592-00 | 4 | FELT SEAL | A9 | |||
| 7 | N035356 | 1 | BRUSH PAIR 230V | A9 | |||
| 9 | 648613-00 | 2 | BRUSH SPRING | A9 | |||
| 10 | 623591-00 | 2 | BRUSH CAP | A9 | |||
| 11 | 593685-00 | 2 | SCREW | M1.8x8 THD FRMG | A9 | ||
| 12 | N016554 | 1 | HANDLE SA | A9 | |||
| 13 | 945614-00 | 1 | SWITCH | A9 | |||
| 14 | N055787 | 1 | SEPARATOR | Particle | A9 | ||
| 16 | 623612-00 | 1 | CORD CLAMP | A9 | |||
| 17 | 330019-03 | 1 | SCREW | A9 | |||
| 18 | 641081-00 | 1 | CORD PROTECTOR | A9 | |||
| 19 | 656927-00 | 1 | NUT | A9 | |||
| 20 | 633257-01 | 1 | INNER FLANGE | A9 | |||
| 21 | 636734-00 | 1 | GUARD SA | A9 | |||
| 22 | 639694-00 | 1 | WASHER SPECIAL | A9 | |||
| 24 | 562226-64 | 1 | CORDSET | A9 | |||
| 25 | 637616-00 | 1 | BAFFLE | A9 | |||
| 26 | 623593-00 | 1 | TERMINAL | A9 | |||
| 29 | N255361 | 1 | RATING LABEL | A9 | |||
| 30 | 635892-00 | 1 | BRAND LABEL | A9 | |||
| 70 | 604484-00 | 1 | NUT | A9 | |||
| 71 | 657180-00 | 1 | PINION | A9 | |||
| 72 | 605040-11 | 1 | BEARING,BALL | 608 (8 x 22 x 7) | A9 | ||
| 73 | 623617-00 | 1 | FELT SEAL | A9 | |||
| 74 | N422242 | 1 | RETAINER | A9 | |||
| 75 | 623613-00 | 1 | WASHER | A9 | |||
| 76 | 605040-02 | 1 | BEARING | A9 | |||
| 77 | 641823-00 | 1 | SLEEVE | A9 | |||
| 78 | 624764-14 | 1 | FIELD SA | A9 | |||
| 79 | 650997-00 | 1 | BAFFLE FAN | A9 | |||
| 80 | 330065-25 | 4 | SCREW | A9 | |||
| 81 | 623618-00 | 1 | GASKET | A9 | |||
| 82 | 611492-00 | 1 | SLEEVE | A9 | |||
| 83 | 623562-01 | 1 | GEARCASE COVER | A9 | |||
| 84 | 385676-01 | 4 | SCREW | A9 | |||
| 85 | 631609-02 | 1 | SCREW | M5x16 SPECIAL | A9 | ||
| 87 | 401253-00 | 1 | WRENCH ROUND-PINS | A9 | |||
| 89 | 623610-00 | 1 | ARM LINK | A9 | |||
| 90 | 644326-00 | 1 | BAR LOCKING | LOCK | A9 | ||
| 91 | 623608-00 | 1 | BUTTON START | A9 | |||
| 92 | 637162-01 | 1 | O RING | A9 | |||
| 93 | 637162-00 | 1 | O RING | A9 | |||
| 94 | 330065-33 | 2 | SCREW | A9 | |||
| 95 | N019969 | 1 | BRUSH COVER | A9 | |||
| 96 | N019968 | 1 | BRUSH COVER | A9 | |||
| 100 | 656374-00 | 1 | BRUSH HOLDER SA | INCL - 5, 6, 10, 11 | A9 | ||
| 800 | 583534-00 | 1 | GREASE | 50 GRAMS - NYE RHEOLUB 380G1 | A9 | ||
| 800 | 583534-00 | 1 | GREASE | 50 GRAMS - NYE RHEOLUB 380G1 | A9 | ||
| 836 | 233804-36 | 1 | DRIVER | T6 | A9 | ||
| 847 | N402113 | 1 | SERVICE KIT | A9 |