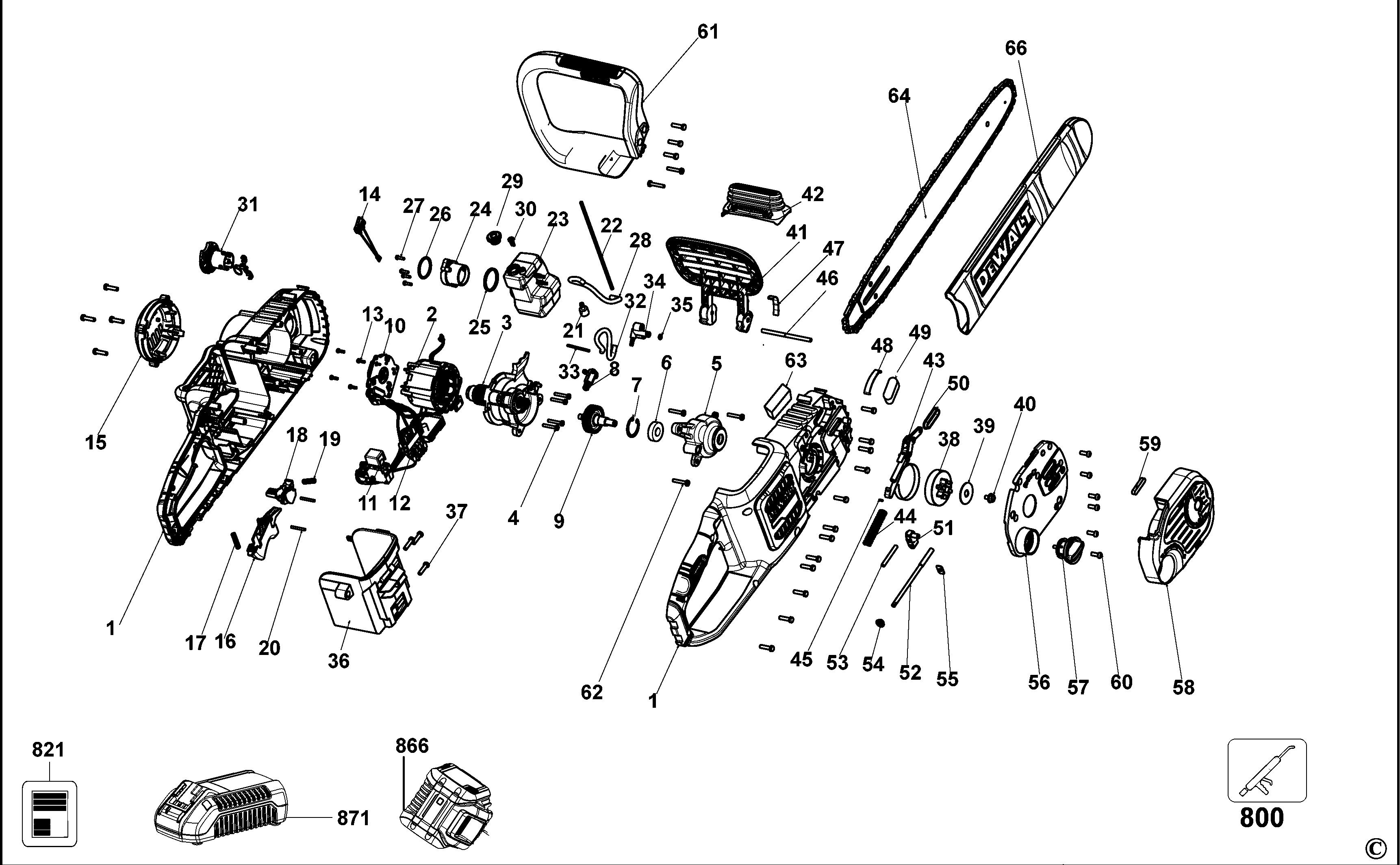
DCM575 CHAINSAW Type 1 | Drawings
Documents
| Item No. | Product Number | Qty Per | Product Description | General Description | Other Info | Markets | Product Status |
|---|---|---|---|---|---|---|---|
| 1 | 90630448 | 1 | HOUSING SA | KR | |||
| 2 | N526668 | 1 | FIELD SA | PKGD N471899 | KR | ||
| 3 | N897599 | 1 | GEAR & SHAFT | | KR |
| ||
| 3 | N863205 | 1 | ROTOR SA | >=week4 2020 | KR | ||
| 4 | 330019-05 | 4 | SCREW | KR | |||
| 5 | N722863 | 1 | GEARCASE COVER | >=week4 2020 | KR | ||
| 5 | N897599 | 1 | GEAR & SHAFT | | KR |
| ||
| 6 | N150961 | 1 | BEARING | KR | |||
| 7 | 90551022 | 1 | RING | KR | |||
| 8 | N897599 | 1 | GEAR & SHAFT | | KR |
| ||
| 8 | N734718 | 1 | PUMP SA | >=week4 2020 | KR | ||
| 9 | N897599 | 1 | GEAR & SHAFT | | KR |
| ||
| 9 | N898446 | 1 | OUTPUT SHAFT SA | >=week4 2020 | KR | ||
| 10 | N531281 | 1 | CONTROL MODULE SA | Programed N469443 | KR | ||
| 11 | N470030 | 1 | SWITCH | KR | |||
| 12 | N416900 | 1 | TERMINAL | KR | |||
| 13 | N034545 | 4 | SCREW | KR | |||
| 14 | 90637896 | 1 | SWITCH | KR | |||
| 15 | 90635490 | 1 | CAP SA | KR | |||
| 16 | 90613570 | 1 | TRIGGER | KR | |||
| 17 | 90623323 | 1 | SPRING COMPRESSION | KR | |||
| 18 | 90613569 | 1 | LEVER LOCK | KR | |||
| 19 | 90620179 | 1 | SPRING | KR | |||
| 20 | 5119820-00 | 2 | PIN | KR | |||
| 21 | 90622705 | 1 | FILTER SA | KR | |||
| 22 | 90620889 | 1 | SPRING | KR | |||
| 23 | 90618137 | 1 | TANK | KR | |||
| 24 | 90618138 | 1 | ADAPTOR | KR | |||
| 25 | 90618142 | 1 | SEAL | KR | |||
| 26 | 90618339 | 1 | O RING | KR | |||
| 27 | 330019-28 | 4 | SCREW | KR | |||
| 28 | 90609541 | 1 | TUBE | KR | |||
| 29 | 90104259 | 1 | SEAL | KR | |||
| 30 | 90618295 | 1 | VALVE | KR | |||
| 31 | 90618141 | 1 | CAP | KR | |||
| 32 | 90609542 | 1 | TUBE | KR | |||
| 33 | 90620845 | 1 | SPRING | KR | |||
| 34 | 90104269 | 1 | PLUG | KR | |||
| 35 | 90104270 | 1 | O RING | KR | |||
| 36 | 90634466 | 1 | BATTERY CASE SA | KR | |||
| 37 | 330019-13 | 22 | SCREW | M4X19 T20 | KR | ||
| 38 | 90618228 | 1 | SPROCKET | KR | |||
| 39 | 90618229 | 1 | WASHER | KR | |||
| 40 | 90639221 | 1 | BOLT | KR | |||
| 41 | 90609587 | 1 | GUARD | KR | |||
| 42 | 90636798 | 1 | SEAL | KR | |||
| 43 | N561349 | 1 | BRAKE SA | KR | |||
| 44 | N533060 | 1 | SPRING | KR | |||
| 45 | 90594864 | 1 | PIN | KR | |||
| 46 | 90618528 | 1 | PIN | KR | |||
| 47 | 90622670 | 1 | LEAF SPRING | KR | |||
| 48 | 90621730 | 1 | LEAF SPRING | KR | |||
| 49 | 90625343 | 1 | FOAM | KR | |||
| 50 | 90618051 | 1 | SEAL | KR | |||
| 51 | N558327 | 1 | CLAMP SA | M6 | KR | ||
| 52 | N555910 | 1 | PIN | M6 | KR | ||
| 53 | 90617662 | 1 | SHAFT | KR | |||
| 54 | 90617659 | 1 | GEAR | KR | |||
| 55 | 90629979 | 1 | WASHER | KR | |||
| 56 | 90609778 | 1 | COVER | KR | |||
| 57 | N738912 | 1 | KNOB SA | KR | |||
| 58 | N723753 | 1 | COVER | KR | |||
| 59 | 90622086 | 1 | SEAL | KR | |||
| 60 | 330019-11 | 6 | SCREW | M4.55x13 T20 | KR | ||
| 61 | 90630455 | 1 | Handle | KR | |||
| 62 | 330019-14 | 4 | SCREW | KR | |||
| 63 | 90634469 | 1 | FOAM | KR | |||
| 64 | N594320 | 1 | GUIDE | KR | |||
| 65 | N594321 | 1 | CHAIN | KR | |||
| 66 | 90619707 | 1 | SHEATH | KR | |||
| 800 | 583534-00 | 1 | GREASE | 50 GRAMS - NYE RHEOLUB 380G1 | KR | ||
| 821 | N549072 | 1 | RATING LABEL | KR | |||
| 866 | DCB547-KR | 2 | BATTERY PACK 18V | 18V 3.0/9.0AH | KR | ||
| 871 | DCB118-KR | 1 | CHARGER SA | 54V 8A | KR |