SG7100 SMALL ANGLE GRINDER Type 1 | Drawings
Documents
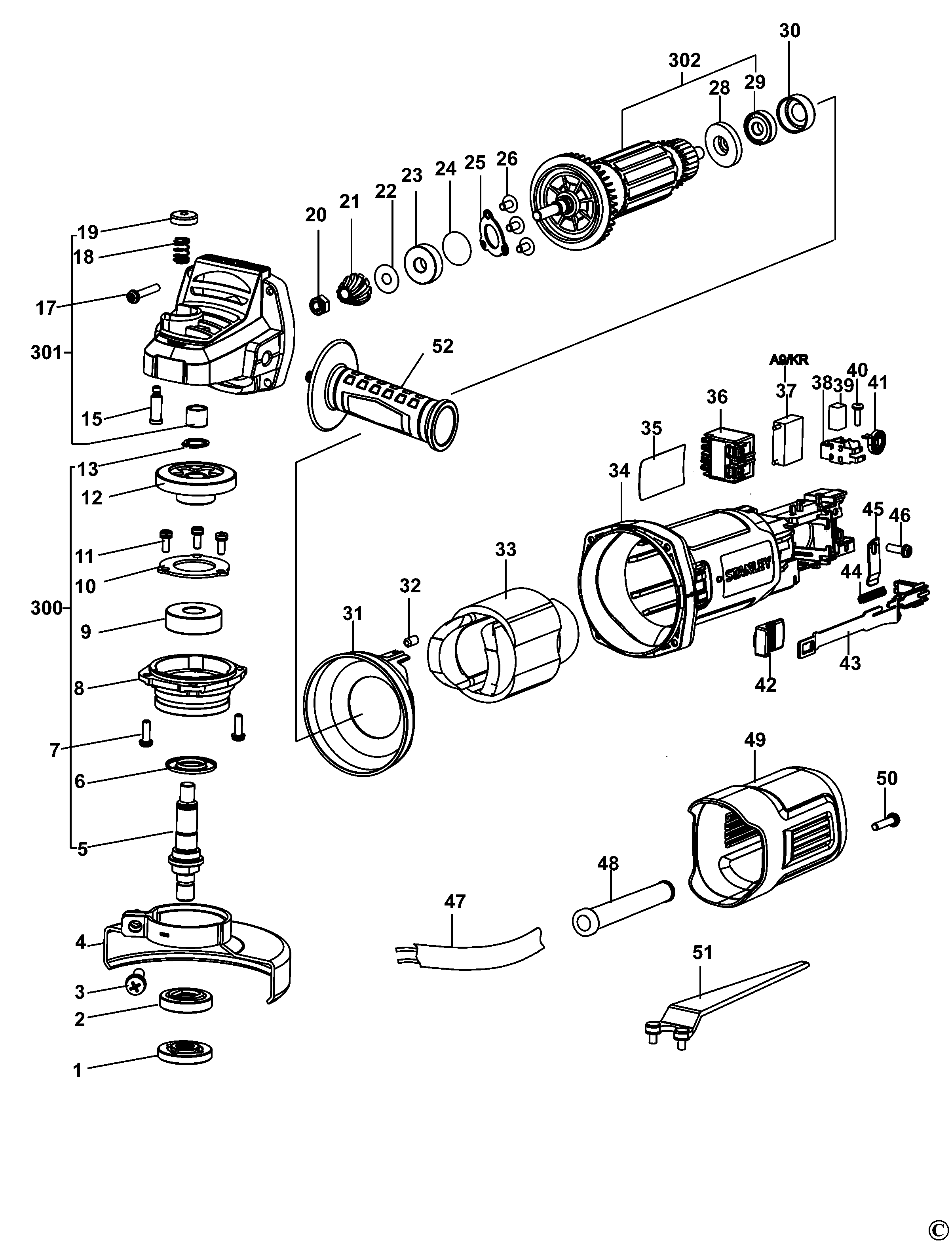
| Item No. | Product Number | Qty Per | Product Description | General Description | Other Info | Markets | Product Status |
|---|---|---|---|---|---|---|---|
| 1 | N862876 | 1 | OUTER FLANGE | TW | |||
| 2 | N803469 | 1 | INNER FLANGE | TW | |||
| 3 | N866043 | 1 | SCREW | TW | |||
| 4 | 4140304008 | 1 | GUARD SA | TW | |||
| 5 | N613148 | 1 | SPINDLE | TW | |||
| 6 | N494772 | 1 | COVER | TW | |||
| 7 | 49209042 | 4 | SCREW | TW | |||
| 8 | N866050 | 1 | GEARCASE COVER | TW | |||
| 9 | 49111017 | 1 | BEARING | TW | |||
| 10 | N787677 | 1 | BEARING PLATE | TW | |||
| 11 | 49203006 | 3 | SCREW | 4 x 10 mm; 4*10 | TW | ||
| 12 | N763895 | 1 | GEAR | TW | |||
| 13 | N851381 | 1 | CIRCLIP | TW | |||
| 15 | N743788 | 1 | LOCK PIN | TW | |||
| 17 | N802853 | 4 | SCREW | TW | |||
| 18 | 4140308003 | 1 | SPRING | TW | |||
| 19 | 4140301012 | 1 | LOCK BUTTON | TW | |||
| 20 | N867028 | 1 | NUT | TW | |||
| 21 | N763910 | 1 | PINION | TW | |||
| 22 | 4140304012 | 1 | WASHER | 6 x 16.5 x 0.2 mm; 6*16.5*0.2 | TW | ||
| 23 | N793193 | 1 | BEARING | TW | |||
| 24 | N880529 | 1 | O RING | TW | |||
| 25 | N826429 | 1 | BEARING PLATE | TW | |||
| 26 | N826930 | 3 | SCREW | TW | |||
| 28 | 4140901007 | 1 | WASHER INSULATING | TW | |||
| 29 | N793199 | 1 | BEARING | TW | |||
| 30 | N844524 | 1 | SLEEVE BEARING | TW | |||
| 31 | N691342 | 1 | BAFFLE | TW | |||
| 32 | 4240203008 | 2 | RUBBER | PIN | TW | ||
| 33 | N802840 | 1 | FIELD SA | TW | |||
| 34 | N713568 | 1 | FIELD CASE | TW | |||
| 35 | N870579 | 1 | RATING LABEL | TW | |||
| 36 | N622597 | 1 | SWITCH | TW | |||
| 38 | N767128 | 2 | BRUSH HOLDER | TW | |||
| 39 | N875884 | 1 | BRUSH SA | TW | |||
| 40 | 49206001 | 2 | SCREW | TW | |||
| 41 | 4140308002 | 1 | BRUSH SPRING | TW | |||
| 42 | 4141401003 | 1 | BUTTON | TW | |||
| 43 | N757193 | 1 | LINK | TW | |||
| 44 | 4140308001 | 1 | SPRING | TW | |||
| 45 | 4140301013 | 1 | CORD CLAMP | TW | |||
| 47 | N886256 | 1 | CORDSET | TW | |||
| 48 | N802854 | 1 | CORD PROTECTOR | TW | |||
| 49 | N738512 | 1 | END CAP | TW | |||
| 50 | 49206016 | 1 | SCREW | self-tapping 4*12; self-tapping 4x12 mm | TW | ||
| 50 | 49206018 | 1 | SCREW | SELF-TAPPING 4*15 | TW | ||
| 51 | 4140304007 | 1 | WRENCH SET | TW | |||
| 52 | N865425 | 1 | SIDE HANDLE | TW | |||
| 300 | N875650 | 1 | OUTPUT SHAFT SA | TW | |||
| 301 | N875885 | 1 | GEARCASE SA | TW | |||
| 302 | N875887 | 1 | ARMATURE SA | TW | |||
| 800 | N544392 | 1 | GREASE | 0.012kg | TW |