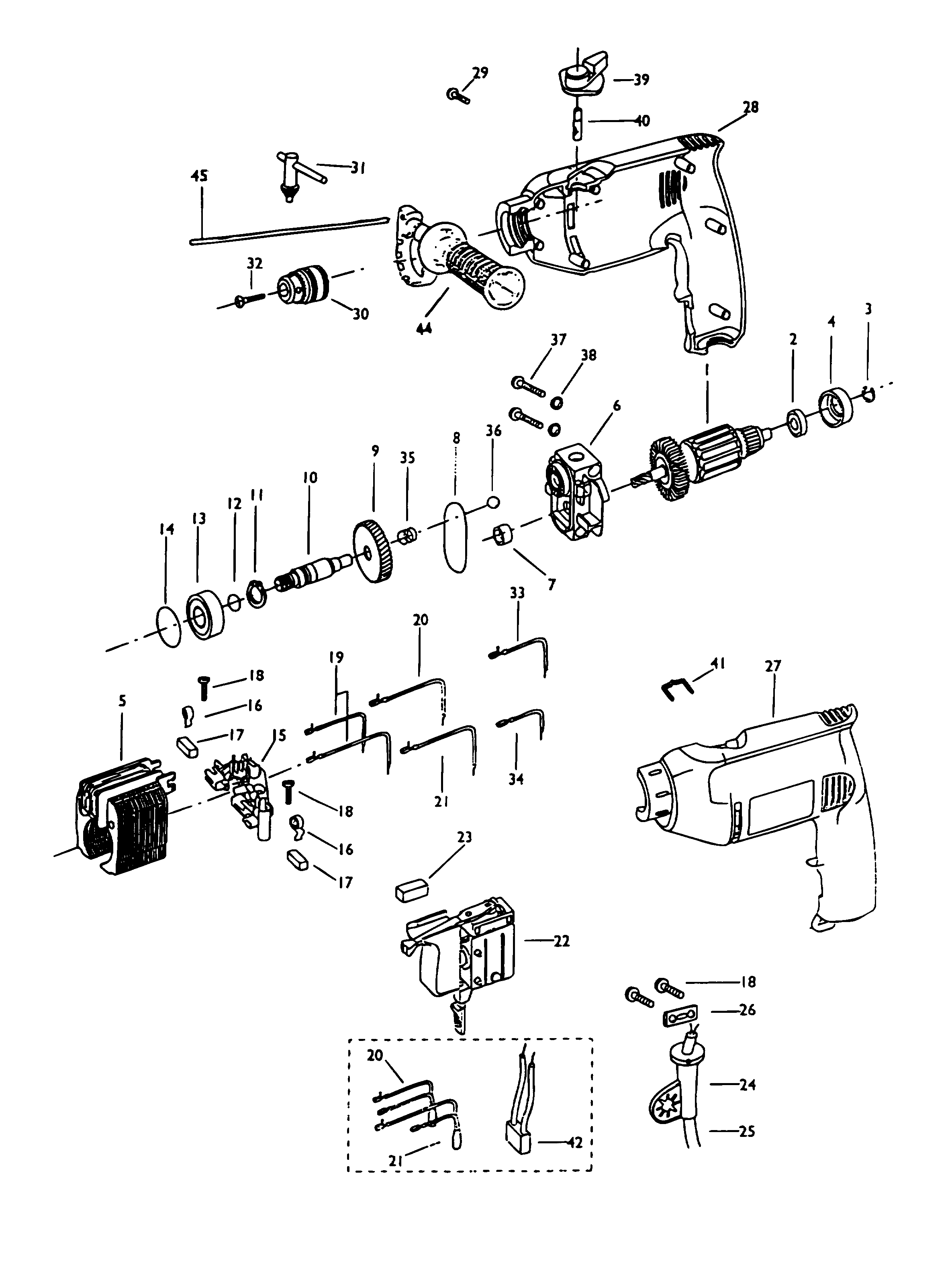
DW203 ДРЕЛЬ Type 1 | Чертежи
Документы
Пожалуйста, просмотрите ниспадающее меню, так как для некоторых продуктов может быть приведено несколько рисунков
| Item No. | Product Number | Qty Per | Product Description | ДОП. ОПИСАНИЕ | Other Info | Markets | Product Status |
|---|---|---|---|---|---|---|---|
| 1 | 561506-00 | 1 | ЯКОРЬ | A9 | |||
| 2 | 330003-02 | 1 | ПОДШИПНИК | A9 | ![]() |
||
| 3 | 939624-00 | 1 | КОЛЬЦО | A9 | |||
| 4 | 930029-00 | 1 | HOLDER BEARING | A9 | ![]() |
||
| 5 | 939818-00 | 1 | СТАТОР | A9 | |||
| 6 | 946663-00 | 1 | БЛОК В СБОРЕ | A9 | |||
| 7 | 330004-18 | 1 | ПОДШИПНИК | A9 | |||
| 8 | 932426-00 | 1 | УПЛОТНИТЕЛЬНОЕ КОЛЬЦО | A9 | ![]() |
||
| 9 | 946559-00 | 1 | ШЕСТЕРНЯ | A9 | |||
| 10 | 946656-01 | 1 | ВАЛ В СБОРЕ | A9 | |||
| 11 | 930098-00 | 1 | СТОПОРНОЕ ПРИСПОСОБЛЕНИЕ | A9 | ![]() |
||
| 12 | 930028-00 | 1 | УПЛОТНИТЕЛЬНОЕ КОЛЬЦО | A9 | |||
| 13 | 605040-25 | 1 | ШАРИКОВЫЙ ПОДШИПНИК | A9 | ![]() |
||
| 14 | 938133-00 | 1 | УПЛОТНИТЕЛЬНОЕ КОЛЬЦО | A9 | |||
| 15 | 562162-00 | 1 | ЩЁТКОДЕРЖАТЕЛЬ | A9 | |||
| 16 | 931221-00 | 2 | ПРУЖИНА | A9 | |||
| 17 | 931235-00 | 2 | ЩЁТКА 230В | BK04 | A9 | ||
| 18 | 562097-05 | 4 | ВИНТ | A9 | ![]() |
||
| 19 | 949801-64 | 2 | ПРОВОД В СБОРЕ | A9 | |||
| 20 | 949801-61 | 1 | ПРОВОД В СБОРЕ | A9 | |||
| 21 | 949801-65 | 1 | ПРОВОД В СБОРЕ | A9 | |||
| 22 | 176830-25 | 1 | ВЫКЛЮЧАТЕЛЬ | A9 | ![]() |
||
| 23 | 562213-00 | 1 | УПОР | A9 | |||
| 24 | 934961-01 | 1 | ЧЕХОЛ ШНУРА ПИТАНИЯ | A9 | |||
| 25 | 000000-00 | 1 | БОЛЬШЕ НЕ ВЫПУСКАЕТСЯ | A9 | |||
| 26 | 930103-00 | 1 | ЗАЖИМ ШНУРА ПИТАНИЯ | A9 | ![]() |
||
| 27 | 561591-00 | 1 | СОСТАВНАЯ ЧАСТЬ КОРПУСА ЛЕВ. | A9 | |||
| 28 | 561592-00 | 1 | СОСТАВНАЯ ЧАСТЬ КОРПУСА ПР. | A9 | |||
| 29 | 562097-03 | 7 | ВИНТ | A9 | ![]() |
||
| 30 | 5140071-68 | 1 | ЗАЖИМНОЙ ПАТРОН 13ММ | A9 | ![]() |
||
| 31 | 330034-07 | 1 | КЛЮЧ ЗАЖИМНОГО ПАТРОНА | YUKIWA CHUCK | A9 | ![]() |
|
| 31 | 330034-07 | 1 | КЛЮЧ ЗАЖИМНОГО ПАТРОНА | ROHM CHUCK | A9 | ![]() |
|
| 32 | 562173-00 | 1 | ВИНТ | A9 | |||
| 35 | 934962 | 1 | ПРУЖИНА | A9 | |||
| 36 | 930012 | 1 | ШАРИК | A9 | ![]() |
||
| 37 | 562144-00 | 2 | ВИНТ | A9 | |||
| 38 | 932839-00 | 2 | ШАЙБА | A9 | ![]() |
||
| 39 | 151254-00 | 1 | РУЧКА | A9 | |||
| 40 | 561602-00 | 1 | ШТИФТ | A9 | |||
| 41 | 151256 | 1 | ПРУЖИНА | A9 | |||
| 44 | 939794-02 | 1 | РУЧКА БОКОВАЯ В СБОРЕ | A9 | ![]() |
||
| 45 | 940357-00 | 1 | ОГРАНИЧИТЕЛЬ ГЛУБИНЫ | A9 | ![]() |

