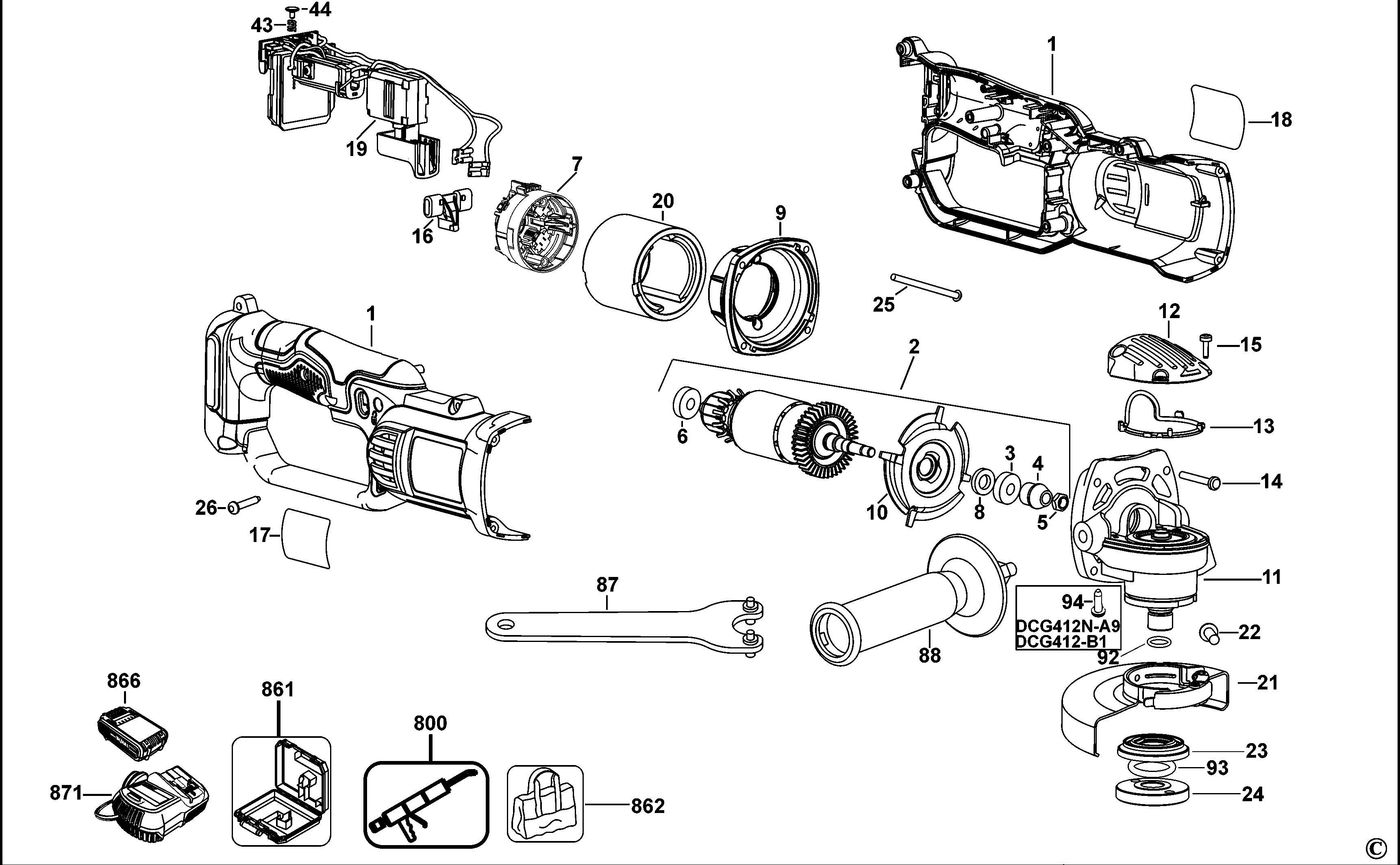
DCG412 ANGLE GRINDER Type 2 | Drawings
Documents

Item No. | Product Number | Qty Per | Product Description | General Description | Other Info | Markets | Product Status |
---|---|---|---|---|---|---|---|
1 | N382444 | 1 | CLAMSHELL SET | B1 | ![]() |
||
2 | N415906 | 1 | ARMATURE SA | 4-Pole Motors | B1 | ![]() |
|
3 | 330003-60 | 2 | BEARING | B1 | ![]() |
||
4 | 623564-00 | 1 | PINION | 9 TOOTH | B1 | ![]() |
|
5 | 604484-00 | 1 | NUT | B1 | ![]() |
||
6 | N330639 | 1 | BEARING,BALL | B1 | ![]() |
||
7 | N412223 | 1 | BRUSH HOLDER SA | B1 | ![]() |
||
8 | 623617-00 | 1 | FELT SEAL | B1 | ![]() |
||
9 | N312459 | 1 | BAFFLE | 4-Pole Motor | B1 | ![]() |
|
10 | N422242 | 1 | RETAINER | B1 | ![]() |
||
11 | N263119 | 1 | GEARCASE SA | B1 | |||
12 | 623562-00 | 1 | GEARCASE COVER | B1 | ![]() |
||
13 | 623618-00 | 1 | GASKET | B1 | ![]() |
||
14 | 330065-13 | 4 | SCREW | B1 | ![]() |
||
15 | 385676-01 | 4 | SCREW | B1 | ![]() |
||
16 | N129056 | 1 | BUTTON LOCK-OFF | B1 | ![]() |
||
17 | N445260 | 1 | RATING LABEL | B1 | |||
18 | N139498 | 1 | BRAND LABEL | B1 | ![]() |
||
19 | N414107 | 1 | SWITCH SA | DCG412 EMI 4P58 | B1 | ![]() |
|
20 | N436044 | 1 | MAGNET | B1 | ![]() |
||
21 | N039878 | 1 | GUARD SA | 125MM, KEYLESS | B1 | ![]() |
|
22 | 631609-03 | 1 | SCREW | B1 | ![]() |
||
23 | 633257-01 | 1 | INNER FLANGE | B1 | |||
24 | 656927-00 | 1 | NUT | B1 | |||
25 | N389143 | 4 | SCREW | B1 | ![]() |
||
26 | 330019-04 | 6 | SCREW | B1 | ![]() |
||
43 | N453948 | 1 | SPRING | B1 | ![]() |
||
44 | N091479 | 1 | MOUNT | B1 | ![]() |
||
87 | 401253-00 | 1 | WRENCH ROUND-PINS | B1 | ![]() |
||
88 | N239381 | 1 | SIDE HANDLE | B1 | |||
92 | 637162-01 | 1 | O RING | B1 | |||
93 | 637162-00 | 1 | O RING | B1 | |||
94 | N033051 | 1 | SCREW | DCG412N | B1 | ![]() |
|
800 | 283484-01 | 1 | GREASE | 32oz, EXXON CVJ | B1 | ||
861 | N132422 | 1 | KITBOX | DCG412D2 | B1 | ![]() |
|
866 | DCB183-B1 | 2 | BATTERY 18V - 2.0AH - 36WH | DCB412D2 | B1 |