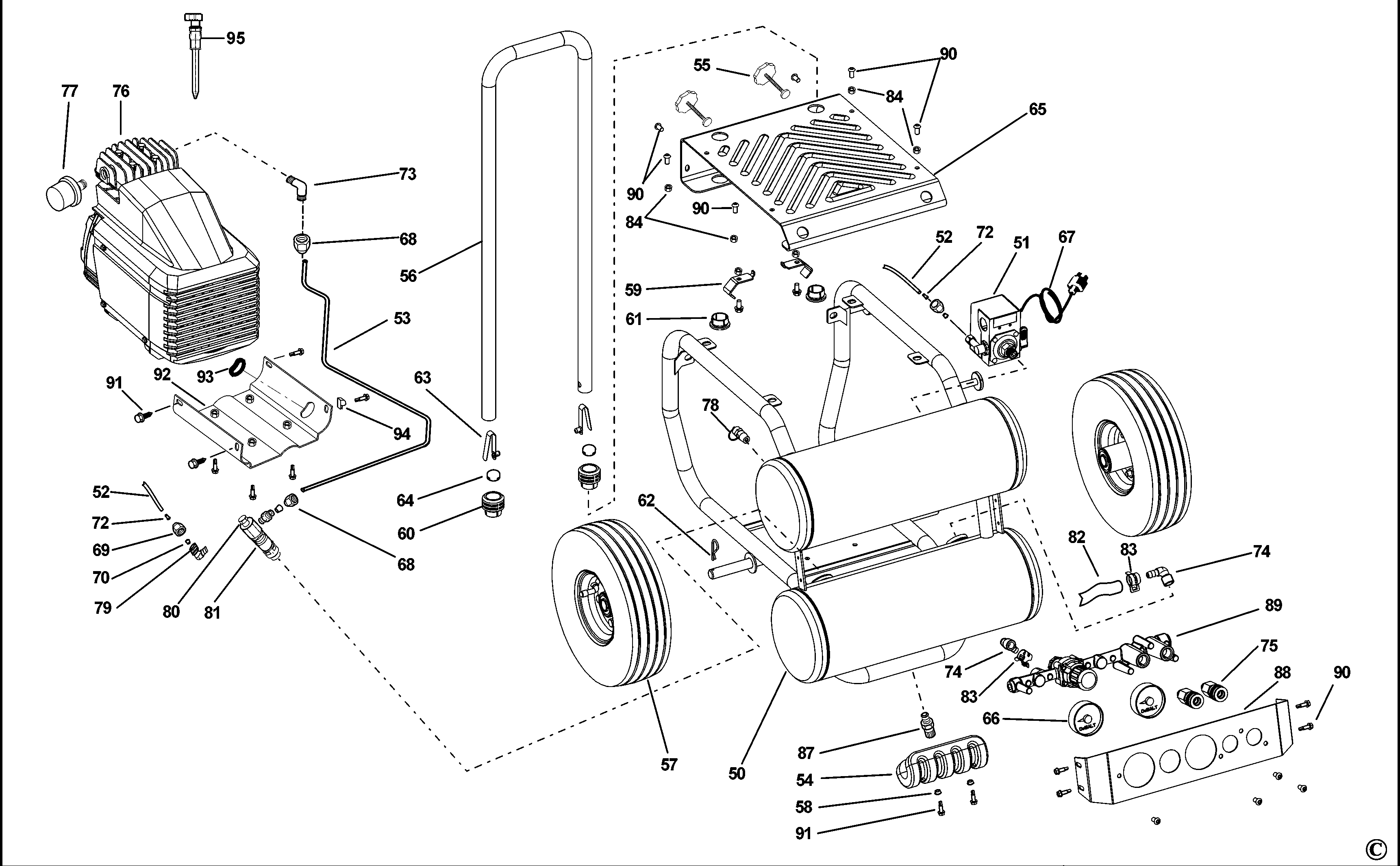
DPC16PS COMPRESSOR Type 1 | Drawings
Documents
| Item No. | Product Number | Qty Per | Product Description | General Description | Other Info | Markets | Product Status |
|---|---|---|---|---|---|---|---|
| 50 | 9413502022 | 1 | TANK | GB | ![]() |
||
| 51 | 9063157 | 1 | SWITCH | GB | ![]() |
||
| 52 | 9417693 | 1 | TUBE | 0.42mtr | GB | ![]() |
|
| 53 | 9043656 | 1 | PIPE | GB | ![]() |
||
| 54 | 4105845 | 1 | FOOT | GB | ![]() |
||
| 55 | 4105846 | 2 | KNOB | GB | ![]() |
||
| 56 | 4105927021 | 1 | HANDLE | GB | ![]() |
||
| 57 | 4105848 | 2 | WHEEL | GB | ![]() |
||
| 58 | 127QC4009 | 2 | WASHER | GB | ![]() |
||
| 59 | 127QC4010 | 2 | PLATE | GB | ![]() |
||
| 60 | 4105853 | 2 | SLEEVE | GB | ![]() |
||
| 61 | 4105854 | 2 | SLEEVE | GB | ![]() |
||
| 62 | 4105855 | 2 | CLEVIS PIN | GB | ![]() |
||
| 63 | 127QC4020 | 2 | BUTTON RELEASE | GB | ![]() |
||
| 64 | 4105928 | 2 | STOP | GB | ![]() |
||
| 65 | 4105858021 | 1 | COVER | GB | ![]() |
||
| 66 | 4100610 | 2 | GAUGE | GB | ![]() |
||
| 67 | 9065937 | 1 | CORDSET (M/PLUG) GB | GB | ![]() |
||
| 68 | 4105716 | 1 | LOCK NUT | GB | |||
| 68 | 4105716 | 1 | LOCK NUT | GB | |||
| 69 | 127HQ0111 | 1 | LOCK NUT | GB | ![]() |
||
| 70 | 127HQ0121 | 1 | PISTON RING | GB | ![]() |
||
| 72 | 9053420 | 2 | INSERT | GB | ![]() |
||
| 73 | 4105358 | 1 | CONNECTOR | GB | ![]() |
||
| 74 | 127QC0181 | 2 | JOINT | GB | ![]() |
||
| 75 | 9047068 | 1 | COUPLING | 1/4" M ROHS | GB | ||
| 76 | 41P0308SGL | 1 | MOTOR & PUMP SA 240V | GB | ![]() |
||
| 76 | 41P0308SGL | 1 | MOTOR & PUMP SA 240V | GB | ![]() |
||
| 77 | 4105164 | 1 | FILTER SA | GB | ![]() |
||
| 78 | 9049152 | 1 | VALVE | GB | |||
| 79 | 9050372 | 1 | ELBOW TUBE | GB | ![]() |
||
| 80 | 4101047 | 1 | VALVE | GB | ![]() |
||
| 81 | 9048120 | 1 | VALVE | Check Valve | GB | ![]() |
|
| 82 | 9270051 | 1 | HOSE | 0.22mtr | GB | ![]() |
|
| 83 | 127QC0290 | 2 | CLAMP | GB | ![]() |
||
| 84 | 127HQ0138 | 10 | NUT | GB | ![]() |
||
| 87 | 9047078 | 1 | DRAIN COCK | GB | ![]() |
||
| 88 | 127QC0244 | 1 | FRONT BRACKET | GB | ![]() |
||
| 89 | 9050668 | 1 | MANIFOLD ASSEMBLY | GB | ![]() |
||
| 90 | 127QC0012 | 20 | SCREW | GB | |||
| 91 | 9114284 | 4 | SCREW | GB | ![]() |
||
| 92 | 4105729022 | 1 | BASEPLATE | GB | ![]() |
||
| 93 | 4105715 | 1 | CORD PROTECTOR | GB | ![]() |
||
| 94 | 4105869 | 1 | CABLE CLAMP | GB | ![]() |
||
| 95 | 4105028 | 1 | DIPSTICK | SA | GB | ![]() |
