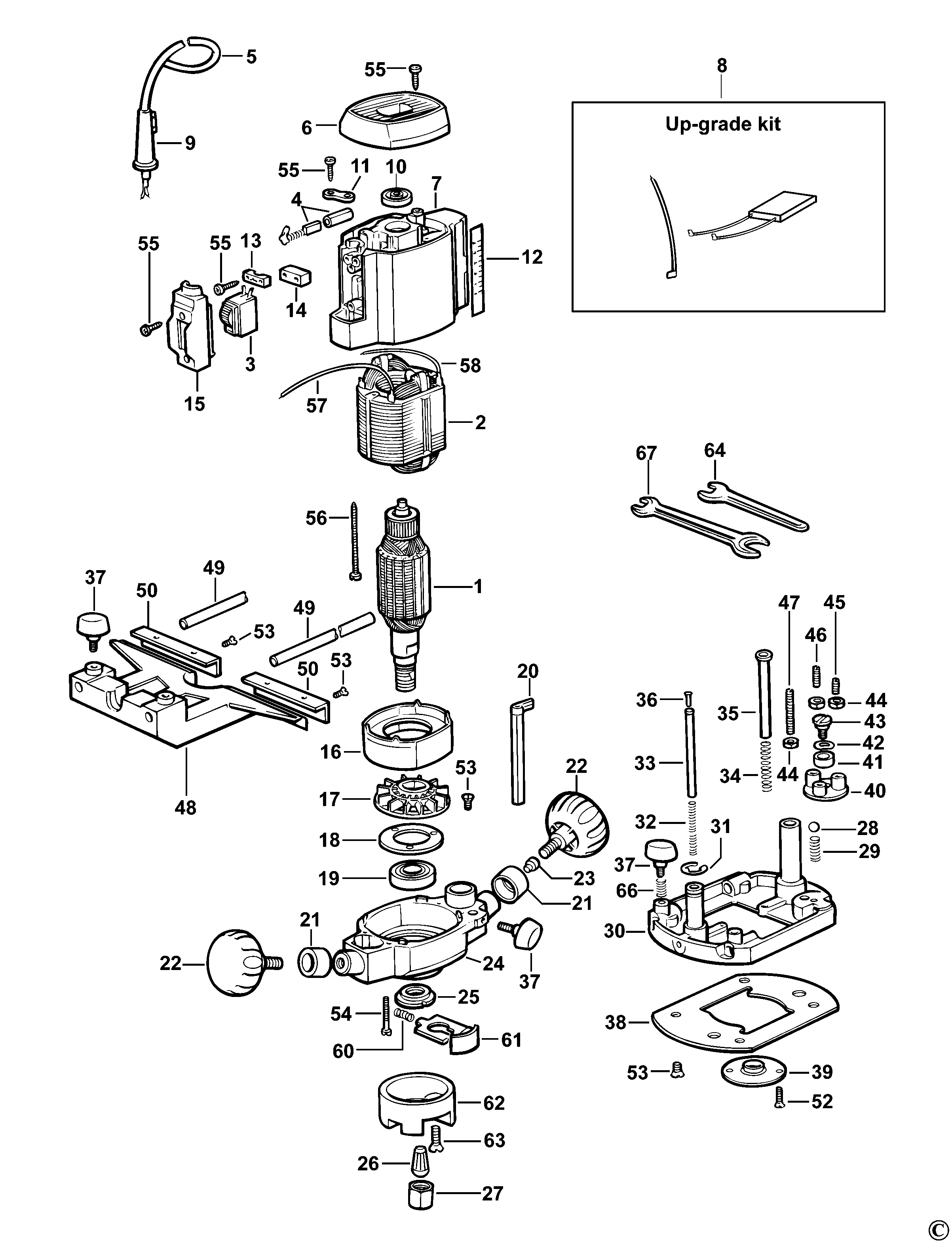
MOF96 ROUTER Type 2 | Drawings
Documents

Item No. | Product Number | Qty Per | Product Description | General Description | Other Info | Markets | Product Status |
---|---|---|---|---|---|---|---|
1 | 868627-01 | 1 | ARMATURE | ZA | ![]() |
||
2 | 868628-00 | 1 | FIELD 240V | 220 VOLT | ZA | ![]() |
|
3 | N566709 | 1 | SWITCH | ZA | ![]() |
||
4 | 247533-11 | 2 | BRUSH & HOLDER 230V | 220 / 240 VOLT | ZA | ![]() |
|
5 | 000000-00 | 1 | NO LONGER AVAILABLE | ZA | |||
6 | 720645-05 | 1 | COVER BRUSH | ZA | ![]() |
||
7 | 943047-01 | 1 | FIELDCASE | ZA | ![]() |
||
8 | 581285-01 | 1 | SUPPRESSOR | ZA | ![]() |
||
9 | 868520-00 | 1 | CORD PROTECTOR | ZA | ![]() |
||
10 | N110358 | 1 | BEARING | ZA | ![]() |
||
11 | 868069-00 | 2 | CLAMP | ZA | ![]() |
||
12 | 249278-00 | 1 | SCALE | ZA | ![]() |
||
13 | 576118-00 | 1 | CORD CLAMP | ZA | ![]() |
||
14 | 868521-00 | 1 | GUIDE | ZA | ![]() |
||
15 | 247700-01 | 1 | COVER | ZA | ![]() |
||
16 | 868522-00 | 1 | BAFFLE FAN | ZA | ![]() |
||
17 | 943054-00 | 1 | FAN | ZA | ![]() |
||
18 | 868047-00 | 1 | PLATE | ZA | ![]() |
||
19 | 868768-16 | 1 | BEARING | ZA | ![]() |
||
20 | 868523-01 | 1 | DEPTH STOP | ZA | ![]() |
||
21 | 249108-00 | 2 | BUSH | ZA | ![]() |
||
22 | 869284-05 | 2 | HANDLE SA | ZA | ![]() |
||
23 | 869284-23 | 1 | KNOB SA | ZA | ![]() |
||
24 | 248954-00 | 1 | HOUSING LOWER | ZA | ![]() |
||
25 | 868052-00 | 1 | NUT | ZA | ![]() |
||
27 | 326286-00 | 1 | COLLET & NUT SA | 8mm | ZA | ![]() |
|
27 | 326286-01 | 1 | COLLET & NUT SA | 6.35mm 1/4 inch | ZA | ![]() |
|
28 | 720664-00 | 1 | BALL | ZA | ![]() |
||
29 | 868082-00 | 1 | SPRING | ZA | ![]() |
||
30 | 868613-00 | 1 | BASEPLATE SA | ZA | ![]() |
||
31 | 943032-00 | 1 | CIRCLIP | ZA | ![]() |
||
32 | 096934010 | 1 | SPRING | ZA | ![]() |
||
33 | 096815201 | 1 | ROD | ZA | ![]() |
||
34 | 096934007 | 1 | SPRING | ZA | ![]() |
||
35 | 868566-00 | 1 | ROD | ZA | ![]() |
||
36 | 096815000 | 1 | RIVET | ZA | ![]() |
||
37 | 326573-01 | 5 | SCREW WING | ZA | ![]() |
||
38 | 943042-00 | 1 | BASE | ZA | ![]() |
||
40 | 720674-01 | 1 | TURRET | ZA | ![]() |
||
41 | 868092-00 | 1 | WASHER | ZA | ![]() |
||
42 | 860658-01 | 1 | WASHER | ZA | ![]() |
||
43 | 249432-00 | 1 | SCREW | ZA | ![]() |
||
44 | 860083-02 | 3 | NUT | ZA | ![]() |
||
45 | 942931-02 | 1 | SCREW.TEMP | ZA | ![]() |
||
46 | 942931-01 | 1 | SCREW | ZA | ![]() |
||
47 | 868109-00 | 1 | SCREW | ZA | ![]() |
||
48 | 948651-00 | 1 | FENCE SA | ZA | ![]() |
||
49 | 868080-00 | 2 | ROD | ZA | ![]() |
||
50 | 249090-00 | 2 | GUIDE | ZA | ![]() |
||
52 | 249412-20 | 2 | SCREW | ZA | ![]() |
||
53 | 860205-04 | 11 | SCREW | ZA | ![]() |
||
54 | 249416-10 | 4 | SCREW | ZA | ![]() |
||
55 | 949896-12 | 10 | SCREW | ZA | ![]() |
||
56 | 868528-00 | 2 | SCREW | ZA | ![]() |
||
57 | 868530-02 | 1 | LEAD BLUE | ZA | ![]() |
||
58 | 868530-07 | 1 | LEAD BLUE | ZA | ![]() |
||
60 | N406641 | 1 | SPRING COMPRESSION | ZA | ![]() |
||
61 | 943114-00 | 1 | LOCK BUTTON | ZA | ![]() |
||
62 | 943057-00 | 1 | COVER | ZA | ![]() |
||
63 | 249413-03 | 4 | SCREW | ZA | ![]() |
||
64 | 868148-00 | 1 | SPANNER | ZA | ![]() |
||
66 | 868082-00 | 5 | SPRING | ZA | ![]() |
||
67 | 31351301 | 1 | SPANNER | ZA |