KS633E ЛОБЗИК Type 3 | Чертежи
Документы
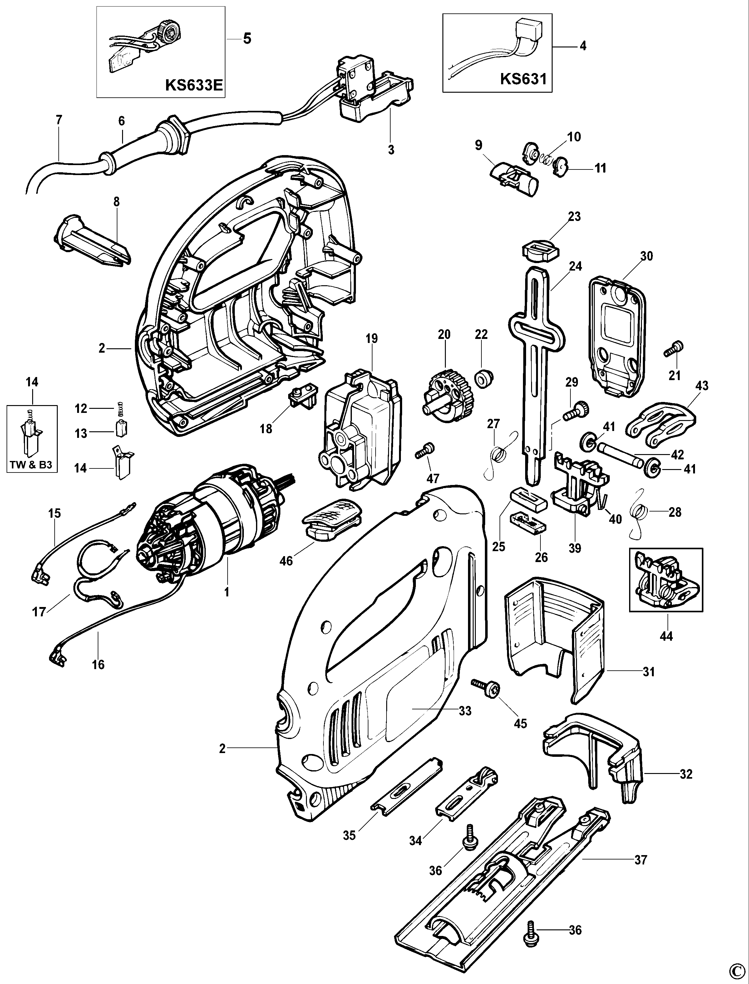
Пожалуйста, просмотрите ниспадающее меню, так как для некоторых продуктов может быть приведено несколько рисунков
| Item No. | Product Number | Qty Per | Product Description | ДОП. ОПИСАНИЕ | Other Info | Markets | Product Status |
|---|---|---|---|---|---|---|---|
| 1 | 571299-17 | 1 | ЭЛЕКТРОДВИГАТЕЛЬ В СБОРЕ | DE | |||
| 2 | 580151-01 | 1 | КОРПУС В КОМПЛЕКТЕ | FIRE STORM RED | DE | ![]() |
|
| 4 | 809483-04 | 1 | ВЫКЛЮЧАТЕЛЬ | DE | |||
| 5 | 368329-03 | 1 | ПЕЧАТНАЯ ПЛАТА В СБОРЕ | DE | |||
| 6 | 770235 | 1 | ЗАЩИТНОЕ УСТРОЙСТВО | DE | ![]() |
||
| 7 | 330080-03 | 1 | КОМПЛЕКТ ПРОВОДОВ | DE | ![]() |
||
| 8 | 369328 | 1 | РЕГУЛЯТОР | DE | ![]() |
||
| 9 | 370282-00 | 1 | ЗАМОК В СБОРЕ | DE | |||
| 10 | 748158 | 1 | ПРУЖИНА | DE | ![]() |
||
| 11 | 370966 | 2 | ШАЙБА | DE | |||
| 12 | 847709 | 2 | ПРУЖИНА | DE | |||
| 13 | 372523 | 2 | ЩЁТКА | DE | |||
| 14 | 846076 | 2 | ОБОЙМА ЩЁТКОДЕРЖАТЕЛЯ | DE | |||
| 15 | 830393 | 1 | ПРОВОД | DE | |||
| 16 | 372828 | 1 | ПРОВОД | DE | |||
| 17 | 828446 | 2 | ДРОССЕЛЬ В СБОРЕ | DE | ![]() |
||
| 18 | 369620 | 1 | ГАЙКА | DE | ![]() |
||
| 19 | 368564 | 1 | КОРПУС РЕДУКТОРА | DE | |||
| 20 | 368562 | 1 | ШЕСТЕРНЯ | DE | ![]() |
||
| 21 | 891024 | 4 | ВИНТ | DE | ![]() |
||
| 22 | 492994-00 | 1 | РОЛИК | DE | |||
| 23 | 810897 | 1 | ПОДШИПНИК | DE | |||
| 24 | 370164-03 | 1 | ВАЛ | DE | ![]() |
||
| 25 | 810893 | 1 | ПОДШИПНИК | DE | ![]() |
||
| 26 | 847216 | 1 | УПЛОТНЕНИЕ | DE | ![]() |
||
| 27 | 371951 | 1 | ПРУЖИНА ПР. | DE | |||
| 28 | 371950 | 1 | ПРУЖИНА ЛЕВ. | DE | ![]() |
||
| 29 | 370167 | 2 | ВИНТ | DE | ![]() |
||
| 30 | 368587 | 1 | КРЫШКА | DE | |||
| 31 | 369008 | 1 | ЗАЩИТНЫЙ КОЖУХ | DE | ![]() |
||
| 32 | 370584 | 1 | ЗАЩИТНЫЙ КОЖУХ | DE | ![]() |
||
| 33 | 580121-00 | 1 | ЯРЛЫК ПРОИЗВОДИТЕЛЯ | DE | |||
| 34 | 368375-01 | 1 | ОПОРА В СБОРЕ | DE | ![]() |
||
| 35 | 368857-00 | 1 | ЗАЖИМ | DE | ![]() |
||
| 36 | 376409 | 2 | ВИНТ | DE | ![]() |
||
| 37 | 369304-00 | 1 | БАШМАК В СБОРЕ | DE | ![]() |
||
| 39 | 581096-00 | 1 | ЗАЖИМ | DE | |||
| 40 | 370169 | 1 | ПЛАСТИНА | DE | |||
| 41 | 370170 | 2 | СТОПОРНОЕ КОЛЬЦО | DE | |||
| 42 | 571131-00 | 1 | ПАКЕТ ДЕТАЛЕЙ (КОМПЛЕКТ) | DE | |||
| 43 | 370168-04 | 1 | ПРИВОД | DE | |||
| 44 | 581098-02 | 1 | ЗАЖИМ В СБОРЕ | DE | |||
| 45 | 747329 | 9 | ВИНТ | DE | ![]() |
||
| 47 | 812171 | 2 | ВИНТ | DE | ![]() |

